用于生活饮用水的给水管道系统所用的管材、管件及与水接触的其他辅助材料的卫生要求,应符合现行国家标准《生活饮用水输配水设备及防护材料的安全性评价标准》GB/T17219的有关规定。
目前现行有效的给水管材相关的部分技术规程及标准图集:
1.《建筑给水塑料管道工程技术规程》CJJ/T98
2.《建筑给水复合管道工程技术规程》CJJ/T155
3.《建筑给水金属管道工程技术规程》CJJ/T154
4.《埋地塑料给水管道工程技术规程》CJJ101
5.《给水排水管道工程施工及验收规范》GB50268
6.《自动喷水灭火系统PVC管道工程技术规程》CECS 234:2008(仅适用于轻、中危险级I级场所中湿式自动喷水灭火系统公称外径不超过50mm的配水管及配水支管)。
7.11S405-1~4 《建筑给水塑料管道安装》
11S405-1 《建筑给水氯乙烯类塑料管道安装》
11S405-2 《建筑给水聚烯烃类塑料管道安装》
11S405-3 《建筑给水复合类塑料管道安装》
11S405-4 《建筑给水塑料管道安装通用详图》
8.10SS411 《建筑给水复合金属管道安装》
9.09S407-1《建筑给水铜管道安装》
10.10S407-2 《建筑给水薄壁不锈钢管道安装》
10.10S507 《建筑小区埋地塑料给水管道施工》
11.10S505 《柔性接口给水管道支墩》
12.GB50981-2014《建筑机电工程抗震设计规范》
规范中的GB/T-国标推荐,GB-国标,JB-军标,QB-企标 DB-地标。
行业标准中的JGJ、JGJ/T-建筑工程行业建设标准;CJJ、CJJ/T-中华人民共和国行业标准;CJ、CJ/T-中华人民共和国城镇建设行业标准。
CECS—中国工程建设标准化协会标准
CCES—中国土木工程学会标准
相互关系:地标与企标遵从并不低于国标标准;协会、学会标准一般先于行业标准制订,通过实践与发展继而制订国家行业标准。
给水管材种类、性能及选用:
1.建筑给水塑料管材
1)建筑给水塑料管的设计依据:《建筑给水塑料管道工程技术规程》CJJ/T98-2014,适用范围:本规程适用于新建、扩建、改建的民用及工业建筑给水塑料管道工程的设计、施工及质量验收。其中冷水管道长期工作温度不应大于40℃、最大工作压力不应大于1.00MPa;热水管道长期工作温度不应大于70℃、最大工作压力不应大于0.60MPa。
a.塑料管材种类与性能
给水塑料管材种类:
ABS—丙烯腈-丁二烯-苯乙烯共聚物;
AGR—丙烯酸树脂化学改性的高抗冲聚氯乙烯;
PB—聚丁烯;
PE—聚乙烯材料总称;
PE80—材料的最小要求强度为8MPa的聚乙烯材料;
PE100—材料的最小要求强度为10MPa的聚乙烯材料;
PE-RT—耐热聚乙烯的总称;
PE-X—交联聚乙烯;
PO—聚烯烃材料总称(通常指乙烯、丙烯或高级烯烃的聚合物。英文缩写为PO。其中以聚乙烯和聚丙烯最 多,还有聚丁烯等);
PP-R—无规共聚聚丙烯;PVC-C—氯化聚氯乙烯;
PVC-M—物理改性高抗冲聚氯乙烯;
PVC-U—硬聚氯乙烯。
建筑给水塑料管道除氯化聚氯乙烯(PVC-C)可用于水喷淋消防系统外,其他给水塑料管材不得用于室内消防给水系统。



b.塑料管材选用要点
dn-公称外径,规定的外径,等于最小平均外径demin。
en-公称壁厚,管材或管件的壁厚规定值,等于最小壁厚emin。
管系S-与公称外径和公称壁厚有关的无量纲数,用于选用管材规格。S=(dn-en)/2en=(SDR-1)/2,新标准采用,便于工程选用。
标准尺寸比SDR-公称外径/公称壁厚,属于老标准采用。
管材公称压力PN-冷水管材在20℃的水温条件下,使用年限为50年,产品标准所给定的最大允许工作压力。不同的管材或同一种管材不同的使用等级,管系相同的情况下对应的公称压力也不同。
系统工作压力Pm-管道系统工作时,作用于管内壁的最大持续压力,不包括试验压力和水锤压力。
管材设计压力PD-为了方便选用热水管道,温度不大于70℃,使用寿命50年所对应的管系允许的设计压力值,等于CA*Pm的乘积。
总体使用(设计)系数C-一个大于1的数值,它的大小考虑了使用条件和管路其他附件的特性对管系的影响,是在置信下限所包含因素之外考虑的管系的安全裕度。是管材设计的安全系数,是产品设计所固有,不能作为工程设计中压力的安全系数CA。
CA-工程应用管材的安全系数。
带阻隔层的管材-带有很薄阻隔层的塑料管材,用于阻止或减少气体或光透过管壁。(如PE-RT)
使用条件级别-用于热水系统的塑料给水管道,根据不同的使用温度(60℃,70℃)设定两个应用级别,对应不同的总体使用(设计)系数C。
冷水管选用公式:PN=CA·Pm/f
CA—硬聚氯乙烯(PVC-U)、ABS、聚丙烯(PP-R)管及重要工程可取1.5,改性聚氯乙烯(PVC-M、AGR)及其他聚烯烃管材可取1.2~1.5;
热水管选用公式:PD=CA·Pm
CA—聚丙烯(PP-R)管材及重要工程可取1.5,其他聚烯烃管材及氯化聚氯乙烯可取1.2;
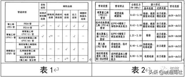
从表1.表2.表3可以看出:不同管材同一管系对应的公称压力不同,温度对塑料管材的使用性能影响很大。
表1 冷水系统中,不同公称压力PN下的管材S系列选用表

表2 热水系统中,不同设计压力PD下的管材S系列选用表

表3 建筑给水塑料管道管材在不同工作温度下的压力折减系数f

c.塑料管道安装要点
(1)塑料管道的连接方式分基本连接、过渡式连接。
基本连接--用于同材质连接;
过渡式连接--用于与其他管材的管道连接或与阀门及附件连接;其中丝扣连接通常采用注塑成型内嵌铜制内丝或外丝的管件与其他材质管材等连接。
氯乙烯类与ABS塑料管道基本连接为粘接与胶圈接口,由于其属于极性塑料管材,可用企业配套的溶剂型胶粘剂粘接,方便可靠;聚氯乙烯类给水管材或管件的承口,嵌入专用的双唇橡胶密封圈,管材插入管件后橡胶圈压缩起密封的连接方式。弹性密封圈连接不能承受轴向拉力或推力。故胶圈接口一般不用于室内管道连接,宜用于室外埋地。
聚烯烃类塑料管道
非极性塑料如聚烯烃类管材采用热熔连接或机械连接。
PP-R、PB-基本连接为热熔承插连接、电熔连接,过渡连接为法兰与螺纹连接。
PE、PE-RT-基本连接为热熔承插连接、热熔对接连接、电熔连接,过渡连接为法兰与螺纹连接。
PE-X-基本连接为卡箍式连接、卡压式连接,过渡连接为螺纹连接。
(2)管道布置与敷设
敷设在垫层内塑料管道不能采用机械连接,可对应不同管材分别采用粘接或热熔连接。
管道穿越楼板、内墙、屋面等处做法详见11S405-4《建筑给水塑料管道安装通用详图》。
塑料属高分子材料,线膨胀系数较大,是金属管道6倍~12倍,塑料管道系统支吊架比较密集,对于设计施工安装要求比较高。管道系统应分段设置固定支承或支架,当其间距大于下表规定时,应采取补偿措施。
横管直线管段固定支架的最大间距L选用表(m)

《给排水技术措施》上的部分塑料热水横管直线管段固定支架的最大间距L如下表(热水)(m):

与规程上数据出入较大,更为保守。规程第4.6.3条附表中横管固定支架最大间距的计算依据是:热水管道温差为65℃,冷水管道温差为30℃,材料管道的伸长量控制在50mm。是为工程设计中较合理设置补偿器(包括自由臂补偿)而制定的。
另外,室内管道系统在下列部位也应设置固定支承或支架:
① 管道采用弹性密封圈连接的部位;
② 立管有横管接出时,立管上的分支部位;
③ 自由臂计算管段的下游一侧;
④ 其它不一一列举。
规程或图集中规定的冷、热水管道明敷或暗设的支吊架(包括固定支架、滑动支架)最大间距因国内尚无实测资料,是按现行国家标准《建筑给水排水及采暖工程施工质量验收规范》GB 50242规定,并参照了欧洲有关国家资料经整理后确定的。
塑料管道从出厂到安装应用,轴向膨胀或收缩的过程,一般先轴向收缩,因管材生产在流水线上是挤出和牵引后急骤冷却定型,管材存在内应力,这种内应力逐步消除,应力消除过程中管材纵向收缩。管材出厂到使用有一段时间应力才能消除,应力消除后管材遵循热胀冷缩规律。室内管道常用的伸缩补偿方式:利用管道折角自然补偿、多球橡胶伸缩节、塑料伸缩节补偿等。多球橡胶伸缩节适宜于横管,塑料伸缩节适宜于立管。注意金属波纹管是不能用于塑料管材,因为它是专为小膨胀量,大膨胀力的金属管设计的,正与塑料管相反。另外考虑到小管径的膨胀力较小,对于dn≤25mm的塑料管,嵌埋在墙内或地面垫层内时不考虑补偿措施,但必须有一定厚度和强度的砂浆压住,以防涨裂墙、地面。
冷热水管道热膨胀或收缩的轴向伸缩量、自由臂补偿量的计算公式如下:
①冷水管计算公式:△L=L·α·△t;
△t=0.65△ts+0.1△tg
式中:△L—计算管段的轴向伸缩量(mm);
L—计算管段长度(mm);(注意单位);
△t—计算温差(℃);
△ts—管道内水的最大温差(℃);
△tg—管道周围的环境温差(℃)。
α—管材的线膨胀系数(1/℃);(注意单位)
注:当计算资料不齐全时,管内冷水最低温度取5℃、最高水温取40℃、环境温差取35℃。
②热水管计算公式:△L=L·α·△ts
注:1.当资料不齐全时,管内冷水温度取5℃;
2.管内热水管计算温度取70℃。
对应某一种管材,管道膨胀量主要取决于水温,环境温度影响膨胀量小,热水管道水温温差计算系数取1.0,这样计算较简单且偏于安全。
③最小自由臂长度La计算公式:La=K·(△L·dn)∧1/2;
式中:La—最小自由臂长度(mm);
K—自由臂计算系数或材质系数;聚氯乙烯物理和化学改性管材可取25~27,(国标图集30~34);聚丁烯(PB)管材可取10,交联聚乙烯(PE-X)、聚丙烯(PP-R)、耐热聚乙烯(PE-RT)管材可取20,(国标图集:聚乙烯、耐热聚乙烯27,交联聚乙烯、聚丙烯20);
△L—计算管段管道轴向伸缩量(mm);
dn—管材的公称外径(mm)。
材质系数K与管材材质的柔韧性有关。材料的柔韧性优良K值小,相反管材刚性好K值大。
结论
在实际工程中,建筑给水大面积使用塑料管比较少,并且使用比较广泛、甲方与施工单位容易接受的塑料管以PP-R管居多,有如下原因:
① 各方对塑料管材的认知度不够。
② 对管材质量的可信度低。
③ 塑料管容易变形对施工安装要求比较严格、繁琐。
④塑料管刚度低,对运输、保存、施工现场保护等要求比较规范。
⑤承压范围小,对于加压站房供水干管及高层建筑供水横干、立管的可靠性不够。
⑥PP-R管材性价比高,卫生性优良,施工安装方便,热熔连接可靠,卫生性能优良给水支管很适宜地面垫层暗装。
⑦PVC给水管材不应以铅作为稳定剂,还要控制氯乙烯单体含量,生产过程中需加助剂,卫生性能指标控制较其他塑料管难,随着塑料管材的发展,在建筑给水系统中被选用的几率越来越少。
⑧CPVC、PE-X、PB、PE-RT用于热水系统性价比更高,且PE-X、PB、PE-RT更多用于空调、地暖系统。
在规程适用的范围内选用塑料给水管,并留有余量确定适合的管系。
《建筑机电工程抗震设计规范》中4.1.1,2条,高层建筑及9度地区建筑的干管、立管应采用铜管、不锈钢管、金属复合管等强度高且具有较好延性的管道。
弹性模量E:衡量材料产生弹性变形难易程度的指标,其值越大,使材料发生一定弹性变形的应力也越大,即材料刚度越大,亦即在一定应力作用下,发生弹性变形越小。弹性模量E是指材料在外力作用下产生单位弹性变形所需要的应力。它是反映材料抵抗弹性变形能力的指标,相当于普通弹簧中的刚度。弹性模量E小,轴向力就小。
2.建筑给水复合管道
1)建筑给水复合管道的设计依据:《建筑给水复合管道工程技术规程》CJJ/T155-2011,适用范围:本规程适用于新建、扩建和改建的民用和工业建筑给水复合管道工程的设计、施工及质量验收。
2)金属给水管材种类、性能及选用
a.复合管材种类
复合管—采用两种或两种以上的材料,经复合工艺而制成为整体的圆管。
钢塑复合管(SP管)—在钢管内壁或外壁或内外壁衬(涂)一定厚度塑料层复合而成的管材。以公称直径DN表示。包括衬塑复合钢管、涂塑复合钢管和外覆塑复合钢管。衬塑复合钢管的基管为焊接钢管、无缝钢管;
外防腐为热镀锌、涂塑、外覆塑;内衬塑为UPVC、CPVC、PP-R、PE、PE-X、PE-RT。涂塑复合钢管以钢管为基管,以塑料粉末为涂层材料,通过吸涂、喷涂等涂塑工艺在其内表面熔融涂敷塑料层、在其外表面熔融涂敷塑料层或用另外工艺在外表面涂敷上其他材料防腐层的钢塑复合管材;内涂层为聚乙烯(PE)、环氧树脂(EP);外涂层为热镀锌、聚乙烯(PE)、环氧树脂(EP)。
钢塑复合压力管(PSP管)—以钢带经焊接成型的钢管为中间层,内外层为聚乙烯或聚丙烯塑料,采用热熔胶,通过挤塑成型方法复合成一体的管材。以公称外径 dn表示。中间层钢管比钢塑复合管薄很多,与复合塑料层共同承压。
不锈钢塑料复合管(SNP管)—由外层不锈钢管和内层塑料管粘合而成的复合管材。又称超薄壁不锈钢塑料复合管材。以公称外径dn表示。外管为对接焊薄壁不锈钢管、内管为挤出成型的塑料管,采用预应力复合或粘接复合。预应力复合结构的管材是一种外层结构为不锈钢管、内层结构为热塑性塑料(PP-R、PB、PE-RT等)管,经预应力复合而成两层结构的管材,如图1所示。粘接复合结构的管材是一种外层结构为不锈钢管、内层结构为塑料(PE、PE-X、PVC-U、ABS等)管,中间层为热熔胶或其他胶粘剂,经粘合而成三层结构的管材,如图2所示。

钢骨架塑料(聚乙烯)复合管—— 以缠绕钢丝网或钢板孔网为中间层,内外层为聚乙烯塑料,采用热熔胶,通过挤塑成型方法复合成一体的管材。钢骨架塑料(聚乙烯)复合管包括钢丝网骨架塑料(聚乙烯)复合管和钢板孔网骨架塑料(聚乙烯)复合管材。以公称外径dn表示。
对于钢骨架塑料(聚乙烯)复合管,在《建筑给水复合管道工程技术规程》CJJ/T155-2011与《埋地塑料给水管道工程技术规程》CJJ101-2016中对钢骨架塑料(聚乙烯)复合管定义不一样,后者将钢骨架塑料(聚乙烯)复合管与上述两种并列称为钢塑复合管(PSP),也是以钢丝网作为骨架的复合管材,但与钢丝网骨架塑料(聚乙烯)复合管的生产工艺与执行的产品标准不一样。钢骨架聚乙烯塑料复合管材执行《给水用钢骨架聚乙烯塑料复合管》CJ/T123行业标准;钢丝网骨架塑料(聚乙烯)复合管材执行《钢丝网骨架塑料(聚乙烯)复合管材及管件》CJ/T189行业标准。复合管材的分类在相关规程及图集中的定义有争议,所以会出现交叉内容不统一现象。只要了解其特性与适用范围,设计中就能正确选用管材。
铝塑复合管(铝塑复合压力管)(PAP管)—以焊接铝管为中间层,内外层均为聚乙烯塑料、耐热聚乙烯或交联聚乙烯塑料,采用热熔胶,通过挤塑成型方法复合成一体的管材。有搭接焊、对接焊、内层热型熔、外层熔接型。以公称外径dn表示。
塑铝稳态管(塑铝稳态复合管)(PE/A/P管)—内层为PP-R或PE-RT塑料,中间用铝层包覆,外覆塑料保护层,各层间通过热熔胶粘接而成五层结构的复合管材。以公称外径dn表示。
铝合金衬塑钢管—外管为铝合金管、内管为热塑性塑料(PP-R、PB、PE-RT)管,经预应力复合而成两层结构的管材。以公称外径dn表示。(规程中未编入)
内衬不锈钢复合钢管(BCP管)—采用复合工艺,在碳钢管内壁衬薄壁不锈钢管的复合管材,又称BCP双金属复合管。以公称直径DN表示。
b.复合管材的选用及压力等级
表1 用于冷水或热水的复合管选用表

注:不锈钢塑料复合管用于冷水或热水参照衬塑钢管选用方法。
用于生活饮用水的涂塑钢管,内涂层材料宜采用聚乙烯;用于非生活饮用水的涂塑钢管,内涂层材料可采用环氧树脂。
消防给水系统管道(室内)采用复合管时应采用涂塑钢管,内外涂层应采用符合消防要求的材料。用于消防给水系统的复合管材,目前只有涂塑钢管。消防给水系统用复合钢管要通过高温试验,在高温条件下接口不渗漏,管内不会堵塞,因此对涂层的要求较高,应符合消防检测要求。
埋地敷设管道宜采用钢骨架聚乙烯复合管材,与外壁有防腐涂层或塑料层的钢塑复合管材,均可以埋地敷设。埋地敷设的管材,一是耐腐蚀性能要好,二是对环刚度有要求。
建筑给水复合管道的公称压力
① 衬塑钢管、涂塑钢管的公称压力见下表

②钢塑复合压力管的公称压力见下表

③钢骨架塑料(聚乙烯)复合管的公称压力见下表

④不锈钢塑料复合管的公称压力不应大于1.6MPa;
⑤内衬不锈钢复合钢管的公称压力不应大于2.0MPa;
⑥铝塑复合管与塑铝稳态管、铝合金衬塑复合管按管材允许工作压力选用,选用方法类同于塑料管材,具体详见11S405-3。
c.给水复合管道的安装要点
铝塑复合管、塑铝稳态管、铝合金衬塑复合管按《建筑给水复合类塑料管道安装》11S405-3执行。
管材选用汇总表如下:

衬塑钢管、涂塑钢管、内衬不锈钢复合钢管、钢塑复合压力管按《建筑给水复合金属管道安装》10SS411执行。
①衬塑钢管、涂塑钢管—螺纹、沟槽、法兰、卡箍连接。
②内衬不锈钢复合钢管 —螺纹、沟槽、法兰、焊接连接。
③钢塑复合压力管—沟槽、法兰、热熔对接、热熔承插、双热熔连接。
不锈钢塑料复合管—热熔法兰连接、复合连接【指两种或两种以上连接方式用于同一接口处的连接方式,不锈钢塑料复合管复合连接为内层(塑料层)采用热熔连接,外层(金属层)采用卡压式连接。】
钢骨架塑料(聚乙烯)复合管—法兰、热熔对接、电熔连接。
c.管道的位移补偿、防腐、保温
管道的位移补偿:
衬塑钢管、涂塑钢管、内衬不锈钢复合钢管宜采用金属伸缩器补偿,钢塑复合压力管宜采用塑料管道的伸缩器补偿。热水管道直线管段大于20m,设固定支架及补偿器。直埋管段及采用卡箍式柔性连接的钢塑复合管道可不采取补偿措施。
建筑给水复合管道因温差引起的轴向位移量,可按下列公式计算:
△L=α×L×△T
△T=0.65△ts+0.10△tg
式中:△L—管段的轴向位移量(mm);
α—管材的线膨胀系数[mm/(m·K)];
L—计算管段长度(m);△T—计算温(℃);
△ts—管道内水的最大温差(℃);
△tg—管道外空气的最大温差(℃)。
注:①当计算数据不全时,冷水最低温度可按5℃ 计算,空气温差可按30℃计算;
②冷水管道可不予计算(不含铝塑复合管、塑铝稳态管、铝合金衬塑复合管)。
③涂塑钢管α取0.012mm/(m·K),其他管道的α按两种不同材料的α经加权平均后计算,或按厂家提供的数据计算,如成都贝根的内筋嵌入式衬塑钢管的α取值0.025,与铝塑复合管的α值相等。
管道防腐:
建筑给水复合管道的外壁为碳钢管时应进行外防腐,明敷管道外壁可采用热镀锌、涂塑、外用覆塑防腐,埋地管道可采用外壁做防腐涂层,包括外壁涂塑或覆塑,满足抗腐蚀要求的成品管材及需施工现场实施的外防腐;防腐做法有:石油沥青涂料、环氧煤沥青涂
料、环氧树脂玻璃钢、聚氨酯(PU),按《给水排水管道工程施工及验收规范》GB50268-2008执行。
管道保温
根据使用需要做保温或防结露;建筑给水复合管道的导热系数按两种不同材料的导热系数经加权平均后计算。
3)小结:
关于复合管的概念,塑料行业和结构专业、给排水专业意见不一致,规程中规定的塑料管与复合管与对应的图集不一致,但不影响我们使用。
复合管材兼具了塑料管材与金属管材的某些特性,刚度好,卫生性能优良。
3.建筑给水金属管道
1)建筑给水金属管道的设计依据:《建筑给水金属管道工程技术规程》CJJ/T154-2011,适用范围:本规程适用于新建、扩建和改建的民用和工业建筑给水金属管道工程的设计、施工及质量验收。
a.金属管材种类
镀锌焊接钢管—普通焊接钢管内外表面经热浸镀锌而成的焊接钢管。
无缝钢管—用优质碳素结构钢或低合金高强度结构钢钢锭或钢坯经热轧或冷拔(冷轧)成型、精整制成,或用铸造方法生产的不带焊缝的钢管。
薄壁不锈钢管—壁厚与外径之比不大于6%的不锈钢管。
覆塑薄壁不锈钢管—外壁有塑料包覆层的薄壁不锈钢管。
球墨铸铁管—用含球形石墨的铸铁(QT)铸造成型的铸铁管,又称高强度铸铁管。
铜管—用工业纯铜经拉制、挤制或轧制成型的无缝有色金属管,又称紫铜管。
塑覆铜管—外壁有塑料包覆层的薄壁铜管。
b.金属管材的选用及压力等级
室内明装或暗敷的建筑给水金属管道,可采用薄壁不锈钢管、铜管或经防腐处理的钢管(如涂塑与衬塑钢管)等。室内埋地的铜管、薄壁不锈钢管采用覆塑管。消防给水管道采用内外壁热镀锌钢管或前面所述的涂塑钢管。
小区埋地敷设的建筑给水金属管道,应选用具有耐腐蚀和能承受相应地面荷载能力的管材。可采用球墨铸铁管、有衬里的铸铁给水管或经防腐处理的钢管等。球墨铸铁管可采用内涂敷水泥或衬覆塑料做内防腐。
碳钢类金属管道适用的系统工作压力如前所述。球墨铸铁给水管适用的系统工作压力可以按≤1.60MPa考虑[球墨铸铁管及管件的压力等级PN10~PN40,详见《水及燃气用球墨铸铁管、管件和附件》GB/T13295-2013]《消防给水及消火栓系统技术规范》GB50974-2014中规定宜≤1.20MPa,是综合技术、经济、施工方便等各方面综合考虑的保守取值。
薄壁不锈钢管管材和管件的选用见下表:

薄壁不锈钢管材、管件应根据输送水中允许氯化物含量选材;输送偏酸性水或经软化处理的水宜采用薄壁不锈钢管。管道系统的工作压力不大于1.60MPa。
建筑给水铜管均为无缝紫铜管,应采用TP2牌号管材,含铜量≥99.9%,含氧量≤0.01%,称磷脱氧铜。用于输送偏碱性水的建筑给水金属管道宜采用铜管。管道系统的工作压力不大于1.60MPa。
c.给水金属管道的安装要点
铜管、薄壁不锈钢管按《建筑给水铜管道安装》09S407-1、《建筑给水薄壁不锈钢管道安装》10S407-2执行。
铜管的连接方式见下表:

前四项适合薄壁铜管,后三项适合厚壁铜管。
薄壁不锈钢管的连接方式见下表1,2:
薄壁不锈钢管的连接方式目前在工程中得到应用的近30种,挤压连接方式是最基本的一类连接方式。薄壁不锈钢管的连接方式很多,规程选取了其中的一部分,这些连接方式各有特点。如挤压式连接,接口严密,耐压性能好,但接口不可拆卸,需要有专用工具,在暗敷条件施工有一定困难,对施工人员的技术要求高,管径有一定限制等。而卡凸式、卡套式、压缩式等连接就没有这些问题,但价格一般高于卡压式连接,也不能暗埋。焊接连接密封性能好,但对管材耐腐蚀性能有一定影响,当采用惰性气体保护时,施工较麻烦。表1:

表2:

镀锌焊接钢管、镀锌无缝钢管连接方式
常用的连接方式有螺纹连接、沟槽式连接、法兰连接;还有卡压式连接和环压式连接。
DN≤100或≤80时,常采用螺纹连接,还有卡压式连接、环压式连接,是近年来发展的新技术。
DN>100或>80时,应采用沟槽连接或法兰连接,且法兰宜采用螺纹法兰。当采用平焊法兰时,镀锌焊接钢管与法兰的焊接处应二次镀锌。法兰接口埋地敷设时,应对法兰、螺栓和蝶母采取防腐措施。
球墨铸铁给水管连接方式
球墨铸铁给水管适用于室外埋地敷设,有承插滑入式柔性接口(如T型)、承插式机械柔性接口(如K型、NⅠ型、S型,NⅠ型、S型一般用于燃气管道)、自锚接口(如TF型)和法兰接口等。球墨铸铁管口径共有30种,DN40~DN2600。
图1,DN40~DN1200 T型接口;图2,DN1400 T型接口;
图3,DN100~DN2600 K型接口;图4,DN80~1200 TF型自锚接口;DN1400~DN2600也可采用自锚连接。

图4,DN80~DN1200, TF型接口一种形式:

TF型自锚安装优势:解决了T型、K型轴向滑脱的问题,遇到地基不均匀沉降,转弯处无法安装支墩时特别适用。
d.管道的位移补偿、防腐、保温
●管道的位移补偿
由于室内给水管不再采用镀锌钢管,一般也不用给水铸铁管,所以不在此列说明。铜管、不锈钢管热水管直线管段大于20m,设固定支架及补偿器。
因温差引起的轴向位移量,计算公式如下:
△L=α×L×△T;△T=0.65△ts+0.10△tg
式中:△L—管段的轴向位移量(mm);
α—管材的线膨胀系数[mm/(m·K)K与℃等同转换];
L—计算管段长度(m);△T—计算温(℃);
△ts—管道内水的最大温差(℃);
△tg—管道外空气的最大温差(℃)。
注:①当计算数据不全时,冷水最低温度可按5℃计算,空气温差可按30℃计算;
②冷水管道可不予计算。
③铜管α取0.0176mm/(m·K),薄壁不锈钢管α取 0.0172mm/(m·K)。
注:①当计算数据不全时,冷水最低温度可按5℃ 计算,空气温差可按30℃计算;
②冷水管道可不予计算。
③铜管α取0.0176mm/(m·K,K与℃等同转换),薄壁不锈钢管α取0.0172mm/(m·K)。
管道的自由臂连接方式,薄壁铜管与不锈钢管如下图示:

管道防腐:室内埋地的铜管、薄壁不锈钢管采用覆塑管。室外埋地管道包括镀锌钢管、钢管、给水铸铁管的内外防腐做法详见室外给水管道部分。
管道保温:根据使用需要做保温或防结露;保温材料应采用不腐蚀相应管材的材质。热水温度≤60℃时保温厚度参照表:
表1(铜管):

表2(薄壁不锈钢管):

从表1,2可以看出,后者保温厚度比前者小,缘于管材不同的导热系数(W/m?k):薄壁不锈钢管16.3,无缝薄壁紫铜管383.8;覆塑铜管与覆塑不锈钢管类型、参数如下详见:09S407-1/12~13及10S407-2/18~19。有关保温层、防结露层的计算本次不展开叙述,待续。




3)小结:
不锈钢管与铜管用于室内生活给水系统时,由于造价偏高,适用于建筑要求高的场所:酒店、高级公寓、高级住宅等,尤其适用于热水系统、直饮水系统等。
4.室外埋地给水、热力管道
1)室外埋地给水管道除了上述规程中有部分管道适用外,还有以下设计依据:
①《给水排水工程管道结构设计规范》GB 50332-2002,本规范适用于城镇公用设施和工业企业中的一般绐水排水工程管道的结构设计,不适用于工业企业中具有特殊要求的给水排水工程管道的结构设计。
②《给水排水管道工程施工及验收规范》GB50268-2008,适用于新建、扩建和改建城镇公共设施和工业企业的室外给排水管道工程的施工及验收;不适用于工业企业中具有特殊要求的给排水管道施工及验收。
③《埋地塑料给水管道工程技术规程》CJJ101-2016,适用于水温不大于40℃的新建、扩建和改建的埋地塑料给水管道工程的设计、施工及验收。
④国标图集:a)《柔性接口给水管道支墩》10S505,适用范围详见10S505,P5页。
b)《建筑小区埋地塑料给水管道施工》10S507 ,适用范围详见10S507,P3页。
c)《给水工程》11BS3 ,P261页。
在采用标准图集时,必须了解其适用条件,尤其是与室外埋地管道与构筑物相关的标准图集,选用时必须对其采用的车辆荷载要清楚。目前图集中经常出现的车辆荷载有如下:
城-A 总重700KN(轮压100KN)【见《城市桥梁设计规范》CJJ11—2011】
城-B 总重300KN(轮压60KN)(旧规范取值)
城-B 总重550KN(轮压70KN)【见《公路桥涵设计通用规范》JTG D60-2015】
2)室外埋地热力管道设计依据:
①《城镇供热直埋热水管道技术规程》CJJ/T 81-2013,适用范围:新建、改建、扩建的设计温度小于或等于150℃、设计压力小于或等于2.5MPa、管道公称。
②《城镇供热直埋蒸汽管道技术规程》CJJ/T104-2014
适用范围:工作压力≤2.5MPa,温度≤350℃,直接埋地敷设的钢质外护蒸汽保温管道的设计、施工、验收和径小于或等于1200mm城镇供热直埋热水管道的设计、施工、验收和运行管理。
③《城镇供热管网设计规范》CJJ 34-2010,适用范围:供热热水介质设计压力≤2.5MPa,设计温度≤200℃;供热蒸汽介质设计压力≤1.6MPa,设计温度≤350℃的城镇供热管网的设计。
④《城镇供热管网工程施工及验收规范》CJJ 28-2014,适用范围:工作压力≤1.6MPa,介质温度≤350℃的蒸汽管网及工作压力≤2.5MPa,介质温度≤200℃的热水管网。
⑤《高密度聚乙烯外护管聚氨酯发泡预制直埋保温复合塑料管》CJ/T480-2015,适用范围:供热、供暖及生活热水输送系统使用的高密度聚乙烯外护管发泡预制直埋保温复合塑料管。
⑥《高密度聚乙烯外护管聚氨酯发泡预制直埋保温管及管件》GB/T29047-2012,适用范围:供热、供暖及生活热水输送系统使用的高密度聚乙烯外护管发泡预制直埋保温钢管,长期运行温度≤120℃。
⑦《玻璃纤维增强塑料外护管聚氨酯发泡预制直埋保温管》CJ/T129,适用范围:供热、供暖及生活热水输送系统使用的玻璃纤维增强塑料外护管发泡预制直埋保温钢管,长期运行温度≤120℃。
注:⑤、⑥、⑦为管材标准,且⑤项目前还没有相关的技术规程供设计、施工,验收及运行管理等使用。
3)管材种类、选用;
a.管材种类:
室外埋地给水管管材:
① 建筑小区常用的管材:
仅适用于消防的:镀锌焊接钢管、焊接钢管;镀锌加厚焊接钢管、加厚焊接钢管;无缝钢管、镀锌无缝钢管;
消防与给水兼用:衬塑复合钢管、涂塑钢管、钢塑复合压力管(PSP);钢骨架聚乙烯塑料复合管、钢丝网骨架塑料(PE)复合管、钢板孔网骨架塑料(PE)复合管,这三项也称PSP;球墨铸铁管;聚乙烯(PE)管、聚氯乙烯(PVC)管;聚乙烯(PE)管道分为PE80管和PE100管;聚氯乙烯(PVC)管道分为硬聚氯乙烯(PVC-U)管和抗冲改性聚氯乙烯(PVC-M)管。
②大市政常用的管材:
球墨铸铁管;聚乙烯(PE)管、聚氯乙烯(PVC)管;钢骨架聚乙烯、钢丝网骨架塑料(PE)复合管、钢板孔网骨架塑料(PE);
混凝土管(包括钢筋混凝土管、预应力混凝土管、预应力钢筒混凝土管)、玻璃纤维增强塑料管(GRP、FRP)等。
直埋热水管管材:
①高密度聚乙烯外护管聚氨酯发泡预制直埋保温复合塑料管(以下简称保温复合塑料管)-高密度聚乙烯外护管、聚氨酯泡沫塑料保温层和工作管紧密结合而成,保温层内可设置支架。保温复合塑料管的结构示意见图1。

保温复合塑料管按工作管所用材料分为:
a) PP-R保温复合塑料管,代号为PUPPR;
b) PVC-C保温复合塑料管,代号为PUPVC;
c) PE-RT Ⅱ保温复合塑料管,代号为PUPE;
d) PB保温复合塑料管,代号为PUPB。
②高密度聚乙烯外护管聚氨酯发泡预制直埋保温钢管。
③玻璃纤维增强塑料外护管聚氨酯发泡预制直埋保温钢管。
b.管材的选用要点
《消防给水及消火栓系统技术规范》GB 50974-2014中①8.2.4条:埋地管道宜采用球墨铸铁管、钢丝网骨架塑料复合管和加强防腐的钢管等管材,室内外架空管道应采用热浸镀锌钢管等金属管材;②8.2.5条:埋地管道当系统工作压力不大于1.20MPa时,宜采用球墨铸铁管或钢丝网骨架塑料复合管给水管道;当系统工作压力大于1.20MPa小于1.60MPa时,宜采用钢丝网骨架塑料复合管、加厚钢管和无缝钢管;当系统工作压力大于1.60MPa时,宜采用无缝钢管。钢管连接宜采用沟槽连接件(卡箍)和法兰,当采用沟槽连接件连接时,公称直径小于等于DN250的沟槽式管接头系统工作压力不应大于2.50MPa,公称直径大于或等于DN300的沟槽式管接头系统工作压力不应大于1.60MPa。③8.2.8条:架空管道当系统工作压力小于等于1.20MPa时,可采用热浸镀
锌钢管;当系统工作压力大于1.20MPa时,应采用热浸镀锌加厚钢管或热浸镀锌无缝钢管;当系统工作压力大于1.60MPa时,应采用热浸镀锌无缝钢管。
以上选材综合了技术、经济、管道及管件的承压、施工安装的方便可靠性、质量稳定性等各方面因素综合考虑的保守取值。规范中对于室外埋地消防管材的选用及连接方式我认为是推荐性的,应结合具体情况与甲方意见、当地地方习惯等因素确定选用哪种管材,确定了管材后,其连接方式就相应确定了。室外埋地消火栓加压管道及报警阀前管道可以采用焊接钢管或无缝钢管,外做加强防腐层。埋地镀锌钢管外壁也必须做防腐,室外架空热浸镀锌钢管外壁是否再做防腐,视室外环境而定。
《建筑给水排水设计规范》GB 50015-2003(2009年版)中①3.4.2条:小区室外埋地给水管道采用的管材,应具有耐腐蚀和能承受相应地面荷载的能力。可采用塑料给水管、有衬里的铸铁给水管、经可靠防腐处理的钢管。
内壁的防腐材料,应符合现行的国家有关卫生标准的要求。室外给水管材的选用原则类同消防管道,并且用于生活饮用水的给水管道系统所用的管材、管件及与水接触的其他辅助材料的卫生要求,应符合现行国家标准《生活饮用水输配水设备及防护材料的安全性评价标准》GB/T 17219。②5.1.2条:生活热水的水质指标,应符合现行国家标准《生活饮用水卫生标准》GB 5749的要求。室外直埋生活热水管道系统的卫生要求同给水管材。
埋地塑料管材选用:根据管道的设计工作压力、水温、埋深及地面荷载等,并考虑工程所需的安全余量,选择管道的材质、公称压力(PN)和管材尺寸的S系列。对于满足图集中的计算条件的使用情况,可直接按图集选用管材的公称压力与管材尺寸的S值。但明显比规程中规定的留有更大的余量。
图集10S507/P5页:管材最小公称压力PN选用表

而规程中是这样规定的:① 聚乙烯(PE)管和聚氯乙烯(PVC)管:
MOP=PN·ft Fwd.k=1.5Fwk
Fwd.k ≤MOP
MOP—管道的最大工作压力(MPa);
PN—管道的公称压力(MPa);
ft—管道的温度对压力的折减系数。
Fwd,k—管道的设计内水压力标准值(MPa);
Fwk—管道的工作压力标准值(MPa)(系统工作压力,同《建筑给水塑料管道工程技术规程》CJJ/T 98-2014中的Pm)。
Fwd.k≥0.9MPa Fwd.k=Fwk+0.5
规第4.1.8条:钢塑复合管(管径不大于630mm)的压力等级可按设计内水压力标准值的1.2倍以上选取。相当于折减系数ft 0.80左右。
PN—管道的公称压力(MPa);
ft—管道的温度对压力的折减系数。
Fwd,k—管道的设计内水压力标准值(MPa);
Fwk—管道的工作压力标准值(MPa)(系统工作压力,同《建筑给水塑料管道工程技术规程》CJJ/T 98-2014中的Pm)。
c.室外给水管道的安装要点(本次不含热力管道)
室外给水金属类管道的连接方式详前述;非金属类管道的连接方式按《埋地塑料给水管道工程技术规程》CJJ101-2016、《建筑小区埋地塑料给水管道施工》10S507执行。
埋地塑料给水管道的连接方式见下表1(摘自规程CJJ 101-2016)与表2(摘自国标10S507),其他连接方式在安全可靠性得到验证后,也可使用。表中:①承口端需采用刚度加强,且仅适用于公称直径90mm~315mm的管道。设计中一般不采用。②胶粘剂连接仅适用于公称直径不大于225mm的聚氯乙烯管道。③一般场合可单独采用电熔连接,特殊场合需热熔对接连接+电熔连接。规程中未包含CPVC,应该是综合考虑造价的问题,相对于PVC-U、PVC-M,用于冷水系统,优势不明显。

4)管道的地基、基础与支墩
沟槽开挖、地基处理及沟槽回填
沟槽的开挖应控制基底高程,不得扰动基底原状土层。基底设计标高以上200mm~300mm的原状土,应在铺管前用人工清理至设计标高。槽底遇有尖硬物体时,应清除,并应用砂石回填处理。
地基基础宜为天然地基。①对于一般土质,当地基承载力特征值fak≥80kPa时,应在管底以下原状土地基上铺垫≮150mm中、粗砂基础层。②当地基土质较差,其地基承载力特征值55≤fak<80kPa或槽底处于地下水位之下时,宜铺垫≮200mm厚砂砾层,或分两层:下层150mm随时(粒径5~40mm),上层铺垫≮50mm中、粗砂。③软土地基(淤泥、淤泥质土、充填土或其他高压缩性土层构成的软弱地基)其地基承载力特征值fak≤55kPa,可采用灰土地基、砂石地基和粉煤灰地基处理。④因施工时原状土局部超挖或被扰动:a)超挖深度不超过150mm时,可用挖槽原土回填夯实,其压实系数不应低于原地基土的密实度;b)槽底地基土含水量较大,不适宜压实时,应换填天然级配砂石或最大粒径小于40mm的碎石整平夯实。⑤当排水不良造成地基基础扰动时:a)扰动深度在100mm以内时,宜填天然级配砂石或砂砾处理。b) 扰动深度在300mm以内,但下部坚硬时,宜填卵石或最大粒径小于40mm的碎石,再用砾石填充空隙整平夯实。⑥当沟槽底为岩石或坚硬物体时,铺垫中、粗砂基础层的厚度不应小于150mm。⑦在地下水位较高、流动性较大的场地内,应沿沟槽底部和两侧边坡上铺设土工布加以保护。⑧在同一敷设区段内,当地基刚度相差较大时,应采用换填垫层或其他措施。
对应90%的密实度:砂石基础承载力一般≮150kPa;3:7灰土基础承载力一般≮200kPa(200~250kPa)。
沟槽回填:
①《埋地塑料给水管道工程技术规程》CJJ 101-2016中第5.5.15条要求:

②《建筑小区埋地塑料给水管道施工》10S507,P40页:

③北京标《给水工程》11BS3,P261页:

③与①一致,②稍有区别,适用于建筑小区与工业厂区内生活区的埋地塑料给水管道工程。
塑料给水管道不应采用刚性管基基础。对设有混凝土保护外壳结构的塑料给水管道,混凝土保护结构应承担全部外荷载。(埋地塑料给水管道依靠管土共同作用对抗荷载,如采用刚性管座基础将破坏围土的连续性,从而引起管壁应力的突变,并可能超出管材的极限拉伸强度导致破坏。混凝土包封结构是为了弥补塑料给水管的强度或刚度的不足,凡采用混凝土包封结构的管段,包封结构应按承担全部的外部荷载,或采用全管段连续包封,消除管壁应力集中的问题。)
管道支墩
柔性接口给水管支墩详见10S505;工作压力≤2.5MPa 的TF自锚式接口的球墨铸铁管(DN≤500)可不设混凝土支墩;PE管及钢丝网骨架(聚乙烯)管在地基承载力大于等于150kPa(150kN/m2),可不设支墩。小于150kPa(150kN/m2)要经计算确定。
5)管道的位移补偿、防腐
管道补偿(不含热力管):
金属给水管、电(热)熔或胶圈密封柔性接头管道一般不设置伸缩节,采用粘接连接的管道应设置伸缩节。
△L=L·α·△t
式中:△L—计算管段的轴向伸缩量(mm);
L—计算管段长度(mm);
△t—敷设与使用中的最大温差(不宜大于20℃);
α—管材的线膨胀系数(mm/m.℃);
管道防腐:
①室外埋地管道包括镀锌钢管、钢管:a)水泥砂浆内防腐层(普通硅酸盐水泥砂浆)适用于DN≥500的钢管(不含镀锌管)。
b)液体环氧涂料内防腐层。
c)外防腐层:石油沥青涂料、环氧煤沥青涂料、环氧树脂玻璃钢外防腐层、聚氨酯(PU)外防腐层。
表一摘自《给水排水管道工程施工及验收规范》
GB50268-2008中第5.4.4条:

表二摘自《给水排水管道工程施工及验收规范》
GB 50268-2008中第5.4.4条:

表三摘自《建筑给水排水及采暖工程施工质量验收规范》GB 50242-2002 中第9.2.6条表9.2.6

从表二与表三看,防腐总厚度近似,建议以表二为准。
石油沥青涂料外防腐由于操作简单易行,在实际工程中比较常用。
d)还有牺牲阳极保护法、外加电流阴极保护法防止电化学腐蚀,油田输油管道常用。
②球墨铸铁管道外防腐含金属锌层和其上覆盖的与锌相容的合成树脂的终饰层。这两种涂料应在工厂内完成。内防腐层:普通硅酸盐水泥砂浆、高炉矿渣水泥砂浆、带有密封层的水泥砂浆。
球墨铸铁管的防腐均在工厂内完成。
4)小结
上述室外埋地给水管道的地基、基础与支墩、沟槽回填等是对应于开槽式施工做法;近些年来给排水管道,包括钢管、球墨铸铁管、化学建材管、钢筋混凝土管、预(自)应力混凝土管道工程已广泛采用弧形土基,开槽施工的弧形土基做法通常都用砂石回填,通称“砂石基础”。
0人已收藏
0人已打赏
免费1人已点赞
分享
给排水资料库
返回版块22.45 万条内容 · 564 人订阅
阅读下一篇
各地政府在大力推广的污水源热泵,究竟是什么?它在污水厂中多大作用?近日,为加快推进可再生能源高质量发展,相关部门发布了《北京市可再生能源替代行动方案(2023—2025年)》。方案明确指出: “要充分利用再生水资源, 合理利用污水资源,距离再生水厂5公里范围内的建筑优先利用再生水/污水源热泵供暖
回帖成功
经验值 +10
全部回复(1 )
只看楼主 我来说两句 抢板凳资料很详细,学习啦,谢谢楼主分享
回复 举报