一,给水系统概述
1、给水系统是指哪一部分?
主给水系统是指除氧器与锅炉省煤器之间的设备、管道及附件等
2、给水系统的主要作用
主要作用是在机组各种负荷下,对主给水进行除氧、升压和加热,为锅炉省煤器提供数量和质量都满足要求的给水。
3、给水系统的组成
组成:一台除氧器、两台汽动给水泵、一台电动给水泵、三台前置泵、三台高压加热器,以及给水泵的再循环管道、各种用途的减温水管道及管道附件等。
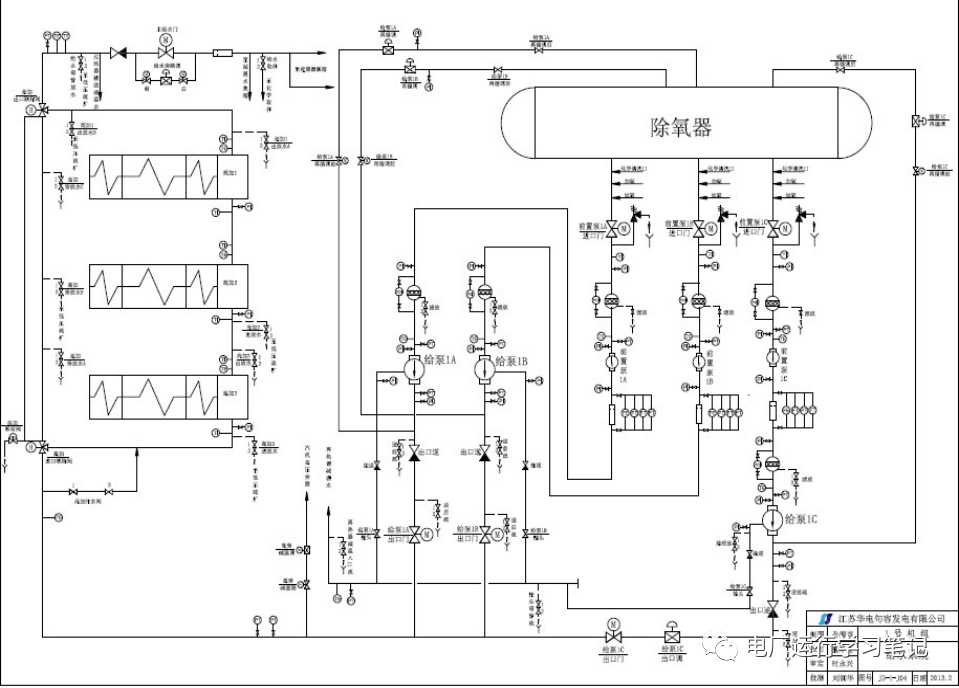
二,典型给水系统图及流程。
.

给水系统的基本流程是:经过除氧器除氧加热后的给水经过三台给水泵,分别流经三台高加压热器,再经过给水平台,进入锅炉省煤器,然后进入汽包,给水泵设有再循环,用于低流量时防止给水泵汽化,高加设置有三通阀,当高加泄漏时,迅速切断高加主路,从而防止水进入汽轮机。
二,给水系统主要设备的介绍及作用。
1、给水泵组
给水泵相连的管路
给水泵均设有独立的再循环管路,由给水泵的出口逆止阀前引出并接入除氧器。
给水泵体上设有中间抽头,从三台泵的中间抽头各引出一根支管,每根支管上装一个逆止阀和一个隔离阀。
给水泵出口设有逆止门和电动门。逆止门前后均设有疏水,在给水泵和前置泵的入口滤网上都有放水门 。
本机组给泵组无专门暖管系统,但为减少或消除处于备用状态的给水泵内部温度与除氧器水温之间温差,防止备泵经受热冲击,可利用给泵出口逆止门前放水门控制泵体上下温差,对于无备用功能的电泵,因为无出口逆止门前放水门,可通过中间抽头疏水门来实现。
给水泵密封水
电泵前置泵:采用机械密封加轴套冷却。
电泵:采用机械密封加轴套冷却,轴套冷却采用闭式水,机械密封为自密封结构。
自密封:密封水为泵内给水,动密封环上的螺旋槽在旋转时提供动力将自密封水打至冷却器和过滤器,热量在冷却器内被闭式水带走。
汽泵前置泵:采用机械密封加轴套冷却,轴套冷却采用闭式水,机械密封也为自密封结构。
汽泵:汽动给水泵轴端密封采用浮动环迷宫密封。
2、高加组
高加按单列、卧式、U形管、双流程设计,采用大旁路给水系统。
3、高加组旁路
当任任1台高加故障时(如水位高至138mm),通过卸荷阀动作使3台高加同时从系统解列,给水能快速切换到给水旁路。机组在高加解列时仍能带额定负荷(高压回热抽气系统的解列后在汽缸做功增加),保证在事故状态仍能满足运行要求。但导致给水温度的降低,增加了水冷壁热水段长度,燃料增加,机组效率是下降的。而高加的投用主要是关闭卸荷阀后,利用进口分流伐前高加注水门对高加水侧注水放气,由于进出口联成阀阀芯上下面积的不同,从而由水压顶开,给水即走高加水侧。
四,给水系统运行巡检注意事项。
除氧器巡检注意事项
1、连续排气门微开排气正常,气量适中,筒体、管道无泄漏;
2、水位计、压力表、温度表正常,安全门完好无泄漏;
3、水位2100±200mm,压力0.147~1.192MPa;
4、给泵A、B、C 再循环门及有关管路、接头无泄漏汽、水现象;
5、高加正常疏水调整门及有关管路、接头无泄漏汽、水现象;
6、除氧器辅汽调整门及有关管路、接头无泄漏汽、水现象。
汽动给泵巡检注意事项:
1、各轴承、推力瓦回油温度<65℃、振动正常。轴承润滑油回油窥视孔回油正常;
2、自由端、驱动端密封水调整门动作正常,密封水回水窥视孔回水正常,密封水滤网压差<60kPa,水泵运行正常无异声;
3、润滑油油温在46~52℃ , 润滑油回油温度<70℃,轴承进油压0.1~0.15MPa、泵(进、出)水压力正常;
4、轴封汽封情况正常,无吸汽、漏汽现象,汽缸内无异声,排汽缸温度<60℃,润滑油系统管路、接头无渗油,盘车装置完好;
5、低压主汽门限位触点位置正常 低压油动机及连杆机构完好、动作正常,高压主汽门限位触点位置正常;
6、油动机及EH 油系统管路、接头无渗油,EH 油压≥9.3MPa;
7、车头窥视窗油流、油位正常,遮断指示器显示正常
高加巡检注意事项
1、高加筒体无异声,汽水侧管道无泄漏、振动;
2、正常疏水调整门及有关管路、接头无泄漏汽、水现象;
3、高加2 汽侧压力<7.44MPa、水侧压力表显示正常;
4、负荷与疏水调整门开度匹配;
5、高加磁翻牌水位计完好,水位-38/38mm,与DCS 一致。
四.给水系统联锁保护
高加联锁保护
满足下列任一条件,高加汽侧联锁解列:
高加水侧解列。
汽机跳闸。
高加进口联程阀全关,高加出口联程阀全关。
发电机跳闸。
DCS手动解列。
满足下列任一条件,高加水侧联锁解列:
高加1水位高高高>138mm。
高加2水位高高高>138mm。
高加3水位高高高>138mm。
DCS手动解列。
高加进口联程阀全关。
高加出口联程阀全关
除氧器水位联锁保护
除氧器水位高高高>500mm,联锁关闭高加3疏水至除氧器调门,关闭除氧器进汽门,关闭除氧器辅汽进汽调门,关闭除氧器辅汽进汽调门后截门。
除氧器水位高高>300mm,联锁开足除氧器底部事故放水门。
除氧器水位高>200mm,联锁开足除氧器溢流调门。
除氧器水位<200mm,延时5秒关除氧器底部事故放水门。
除氧器水位<0mm,延时5秒关除氧器溢流调门。
除氧器水位低<—200mm时,报警。
除氧器水位低低<-1700mm时,延时3s,所有给水泵联锁跳闸。
汽泵联锁保护
满足下列任一条件,汽泵跳闸:
除氧器水位低低<-1700mm(3取2)。
前置泵进口门全关。
前置泵跳闸。
进口流量低<392t/h且汽泵再循环关断阀全关或再循环调门全关,延时15s。
给水泵推力轴承温度>120℃。改为手动停泵。
给水泵径向轴承温度>100℃。改为手动停泵。
给水泵密封水出水温度>100℃。改为手动停泵。
0人已收藏
0人已打赏
免费0人已点赞
分享
给排水资料库
返回版块22.45 万条内容 · 561 人订阅
回帖成功
经验值 +10
全部回复(0 )
只看楼主 我来说两句抢沙发