外行其实并不知道,规范的简短的几句话,会对整个行业或某些企业带来多大的影响。机电行业前几年突然因为各地的地震,大火了一批企业,那就是抗震支吊架生产商。这个技术的必要性不言而喻。人们惧怕地震和惧怕停水停空调的精神压力不在一个层面上,也可以理解,关系到人命关天的安全事儿,谁也不敢造次。但有些技术,就无法用精神层面的东西来化解。我们就拿其中一个规范《通风与空调工程施工质量验收规范》(GB/T50243-2016)的其中一条为例来说说。
规范的修订,无外乎几个方面。但最重要的就是技术的进步带来的新技术、新工艺、新材料和新设备相关的条文补充及删改。别小看本规范这一条款的作用,它属于第9章节‘空调水系统管道与设备安装’中的“主控项目”,而且在叙述中增加了“应采用”的字样,其功效仅次于规范中的黑体强条。
这段文字中到底想说明什么东西呢?首先是“并联水泵”;其次是仅适用于水泵的“出水管”;再者是“顺流”,采用的形式是 “斜向插接”;其实就是给排水专业中排水管的“顺流三通”,不是制定规范的大佬们没听说过“顺流三通”这个名词,而是他们非常清楚,顺流三通是用在单一流向的排水管的。
在压力管里,很多地方的水流是双向的,理论上讲不通,就简单地造了这么个词,叫“斜向插接”。要想做到这个“斜向插接”,在空调管道上你就少不了一样东西。那就是焊接钢管用的“相贯线切割机”。请看下面这个模型参见(图1),传统的空调管道的连接方法是正三通的焊接。

图1 传统空调管道的施工连接方法
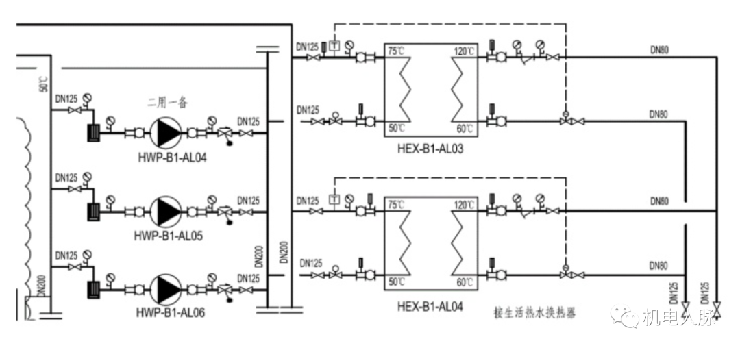
这个模型展示的是空调系统中最常见的多台循环水泵与多台热交换器之间进行水循环流动的案例,从水泵(TP)流向热交换器(HEX),这叫做“顺流”。
但上部这根主管,承接了三台水泵的集水器功能,又兼有两台热交换器的分水器功能,在空调设计中,设备计算是不备用的(图2),但根据空调负荷的不同,水泵和热交换器的启停是随机的,或者说很多时候是随机的互为备用。虽说从水泵到热交换器是顺流,但在这个兼做“分集水器”功能的管道里,就没有所谓的顺流和逆流之分。它内部的水流其实是“双向流”。

图2 传统空调管道系统局部示意图
根据规范的9.2.2的这条规定,我们把水泵的出水管改为向左“顺流”(图3),你会发现,相对于右手边的热交换器,只有右边的一台泵单独运行时是顺流,另外两台泵的水流相对于它来说都是与那个水泵出口管上的“斜向插接”逆向的,而当最左边的一台泵运行时,两台热交换器都是在逆向水流中接受水泵带来的冲击。再看看将这个“斜向插接”转个方向如何?图4同样可以看出,除了看到斜三通朝着一个方向顺过去了以外,你根本看不到系统中的水流是“顺流”走向。最可怕的是,左边的热交换器,根本就是在逆向流下运行。


图4 空调管道的“斜向插接”施工方法(右向)
因此,这一条款从问世之日起,就在实际工程的实施中出现了大量的质疑。而条款的条文解释也非常官宣:“实际工程中总结出来的经验,应予以执行”。既不解释它的优点,也不解释存在的疑惑。但这里的工程经验,是设计经验还是施工安装经验、亦或是运行经验?斜三通的阻力系数小于T型三通,但这点阻力在整个空调循环管道内不算什么,况且这画图和计算都没有整的那么详细,大多数情况下,循环水泵的出水口是直接到分集水器的,没人敢说将分集水器的接口搞个“斜向插接”。
再看施工安装(图5),T三通的情况下,一个和三通连接的焊缝,通过自动焊接机器可做得很完美,变成了一个斜插的相贯线焊口,外加两个45°焊缝后,焊接机器是不顺了,还多了两条焊缝,增加了成本不说,还无论如何焊接质量得依靠人工。所以工程安装断然不会自己掐自己的脖子;
至于运行方,一个直流T型三通和斜流三通影响到泵的使用效果,运维工程师应该不会做这种无厘头的结论。系统运行不好,不是泵质量有问题就是哪个环节的自控(包括自控阀)出了问题,要是把泵的运行状态好坏归结到“斜向插接”上,等于是系统出事儿他都找不到人承担责任。而且,欧、美、日等国家,不会对一个好的技术漠视的,可他们依旧用着T连接。那么问题出来了,这费力不讨好的无关这三个关联方的事情,怎么就上了规范呢?
上面已经提到过,这件事儿隐藏了一个唯一利好对象,就是“相贯线切割机”。有了现代化的自动切割机,相贯线切割就简单了(图5)。在这里就不做累述了。
我们就先来讨论一下,这条规范给施工带来了多少麻烦和无辜成本吧。增加焊缝长度就不说了,因为焊工的成本是按焊缝的长度计算的,再加上从机器到人工的转变,增加的成本自然不在少数。还是上述的模型,要遵循这条规范,就要解决刚才的所有的逆流问题。分水器的兼用作用就不能有了,为了保证水泵出水顺流,就只能先保证水流朝一个方流动(图6)。
如图6所示,在现有的机房空间下,无法做到水泵和热交换器一字排开,将热交换器放在水泵水流管道的左方,所以,只好将总管绕过来供热交换器的支管连接,总管长度增加而支管也不得不穿越仅有的管道间隔空间与总管相连。所以,大多数情况下,除了增加焊缝长度外,还要增加管道长度和占用更多的空间。
将这个系统放在一个集成加工模块里,就显得更是可笑了(图7)。想一想,空调的水系统压力,比起给排水、消防、石油化工等行业的运行压力来说,只能算是低压系统,说到对水泵的影响,这些专业或者行业的感受要更加明显。
平心而论,如果机房空间足够高大,理想的顺流是可以实现的。按照这个规范条款的理论,生活水泵的成品泵组、消防泵组的厂家都应该重新设计他们的生产图纸。按照全国每年的工程量去推算,这个小小的规范条文反映出来的利益链条,估计没有人上心去计算过。
内容源于网络,旨在分享,如有侵权,请联系删除
相关资料推荐:
https://ziliao.co188.com/d62409723.html
知识点:为何规范中要求并联水泵斜向插接,工程中还是做T型连接?
0人已收藏
0人已打赏
免费3人已点赞
分享
建筑给排水
返回版块47.29 万条内容 · 1372 人订阅
阅读下一篇
求GB/T17219-2001《生活饮用水输配水设备及防护材料的安全性评价标准》请问给位大神,哪位有GB/T17219-2001《生活饮用水输配水设备及防护材料的安全性评价标准》这个标准电子版,在网上只能查到GB/T17219-1998版本。
回帖成功
经验值 +10
全部回复(0 )
只看楼主 我来说两句抢沙发