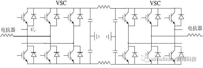
知识点:换流器

图1 电路结构图
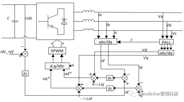
拓扑中由于两侧均为有源电网,按照惯例,一侧控制采用直流电压、无功控制,一侧采用PQ控制。
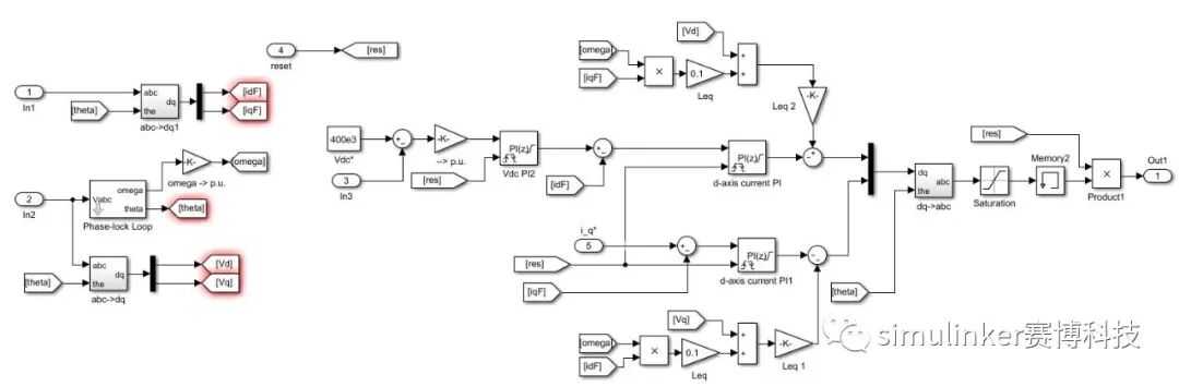
直流电压控制换流器采用双闭环控制,外环逆变侧直流电压与给直流电压进行比较,误差经过PI,作为内环d轴电流环参考值id_ref,id_ref与d轴电流实际值id进行比较,经过PI,得到d轴电压参考值Ud;为控制方便,省去q轴外环控制,采用直接给定iq_ref的方式,iq_ref与实际值iq进行比较,经过PI,得到q轴电压参考值Uq,最后加上dq解耦及前馈环节,经dq0-abc变换得到换流器参考电压。

图2 直流电压、无功控制侧控制框图
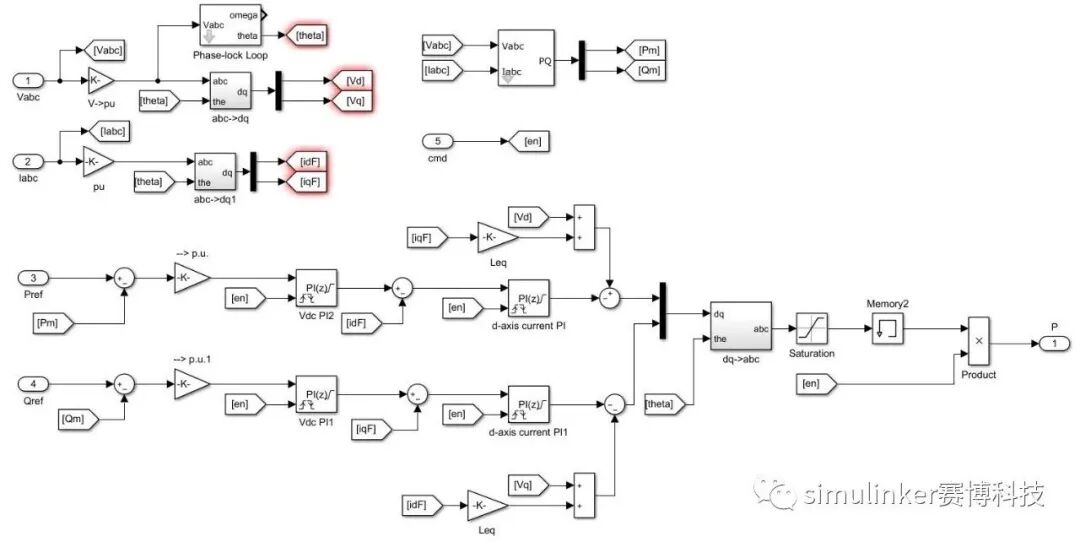
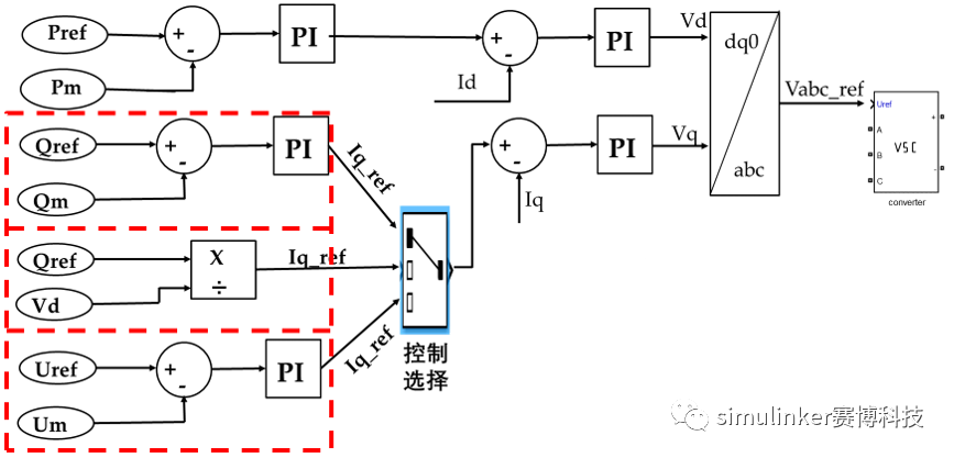
PQ控制换流器也采用双闭环控制,外环实际有功率与给定有功率进行比较,误差经过PI,得到内环d轴电流环参考值id_ref,id_ref与d轴电流实际值id进行比较,经过PI,得到d轴电压参考值Ud;实际无功率与给定无功率进行比较,误差经PI,得到q轴电流参考值iq_ref,iq_ref与实际值iq进行比较,经过PI,得到q轴电压参考值Uq,最后加上dq解耦及前馈环节,经dq0-abc变换得到换流器参考电压。

图3 PQ控制侧控制框图
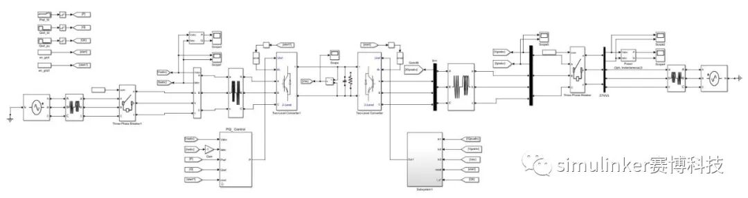
根据上述拓扑及控制搭建仿真模型如下图所示,其中甲流侧电压220kV,设计直流侧电压400kV,额定功率1000MVA。

图4 整体仿真模型

图5 直流电压、无功控制模型

图6 PQ控制模型
模型设置在4.5s和5s分别解锁两个换流器(在此之前为换流器不控整流充电阶段),在第6s设置PQ控制侧有功给定为500MW,无功给定为500MVar,直流电压控制侧无功为0.3pu(300MVar);8s时,两侧无功均降为0;10s后,有功升到1000MW,12s有功返送,由1000MW变为-1000MW。通过功率的变化验证控制效果。运行模型得到的仿真结果如下

图7 PQ控制侧电压、电流波形

图8 PQ控制侧功率波形(有功:黄色,无功:蓝色)

图9 直流电压波形

图10 直流电压控制侧电压、电流波形

图11 直流电压控制侧功率波形(有功:黄色,无功:蓝色)
通过上述仿真结果可以看出,在进行控制时,功率实际值能够良好地跟随给定值,在功率变化时,直流电压始终保持稳定,整体控制效果良好。
相关推荐:
1、GB5226.1-2008 机械电气安全
2、GB19517-2009国家电气设备安全技术规范
全部回复(0 )
只看楼主 我来说两句抢沙发