土木在线论坛 \ 电气工程 \ 电气工程原创版块 \ 景观水表井内阀门及部件介绍

景观水表井内阀门及部件介绍

发布于:2023-03-21 11:59:21 来自:电气工程/电气工程原创版块 [复制转发]

知识点:真空破坏器

常用的水表井有两种:

一种是砖砌矩形水表井;

一种是钢筋混凝土矩形水表井。


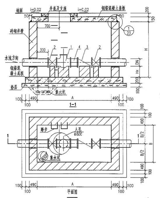
砖砌矩形水表井

图片
图片



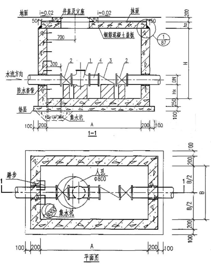
钢筋混凝土矩形水表井

图片
图片


水表井内又有哪些部件呢?

给大家来张详图,看看水表井内的部件及阀门组成。

图片

接下来跟大家详细讲讲水表井内的这些常用部件。



阀门

在水表井中,常用到的阀门主要有两种:

        闸阀和蝶阀


闸阀

        闸阀是一个启闭件闸板,闸板的运动方向与流体方向相垂直,闸阀只能作全开和全关,不能作调节和节流。闸阀通过阀座和闸板接触进行密封,通常密封面会堆焊金属材料以增加耐磨性,如不锈钢等。闸板有刚性闸板和弹性闸板,根据闸板的不同,闸阀分为刚性闸阀和弹性闸阀。


图片


闸板有两个密封面,最常用的模式闸板阀的两个密封面形成楔形、楔形角随阀门参数而异,通常为5°,介质温度不高时为2°52'。

楔式闸阀的闸板可以做成一个整体,叫做刚性闸板;

也可以做成能产生微量变形的闸板,以改善其工艺性,弥补密封面角度在加工过程中产生的偏差,这种闸板叫做弹性闸板。


闸阀关闭时,密封面可以只依靠介质压力来密封,即依靠介质压力将闸板的密封面压向另一侧的阀座来保证密封面的密封,这就是自密封。

大部分闸阀是采用强制密封的,即阀门关闭时,要依靠外力强行将闸板压向阀座,以保证密封面的密封性。


闸阀的闸板随阀杆一起作直线运动的,叫升降杆闸阀,亦叫明杆闸阀。通常在升降杆上有梯形螺纹,通过阀门顶端的螺母以及阀体上的导槽,将旋转运动变为直线运动,也就是将操作转矩变为操作推力。


开启阀门时,当闸板提升高度等于阀门通径的1:1倍时,流体的通道完全畅通,但在运行时,此位置是无法监视的。


实际使用时,是以阀杆的顶点作为标志,即开不动的位置,作为它的全开位置。为考虑温度变化出现锁死现象,通常在开到顶点位置上,再倒回1/2-1圈,作为全开阀门的位置


因此,阀门的全开位置,按闸板的位置即行程来确定。有的闸阀,阀杆螺母设在闸板上,手轮转动带动阀杆转动,而使闸板提升,这种阀门叫做旋转杆闸阀,或叫暗杆闸阀。


这么一大段文字看下来是不是有点头晕?

那我来通过一段视频给大家演示一下闸阀的工作原理吧。



蝶阀

蝶阀是指关闭件(阀瓣或蝶板)为圆盘,围绕阀轴旋转来达到开启与关闭的一种阀,在管道上主要起切断和节流用。蝶阀启闭件是一个圆盘形的蝶板,在阀体内绕其自身的轴线旋转,从而达到启闭或调节的目的。

图片

蝶阀全开到全关通常是小于90° ,蝶阀和蝶杆本身没有自锁能力,为了蝶板的定位,要在阀杆上加装蜗轮减速器。采用蜗轮减速器,不仅可以使蝶板具有自锁能力,使蝶板停止在任意位置上,还能改善阀门的操作性能。工业专用蝶阀的特点能耐高温,适用压力范围也较高,阀门公称通径大,阀体采用碳钢制造,阀板的密封圈采用金属环代替橡胶环。大型高温蝶阀采用钢板焊接制造,主要用于高温介质的烟风道和煤气管道。


这两种阀门都是比较常见的,那他们有什么区别呢?在选用时该如何抉择呢?


性能区别


闸阀的密封性能好,多用于密封严格,并且不需要经常反复开关的管道中,用来截断流通介质。闸阀不能做调节流量使用,另外,因为闸阀的启闭速度缓慢,所以也不适用在需要紧急切断的管道中。


蝶阀的用途相对要更广泛,蝶阀不仅可以做截断使用,还具有调节流量的大小的功能。另外,蝶阀启闭迅速,也可以频繁启闭,尤其适合在要求快速开启或切断的场合中使用。


蝶阀的外形尺寸比闸阀小,重量也比闸阀轻,所以在一些安装空间有限的环境中,推荐使用更加节省空间的对夹式蝶阀。在大口径阀门中,蝶阀的使用是最多的,在输送含有杂质小颗粒的介质管道中也推荐使用蝶阀。


价格区别


同等压力,同等口径的情况下,闸阀的价格通常要高于蝶阀。不过,大口径蝶阀的价格不比同等闸阀便宜哦。




水表

水表是测量水流量的仪表,大多是水的累计流量测量。一般分为容积式水表和速度式水表两类。


水表起源于英国,水表的发展已有近二百年的历史,选择水表规格时,应先估算通常情况下所使用流量的大小和流量范围,然后选择常用流量最接近该值的那种规格的水表作为首选。


速度式水表

速度式水表是装在封闭管道中,由一个运动元件组成,并由水流运动速度直接使其获得动力速度的水表。

典型的速度式水表有旋翼式水表、螺翼式水表

旋翼式水表中又有单流束水表和多流束水表。



旋翼式水表


图片


旋翼式水表适用于小口径管道的单向水流总量的计量。如用口径15mm、20mm 规格管道的家庭用水量计量。这种水表主要由外壳、叶轮测量机构和减速机构,以及指示表组成,具有结构简单的特点。



螺翼式水表


图片

水平螺翼式水表用于计量大流量管道的水流总量。特别适合于供水主管道和大型厂矿用水量的需要。主要特点是流通能力大、体积小、结构紧凑、便于使用和维修。


容积式水表

与速度式水表不同,容积式水表测量的是经过水表的实际流体的体积。最形象的比喻好比大型超市或者宾馆门前的那种转门,只能以固定方向转动,每转过一定角度,流体就经水表转到另一侧。


所以容积式水表测量较速度式水表要更为精确。速度式水表测量误差根据经过流体速度不同会有±2%的误差,而容积式水表误差可以控制在±0.5%甚至更低的水平。

图片

从用途上说,容积式水表由于具有精确测量的效果,一般都用于精工企业或者试验测试等场所;而速度式水表一般则用于正常生活工业用水等。

从价格上说,容积式水表一般要比速度式水表要贵很多。




Y型过滤器

Y型过滤器是Y字型的,出口处有两端,一端是使水等流质经过,一端是沉淀废弃物、杂质,它一般安装在各种阀门及重要元器件前面,滤网吧杂质阻截下来,保持后面介质的洁净度,使系统安装通畅运行。


Y型过滤器常见的材质有不锈钢质,铜质,UPVC。


图片


它的作用是清除水中的杂质,达到保护阀门及设备正常运行的作用,过滤器待处理的水由入水口进入机体,水中的杂质沉积在不锈钢滤网上。


图片
图片
图片

Y型过滤器一般用于设备前起过滤作用保证设备安全,当介质为水时一般选择4-18目,当介质为蒸汽时一般选择40-90目。

图片


倒流防止器

 倒流防止器(也叫防污隔断阀)根据自来水供水设备,尤其是生活饮用水管道回流污染严重,又无有效防止回流污染装置的情况下,研制的一种严格限定管道中水只能单向流动的水力控制组合装置,它的功能是在任何工况下防止管道中的介质倒流,以达到避免倒流污染的目的。

目前倒流防止器主要分为低阻力倒流防止器和减压型倒流防止器两类。按国家标准低阻力倒流防止器的水头损失小于3米,减压型倒流防止器的水头损失小于7米。



减压型倒流防止器

 减压式倒流防止器是由 2个相互独立工作的止回阀组成 ,在 2个阀之间外接一个差压泄流阀。这些部件可以集成到一个阀体 ,也可以做成独立的部分。止回阀的两端还直接连接两个用于检修的球阀 ( 大于 DN50通常用闸阀 ) ,此外还有 4个弹性密封试验球阀 ,构成一个完整减压式倒流防止器。

图片

在正常供水情况下 ,主输水管道的水从进口位置上的止回阀经过减压区到出口位置上的止回阀出口向用户供水 ,进口位置上的止回阀进口高压水直通减压阀隔膜上腔 ,而隔膜下腔与出口位置上的止回阀进口相通 ,由于其存在一定的压差 ,推动隔膜右移 ,减压阀关闭 ,供水正常。


当阀后管路无用户 ,水静止的情况下 ,如进口压力保持不变 ,其前后存在压差 ,阀门呈关闭状态。


如进口压力下降 ,其前后压差下降到一定值时 ,弹簧推动隔膜向左 ,减压阀开启泄压 ,泄压到与进口压力恢复一定差值时 ,减压阀又关闭。


当阀后管网压力升高 ,超过阀前进口压力时 ,如出口位置上的止回阀密封完好无泄漏 ,高压水不会倒流 ,减压阀隔膜左右保持原来的压差 ,减压阀关闭不泄漏。

当出口位置上的止回阀密封破坏造成渗漏 ,出口位置上的止回阀之前压力升高 ,造成减压阀隔膜左右压差减小 ,减压阀打开通过排水口泄压 ,此时 ,如进口位置上的止回阀同时密封破坏 ,由于出口位置上的止回阀倒流回的高压水已泄压 ,故不会倒流回进口位置上的止回阀。


如供水过程中供水压力不断下降 ,则减压阀隔膜左面压力下降 ,减压阀控制弹簧推动阀芯打开减压阀排水。当进口压力下降至零或负压时 ,减压阀完全打开水排出 ,空气从减压阀进入真空腔 ,从而防止产生虹吸倒流现象。


相关推荐:

1、GB5226.1-2008 机械电气安全

2、GB19517-2009国家电气设备安全技术规范



全部回复(0 )

只看楼主 我来说两句抢沙发
这个家伙什么也没有留下。。。

电气工程原创版块

返回版块

2.2 万条内容 · 598 人订阅

猜你喜欢

阅读下一篇

拨叉式执行器的动作原理及国内外几款品牌拨叉结构

知识点:执行器 拨叉式执行器用在大口径阀门,相比齿条式执行器能提供更大的输出扭矩 其原理是压缩空气进入气缸后,推动活塞直线运动,利用销轴与拨叉滑槽的传动结构将活塞的直线运动转化为拨叉的旋转运动,并带动输出轴的转动,从而实现对阀门的控制            图为 lEDEEN 单作用执行器的动作原理         

回帖成功

经验值 +10