土木在线论坛 \ 建筑设计 \ 建筑施工图 \ 建筑工程识图要点超全解析

建筑工程识图要点超全解析

发布于:2023-03-17 13:50:17 来自:建筑设计/建筑施工图 [复制转发]
图片
建筑分类
房屋组成:一般可认为房屋由基础或地下室、墙体、或柱、梁、楼板层与地面、楼梯及垂直交通设施、屋顶、门和窗等结构构件组成。  
一、 建筑工程施工图的用途与内容
建筑工程施工图是表示工程项目总体布局,建筑物的外部形状、内部布置、结构构造、内外装修、材料做法以及设备、施工等要求的图样。
1、用途
(1)指导施工 
(2)编制施工图预算 
(3)安排材料、设备 
(4)非标准构件的制作
2、内容
(1)图纸目录(既首页图) 
(2)设计总说明 
(3)建筑施工图(简称建施) 
(4)结构施工图(简称结施)
(5)设备施工图(简称设施)
二、建筑工程施工图的特点
1、施工图中的各图样,主要是用正投影法绘制的。
2、绘图比例较小,多采用统一规定的图例或代号来表示。
3、施工图中的不同内容,使用不同的线型。
三、建筑工程施工图的识图方向
1、熟悉拟建工程的功能。
     了解本工程的类型、联想基本组成和装修。
2、细阅说明书、目录。
     了解图纸有多少类别,每类多少张。
3、先整体后局部,先建筑后结构,先平面后立面。
4、先图标、文字,后图样;先图形,后尺寸。


建筑施工图识图方法



图片
1、图纸目录
图纸目录包括每张图纸的名称、内容、图纸编号等,表明该工程图纸由哪几个专业的图纸及哪些图纸所组成,便于检索和查找。
图片  
2、设计总说明
设计总说明主要介绍工程的概况和总的要求。内容一般体现:
1)设计依据(如规划限制、设计规模、建筑面积以及有关的地质、气象资料等)。
2)设计标准(如建筑标准、结构荷载等级、抗震要求等)。
3)施工要求(如施工技术、材料要求以及采用新技术、新材料或有特殊施工的工艺说明)。
图片
3、建筑总平面图
总平面图是表示建筑物场地总体平面布局的图纸。它以平面图的形式表明建筑区域的地形、地物、道路、拟建房屋的位置、朝向以及与周围建筑物的关系等情形。由于图的比例小,房屋和各种地物及建筑设施均不能按真实的水平投影画出,而是作示意性表达。
图片
1)看图名、比例、图例及有关的文字说明。
2)了解工程的用地范围、地形地貌和周围环境情况。
3)了解拟建房屋的平面位置和定位依据。
4)了解拟建房屋的朝向和主要风向。
5)了解道路交通及管线布置情况。
6)了解绿化、美化的要求和布置情况。
4、建筑平面图
建筑平面图表现建筑物的平面状况和平面布置,包括房间的分割,楼梯和走道的布置,墙柱构件的布局及轴线编号,门窗位置,平面尺寸,卫生设施的布置等。
图片
建筑平面图包含内容:
1)定位轴线
凡是承重的墙、柱,都必须标注定位轴线,并按顺序予以编号。
2)图线
凡被剖切到的墙、柱断面轮廓线用粗实线画出,没有剖到的可见轮廓 线用中实线画出。尺寸线、尺寸界线 、引出线、图例线、索引符号、标高符号等用细实线画出,轴线用细单点长画线画出。
3)比例与图例
平面图常用1∶50、1∶100、1∶200的比例绘制。
4)剖切符号与索引符号
一般在底层平面图中应标注剖面图的剖切位置线和投影方向,并注出编 号;凡套用标准图集或另有详图表示的构配件、节点,均需画出详图索引符号,以便对照阅读。
5)平面图的尺寸标注
平面图尺寸包括:外部尺寸和内部尺寸
(1)外部尺寸:在外墙外侧标注三道尺寸。
第一道(最外一道)尺寸:房屋外轮廓的总尺寸,即从一端的外墙边到
另一端外墙边的总长和总宽。可用于计算建筑面积和占地面积。
第二道(中间一道)尺寸:房屋定位轴线间尺寸,一般横向轴线间的尺
寸为开间尺寸,纵向轴线间的尺寸为进深尺寸。
第三道(最里一道)尺寸:分段尺寸,表示门窗洞口宽度和位置,墙垛
分段以及细部构造等。
2)内部尺寸:
外墙以内的全部尺寸,主要用于注明内墙门窗洞口的位置及其宽度、墙
体厚度、卫生器具、灶台和洗涤盆等固定设备的位置及其大小。此外,还应表 明楼、地面的相对标高,以及房间的名称,门窗编号。
识读建筑平面图:
1)了解图名、比例及文字说明。
2)了解纵横定位轴线及编号。
3)了解房屋的平面形状和总尺寸。
4)了解房间的布置、用途及交通联系。
5)了解门窗的布置、数量及型号。
6)了解房屋的开间、进深、细部尺寸和室内外标高。
7)了解房屋细部构造和设备配置等情况。
8)了解剖切位置及索引符号。
5、建筑立面图
立面图反映建筑外貌,室内的构造与设施均不画出。由于图的比例较小,不能将门窗和建筑细部详细表示出来,图上只是画出其基本轮廓,或用规定的图例加以表示。用来体现建筑物立面上的层次变化和艺术效果,为建筑物的外形设计和后期装修提供依据。
图片
识读建筑立面图:
1)看图名、轴线和比例尺,了解表现的是哪个立面。
2)看室外地坪标高,了解室内外高差,核对室外台阶踏步数量。
3)了解门窗、阳台、雨篷、台阶、屋顶、勒脚等细部的形式和位置。
4)察看各部位标高,了解室内外高差、层高,建 筑物总高、雨篷、窗台等的高度。
5)从说明文字或索引符号了解立面装饰材料、颜色等。
6)了解雨水管的位置,并与屋面平面图进行核对。
6、建筑剖面图        
主要表示房屋的内部结构、分层情况、各层高度、楼面和地面的构造以及各配件在垂直方向的相互关系等内容。
剖面图的剖切位置应选在能反映内部构造的部位,并能通过门窗洞口和楼梯间。
剖面图的投影方向及视图名称应与平面图上的标注保持一致。
图片

识读建筑剖面图:
1)了解图名及比例 。
2)了解剖面图与平面图的对应关系 。
3)了解房屋的结构形式 。
4)了解主要标高和尺寸 。
5)了解屋面、楼面、地面的构造层次及做法。
6)了解屋面的排水方式 。
7)了解索引详图所在的位置及编号。
7、建筑详图
 建筑平、立、剖反映了房屋的全貌,但由于绘图的比例小,一些细部的构造、做法、所用材料不能直接表达清楚,为了适应施工的需要,需将这些部分用较大的比例单独画出,这样的图称为建筑详图。建筑详图是建筑细部的施工图,是对建筑平面、立面、剖面图等基本图样的深化和补充,是建筑工程的细部施工、建筑构配件的制作及编制预算的依据。
图片
建筑详图包括:墙身详图、楼梯详图、门窗详图等。
建筑详图的主要内容:
1)图名(或详图符号)、比例 。
2)表达出构配件各部分的构造连接方法及相对位置关系。
3)表达出各部位、各细部的详细尺寸。
4)详细表达构配件或节点所用的各种材料及其规格。
5)有关施工要求、构造层次及制作方法说明等。
建筑详图的特点:
比例大,图示内容详尽清楚,尺寸标注齐全、文字说明详尽。


结构施工图识图方法


图片
常用构件代号
规定:将构件的名称用代号表示。
表示方法:用构件名称的汉语拼音字母中的第一字母表示。
图片
混凝土、钢筋
1、混凝土的强度等级:  
C15、C20、C25、C30、C35 、C40、C45、C50、C55、C60、C65、C70、C75、C80 混凝土的强度等级愈高,其抗压强度愈高。
2、钢筋的种类:
图片
图片
1、受力筋   构件中承受拉应力和压应力的钢筋。用于梁、板、柱等各种钢筋混凝土构件中。
2、箍筋       构件中承受一部分斜拉应力(剪应力),并固定纵向钢筋的位置。用于梁和柱中。
3、架立筋   与梁内受力筋、箍筋一起构成钢筋的骨架。
4、分布筋   与板内受力筋一起构成钢筋的骨架,垂直于受力筋。
5、构造筋   因构造要求和施工安装需要配置的钢筋。
6、钢筋的保护层   为防止钢筋在构件中的锈蚀,加强钢筋与混凝土的粘结力,在各种构件中的受力筋外面,必须要有一定厚度的混凝土,这层混凝土就被称为保护层。
识读结构施工图:
1、先通读建筑施工图了解建筑概况、使用功能及要求、内部空间的布置、层数与层高、墙柱布置、门窗尺寸、楼(电)梯间的设置、内外装修、节点构造及施工要求等基本情况后再阅读结构施工图。
2、先看文字说明,从基础平面图看起,到基础结构详图。再读楼层结构布置平面图,屋面结构布置平面图。结合立面和断面,读垂直系统图。 
3、最后读构件详图、看图名、看立面、看断面,看钢筋图和钢筋表。
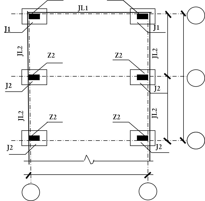
结构平面图
楼层结构平面图的图示内容
表示每层的梁、板、柱、墙等承重构件的平面布置,说明各构件在房屋中的位置,以及它们之间的构造关系。它是现场安装或制作构件的施工依据。
图片

识读楼层结构平面图:
1、图名、比例。
2、与建筑平面图相一致的定位轴线及编号墙、柱、梁、板等构件的位置及代号和编号。
3、预制板的跨度方向、数量、型号或编号和预留洞的大小及位置轴线尺寸及构件的定位尺寸。
4、详图索引符号及剖切符号文字说明。
基础结构平面图
图片
基础平面图的图示内容
1、图名、比例。
2、纵横向定位轴线及编号、轴线尺寸基础墙、柱的平面布置,基础底面形状、大小及其与轴线的关系。
3、基础梁的位置、代号。
4、基础编号、基础断面图的剖切位置线及其编号。
5、施工说明,即所用材料的强度等级、防潮层做法、设计依据以及施工注意事项等。
结构详图
图片
钢筋混凝土构件详图的内容:
1、构件名称或代号、比例。
2、构件的定位轴线及其编号。
3、构件的形状、尺寸和预埋件代号及布置。
4、构件内部钢筋的布置。
5、构件的外形尺寸、钢筋规格、构造尺寸以及构件底面标高。
6、施工说明。


识图注意事项



建筑施工图与结构施工图的异同:
相同处,如轴线,墙厚,柱尺寸,过梁位置与洞口对应,梁底标高同洞顶标高对应。检查立面图各楼层的标高是否与建施平面图相同,再检查建施的标高是否与结施标高相符。
不同处,建施图各楼层标高与结施图相应楼层的标高应不完全相同,因建施图的楼地面标高是工程完工后的标高,而结施图中楼地面标高仅结构面标高,不包括装修面的高度,同一楼层建施图的标高应比结施图的标高高几厘米。这一点需特别注意,因有些施工图,把建施图标高标在了相应的结施图上,如果不留意,施工中会出错。相关联处,如建施中墙,结施应有梁;建施中底层墙,结施为基础。
图片

知识点:建筑工程识图要点超全解析

建筑工程识图要点

  • 阿巅2019
    阿巅2019 沙发

    可以参考一下,希望楼主有更多的资料和大家分享。

    2023-03-24 11:17:24

    回复 举报
    赞同0
这个家伙什么也没有留下。。。

建筑施工图

返回版块

292.66 万条内容 · 995 人订阅

猜你喜欢

阅读下一篇

柱钢筋顶层构造

建完模型以后,同学们都知道需要根据屋面层柱的位置判断边角柱。那为什么要判断边角柱呢?这里就参考到16G101-1 P67 边角柱纵向钢筋构造。 图上给了五种构造,他们都有相应的使用条件,我们逐个来分析: 一、节点① 柱筋作为梁上部筋使用 柱纵筋要作为梁上部筋使用是有条件的:

回帖成功

经验值 +10