知识点:起动器
西门子电机启动器概览
尽管电机是设备的核心器件,但驱动电机运行的驱动装置,尤其是中小型驱动装置,通常被忽视,在无监督的情况下默默地完成工作。但如果一个电机的驱动装置出现故障,往往会引起相当大的问题。
西门子针对客户不同的实际需求,研发了多个电机启动器产品系列。在电柜内使用前提下,西门子可以提供基于IP20等级设计的3RA与3RM单电机启动器系列以及ET200SP多电机组合启动器方案 。在需要现场无电控箱安装的环境下,西门子可以提供IP65设计的ET200Pro (IP65/67)多电机组合启动器以及M200D单电机启动器方案。
知识点:起动器
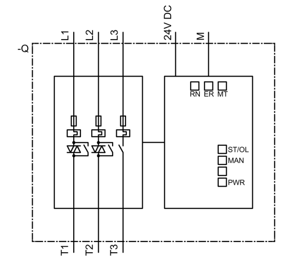
西门子ET200SP 电机启动器功能概述
西门子ET200SP电机启动器,作为ET200SP 远程IO模块,具有如下功能:

驱动最大12A,5.5KW三相感应电动机、单相交流电动机和三相异步电动机的开关和保护装置
集成短路和过载保护
直接和正反转启动功能
集成诊断功能
具有能源管理职能
有故障安全型号
通讯接口支持Profinet/Profibus 以及其它常见基于以太网的总线。

一键加购!超好用的ET200S/ET200SP
小程序
西门子ET200SP 电机启器特点概述
1. 采用混合技术,提高可靠性,减小产品体积,更加适合高密度安装
上一代产品基于传统技术,即断路器和接触器。现在的混合技术结合了两者的优点:
主电路的实际切换是通过晶闸管实现的,晶闸管是比基于触点的接触器寿命更长的半导体器件。当启动完成后,设备随后切换与晶闸管并联的旁路继电器,然后电流流过低电阻继电器触点。这将使能耗损失降低,提高了产品的可靠性。
2. 功能完备的智能诊断与监控功能
ET200SP启动器最大的优势是对测量数据的集成采集,启动器在工作中持续测量相位的电流、设备温度、相位不对称性和其他参数。任何的数字化工厂都需要知道驱动器的状态,电机启动器通过背板总线和PLC向TIA博图提供所有数据,而无需在电机或电机电源电缆上安装额外的检测设备。启动器为预防性维护和避免非计划的工厂停运创造了先决条件。例如,堵料保护等功能对输送机系统尤其有用,通过预设可以修改的报警阈值,起动机检测到皮带堵塞,然后立即关闭电机。
为了使客户能够简单地读出并进行广泛的可视化诊断,西门子提供了一个带有HMI面板的模板。机器操作员也可以调用启动器的当前状态和测量值,或者显示报警。
3. 支持能源管理
由于采用创新的混合结构设计,降低能源损耗,加之启动器在内部监测温度,作为选件的风扇仅在需要时启动,进一步降低了启动器能耗。
ET200SP电机启动器与上一代ET200S电机启动器相比,产品体积减少了50%。在最大12A的产品范围内,全系列产品宽度为统一的30mm。
由于节能效果显著,西门子将电机启动器纳入了环保产品组合。这包括诸如PROFIenergy类的功能,通过这些功能,设备可以完美地根据需要,打开和关闭设备的各个部分,从而控制启动器能耗。
启动器还集成在Simatic Energy Suite套件中。该系统提供能源管理功能,以评估和优化整个工厂的能耗。
4. 具有故障安全型号
ET200SP电机启动器具有故障安全型号,最多支持到SIL 3(根据IEC 61508)、PL和Cat.4(根据EN ISO 13849-1)确保电机完全停止。电机启动器提供STO(SIL 3/PL e认证)功能及安全扭矩关闭,这可确保电机不再施加扭矩,所有开关元件也受到周期性监控。通过ET 200 SP中的故障安全输出模块或其他安全继电器的信号,电机可以安全关闭。
5. 手动调试,隔离与挂锁
为了实现直接切换电机以测试其功能,西门子开发了LC,即本地控制模块。它用于本地切换启动器,以便安装工程师检查电机是否正常运行,电源相序是否已交换或执行机构是否堵转。但这并不是LC模块全部的功能。当它夹在启动器上时,可以连接其输入,例如,使用传送带的限位开关来关闭电机而不延迟或设置电机的方向。这在传送带上很有用,可以在手动操作中清除堵转。
启动器的手动停止位置也适用于调试和服务。如果您只需要维修一个驱动器,可以将其启动器模块拉出并保持在停止位置,同时设备的其他部分继续运行。然后,起动机仍然机械固定,但电源触点断开。因此,电机与400 V电源隔离,可以在端子处断开并更换。还有可根据规定将模块锁定在此位置。这就排除了第三方重新连接电机的可能性。
启动器的更换无工具。在停止位置满足IEC 60947-1的隔离功能的需求。
总 结
ET 200SP电机启动器现在为小型驱动装置世界带来了革命性的进步,在实现智能诊断与能源管理的同时还节省了控制柜的空间和布线时间,在调试与维修方面,保证安全的同时,节约了大量工作时间。
相关推荐:
0人已收藏
0人已打赏
免费2人已点赞
分享
电气工程原创版块
返回版块2.2 万条内容 · 598 人订阅
阅读下一篇
交流接触器的七大基本参数知识点:接触器 交流接触器的七大基本参数 1、交流接触器的额定电压 指主触点额定工作电压,应等于负载的额定电压。一只接触器常规定几个额定电压,同时列出相应的额定电流或控制功率。 通常,最大工作电压即为额定电压 ,常用的额定电压值为220V、380V、660V等。 2、交流接触器的额定电流 接触器触点在额定工作条件下的电流值,380V三相电动机控制电路中,额定工作电流可近似等于控制功率的两倍。
回帖成功
经验值 +10
全部回复(0 )
只看楼主 我来说两句抢沙发