知识点:真空破坏器
一、新旧规范对照


通过以上两条款的展示,我们发现除个别用词发生变化,基本用意没有发生大的改变。在消防水方面补充了设置的具体位置为“消防(软管)卷盘、轻便消防水龙给水管道的连接处”。其余无变化,其选型计算也无例外。为了设计思路更清晰一些,现将与消防水系统有关的内容提炼出来,希望对同行有所帮助。
二、选型依据



通过附录A表A.0.1可知:消防系统的回流除简易喷淋系统为低危害程度、泡沫灭火系统为高危害程度,其余均为中危害程度。再由表A.0.2可知,除简易喷淋系统可以采用大气型真空破坏器,其余只有压力型真空破坏器可以选择。这一点在国标图示15S202中也印证了。


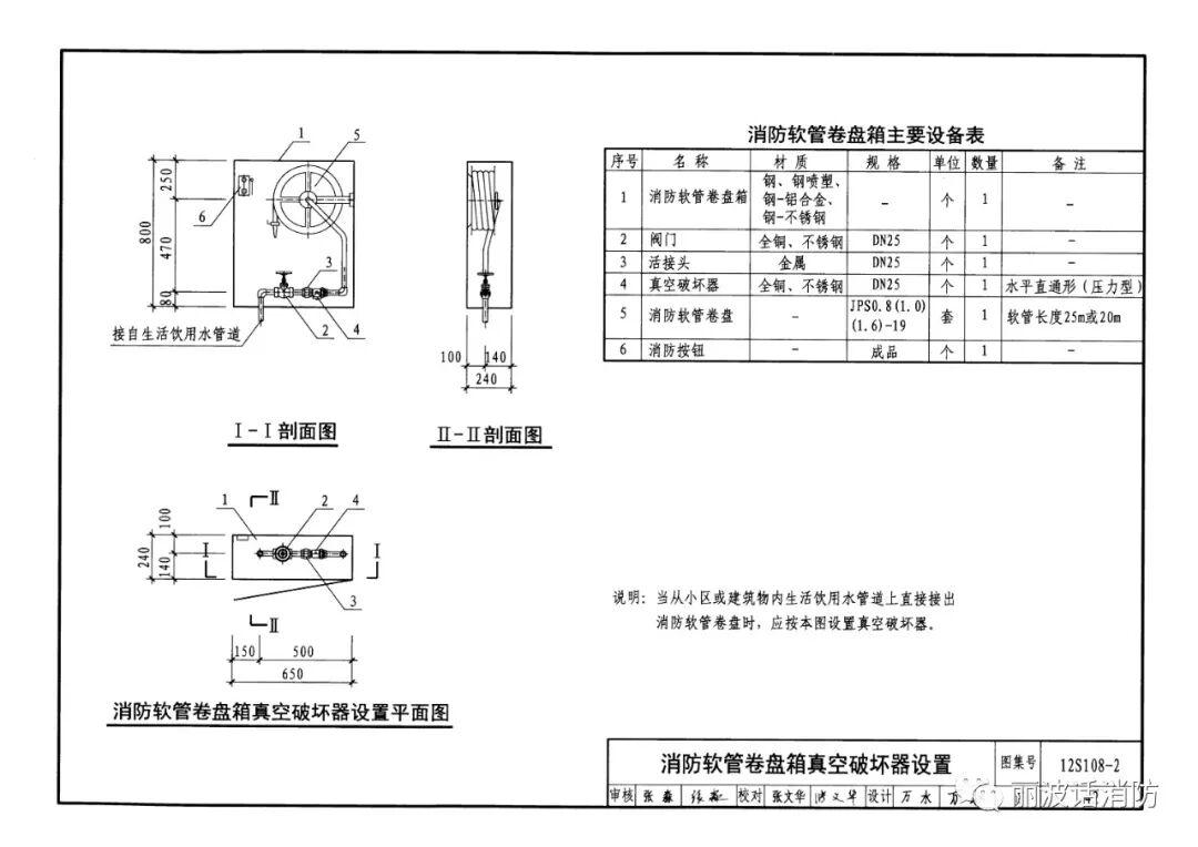
三、国标图示12S108-2《真空破坏器选用与安装》中的相关内容




其余内容详见12S108-2图示。
四、注意事项
1、水平直通型或角型真空破坏器的规格,应与给水横支管管径相同。
2、真空破坏器的进气口应向下。
3、大气型真空破坏器进气口下沿高出下游管道出水口垂直距离不得小于150mm。
4、压力型真空破坏器应安装在设备溢流水位以上,且距进气口下沿不得小于300mm。
5、在室内的真空破坏器应明装,特殊情况下如需暗装,应安装在箱〔盒〕内,箱〔盒〕的大小应满足检修的需要,并在箱〔盒〕的门上设置百叶通气口,其通气口的面积应大于真空破坏器的给水管道断面积的5倍。
6、真空破坏器的进气口距下方障碍物的最小净距不应小于真空破坏器的公称尺寸。
7、水平直通型真空破坏器在室内安装时,应安装在从立管接出的横支管的始端。
8、在严寒和寒冷地区,当真空破坏器设置在非采暖房间内或室外时,应采取放空等防冻措施。
9、在真空破坏器的设置场所应有可靠的地面排水措施。
10、如按GB55020-2021第3.2.9-4条款,从小区或建筑物内生活饮用水管道系统上单独接出消防用水管道〔不含接驳室外消火栓的给水短支管〕时,在消防用水管道的起端设置倒流防止器后,其各分支无需再设置真空破坏器。
相关推荐:
0人已收藏
0人已打赏
免费3人已点赞
分享
电气工程原创版块
返回版块2.2 万条内容 · 598 人订阅
阅读下一篇
捷耐特产品推荐:倒流防止器知识点:倒流防止器 产品概述: DF41X一体式倒流防止器根据我国目前的供水管网,尤其是生活饮用水管道回流污染严重,又无有效防止回流污染装置的情况下,研制的一种严格限定管道中水只能单向流动的水利控制组装置,在任何工况下防止管道中的介质倒流,以达到避免倒流污染的目的。 DF41X一体式倒流防止器由两个隔开的止回阀和一个液压传动的泄水阀组成,利用介质流过进水止回阀时因机械阻力和过流水头损失而减压,使进口压力高于泄水阀腔的压力,膜片上部压力大于泄水阀腔和弹簧阻力,泄水阀维持关闭,介质正常流动。当进水口压力与泄水阀腔的压力差小于0.02MPa时,介质处于倒流的临界状态,这时泄水阀膜片上部压力小于泄水阀腔和弹簧的压力,泄水阀自动开启,将倒流介质排出管外,同时大量空气进入阀腔,形成空气隔断.杜绝介质倒流,大于0.02MPa时泄水阀自动关闭。
回帖成功
经验值 +10
全部回复(0 )
只看楼主 我来说两句抢沙发