给排水工程
1、建筑给排水工程包括:
给水、排水、热水、消火栓、自动喷淋等常用系统,其管道当中流动的是水。(其管道输送介质为水)
2、给排水系统的主要功能:
(1)建筑给水系统的任务,就是经济合理地将水由室外给水管网输送到装置在室内的各种配水龙头、生产用水设备或消防设备,满足用户对水质、水量和水压等方面的要求,保证用水安全可靠。
(2)建筑热水系统的任务,大多数情况下是为人们提供符合舒适要求的水量、水压、水质、水温的卫生热水。
(3)建筑排水系统的任务,就是将室内的生活污水、工业废水及降落在屋面上的雨、雪水用最经济合理的管径和走向,排到室外排水管道中去,为人们提供良好的生活、生产与学习环境。
(4)消防给水设备是建筑物最经济有效的消防设施;常用的消防给水设备包括消火栓灭火系统和自动喷水灭火系统。但在现代建筑中,移动式灭火设备及其他方式的消防设备也被包含在建筑消防设计当中。
3、给排水系统图例
给排水工程的图例一般都比较形象和简单,不过初学者还是会觉得陌生,需要进行一段时间的强行记忆,但是在联系实物形状后,就能融会贯通,遇见陌生的图例时也能进行推测,迅速接受。例如:热水管道是在粗实线中缀以字母“R”,即为“热”的汉语拼音的辅音字母;蹲便器的图例就是一幅蹲便器的简略平面图。
1)在给水排水工程图中各管道无论管径大小均是以单线表示,管道上的各种附件均用图例表示。参见GB/T50106-2010《给水排水制图标准》。
2)为突出管道与用水设备的关系及管道的布置方式,在管道平面布置图中建筑物的轮廓线用细实线绘制。
3)在管道平面布置图中,管道无论是明装还是暗装,管道线仅表示其所在范围,并不表示其平面位置,如管道与墙的距离等。




一般常用的:
给水管道-J,如果分高低区通常用首字母表示即高区-G,低区-D。
排水管道-W,表示污水。也有-F,就是废水。很少见有用-P表示的。
消火栓管道-XH。
自动喷淋管道-Z或者-ZP;雨水管道-Y;
采暖管道-R,一般实线表示供水管,虚线表示回水管。
压力排水-PY;冷凝水管道-N。管道立管-L。
另外设备的型号字母:
Q-流量或者风量;H-扬程;N-功率;P-压力;QW-潜污泵。
其他阀门、器具之类的都是用图形区分。
JL-给水管;WL-污水管;YL-雨水管;RJL-热给水;RHL-热回水。
4、读图
4.1、给排水工程图纸由给排水系统图(或系统原理图)、给排水平面图、图纸说明组成。
4.2、给排水系统图和原理图的区别:
系统图:较为严格的按照轴测图的绘图原理绘制,主要突出空间内各个方向的线条的相互关系,立体感较强。
原理图:以突出系统原理和构成为原则,各线条的空间还原性较差,不利于构建整体的立体感。但是清晰易懂。
4.3、给排水专业系统图中,平行、垂直、45度线条繁多,空间关系上前后叠影但不相连的管道也很多,再加上标高、管径、楼层线等辅助线条林立,最容易造成系统图识图中的找错线条、并错管道的现象,所以我们在系统图识图时可以采用删除或者遮蔽一些管道的做法,使我们希望看清楚的部分凸显出来,会更加有利于我们准确、清晰地识图。
系统简化:
在通读污水系统(W-1系统)之后发现从2层开始一直到14层,图纸上表达出了一个意思:WL-1立管从上至下,楼层的排水横管构造都一样,图纸上仅表达了第
14层的排水横管。WL-1立管从上至下,加上一层设置的一根横管,形成了整个W-1系统。我们对W-1系统进行简化后得到下图:

生活污水系统原理图WL-1系统简化
4.4、给排水平面图和系统图的结合
给排水工程平面图主要表达各层用水房间所配置的卫生器具及给排水管道、附件在平面位置情况。
给排水工程系统图(或系统原理图)主要表达从底层到顶层管道立体走向,常用斜轴侧投影的方法绘制。(表示内容:管道的空间布置,各管段管径,坡度,标高以及附件在管道上的位置。)所以,需将系统图和平面图紧密结合。才能清楚的知道完整的做法。
例如:
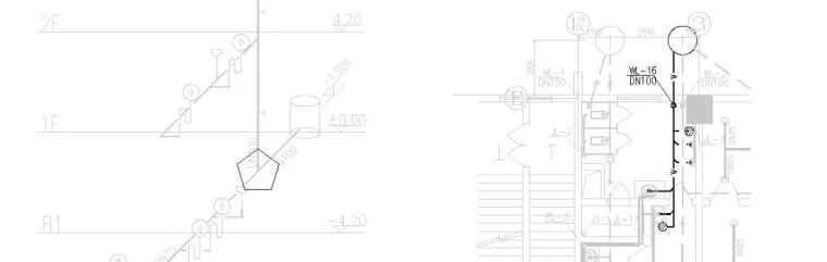
4.4.1横置的“T”符号是排水立管的检查口。基本按照每两层一个设置,这些内容在平面图中无法绘出,所以要仔细看系统或者原理图。
4.4.2平面图和系统图的标高:排水系统的横管位于本层楼层之下,在平面图上看,如14层的排水平面图的管道,示意的是在14层楼板之下的管道。在系统上这部分横管是归属13层到14层之间。需清楚的知道需看系统图的哪个部位。

4.4.3 排水管道的横管与横管、横管与立管的连接必须采用45°三通,45°四通或90°斜三通, 90°斜四通。

从上面系统图圈住部分看,该处及为三通,但是结合平面图,可以发现,该处应使用斜三通。
设计图中排水管道未注明坡度的, 均采用标准坡度。即:

还有种情况就是平面图和系统图中都没有坡度的标注,但是说明当中的上文文字叙述对排水管道德坡度做出了规定和要求的。那么就应带按照设计说明的坡度来执行。
5、给水排水工程的识读内容与技巧
5.1识图方法和步骤
阅读建筑给水排水工程图纸时,一般按水的流向阅读。
给水工程图识图顺序:
引入管—干管—立管—横管—支管—放水龙头
排水工程图识图顺序:
卫生器具—排水支管—排水横管—排水立管—排水干管—排出管
看图时从粗到细,从大到小,先看基本图例和说明,再看平面图、系统图和详图。
5.2给水排水工程平面图。
识读时由底层开始逐层阅读各层平面图,由平面图获得以下信息:
5.2.1)给水系统进户管和污废水排出管的平面位置,走向,系统编号。
5.2.2)给水排水干管、立管、支管的平面位置尺寸,走向和管径尺寸以及立管编号。建筑内部给水排水管道的布置一般是:下行上给方式的水平配水干管,敷设在底层或地下室天花板下;上行下给方式的水平配水干管敷设在顶层天花板或吊顶之内,在高层建筑内也可设在技术夹层内;给水排水立管通常沿墙、柱敷设;在高层建筑内,给水排水管道敷设在管道井内;排水横管应埋于地下,或在楼板下吊设等。
5.2.3)卫生器具和用水设备的平面位置、型号规格和数量;
5.2.4)升压设备(水泵、水箱)的平面位置、型号规格和数量等;
5.2.5)消防给水管道、消火栓的平面位置、型号、规格;水带材质、水枪的型号与口径、消防箱的型号、明装或暗装、单门或双门等。
5.3给水排水系统图
识读给水排水系统图时,先看给水排水管道进出口编号,并对照平面图逐个管道系统图进行识读。
1)给水系统图:给水方式、地下水池和屋顶水箱或气压给水装置的设置情况、管道的具体走向、干管的敷设方式、管径尺寸及变化情况、阀门和设备以及引入管和各支管的标高。
2)排水系统图:排水管道的具体走向、管径尺寸、横管坡度、管道各部位的标高、存水弯的类型、三通设备设置情况、伸缩节和防火圈的设置情况、弯头及三通的选用情况。
5.4详图
建筑给水排水工程详图常有:水表、管道节点、卫生设备、排水设备、室内消火栓等。主要识读内容为:了解具体构造尺寸、材料名称和数量。
电气工程
1、建筑电气工程的主要功能:
1)输送、分配、应用电能、传递信息;
2)电能应用主要是交流电(工频强电);
3)信息传递主要是高频弱电或直流电。
2、建筑电气工程图例:
图例是用表格形式列出图纸中使用的图形符号或文字符号的含义,以使读图者读懂图纸。除统一图例外专业图例各有不同表示,读图时应注意图例及说明。








3、读图
3.1、电气图纸按图纸的表现内容分,一般有电气平面图、配电系统图、详图、图例、设备材料表、设计说明、图纸目录等。
3.2、电气平面图:
电气平面图是将同一层内不同安装高度的电气设备及线路都放在同一平面上来表示,在建筑平面图上标出电气设备、元件、管线、防雷接地等的规格型号、实际布置。一般大型工程都有电气总平面图,中小型工程则有动力平面图或照明平面。

动力干线平面图
3.3、配电系统图
配电系统图大致分为:配电箱系统图、竖向配电系统图、高低压配电系统图等。
3.3.1所谓配电箱系统图,是示意性地把配电箱的供电线路用单线连接形式准确、概括的电路图,它不表示相互的空间位置关系,表示的是各个回路的名称、用途、容量以及主要电气设备、开关元件及导线规格、型号等参数。

3.3.2竖向配电系统图
竖向配电系统图是直观的反应配电系统的竖向关系,工作回路等。

3.3.3高低压配电系统图
高低压配电系统图是系统的,以表格统计的形式反应出各回路的出处、回路编号、线径规格等。

3.3.4详图
详图用来表示某一具体部位或元件的结构或具体安装方法,注明设备或部件具体图形详细尺寸,以便于安装。通常采用通用标准集,在没有标准图可以选用并有特殊要求时,可以绘制大样图。大样图可以画在同一张图纸上,也可以另画一图或多图。

4、建筑电气工程读图注意要点
4.1、电气工程大多采用统一的图形符号并加注文字符号绘制出来的。因为构成电气工程设备、元件、线路很多,结构类型不一,安装方式各异,只有借用统一的图形符号和文字符号来表达,才能说明清楚。因此,阅读图纸前必须熟悉图形符号和文字符号所代表的含义。
4.2、电气工程施工,往往与主体工程(土建工程)及其他施工相配合进行。例如:电气设备的布置与土建平面布置,立面布置有关;安装方法与墙体结构有关;特别是一些暗敷设线路、电气设备基础和预埋件,更与土建工程密切相关。因此,阅读电气建筑图纸时应与土建施工图对应起来阅读。
4.3、电气工程图中有关安装等方面的技术要求和安装方法,在有关的国家标准和规范、规程中有明确规定,因此,有些图纸并没有完全反映出来,只是在说明中注明参照“***标准图集”、“***规范”等等,这就要求我们应在读图同时配合相关规范、标准、图集以全面了解图纸要求。
4.4、[对一个读图者来说,设计说明是必须认真阅读和研究的内容。因为它常常是指点迷津的钥匙 ]
设计说明主要标注图中交代不清,不能表达或没有必要用图表示的要求、标准、规范、方法等,如供电电源来源、线路敷设方式、设备安装方式施工注意事项等。根据工程规模及需要说明的内容多少,有的可以单独编制说明,有的因为内容简短,分项局部问题可以写在分项图纸内的空余处。
内容源于网络,旨在分享,如有侵权,请联系删除
相关资料推荐:
https://ziliao.co188.com/p63489735.html
知识点:水电工程基本识图
0人已收藏
0人已打赏
免费3人已点赞
分享
建筑给排水
返回版块47.29 万条内容 · 1370 人订阅
回帖成功
经验值 +10
全部回复(0 )
只看楼主 我来说两句抢沙发