1. 梁的类型及梁跨数判断
1.1梁的类型
在16G101-1 P27表4.2.2中给出了梁类型和代号。

其中楼层框架梁、屋面框架梁、非框梁、悬挑梁为常用类型。
1.2梁跨数判断
梁跨数的判断仰仗于支座的判断,之前我们通过支座定义分析,知道了柱、剪力墙、主梁均可作为梁的支座;那么梁跨数实则为支座与支座中间算一跨的跨数总和。还需注意的是,通过16G101-1 P27表4.2.2注1 (XXA)为一端有悬挑,(XXB)为两端有悬挑,悬挑是不计入跨数的。

大家通过梁钢筋示意图可以知道梁钢筋的位置及造型。

梁在图纸上如何表达呢?根据16G101-1 P26 得知梁的注写方式有平面注写和截面注写两种方式:
梁平面注写方式分为集中标注和原位标注两种:
3.1.1集中标注标注内容包括梁编号、尺寸、箍筋信息、上部通长筋或架立筋、侧面钢筋及梁顶标高高差。(除梁顶标高高差外,其余五项均为必注值)
3.1.2位于梁上下的原位注写内容包括跨内支座负筋、下部钢筋、箍筋规格和根数、以及梁截面尺寸
注意:当原位标注与集中标注同时存在时,以原位标注优先。
目前,梁平法施工图上多以梁平面注写方式注写。
截面注写方式是指在图纸上,分别在不同编号的梁中各选一根梁用剖面号引出配筋图,并在其上注写截面尺寸和配筋具体数值的方式,具体详示意图。目前,楼梯详图的梯梁上常用梁截面注写方式注写。


如图,梁钢筋分为平面注写和截面注写两种方式:
在平面注写中集中标注KL2(2A)表明这根框架梁2跨带一端悬挑;
300*650,表明梁宽300,梁高650;
Φ8@100/200(2),表明箍筋信息为HPB300直径为8 加密区间距为100,非加密区间距为200,均为2肢箍;
2C25表明2根HRB400直径为25的上部通长筋;
G4Φ10表明梁两个侧面总配置4根直径为10的构造腰筋;
(-0.100)表明该梁相对于层顶标高下降0.1m。
以第一跨为例,在梁上下写明原位标注,左边端支座负筋2C25+2C22,只有一排,加号前面优先放在角部,并结合集中标注,可知这个2C25为上部通长筋,2C22放角筋与角筋之间,在跨内伸出长度为ln/3(下节课我们一起来分析第一排上部纵筋跨内伸出长度ln/3);
下部钢筋为非通长钢筋6C25 2/4,有“/”表示上下分排,第一排2根HRB400直径为25的下部非通长筋,第二排4根HRB400直径为25的下部非通长筋。
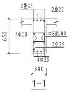
钢筋在梁内的摆放位置我们可以通过1-1剖面图可以看到,在下一次的内容中还会对此有详细解析。
知识点:梁平法施工图制图规则
0人已收藏
0人已打赏
免费4人已点赞
分享
结构施工图
返回版块57.56 万条内容 · 1091 人订阅
回帖成功
经验值 +10
全部回复(2 )
只看楼主 我来说两句抢地板非常好
回复 举报
学习了,学习了,学习才能强国~~
回复 举报