土木在线论坛 \ 给排水工程 \ 建筑给排水 \ 泵的扬程与流量的关系,及扬程的计算

泵的扬程与流量的关系,及扬程的计算

发布于:2023-02-15 13:22:15 来自:给排水工程/建筑给排水 [复制转发]

泵的扬程计算是选择泵的重要依据,泵扬程与流量的关系可以参照下面这张图。


图片



泵扬程由管网系统的安装和操作条件决定,计算前应首先绘制流程草图,平、立面布置图,计算出管线的长度、管径及管件型式和数量。
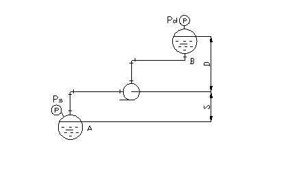
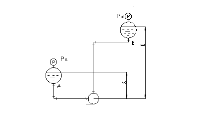
一般管网如下图所示,
D——排出几何高度,m;
取值:高于泵入口中心线:为正;低于泵入口中心线:为负;
S——吸入几何高度,m;
取值:高于泵入口中心线:为负;低于泵入口中心线:为正;
Pd、Ps——容器内操作压力,m液柱(表压);
取值:以表压正负为准
Hf1——直管阻力损失,m液柱;
Hf2——管件阻力损失,m液柱;
Hf3——进出口局部阻力损失,m液柱;
h ——泵的扬程,m液柱


图片


h=D+S+hf1+hf2+h3+Pd-Ps


图片


h= D-S+hf1+hf2+hf3+Pd-Ps



图片


h= D+S+hf1+hf2+hf3+Pd-Ps




计算式中各参数符号的意义

图片

某些工业管材的ε约值见下表

图片

管网局部阻力计算 

图片


常用管件和阀件底局部阻力系数ζ

图片

内容源于网络,旨在分享,如有侵权,请联系删除


相关资料推荐:

泵的扬程计算与选型

https://ziliao.co188.com/p63254687.html



知识点:泵的扬程与流量的关系,及扬程的计算


全部回复(0 )

只看楼主 我来说两句抢沙发

建筑给排水

返回版块

47.29 万条内容 · 1370 人订阅

猜你喜欢

阅读下一篇

室外伸缩缝的施工

在建筑工程中,室外伸缩缝渗漏在室外渗漏质量通病中占比很高,而且一旦渗漏则不易处理,在施工过程中必须加强室外伸缩缝施工质量控制,力争做到不渗不漏。本示例分享了天津天一建设集团公建项目在室外伸缩缝施工上的优质做法,尤其是施工方案值得大家参考借鉴。

回帖成功

经验值 +10