知识点:冲击电流
出现输入浪涌电流的原因
如下图所示,系统上电时首先要对电源端口的输入电容充电。输入浪涌电流就是在对这个电解电容器进行初始充电时产生的,它的大小取决于起动上电时输入电压的幅值以及由桥式整流器和电解电容器所形成回路的总电阻。
方案一
在做微小功率的开关电源时,直接使用功率电阻限制浪涌电流。
直接串联功率电阻限制浪涌电流(只适合微小功率开关电源)
优点:
缺点:
方案二

该方案具有热敏电阻发热量较小和对产品效率影响较小的优点,但是由于负温度热敏电阻特性为阻值随温度的降低而降低和阻值恢复时间较长,因此该方案存在的缺点有:
(1)高温环境工作启动时,热敏电阻阻值小,不能很好的抑制输入冲击电流;
(2)低温环境工作启动时,热敏电阻阻值大,可能会导致电源设备启动不良;
(3)电源设备开关机间隔时间较短情况下启动时,热敏电阻稳态工作阻值减小后还未恢复到较大的阻值,不能很好的抑制输入冲击电流。
方案三

为解决方案1和方案2的缺点,可采用以上方案3,该方案启动时,电子开关S1断开,电阻器R1进行输入冲击电流抑制,稳态工作时电子开关S1闭合,该方案的优点为:
(1)可有效抑制输入冲击电流,同时由于电阻器R1、电子开关S1和控制电路受温度影响较小,输入冲击电流抑制效果受温度的影响也较小;
(2)电子开关损耗低、发热量小,对电源设备正常工作时的效率的影响较小;
(3)控制电路恢复时间快,电源设备开关机间隔时间较短时也能够有效抑制输入冲击电流。
方案四:

为解决方案1和方案2的缺点,还可采用以上方案4,该方案除具有方案3的优点外,还具有的优点为:
(1)不使用电阻器R1,可降低系统设备的尺寸和成本。
(2)电子开关的阻抗采用恒流控制,受输入电压变压的影响较小。
缺点:该方案在具体执行上可能比较麻烦。
方案五
NTC热敏电阻与普通功率电阻并联的方式来限制浪涌电流
常温起机时,功率电阻与热敏电阻并联后的阻值来限制浪涌电流,在低温起机时NTC热敏电阻的阻值急剧升高但功率电阻阻值基本是不变的能保证低温启动,不过在高温实验时浪涌电路也很大。
优点:
缺点:
方案六
串联固定电阻器配合晶闸管,来限制输入浪涌电流
上电时,Vs截止,电流经过R1,R1起到限流作用,达到一定条件,VS导通,将R1短路,使效率损失大大降低。
优点:
缺点:
方案七
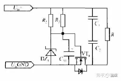
利用MOSFET开关管及延时网络电路进行浪涌电流抑制浪涌电流
电路工作的基本原理是:由于DC-DC开关电源的输入端接有容性滤波电路,当开机加电瞬间由于需要为滤波电容C1、C2充电,所以瞬间产生较大的浪涌电流,此时在母线输入的地线上介入的MOSFET(VT1)的漏原极之间并未导通,随着R2、R3、DZ1及CA1组成的延时电路给MOSFET(VT1)的栅极加电,是MOSFET(VT1)的漏源极逐渐导通,从而有效减小了开机瞬间由输入端的容性滤波电路充电而产生的浪涌电流值。当电路进入稳定工作状态下,其漏源极始终处于导通状态。
由于实际的开关电源产品产品设计中对于浪涌电流抑制不尽相同,可通过调节CA1的具体参数而获得不同的浪涌电流抑制的结果。
相关推荐:
0人已收藏
0人已打赏
免费3人已点赞
分享
电气工程原创版块
返回版块2.2 万条内容 · 596 人订阅
回帖成功
经验值 +10
全部回复(1 )
只看楼主 我来说两句 抢板凳好文!必须收藏!
回复 举报