土木在线论坛 \ 给排水工程 \ 建筑消防给水 \ 超大防火板风管施工工法

超大防火板风管施工工法

发布于:2023-02-07 14:01:07 来自:给排水工程/建筑消防给水 [复制转发]

在建筑机电工程中,防火板风管主要运用于工程的地下室排烟系统或排风兼排烟系统、空调通风系统以及穿防火分区的风管的保护。尤其是多系统的集中送排风井道转换风道,一般都因风量大而设计成超大尺寸的风管,加工和安装难度都很大。并且要求镀锌钢板风管外包防火板。超大防火风管不仅加工、连接、安装特别困难而且支架制作、防火板包封等要达到合格的质量要求也是非常的不容易,需要一套完整的行之有效的施工方法。鉴于施工的实际经验总结出的技术工艺流程,为以后的此类工程施工于借鉴和引导。

XXXXXXX营运中心工程地下室分布大量防火板风管,且其防火板风管规格尺寸大,大多均超过规范要求最大边长4000mm,其最大防火板风管规格尺寸为8000*1600。鉴于本工程特点,编制此超大防火板风管施工工法,并在本工程得以成功运用。

2   工法特点

2.1 为超大规格防火板风管

防火板风管规格为超大规格(长边D≥4000mm超规范)防火板风管新型施工工法。

2.2 提高防火板风管施工质量与效率

采用此工法,可以大大提高防火板风管加工制作到安装的施工质量,并能达到高效施工的特点。

2.3 节约资源降低成本的特点

由于采用此项工法,可以大大节约防火板材料在施工过程中的浪费。

3   适用范围

本工法应用于建筑工程消防排烟通风、空调通风及其它用途的风管穿越防火分区时的保护,并且系统风压在中压以上或有清洁要求的风道等。其风管规格尺寸大(超过规范要求最大边4000mm),此超大规格镀锌板风管外包防火板施工技术用于通风系统金属风管外侧的防火板耐火包覆层制作,采用12mm厚的硅酸钙防火板包封,其耐火极限不小于3小时。

4   工艺原理

本工法主要是由镀锌铁皮风管的施工工艺结合钢结构网架的强度,利用方钢支架整体强度做成钢支架风道,风管采用镀锌钢板对接压缝技术,保证了风管的平整光滑和洁净。方钢钢架外敷防火板,接缝涂胶包角压缝处理等技术,使防火风管整体达到安全牢固、密封严密、洁净光滑、风阻力小、外观整洁美观等性能特点。

5   施工工艺流程及操作要点

5.1 工艺流程

图片

5.2 操作要点

5.2.1防火板风管内衬镀锌铁皮风管的加工制作应保证尺寸规格准确,水平垂直平整度满足规范要求。

5.2.2防火板风管内衬方钢龙骨框架加工中,确保方钢框架对接焊接准确,防止变形扭曲情况。

5.2.3防火板风管外敷防火板应保证板材平整,牢固。

5.2.4防火板风管中其方钢龙骨框架及内衬镀锌钢板风管的对接齐平,防止组焊扭曲变形。

5.3 防火板风管施工工艺具体实施步骤

5.3.1防火板风管方钢龙骨的制作安装:

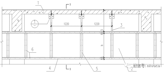
防火板风管方钢龙骨的制作安装参照图参照下图1、图2、图3施工,防火板风管内衬方钢龙骨,作为整个防火板风管的内支撑,其主要采用50X50X3方钢3加工制作而成,方钢龙骨按图纸成“井字格”形式焊接连接,布置间距为1.22*1.22米,方钢龙骨加工制作在现场地面上操作平台进行加工、组对、焊接,通过放线仪、水平尺等检查工具进行找平找正。方钢龙骨制作应按图纸进行施工,以6米为一段,制作顺序为:按先底层平面方钢焊接再竖向方钢焊接;在底层平面方钢焊接时,应先横向方钢龙骨焊接再纵向方钢龙骨焊接的顺序进行,按此顺序沿风管走向依次递进施工,最终完成整条防火板风管内衬方钢龙骨制作。防火板风管中间跨越部分采用辅助C形50×50龙骨进行支撑,并用M4自攻螺钉固定在50×50×3方钢上。四面包封防火板风管立面图(图中 a指风管宽度、b指风管高度。)参见下图5.3.1-1。图中编号注释:1:混凝土楼板、2:12mm厚硅酸钙防火板、3:50×50×3方钢、4:L33×33×0.6轻钢角龙骨、5:-60×0.6扁钢龙骨、6:M4自攻螺钉。

图片

四面包封防火板风管1-1剖面图(图中 a指风管宽度、b指风管高度。)参见下图5.3.1-2。图中编号注释:1:混凝土楼板、2:12mm厚硅酸钙防火板、3:50×50×3方钢、7:1.2mm厚镀锌钢板、8:防火板中跨C形50×50龙骨。

图片

防火板风管方钢龙骨及内衬镀锌钢板现场施工图参见下图5.3.1-3。图中编号注释:3:50×50×3方钢、7:1.2mm厚镀锌钢板。

图片

图5.3.1-3

5.3.2 防火板风管内衬镀锌钢板风道制作安装

防火板风管内衬镀锌钢板风道制作工序与常规镀锌钢板风管制作相同,主要包括钢板下料、压筋、咬口等制作加工,但与常规风管不同的是,其不需要作法兰,每节风管做成1.22米(根据钢板板材规格确定)直管段。由于防火板风管的特殊性构造,其外围是采用方钢“井字格”的框架龙骨结构形式,且为保证防火板风管内表面的平整度,则内衬镀锌钢板不能采用法兰连接形式,而采用风管搭接的连接方式。

风管按图纸规格尺寸制作完成后,将其放置在已经加工制作完毕的方钢龙骨框架内,并与方钢龙骨整体吊装至现场安装部位。

5.3.3 防火板风管支吊架制作

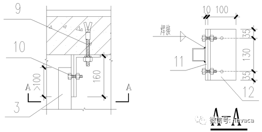
防火板风管支吊架制作参照上图5.3.1-1、图5.3.1-2及下图5.3.3。整个防火板风管的支吊架制作(吊杆与结构板连接节点1大样图)如下图5.3.3:在50×50×3方钢顶部采用与-200×160×10扁钢焊接连接,-200×160×10扁钢在通过2×M12普通C级螺栓与L160×100×10角钢进行连接,L160×100×10角钢通过2×YG1-M12螺栓固定于混凝土楼板上,完成整个防火板风管的支吊架固定。

图片

图5.3.3

图中编号注释:、3:50×50×3方钢、9:2×YG1-M12螺栓、10:2×M12普通C级螺栓、11:-200×160×10扁钢、12:L160×100×10角钢。

5.3.4防火板风管内衬方钢龙骨及内衬镀锌钢板风管吊装、组对安装

防火板风管内衬方钢龙骨及内衬镀锌钢板风管吊装、组对安装施工参照上图:图5.3.1-1、图5.3.1-2、图5.3.3及下图:风管框架吊装实例图5.3.4-1、图5.3.4-2、图5.3.4-3、图5.3.4-4。

防火板风管内衬方钢龙骨框架及内衬镀锌钢板风管吊装采用用电动(手动)葫芦、钢丝绳等工具进行,按加工制作分段进行吊装,吊点设四个角处,四个葫芦同时起吊,将其同步平稳地提升到安装的标高,找正找平后,将方钢龙骨框架的方钢焊接在楼板上的角钢固定点上,同时保证与前一节方钢龙骨框架对齐。进行焊接固定,检查每个焊点是否合格,并保证框架牢固不变形,直至整个方钢龙骨就位完成。

图片

图5.3.4-1

图中编号注释:3:50×50×3方钢、15:吊装手动葫芦。

防火板风管内衬方钢龙骨框架安装完成后,进行内衬镀锌钢板风管的对接,调整本节风管和前一节风管对齐对正,并保证对接缝隙均匀紧密平直,如下防火板角部节点2大样图5.3.4-2、防火板平接节点3大样图5.3.4-3、内衬镀锌钢板风管对接节点大样图5.3.4-4,内衬镀锌钢板风管对接口接缝处,需涂防火密封胶13密封。在龙骨50×50×3方钢上面铺设5mm 厚橡胶石棉板(与方钢同宽),同时在石棉板上面贴压筋扁钢-60×0.6扁钢龙骨,内衬镀锌钢板风管对接好后,用M4自攻螺钉将镀锌钢板风管固定在50×50×3方钢龙骨框架纵横向方钢上,两排间距30mm位于风管对接口两侧,间距200mm,横平竖直,最后完成整段风管的安装。

图片

图5.3.4-2

图中编号注释:2:12mm厚硅酸钙防火板、4:L33×33×0.6轻钢角龙骨、6:M4自攻螺钉。13:防火密封胶。

图片

图中编号注释:2:12mm厚硅酸钙防火板、5:-60X0.6扁钢龙骨、6:M4自攻螺钉。13:防火密封胶。

图片

图5.3.4-4

图中编号注释:2:12mm厚硅酸钙防火板、3:50×50×3方钢、5:-60×0.6扁钢龙骨、6:M4自攻螺钉。7:1.2mm厚镀锌钢板、13:防火密封胶、14:5mm厚橡胶石棉板。

待整条内衬镀锌钢板风管安装完成后,进行风管的漏光检测,合格后交付下道工序,防火板风管外敷12mm厚硅酸钙防火板。

5.3.5防火板风管外敷硅酸钙防火板安装

防火板风管外敷硅酸钙防火板安装参照下图: 图5.3.5-1、图5.3.5-2、图5.3.5-3。

1)12mm厚硅酸钙防火板板材下料、成型

A、硅酸钙防火板按照施工图纸、风管管径尺寸进行下料,风管弯管、变径处的板材需放样下料。

B、硅酸钙防火板规格为:2440mm-1220mm,板厚12mm;一般情况下风管按板材宽度做成每节长度为1220mm,当风管长边尺寸小于等于1220mm或风管两边之和小于等于1220mm时,风管外包硅酸钙防火板可按板材长度做成每节长度2440mm,以减少管段接口。

C、防火板材尽量避免拼接,当需要拼接时,应参照图5.3.4-4

要求拼接。

D、风管的三通、四通宜采用分隔式或分叉式;弯管、三通、四通、大小头的圆弧面用折线面代替。

E、包封风管弯管时,当其内弧半径小于等于300mm时,圆弧用其弦代替;内弧半径大于300mm时,圆弧用折线代替。

2)硅酸钙防火板安装

硅酸钙防火板采用M4自攻螺钉(间距200mm)沿风管四周固定在50×50×3方钢上,硅酸钙防火板中跨处固定在辅助C形龙骨上,接缝涂防火密封胶后外敷-60×0.6扁钢龙骨(间距1220mm),有中跨辅助C形50×50龙骨支撑上时,间距610mm,在硅酸钙防火板角部接缝处用L33×33×0.6角钢龙骨包封固定。50×50×3方钢吊杆穿硅酸钙防火板处打防火密封胶。外露50×50×3方钢吊杆和铁件做防锈及外表涂薄型防火涂料处理,耐火极限1h。参照防火板包封后板缝压轻钢扁铁现场实例图5.3.5-1、防火板风管施工完成图5.3.5-2及图5.3.5-3。图中编号注释:2:12mm厚硅酸钙防火板、3:50×50×3方钢、5:-60×0.6扁钢龙骨。

图片

6   材料与设备

6.1 材 料

见下表6.1

名称

规格

主要技术指标

镀锌钢板

1.2mm

符合现行国家规范标准,并有出厂合格证、检查报告。

角钢

L160×100×10

符合现行国家规范标准,并有出厂合格证、检查报告。

方钢

50×50×3

符合现行国家规范标准,并有出厂合格证、检查报告。

扁钢

-200×160×10

符合现行国家规范标准,并有出厂合格证、检查报告。

扁钢

-60×0.6扁钢

符合现行国家规范标准,并有出厂合格证、检查报告。

轻钢角龙骨

L33×33×0.6

符合现行国家规范标准,并有出厂合格证、检查报告。

螺栓

2×YG1-M12螺栓

符合现行国家规范标准,并有出厂合格证、检查报告。

普通C级螺栓

2×M12普通C级螺栓

符合现行国家规范标准,并有出厂合格证、检查报告。

橡胶石棉板

5mm 厚橡胶石棉板

符合现行国家规范标准,并有出厂合格证、检查报告。

自攻螺钉

M4

符合现行国家规范标准,并有出厂合格证、检查报告。

防火密封胶


符合现行国家规范标准,并有出厂合格证、检查报告。

硅酸钙防火板

2.44*1.22

板材密度约950kg/m3板材厚度12mm抗压强度6.71N/mm2导热系数0.23W/m·K燃烧性能A级不燃

6.2 机具设备

见下表6.2

序号

机械设备名称

型号

数量

单位

备注

1

咬口机

LC-15

2


2

折方机

WS1.2×1280B

4


3

电剪

DJ-200

4


4

铆接钳

YN-200

5


5

交流电焊机

BX3-300

4


6

手拉葫芦

HS3

8


7   质量控制

防火板风管施工符合现行国家建筑工程施工质量验收规范GB50300-2013相关专业规定。

7.1内衬镀锌钢板风管质量控制

7.1.1风管的材料规格、性能、厚度等参数应符合设计、施工质量验收规范及现行国家产品标准的规定。

7.1.2 防火板风管的全部材料必须为A级不燃材料,并符合消防和环保要求。

7.1.3防火板风管板材的连接、密封、加固及法兰与风管的连接应牢固可靠,不要采用降低板材强度的连接方法。

7.2 风管制作尺寸和风管安装允许偏差

7.2.1风管安装允许偏差:风管对接应平直、不扭曲。明装风管水平允许偏差为3‰,总偏差不应大于20mm;垂直度允许偏差为2‰,总偏差不大于20mm。暗装风管应位置正确,无明显偏差。

7.2.2风管外观质量要求:风管与配件接缝应严密;折角应平直;风管无明显扭曲与翘角;表面应平整。风管接缝及法兰连接件连接牢固、平整,加固件均匀、合理,符合工艺技术标准。

7.3 应注意的质量问题

7.3.1采用相应长度的自攻螺钉及相应规格的龙骨,拧紧自攻螺钉时与板面垂直,防止风管对角线方向受力变形。

7.3.2当连接的阀件或设备法兰尺寸与防火板风管法兰尺寸有较大偏差时,可利用异径金属短管连接两端,以避免防火板因受到外力出现损坏。

8   安全措施

8.1 焊工、通风工、电工、起重工等工种要持证上岗。

8.2 防火板风管内衬方钢龙骨框架及内衬镀锌钢板风管的吊装应严格按吊装安全规定,在起重工的统一指挥下,进行吊装,确保安全。

8.3进入施工现场应戴好安全帽,不得穿拖鞋;

8.4用电设备应安装漏电保护器,应有接地;服从指挥,不得违章作业。

8.5电焊机接线必须符合安全用电的规定,电缆线必须用橡胶绝缘电缆,电焊机外壳应接地良好。

8.6在高空作业时,应系好安全带。禁止在高空作业架子上进行倾斜、踮脚等易发生身体失衡的操作。

8.7电焊机的外壳应可靠接地,不得多台串联接地;电焊机二次引出线宜采用橡皮绝缘铜芯软电缆,其长度不宜大于30M。 

9   环保措施

9.1 在加工内衬方钢龙骨框架时,尽量节约材料,保护环境,将方钢剩余短量用上,内衬镀锌钢板风管制作中,利用剩余的钢板进行剪裁,应用到风管压条中,以节约材料。

9.2残留的氧气、乙炔等气体燃料应及时运到换气站统一处理。决不能在现场任意释放或燃烧。

9.3 尽量减少施工过程中产生的噪声污染。

10  经济效益

10.1 提高防火板风管施工质量

由于进行内衬方钢龙骨框架的整体制作及内衬镀锌钢板风管整体制作的施工工艺,大大提高了防火板风管施工质量。

10.2 采用此种施工工艺,大大解决了超大防火板风管施工的效率,给类似工程施工提供可靠的施工依据。

10.3 XXXXXXX营运中心项目中,地下室有大量防火板风管,其采用此施工工法进行实施,通过技术创新,改变施工工艺要求,使得防护板材质得以改变,通过与业主和设计院协商,材质由高强玻镁水泥板改为镀锌钢板外包硅酸钙防火板风管,经测算,通过技术创新,此项产生经济效益达89万元。具体见下下表10.3:

内容

材质

单位

综合单价

工程量

收入

成本单价

成本合价

效益

变更前

高强玻镁防火板

m2

131.52

7000

920640

101.52

710640

210000

通过工艺创新材质变更后

硅酸钙防火板大截面部分

m2

400.53

2000

801060

300.53

601060

/

硅酸钙防火板小截面部分

m2

400.53

5000

2002650

220.53

1102650

/

小计

2803710


1703710

1100000

增加效益

890000

10.4 社会效益

通过对超大防火板风管施工工艺的创新,使得类似超大风管施工拥有了施工依据,据此编制了超大防火板风管施工工法,以公布于社会,给社会同行进行借鉴,得到较好的社会效益。

内容源于网络,旨在分享,如有侵权,请联系删除


相关资料推荐:


超大防火板风管施工工法

https://ziliao.co188.com/p62876548.html


知识点:超大防火板风管施工工法





全部回复(0 )

只看楼主 我来说两句抢沙发
这个家伙什么也没有留下。。。

建筑消防给水

返回版块

28.41 万条内容 · 744 人订阅

猜你喜欢

阅读下一篇

闸阀、止回阀、减压阀、低泄高封阀、超压泄压阀等12种阀门图文并茂

一、截止阀类: 主要用于截断或接通介质流 闸阀 明杆 工作原理:阀体内部有闸板启闭件,闸板的运动方向与流体方向相垂直,由于可以像水闸一样将水阻断,故名闸阀

回帖成功

经验值 +10