光伏并网逆变器的常见分类:
逆变器作为光伏发电的重要组成部分,主要的作用是将光伏组件发出的直流电转变成交流电。目前,市面上常见的逆变器主要分为集中式逆变器与组串式逆变器,还有新潮的集散式逆变器。

一、集中式逆变器
集中式逆变器顾名思义是将光伏组件产生的直流电汇总转变为交流电后进行升压、并网。因此,逆变器的功率都相对较大。光伏电站中一般采用500kW以上的集中式逆变器。
(一)集中式逆变器的优点如下:
1.功率大,数量少,便于管理;元器件少,稳定性好,便于维护;
2.谐波含量少,电能质量高;保护功能齐全,安全性高;
3.有功率因素调节功能和低电压穿越功能,电网调节性好。
(二)集中式逆变器存在如下问题:
1.集中式逆变器MPPT电压范围较窄,不能监控到每一路组件的运行情况,因此不可能使每一路组件都处于最佳工作点,组件配置不灵活;
2.集中式逆变器占地面积大,需要专用的机房,安装不灵活;
3.自身耗电以及机房通风散热耗电量大。
二、组串式逆变器
组串式逆变器顾名思义是将光伏组件产生的直流电直接转变为交流电汇总后升压、并网。因此,逆变器的功率都相对较小。光伏电站中一般采用50kW以下的组串式逆变器。
(一)组串式逆变器优点:
1.不受组串间模块差异,和阴影遮挡的影响,同时减少光伏电池组件最佳工作点与逆变器不匹配的情况,最大程度增加了发电量;
2.MPPT电压范围宽,组件配置更加灵活;在阴雨天,雾气多的部区,发电时间长;
3.体积较小,占地面积小,无需专用机房,安装灵活;
4.自耗电低、故障影响小。
(二)组串式逆变器存在问题:
1.功率器件电气间隙小,不适合高海拔地区;元器件较多,集成在一起,稳定性稍差;
2.户外型安装,风吹日晒很容易导致外壳和散热片老化;
3.逆变器数量多,总故障率会升高,系统监控难度大;
4.不带隔离变压器设计,电气安全性稍差,不适合薄膜组件负极接地系统。
三、集散式逆变器
集散式逆变器是近两年来新提出的一种逆变器形式,其主要特点是“集中逆变”和“分散MPPT跟踪”。集散式逆变器是聚集了集中式逆变器和组串式逆变器两种逆变器优点的产物,达到了“集中式逆变器的低成本,组串式逆变器的高发电量”。
(一)集散式逆变器优点:
1.与集中式对比,“分散MPPT跟踪”减小了失配的几率,提升了发电量;
2.与集中式及组串式对比,集散式逆变器具有升压功能,降低了线损;
3.与组串式对比,“集中逆变”在建设成本方面更具优势。
(二)集散式逆变器问题;
1.工程经验少。较前两类而言,尚属新形式,在工程项目方面的应用相对较少;
2.安全性、稳定性以及高发电量等特性还需要经历工程项目的检验;
3.因为采用“集中逆变”,因此,占地面积大,需专用机房的缺点也存在于集散式逆变器中。
逆变器的原理:
一.电流源
电流源是相对于电压源来说的。
对于电压源,电源输出到负载两端的电压试图维持不变,这就是说,电源上的电压是恒定的,从欧姆定律来看,就是电源电压V不变,I和R可以变化,即V=IR。
对于电流源,电源输出到负载的电流试图不变,也就是来自电源的电流不变。这并不常见,但确实存在,并且在许多场合得到应用,也遵从欧姆定律,即V=IR。
其实在实际运行中电压源和电流源不是很好区分,但是也有很多特点可循,在电力电子设备中,可以看它的控制对象来区分是电压源和电流源,电压源是以电压为控制对象,而电流源是以电流为控制对象,也就是常说的直接电流控制,光伏并网逆变器就以三相交流输出电压为主要控制对象加上直流电压来实现MPPT最大功率控制的。
二.有源逆变
有源逆变最初应用在电动机刹车制动上,用晶闸管的开断把电动机刹车时转子内的励磁能量回馈到电网来实现节能效果。
有源逆变典型特点是其输出端也是连接在一个电源上,因此形象成为有源逆变。逆变器是作为一个电源把其自身能量输送给另一个电源的过程就是并网发电。
三.并网发电

光伏并网逆变器主回路:

1、直流EMI滤波器
直流EMI滤波器的作用
逆变器工作时,IGBT不仅向交流传递干扰,同时也向直流端传递干扰。如果没有直流端滤波器,直流端干扰通过电缆直接传到电池板上。干扰会通过电池板组件直接向空中辐射,造成大范围的空间干扰,可能会对空中飞行器和附近地面通信造成干扰。该干扰会直接影响到电池板的性能和寿命,降低电池板的效率。

电池板的大面积布置,产生各种寄生参数,外界及其他逆变器工作时对直流端干扰很容易被电池板捕获,并直接传递到逆变器上,影响逆变器的稳定工作。
2、直流支撑电容

直流支撑电容作用是防止因负载的突变以及电容器本身的寄生电感产生感生电动势而导致直流母线电压大幅度突变。
放电电阻的作用是逆变器停止工作时,为直流支撑电容提供放电的回路,把直流支撑电容所存储的电能释放掉。
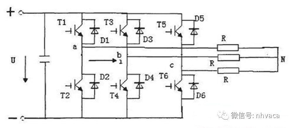
3、IGBT模块

IGBT(Insulated Gate Bipolar Transistor),绝缘栅双极型晶体管,是由BJT(双极型三极管)和MOS(绝缘栅型场效应管)组成的复合全控型电压驱动式功率半导体器件, GTR饱和压降低,载流密度大,但驱动电大;MOSFET驱动功率很小,开关速度快,但导通压降大,载流密度小。IGBT综合了以上两种器件的优点,驱动功率小而饱和压降低。
4、PWM控制器
脉宽调制(PWM)是指用微处理器的数字输出来对模拟电路进行控制,是一种对模拟信号电平进行数字编码的方法。以数字方式控制模拟电路,可以大幅度降低系统的成本和功耗。正弦波脉宽调制的特点是输出脉宽列是不等宽的,宽度按正弦规律变化,输出波形接近正弦波。正弦波脉宽调制也叫SPWM。SPWM(Sinusoidal PWM)法是一种比较成熟的,目前使用较广泛的PWM法。前面提到的采样控制理论中的一个重要结论:冲量相等而形状不同的窄脉冲加在具有惯性的环节上时,其效果基本相同。SPWM法就是以该结论为理论基础,用脉冲宽度按正弦规律变化而和正弦波等效的PWM波形即SPWM波形控制逆变电路中开关器件的通断,使其输出的脉冲电压的面积与所希望输出的正弦波在相应区间内的面积相等,通过改变调制波的频率和幅值则可调节逆变电路输出电压的频率和幅值。

逆变器工作原理:光伏并网逆变器通过检测直流电压、电流和电网交流电压、电流来控制逆变器三相逆变模块,由数字控制系统发出PWM驱动信号,使逆变器发出与电网同频、同相的交流电。

逆变器常见故障及处理方法:
1.故障现象:逆变器屏幕没有显示
故障分析:没有直流输入,逆变器LCD是由直流供电的。
可能原因:
(1)组件电压不够。逆变器工作电压是100V到500V,低于100V时,逆变器不工作。组件电压和太阳能辐照度有关。
(2)PV输入端子接反,PV端子有正负两极,要互相对应,不能和别的组串接反。
(3)直流开关没有合上。
(4)组件串联时,某一个接头没有接好。
(5)有一组件短路,造成其它组串也不能工作。
解决办法:
用万用表电压档测量逆变器直流输入电压。电压正常时,总电压是各组件电压之和。如果没有电压,依次检测直流开关,接线端子,电缆接头,组件等是否正常。如果有多路组件,要分开单独接入测试。
2.故障现象:逆变器不并网。
故障分析:逆变器和电网没有连接,
可能原因:
(1)交流开关没有合上。
(2)逆变器交流输出端子没有接上。
(3)接线时,把逆变器输出接线端子上排松动了。
解决办法:用万用表电压档测量逆变器交流输出电压,在正常情况下,输出端子应该有220V或者380V电压,如果没有,依次检测接线端子是否有松动,交流开关是否闭合,漏电保护开关是否断开。
3.逆变器硬件故障:分为可恢复故障和不可恢复故障。
故障分析:逆变器电路板,检测电路,功率回路,通讯回路等电路有故障。
解决办法:逆变器出现上述硬件故障,请把直流端和交流端全部断开,让逆变器停电30分钟以上,如果自己能恢复就继续使用,如果不能恢复,就联系售后技术工程师。
4.故障现象:交流侧过压。
电网阻抗过大,光伏发电用户侧消化不了,输送出去时又因阻抗过大,造成逆变器输出侧电压过高,引起逆变器保护关机,或者降额运行。
解决办法:
(1)加大输出电缆,因为电缆越粗,阻抗越低;
(2)逆变器靠近并网点,电缆越短,阻抗越低。
5.故障现象:逆变器接地故障。
(1)故障分析:外部环境潮湿,逆变器对地绝缘降低
解决办法:开启风机进行除湿。
(2)故障分析:逆变器检测板故障
解决办法:更换逆变器检测板
(3)故障分析:IGBT故障
解决办法:更换IGBT板
(4)故障分析:汇流箱到逆变器直流电缆接地故障
解决办法:查找电缆接地点,就地处理或更换电缆
6.故障现象:逆变器频繁错误报警故障。
故障分析:检测板故障
解决办法:更换检测板或排线
7.故障现象:逆变器无法正常启动。
故障分析:检查散热风机是否正常,检查IGBT是否正常,检查主板是否正常,检查直流电压是否正常。
解决办法:根据实际情况更换损坏元件
8.故障现象:防雷器故障报警。
故障分析:防雷器损坏
解决办法:更换新的防雷器,如果多次出现该故障,联系厂家。
本文来源于网络,如有侵权,请联系删除
知识点:光伏并网逆变器的分类及原理
相关推荐:
0人已收藏
1人已打赏
免费6人已点赞
分享
采暖供热
返回版块20.38 万条内容 · 611 人订阅
阅读下一篇
明装暖气片是什么 具体有什么优势?随着人们生活水平的不断提升,大家对于房屋的供暖效果要求越来越高,需要在短时间内达到快速升温的效果,暖气片是大多数人的选择,尤其是明装暖气片的用户会更多一些。那么什么是明装暖气片呢?具体有什么优势? 什么是明装暖气片 明装暖气片需要安装在墙壁的表面,说白了就是供暖所需要的输水管道,以及相应的回水管道,都需要安装在我们肉眼可见的地方,一般情况下会安装在一些墙壁的表面,这样不仅更容易固定,同时还拥有一个非常不错的供暖效果。特别适合于一些大户型进行安装,能够在短时间内达到快速升温的效果,而且效果非常明显。
回帖成功
经验值 +10
全部回复(2 )
只看楼主 我来说两句抢地板很好的资料,谢谢楼主的分享。
回复 举报
不错的资料 学习了
回复 举报