知识点:合路器
1 引言
在现代无线通信中,经常将多部电台安装在同一地点,并要求多部电台满足同时跳频模式。为了解决复杂电磁兼容问题,本文给出如图1所示的新型梳妆滤波放大合路器方案。这种方案极大的减少了过去合路器插入损耗大,功放的线性度和效率之间的矛盾等问题,是较先进的合路器方案,但需要合路器和收发信机一起设计,比较复杂。对于这种跳频通信需要的合路器,前级两组定频多工器可采用经典的方法设计[1]或用其它方法来实现。本文主要研究位于后级的30-88MHz跳频合路器的设计方法,主要采用了90°定向耦合器多工器方案。

图1 新型合路器方案
2 90°定向耦合器设计
由于需要工作的频带是30-88MHz,带宽很宽,所以选用多节对称耦合传输线来设计。选用最平坦设计,端口特性阻抗为50欧姆,根据经典设计方法[1-2],查表[2]可得3阶对称传输线的归一化的偶模阻抗如表1所示,从而可以计算相应的奇偶模阻抗值。
表1 定向耦合器阻抗值

30-88MHz的频率低,中心频率四分之一波长尺寸很大,这里可以选择的线型较多,其中宽边耦合带状线相比而言显得更能够满足小型化的要求。这里线型选择为宽边耦合带状线如图2所示。这种结构,具有体积小、功率容量大、损耗小、分配(合成)端口平衡性能优等特点。使用上文得到阻抗,运用HP公司的EESOF微波软件[3]可以很好的综合出实际的尺寸。

图2 宽边耦合带状线结构
本文选用介电常数为2.65,厚度为2.75mm,中间介质厚度为0.15mm的板材进行仿真,综合尺寸如下:
第一节线:width1=width2=2mm, offset1=2.32mm, length1=235.7mm
第二节线:width1=width2=0.74mm, offset2=0.12mm, length2=539mm
把上述参数代入AWR中进行电路仿真,并进行优化得到较好的值。然后在HFSS中建立模型,进行全波仿真。选用粗糙度为1.7um的铜进行仿真,结构如图3所示,物理尺寸小于10cm×10cm,仿真结果如图4所示,该定向耦合器各个端口驻波均小于1.22,隔离大于21dB,幅度的平坦度为 0.95,相位平坦度为 5°,插入损耗小于0.35db,是比较好的仿真结果。

图3 电桥仿真模型

(a)

(b)

(c)

(d)
图4 0°定向耦合器仿真结果(a)耦合度 (b)隔离度 (c)各端口驻波比 (d)相位差
3 合路器仿真
本文采用如图5所示的定向耦合器[1,2,4,5]多工器方案设计30-88MHz合路器。

图5 90°定向耦合器多工器原理图
在本方案中,每个通道有两个完全相同的滤波器和两个完全相同的90°定向耦合器。这种方案的主要优点是90°定向耦合器的方向性,这使得滤波器之间的相互干扰最小化。因此,90°定向耦合器多工器适合模块化设计,它允许灵活增加新的通道,新的通道对原来的多工器没有任何影响,这个特点在一些系统的设计中是需要的。另外一个重要的优点是每次只有一半的功率通过滤波,这给在一些高功率多工器设计中的滤波器设计带来了方便。但是,这种方案每个通道需要两个滤波器和两个90°定向耦合器,它的体积会很大。此外,在每个通道,信号经过的两条路径的相位的偏差要小,这样才能使得两个信号在输出端无失真的叠加,这就对多工器的加工精度提出了较高的要求,调试的时候也比较困难。另外,对于这种级联形式方案,末级通道的插入损耗较大。
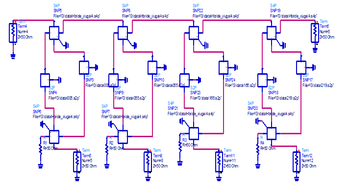
使用90°定向耦合器方案来设计本例的跳频合路器[6-9],如图6所示,这里的滤波器为实测电调滤波器的s2p数据,定向耦合器为HFSS仿真的s4p数据,这里没有考虑连接电缆的影响。因为实际中连接电缆很短,多为钢性电缆,电缆的插入损耗很小,一致性也很高,所以在这里忽略其影响来仿真是可行的。

图6 跳频合路器仿真图
仿真结果如图7所示。由仿真结果可见在30-88MHz频段内插入损耗小于3,驻波小于2,仿真结果较好。其中实线为插入损耗设为0.2的理想定向耦合器仿真结果,虚线为HFSS仿真的定向耦合器的仿真结果。可见HFSS仿真模型和理想模型差距较为接近。
下面进行多种组合,查看反射和传输特性,最恶劣情况如图8,9所示。可见由于是串联形式方案,第四路如果处于高端的话,插入损耗在变得较大为-3.5dB,因为一方面电调滤波器在高端由于谐振腔间的耦合不合适,本身插入损耗较大,另一方面第四路经过多个定向耦合器,插人损耗积累,使得性能逐渐恶劣。所以定向耦合器的插入损耗是制约级联方式合路器的重要因素之一。

图7 理想与仿真结果对比

图8 传输特性仿真结果

图9 反射特性仿真结果
4 结论
本文首先给出了解决集群通信系统中电磁兼容问题的一种新型合路器方案。接着详细介绍了针对该方案的后级跳频合路器的设计方法,主要包括一款30-88MHz 的90°定向耦合器的设计和合路器仿真。通过HFSS仿真,本文设计的90°定向耦合器各个端口驻波均小于1.22,隔离度大于21dB,幅度的平坦度为 0.95,相位平坦度为 5°,插入损耗小于0.35db,体积仅为10cm×10cm,性能较好。通过采用90°定向耦合器多工器方案,本文将实测电调滤波器的数据代入微波软件,仿真了合路器性能,达到了设计要求,但由于串联形式方案本身的缺陷,插入损耗是制约合路器的重要因素。
相关推荐链接:
0人已收藏
0人已打赏
免费1人已点赞
分享
电气工程原创版块
返回版块2.2 万条内容 · 598 人订阅
阅读下一篇
不管家里面积多大,路由器不要放在这3个地方知识点:路由器 路由器几乎家家户户都有,路由器是连接的wifi的,有时候家里的网络信号非常的不好,可能是路由器放错了位置,家里这三个地方是不适合放置路由器的,很多家庭都放错了,赶紧跟着小编一起来了解一下吧。 ....................................................................................................................................................................................
回帖成功
经验值 +10
全部回复(0 )
只看楼主 我来说两句抢沙发