剧场、影院等建筑的舞台与观众厅的防火分隔
剧场等建筑的舞台及后台部分,常使用或存放着大量幕布、布景、道具,可燃装修和用电设备多。另外,由于演出需要,人为着火因素也较多,如烟火效果及演员在台上吸烟表演等,也容易引发火灾。
着火后,舞台部位的火势往往发展迅速,难以及时控制。剧场等建筑舞台下面的灯光操纵室和存放道具、布景的储藏室,可燃物较多,也是该场所防火设计的重点控制部位。
因此,剧场等建筑的舞台与观众厅之间的隔墙应采用耐火极限不低于3.00h的防火隔墙。
舞台上部与观众厅闷顶之间的隔墙可采用耐火极限不低于1.50h的防火隔墙,隔墙上的门应采用乙级防火门;舞台下部的灯光操作室和可燃物储藏室应采用耐火极限不低于2.00h的防火隔墙与其他部位分隔。
电影放映室、卷片室应采用耐火极限不低于1.50h的防火隔墙与其他部位分隔,观察孔和放映孔应采取防火分隔措施。


建筑内一些需要重点防火保护的特殊场所的防火分隔要求
【强制性条款】医疗建筑内的手术室或手术部、产房、重症监护室、贵重精密医疗装备用房、储藏间、实验室、胶片室等,附设在建筑内的托儿所、幼儿园的儿童用房和儿童游乐厅等儿童活动场所、老年人照料设施,应采用耐火极限不低于 2.00h 的防火隔墙和 1.00h的楼板与其他场所或部位分隔,墙上必须设置的门、窗应采用乙级防火门、窗。

属于易燃、易爆且容易发生火灾或高温、明火生产部位的防火分隔要求
建筑内的下列部位应采用耐火极限不低于2.00h的防火隔墙与其他部位分隔,墙上的门、窗应采用乙级防火门、窗,确有困难时,可采用防火卷帘:
1-甲、乙类生产部位和建筑内使用丙类液体的部位;
2-厂房内有明火和高温的部位;
3-甲、乙、丙类厂房(仓库)内布置有不同火灾危险性类别的房间;
4-民用建筑内的附属库房,剧场后台的辅助用房;
5- 除居住建筑中套内的厨房外,宿舍、公寓建筑中的公共厨房和其他建筑内的厨房;
6-附设在住宅建筑内的机动车库。
防火隔墙的做法
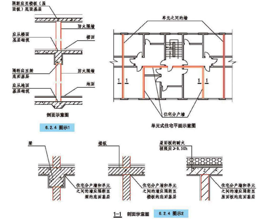
【强制性条款】建筑内的防火隔墙应从楼地面基层隔断至梁、楼板或屋面板的底面基层。住宅分户墙和单元之间的墙应隔断至梁、楼板或屋面板的底面基层,屋面板的耐火极限不应低于0.50h。
对比下防火墙的做法,注意区别:
防火墙应直接设置在建筑的基础或框架、梁等承重结构上,框架、梁等承重结构的耐火极限不应低于防火墙的耐火极限。防火墙应从楼地面基层隔断至梁、楼板或屋面板的底面基层。当高层厂房(仓库)屋顶承重结构和屋面板的耐火极限低于1.00h,其他建筑屋顶承重结构和屋面板的耐火极限低于0.50h时,防火墙应高出屋面0.5m以上。

实体墙、防火挑檐和隔板
知识点:建筑构件
0人已收藏
0人已打赏
免费0人已点赞
分享
建筑构造
返回版块7.65 万条内容 · 194 人订阅
回帖成功
经验值 +10
全部回复(0 )
只看楼主 我来说两句抢沙发