知识点:直供电发电工程
|
01 |
直流系统简介 |
目前,发电厂及中、大型变电站的控制回路,继电保护装置及出口回路,信号回路,皆采用直流电源供电,重要发电厂及变电站的事故照明也采用直流供电方式。另外,为确保发电机等主设备的安全,某些动力设备也由直流电源供电。完成对上述回路,装置及动力设备供电的系统称为直流系统。直流系统是发电厂和变电站的重要系统,为确保发电厂和变电站的安全、经济运行,有完善而可靠的直流系统是非常必要的。更多关于直流系统的详细介绍,请大家参考玲姐在前几期发表的----新员工变电专业扫盲专辑之变电站直流系统。
|
02 |
什么是直流接地? 春运徙 |
何为直流接地?当直流系统的正极或负极对地绝缘水平降低到某一整定值时,统称为直流接地。例如对220kV直流系统来说,两极对地电压绝对值的差超过40V或绝缘降低到25KΩ以下,应视为直流接地。
|
03 |
直流接地的原因 |
1. 二次回路绝缘材料不合格、绝缘性能低,或年久失修、严重老化。
2. 二次回路绝缘存在某些损伤缺陷,如磨伤、砸伤、压伤等。
3. 导接压接太松,造成接触不良引起端子烧伤造成接地。
4. 电缆头绝缘有损伤,下雨天受潮造成接地。
5. 施工时工作不慎或失误造成直流接地。
6.小动物爬入或小金属零件掉落在元件上造成直流接地故障,某些元件有线头、未使用的螺丝、垫圈等零件,掉落在带电回路上。
|
04 |
直流接地的危害 |
直流系统如果只有一点接地是不会对直流系统造成直接危害的,但是必须及时把消除故障,否则如果在直流系统中,再有一点接地就可能对整个电力系统造成严重危害。
直流系统发生两点接地故障时,便可能构成接地短路造成继电保护、信号、自动装置误动或拒动。甚至会造成直流保险熔断,使保护及自动装置、控制回路失去电源。
当直流系统正极接地时,将有可能造成断路器的误动,因为一般跳闸线圈(如出口中间继电器线圈和跳闸线圈等)均接电源负极,如果这些直流回路中再发生直流系统接地或绝缘不良时,跳闸线圈就会直接接于正负极之间,有电流流过继电器,就会引起保护误动作。同样的道理,如果直流系统负极接地,跳闸线圈被短路,将有可能造成断路器的拒动。
|
05 |
直流接地现象分析 |
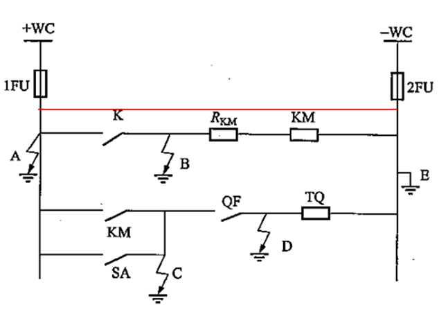
正极接地
当直流系统A、B两点接地时,A、B两点通过大地跳过常开接点K直接相连,跳闸中间继电器KM动作,生成断路器的跳闸回路,跳闸线圈TQ将有电流通过,致使断路器跳闸。同理,当上图中的A、C两点接地或A、D两点接地时,均能使跳闸线圈TQ有电流通过,致使断路器误动作跳闸。
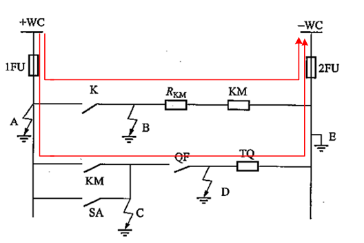
2.负极接地
当直流系统的B、E两点接地时,B、E两点通过大地跳过跳闸中间继电器KM直接相连。此时,如果系统发生故障,由于跳闸中间继电器KM被短接,KM不会动作,跳闸线圈TQ回路不导通,断路器不会跳闸,产生拒动现象,致使故障扩大。同理,当C、E两点接地或D、E两点接地时,跳闸线圈TQ被短接,故障发生时,致使断路器不能跳闸,产生拒动现象。
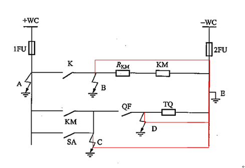
3.正、负极接地
当直流系统的A、E两点同时发生接地时,相当于A、E通过大地直接相连,将造成直流电源的正极与负极之间的短路故障,致使熔断器(或快速开关)1FU、2FU要熔断(或快速开关跳闸),导致控制回路直流电源消失。由于断路器线圈的动作电压较低,当站内直流系统的对地电容较大时,跳合闸线圈前的回路一点接地,也会造成断路器的误跳或误合。
|
06 |
直流接地故障的处理 |
直流系统发生一点接地后,若未及时发现和处理,在同一极的另一地点再发生接地或另一极的一点接地,便构成两点接地短路,将造成信号装置、继电保护和断路器的误动作,两点接地可能会将跳闸回路短路,造成保护拒动作,还会引起熔断器熔断、烧坏继电器接点等故障的发生。因此当直流系统发生一点接地时,应迅速寻找,尽快消除,防止发展成两点接地故障。
《中华人民共和国电力行业标准DL /T856-2004》 规定了不同直流系统接地故障的整定值,当直流系统接地阻抗低于该阻值时,表示系统已经处于故障运行状态,需尽快处理。由于直流系统的复杂性和动态性,直流接地故障往往难以定位,而传统的拉路法已无法满足在保证系统安全运行的情况下找出接地故障点,近几年来,相关规程中已经明文禁止采用拉路法的方式来进行接地故障点的定位。目前,主要应用便携式直流接地故障测试仪来定位直流接地点,下面将对其基本原理和使用方法展开介绍。

由上图可以看也,当负极发生对地阻抗为Rx的绝缘异常之后,A(给负载RL供电的正负电源线电流大小矢量和)处电流大小为:I=Vss/Rx。
直流接地故障测试仪即通过对系统对地电压及各支路漏电流大小进行分析,从而判断系统的绝缘状况及支路的绝缘故障点。当在接地点上方检测时,会给出绝缘故障信号;当在接地点下方检测时,给了绝缘正常信号,从而实现接地故障点的定位。
直流接地故障测试仪由“分析仪”与“探测仪”两部份组成,使用时,将直流系统绝缘分析仪电源线按标示接入被测直流系统母线的正极,负极与地线上,开启电源后,分析仪即会对直流系统的绝缘情况进行分析,并将直流系统正对地电压,负对地电压,接地阻抗等参数显示在仪器液晶屏上,如果检测到系统有绝缘异常的情况,用户可以使用探测仪进行接地点的定位。
分析仪与探测仪之间可通过无线模块进行数据通信,探测仪配有一高分辨率直流钳表,实现对被测支路漏电流大小的检测,同时,其通过无线模块读取绝缘分析仪传送的对地电压信号,通过该电压与电流值实现对被测支路绝缘阻抗的检测。

开启电源开关后,分析仪电源指示灯亮,并自动识别系统电压等级,判断系统是否存在交流串电故障,计算系统绝缘阻抗,并显示在LCD上,如果系统绝缘正常,正常指示灯亮,如果检测出系统正对地或负对地绝缘异常,则正接地或负接地告警指示灯亮。
3、将探测仪钳表钳住分析仪的地线进行自检并同步信号。
当分析仪检测到系统有绝缘故障时,将探测仪钳表钳钳住分析仪的地线,进行自检并同步信号。在没有接地的情况下,系统分析仪不会向系统发出任何信号,同时也不会向探测仪发出同步信号,探测仪无法进行接地检测。在自检时,请确保直流系统中不存在其它向直流系统发出信号的设备,如有,请退出后测试,包括在后面的查找过程中均需将存在信号源的设备退出直流系统,否则有可能对检测带来干扰。
4、自检完成后,选择探测仪功能项,用钳表钳住要测的回路(可单回路或多回路)。
5.按下探测仪“测试”按钮,检测开始。
6.根据故障点前显示绝缘故障信号,故障点后不显示绝缘故障信号实现接地点的定位。
相关推荐链接:
0人已收藏
0人已打赏
免费1人已点赞
分享
电气工程原创版块
返回版块2.2 万条内容 · 598 人订阅
阅读下一篇
自动电压调整器的原理和维护管理知识点:发电机额定转速 船舶电力网中因有些设备的频繁启停及其它负载的变化,在电站中取用的电流及功率因数大小在不停的变化,引起电网电压频繁波动,而各种电气设备必须要保持在额定电压下才能可靠运行,因此保持一定水平的电压稳定,是供电质量的重要指标之一,所以,船舶发电机均装有自动电压调整器,以使电网电压稳定在《规范》要求的范围内。
回帖成功
经验值 +10
全部回复(0 )
只看楼主 我来说两句抢沙发