★ 檁条的截面形式

★ 实腹式檁条的截面形式

● 实腹式冷弯薄壁型钢截面在工程中的应用很普遍。其中,卷边槽钢(亦称C形钢)檩条适用于屋面坡度i≤1/3的情况。
● 直边和斜卷边z形檩条适用于屋面坡度i>1/3的情况。斜卷边Z形钢存放时可叠层堆放,占地少。做成连续梁檩条时,构造上也很简单。

★ 檩条的荷载和荷载组合
● 1.2×永久荷载+1.4×max{屋面均布活荷载,雪荷载};
● 1.2×永久荷载+1.4×施工检修集中荷载换算值。
当需考虑风吸力对屋面压型钢板的受力影响时,还应进行下式的荷载组合:
● 1.0×永久荷载+1.4×风吸力荷载。
★ 檩条的内力分析
● 设置在刚架斜梁上的檩条在垂直于地面的均布荷载作用下,沿截面两个形心主轴方向都有弯矩作用,属于双向受弯构件(与一般受弯构件不同)。
● 在进行内力分析时,首先要把均布荷载分解为沿截面形心主轴方向的荷载分量qx 、qy。
● C型檩条在荷载作用下计算简图如下:

● Z型檩条在荷载作用下计算简图如下:


★ 檩条的内力计算

★ 檩条的截面验算—强度、整体稳定、变形
强度计算—按双向受弯构件计算
当屋面能阻止檩条的失稳和扭转时,可按下列强度公式验算截面:


截面1.2.3.4点正应力计算公式如下:

★ 整体稳定计算
当屋面不能阻止檩条的侧向失稳和扭转时(如采用扣合式屋面板时),应按稳定公式验算截面:

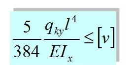
★ 变形计算
实腹式檩条应验算垂直于屋面方向的挠度。
对卷边槽形截面的两端简支檩条:

对Z形截面的两端简支檩条 :

★ 容许挠度[v]按下表取值

★ 檁条的构造要求
● 当檩条跨度大于4m时,应在檩条间跨中位置设置拉条。当檩条跨度大6m时,应在檩条跨度三分点处各设置一道拉条。
● 拉条的作用是防止檩条侧向变形和扭转并且提供x轴方向的中间支点。此中间支点的力需要传到刚度较大的构件为此,需要在屋脊或檐口处设置斜拉条和刚性撑杆。



★ 拉条和撑杆的布置
● 当风吸力超过屋面永久荷载时,横向力的指向相反。此时Z形钢檀条的斜拉条需要设置在屋脊处,而卷边槽钢檩条则需设在屋檐处。
● 因此,为了兼顾两种情况,在风荷载大的地区或是在屋檐和屋脊处都设置斜拉条,或是把横拉条和斜拉条都做成可以既承拉力又承压力的刚性杆。
● 拉条通常用圆钢做成,圆钢直径不宜小于10mm。圆钢拉条可设在距檩条上翼缘1/3腹板高度范围内。
● 当在风吸力作用下檩条下翼缘受压时,屋面宜用自攻螺钉直接与檩条连接,拉条宜设在下翼缘附近。
● 为了兼顾无风和有风两种情况,可在上、下翼缘附近交替布置。
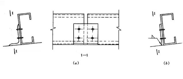
拉条、撑杆与檩条的连接见图所示,斜拉条可弯折,也可不弯折。前一种方法要求弯折的直线长度不超过15mm,后一种方法则需要通过斜垫板或角钢与檩条连接。


实腹式檩条可通过檩托与刚架斜梁连接,檩托可用角钢和钢板做成,檩条与檩托的连接螺栓不应少于2个,并沿檩条高度方向布置,见下图。设置檩托的目的是为了阻止檩条端部截面的扭转,以增强其整体稳定性。

当采用扣合式屋面板时,拉条的设置根据檩条的稳定计算确定。
刚性撑杆可采用钢管、方钢或角钢做 成,通常按压杆的刚度要求选择截面: [λ]≤200
★ 拉条的计算

拉条为檩条的平面外支承点,因此拉条所受拉力即为檩条承受的水平荷载。拉条支承处支座反力为:

拉条所需要的截面面积计算公式:

★ 檁条设计-小结
1、根据受力特点,檁条应按双向受弯构件进行内力计算和截面设计。
2、檁条在进行内力分析时,内力计算与拉条的布置有关,当布置一道或两道拉条时,在水平荷载qx作用下按两跨或三跨连续梁计算。
3.拉条布置应考虑风荷载影响,按实际受力计算拉条截面,并满足构造要求。
内容源于网络,仅作分享使用,如有侵权,请联系删除
相关资料推荐:
知识点:檩条计算总结
0人已收藏
0人已打赏
免费15人已点赞
分享
钢结构工程
返回版块46.52 万条内容 · 1209 人订阅
阅读下一篇
钢结构焊接变形与控制矫正钢结构连接普遍采用焊接,且对于一些重要焊缝一般都采用全熔透焊接。金属焊接时在局部加热、熔化过程中,加热区的金属与周边的母材温度相差很大,产生焊接过程中的瞬时应力。 冷却至原始温度后,整个接头区焊缝及近缝区的拉应力区与母材在压应力区数值达到平衡,这就产生了结构本身的焊接残余应力。 此时,在焊接应力的作用下焊接件结构发生多种形式的变形。残余应力的存在与变形的产生是相互转化的,认清变形规律,就不难从中找到防止减少和纠正变形的方法。
回帖成功
经验值 +10
全部回复(7 )
只看楼主 我来说两句-
qq_1671263294741
沙发
2022-12-18 18:56:18
赞同0
-
克里斯蒂亚刘能
板凳
2022-12-15 13:48:15
赞同0
加载更多好资料,学习了装配式建筑外墙板防水处理,多谢了
回复 举报
分析的很不错,内容详实,感谢楼主对此的分享!
回复 举报