土木在线论坛 \ 电气工程 \ 电气工程原创版块 \ 解读低压断路器的基本知识

解读低压断路器的基本知识

发布于:2022-12-06 10:26:06 来自:电气工程/电气工程原创版块 [复制转发]

知识点:额定绝缘电压

1. 低压断路器的作用 

低压断路器又称自动空气开关,在电气线路中起接通、分断和承载额定工作电流的作用,并能在线路和电动机发生过载、短路、欠电压的情况下进行可靠的保护。它的功能相当于刀开关、过电流继电器、欠电压继电器、热继电器及漏电保护器等电器部分或全部的功能总和,是低压配电网中一种重要的保护电器。常用的低压断路器有DZ、DW、DWX系列。

2.低压断路器的主要技术参数

(1)额定工作电压:断路器的额定工作电压是指与通断能力及使用种别相关的电压值,对多相电路是指相间的电压值。

(2)额定绝缘电压:断路器的额定绝缘电压是断路器的最大额定工作电压,是指设计断路器的电压值,电气间隙和爬电间隔应参照这些值而定。

(3)断路器壳架等级额定电流:断路器壳架等级额定电流用尺寸和结构相同的框架或塑料外壳中能装入的最大脱扣器额定电流表示。

(4)额定工作电流:断路器额定电流是额定持续电流,也就是脱扣器能长期通过的最大电流。例如DZ10-100/330型低压断路器壳架额定电流为100A,脱扣器额定电流等级有15A、20A、25A、30A、40A、50A、60A、80A、100A等九种。其中最大的额定电流100A与壳架等级额定电流一致。(解读空气开关的基本原理和性能

(5)额定短路分断能力:断路器在规定条件下所能分断的最大短路电流值。 

3.低压断路器的电气符号

电气文字符号为QF,图形符号如图所示

图片

4.低压断路器的型号

低压断路器型号表示含义,如图所示 

图片

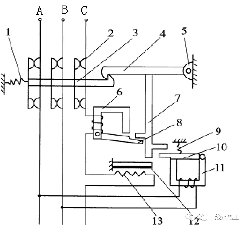
5.低压断路器工作过程图3-2-9为低压断路器的工作原理图。低压断路器主要由触点、灭弧系统、各种脱扣器和操作机构等组成。脱扣器又分电流脱扣器、热脱扣器、复式脱扣器、欠压脱扣器和分励脱扣器等5种。电路正常工作时断路器的传动杆3与锁扣4锁紧,电源通过主触点向负载供电。当电路出现短路故障时,电流脱扣器6动作使断路器跳闸。当出现过负荷,发热元件13发热严重,使双金属片12变形,断路器跳闸。当电路出现电压过低时,由9、10、11组成的欠压脱扣器动作,实现断路器跳闸。 

图片

1.DZ47-63型断路器

DZ47-63型断路器,适用于照明配电系统及电动机的配电系统。主要用于交流50Hz/60Hz,额定电压至400V,额定电流至60A的线路中起过载、短路保护作用,同时也可以在正常情况下不频繁地通断电器装置和照明线路。

图片

2.DZ47LE-63系列漏电断路器

DZ47LE-63系列漏电断路器适用于交流50 HZ额定电压380v及以下,额定电流至63A的线路中,作漏电保护之用。漏电断路器具有过载和短路保护功能,可用来保护线路的过载和短路,亦可在正常情况下作为线路的不频繁转换之用。 

图片

(3)DW15系列万能式空气断路器

DW15型低压断路器由触头系统、操作机构和脱扣器系统组成。灭弧室里采用钢纸板材料和数十片铁片作灭弧栅来加强电弧的熄灭。脱扣系统有过负荷长延时脱扣器、短路瞬时脱扣器、欠电压脱扣器和分励脱扣器等。

(4)DZ20系列塑料外壳式断路器

图3-2-13 为DZ20型塑料外壳式低压断路器实物图与剖面图。该断路器其主要由触头、操作机构、液压式电磁脱扣器、灭弧机构装置及外壳组成。适用于交流50Hz/60Hz,额定工作电压380V及以下,额定电流1250A 以下线路不频繁转换及电动机的不频繁起动之用。 

相关推荐链接:

1、电磁铁设备说明

2、磁铁与电磁铁的设计


全部回复(7 )

只看楼主 我来说两句
  • 张国鹏668
    张国鹏668 沙发

    感谢楼主分享好资料!

    2023-04-24 19:34:24

    回复 举报
    赞同0
  • 张国鹏668
    张国鹏668 板凳

    感谢楼主分享好资料!

    2023-04-24 19:33:24

    回复 举报
    赞同0
加载更多
这个家伙什么也没有留下。。。

电气工程原创版块

返回版块

2.2 万条内容 · 596 人订阅

猜你喜欢

阅读下一篇

柔性矿物绝缘电缆和刚性矿物绝缘电缆的区别

知识点:矿物绝缘电缆 柔性矿物绝缘电缆和刚性矿物绝缘电缆对比。刚性还是柔性主要还是看电缆的结构,刚性矿物电缆除了电缆本身比较僵硬外,其抗撞击能力也是非常强的,代表型号有BTTZ电缆。反正柔性矿物电缆柔韧性比较强,但它的抗撞击能力相对较差。 怎么区分矿物电缆是刚性还是柔性主要还是看型号,每根电缆上都有喷码上型号的,只要记住BTTZ类别下的都是刚性矿物电缆,其他都是柔性的(YTTW、NG-A/BTLY、BBTRZ)。

回帖成功

经验值 +10