知识点:匹配变压器
一、发送器
1. 结构:
发送器为模块化结构,内部由数字板、功放板两块集成电路板组成,外罩为黑色网罩。
底座固定在机柜内,由6块NS1模块座构成,通过机柜内的U型槽将发送器固定在底座上,并用钥匙顺时针旋紧锁闭。
发送器的实物和底座如图所示。

2. 作用
1)用于产生高精度、高稳定的18种低频信号调制的8种移频信号;
2)有输出足够功率的移频信号;
3)所产生移频信号的电平可以满足不同轨道电路的使用。
3.工作条件
1)电源。+24V 和 024V,且电压符合《维规》标准,极性正确。必须给发送器供入24V直流电,发送器得到能量才能工作;
2)载频条件。有且只有1路载频的选择,且有-Ⅰ型或-Ⅱ型的选择;
3)低频条件。有且只有1路低频的选择;
4)电平条件。发送器设立了10级输出电平,必须指明是哪一级且对电平连接端子做相应连接,发送器才能工作;
5)功出无短路。
4. 工作原理
1)检测
第一级检测,CPU1命令移频发生器产生的Fc信号回送到CPU1和CPU2进行检测、校对,正确后输出控制信号,打开控制与门, Fc到达数/模转换器。不正确不输出控制信号,Fc终止向下传输;
第二级检测,经过功率放大的Fc再回送到 CPU1和CPU2进行检测、校对,正确后输出控制信号,打开安全与门,使 FBJ吸起,信号向钢轨方向传送。不正确则安全与门关闭,FBJ落下,信号终止向钢轨方向传送,此时FS的工作由冗余FS代替;
2)转换。移频发生器产生的信号是数字信号,不能在轨道电路中传输,必须经过模拟转换;
3)功放。数/模转换器输出的信号幅值很小,仍然不能在轨道电路中传输,需要放大。

5. 底座端子名称、用途
底座上共装有6块NS1端子,共43个接线点。这些接线点分别接向机柜零层端子,用作电源引入、低频条件、载频条件、电平条件、FBJ线圈、输出等,如图所示。

F1~F18为低频控制端子,1700、2600、-1、-2为载频控制端子, 1~12为电平控制端子, S1、S2为功放输出端子, V1、V2为功放测试端子, FBJ1、FBJ2为FBJ线圈端子, +24和024为电源输入端子。

6. 输出电平的控制
发送器设计了10级电平,通过调整底座端子来改变发送器输出信号的电平等级数,从而控制输出信号的大小,底座端子和电平等级的对应如表。

7. 输出载频的控制
发送器设计了8种载频,通过底座端子接入+24V电源控制载频的输出,底座端子连接与输出载频的对应。-1代表+1.4Hz,-2代表-1.3Hz。
8. 输出低频的控制
本闭塞分区内传送低频频率为多少的信号,取决于前方闭塞分区的占用情况,亦即低频要受到前方轨道继电器条件的控制,把这种控制称为“低频编码”,对应的电路称为低频编码电路。
通过继电器条件的连接,可以输出10.3~29Hz间隔为1.1Hz的18种低频频率。发送器底座端子连接和输出低频的对应。
9. 冗余
发送器采用+1方法冗余,即车站两端上行线所有发送器设置一个发送器作为备用、车站两端下行线所有发送器设置一个发送器作为备用。
任意一个主发送器故障,由备用发送器接替工作,并报警。两个及其以上发送器故障,只能接替靠近电路“始端” 的主发送器工作,其他故障的发送器不被接替工作。发送器的冗余电路如图。

N+1”故障转换电路说明
多台设备故障时,只能倒换其中一台。所以“+1”发送盘FS,在用于区间各信号点发送盘FS故障倒换时,应按优先级别进行。优先级由工程设计时确定。一般可按先下行、后上行、先离去、后接近、再一般闭塞分区的顺序进行倒换。
由于“+1”发送盘FS随时需要“顶替”不同区段、不同信号点处的发送盘FS进行工作,同时还需满足不同区段、不同信号点对发送盘的不同要求。因此“+1”发送盘FS必须有相应的故障倒换电路来保证这些要求的实现。
“N+1”故障转换电路主要考虑三方面问题,一是发送通道的选择,即决定“+1”发送盘产生的移频信号送往哪个闭塞分区;二是编码条件选择,决定“+1”发送盘应该选用哪个区段的编码条件进行编码;三是载频选择,决定“+1”发送盘此时采用何种载频进行移频信号调制。以上三个方面的条件选择,均由故障倒换电路完成。
当某发送盘FS的发送报警继电器FBJ落下时,则通过FBJ落下接点自动将通道转接至发生故障的区段,自动接入该区段的编码条件,自动选通相应载频电路。
+1发送器接替主发送器工作时,必须做到与主发送器的“三个一致”,即低频要与主发送器一致,载频要与主发送器一致,电平要与主发送器一致通过主发送器的FBJ接点,为+1FS接通相应条件做到了三个一致。
+1FS只有在自身状态良好时才能接替故障主发送器工作,即只有在+1FBJ吸起时,+1FS才有输出。 +1FS平时工作在低频29 Hz 、载频2600 Hz 、电平5级状态下,如果+1FS平时不工作, +1FBJ落下,仍然报警。
10. 低频频率
10.3+n×1.1Hz ,n=0~17
即: 10.3 Hz、11.4 Hz、12.5 Hz、13.6 Hz、14.7 Hz、15.8 Hz、16.9 Hz、18 Hz、19.1 Hz、20.2 Hz、21.3 Hz、22.4 Hz、23.5 Hz、24.6 Hz、25.7 Hz、26.8 Hz、27.9 Hz、29 Hz。
11. 载频频率
下行:1700-1 1701.4 Hz 上行:2000-1 2001.4 Hz
1700-2 1698.7Hz 2000-2 1998.7Hz
2300-1 2301.4Hz 2600-1 2601.4Hz
2300-2 2298.7 Hz 2600-2 2598.7 Hz
频偏:±11 Hz
输出功率:105W(400Ω负载)
二、电缆模拟网络
1.作用
1)雷电防护。由于电缆敷设在室外,很容易将雷电引入到室内,所以要对电缆引入室内的雷电进行防护;
2)补偿电缆长度。同一条线路上运行的列车有正向运行和反向运行两种情况。为了在这两种情况下使机车能够连续地接收到轨道电路内传输的信号,在反向运行时要求轨道电路的发送端和接收端交换位置。
2.防雷方式
1)横向雷电防护。采用耐压为280V防护等级的压敏电阻防护,电阻具有模块化、阻燃性;
2)纵向雷电防护。采用低转移系数(隔离模式)防雷变压器防护。
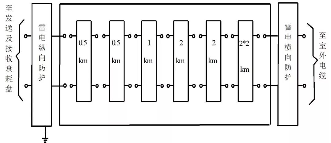
3.电路原理
1)模拟网络的每一节由两个四头电容、一个隔离变压器、两个电阻组成,相当于一个四端网络。
2)一个站防雷模拟网络由6节电路构成,这6节电路补偿的电缆长度分别为0.5km两节、1km一节、2km两节、2x2km一节、横向防雷一节、纵向防雷一节。
3)电缆模拟网络电路图。

4)模拟长度-实际电缆长度=要接入模拟的长度。
接入模拟长度由0.5km、1km、2km、4km电路节搭配接入组成。电缆模拟网路及其组匣实物如图。
相关推荐链接:
1、某市三级甲等医院五层急诊大楼电气工程设计CAD图(含网络通信和火灾报警系统)
0人已收藏
0人已打赏
免费2人已点赞
分享
电气工程原创版块
返回版块2.2 万条内容 · 598 人订阅
阅读下一篇
电炉专用变压器在铸造行业中的节电应用知识点:专用变压器 电炉变压器是专为各种电炉提供电源的变压器。工业用电炉变器大致可分为3类:电阻炉变压器、电弧炉变压器和感炉变压器。电阻炉变压器用于机械零件加热、热处理、粉冶金烧结、有色金属熔炼等的电阻炉和盐浴炉。由于发热体的电阻太小,或者在升温过程中发热体电阻的化太大,所以需要在炉子和电力网之间配备一台电阻变压器,以降低和调节电炉的输入电压。 1电阻炉变压器 用于机械零件加热、热处理、粉末冶金烧结、有色 电炉变压器金属熔炼等的电阻炉和盐浴炉。由于其发热体的电阻太小,或者在升温过程中发热体电阻的变化太大,所以需要在炉子和电力网之间配备一台电阻炉变压器,以降低和调节电炉的输入电压。小容量、低电压的电阻炉变压器与盐浴炉变压器多为干式变压器,带箱壳,自然冷却;中等容量(数百至数千伏安)的电阻炉变压器多为油浸自冷式变压器;大容量的则为强迫油循环水冷式变压器。
回帖成功
经验值 +10
全部回复(0 )
只看楼主 我来说两句抢沙发