知识点:电气滤清器
液压操动机构包括产生高压油液用的液压泵组件、储存高压油的蓄能器、用于驱动断路器动触头的驱动液压缸、用于控制的控制阀组系统四部分组成。
具体组件包括三相电机、高压柱塞泵、滤油器、油箱、液位计、空气滤清器、压力开关、压力表、合闸电磁阀、分闸电磁阀、先导二级换向阀、合闸主阀、分闸主阀、工作油缸、液压蓄能器、转换开关等。
为了减少相关部件间的配油管连接,工作液压缸以及相关的控制阀组采用集成化结构并浸没在油中,从而无外部渗漏,以保证环境的清洁和整机的可靠性。

某些断路器器的油泵启停、重合闸的闭锁和报警、断路器分合闸闭锁和报警都是通过碟簧的压缩量进行控制:

以HMB-8型液压操作机构为例,对储油器中的油位有以下规定:
①当液压操作机构在储能完成后的分闸状态下,油标中的油位不能超过可视油位中线;

②当液压操作机构在储能完成后的合闸状态下,油标中的油位不低于可视油位。

对图1、2液位进行分析得知,液压操作机构的液压油位均在合格范围内,说明开关机构内部有足够的液压油来完成断路器的分合闸。
以南瑞继保PCS-941A-G系列高压输电线路成套保护装置、北京四方CSC-161A-G数字式线路保护装置,配合一次侧结构配置专用低油压闭锁重合闸继电器为例。现场常用SF6断路器“低气压闭锁断路器合闸、分闸”,液压机构断路器“低油压闭锁重合闸”。
“低油压闭锁重合闸”继电器使用各线路保护装置操作电源,开入至保护装置。其中南瑞继保941使用操作电源正电为公共端至低油压闭锁重合闸继电器;北京四方线路保护161使用操作电源负电为公共端至低油压闭锁重合闸继电器。
1. 现场实验现象——电气回路实验
当断路器为合位,待充电完成灯点亮后,释放机构油压使得低油压继电器动作,触点闭合,在保护装置看到“低油压闭锁重合闸开入”=1后,充电完成灯灭,合闸位置灯依旧点亮;
当断路器为合位,待充电完成灯点亮后,释放机构GIS气压使得低气压继电器动作,触点闭合,在保护装置看到,充电完成灯灭,合闸位置灯灭;
当断路器为分位,释放机构GIS气压使得低气压继电器动作,触点闭合,在保护装置看到,分闸位置灯灭。
2. 现场实验现象——保护装置逻辑实验
断路器合位,充电完成灯亮,用继电保护实验仪做动保护装置,距离保护/零序保护动作后,保护跳闸灯点亮,此时在端子排后短接“低油压闭锁重合闸开入”接点和公共(重合闸时间2s),保护装置重合闸延时时间到之后照常出口,不会被该开入闭锁。
下图为南瑞继保公司PCS-941继电保护装置重合闸逻辑方框图:

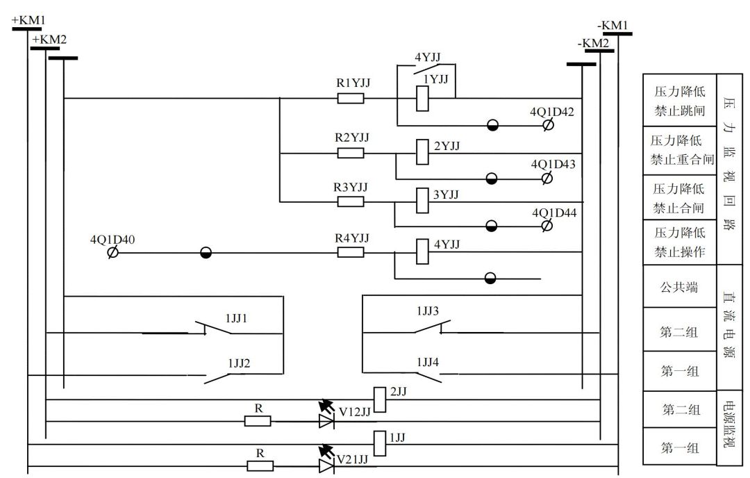
现在在220kV的电网中,为了防止保护拒动,保证满足继电保护可靠性的要求,保护进行了双重化配置,为防止由于断路器拒动而启动失灵保护使故障的影响范围扩大,220kV及以上电网中应用的断路器的跳闸操动机构、跳闸回路操作箱、操作电源也都进行了双重化配置。
可是操动机构内压力闭锁接点只有一套,现阶段只能控制一套压力闭锁继电器,也就是说虽然两套操作回路分别独立使用一组操作电源,但是压力闭锁继电器只能使用其中一组操作电源,可靠性降低。
按照“四统一”(统一的设计技术条件,统一的接线回路,统一的元件符号,统一的端子排编号)的设计原则,为了在任何一组直流电源消失时压力闭锁继电器都不失电,采用了电源切换回路,如图:

上图所示,正常时压力闭锁继电器使用第一组直流电源(第一组电源正常时1JJ是常励磁动作的,接点1JJ2、1JJ4闭合,压力闭锁继电器使用第一组直流电源),当第一组直流电源消失时,1JJ自动切换到第二组直流电源(第一组电源不正常时1JJ失磁返回,接点1JJ2、1JJ4打开,1JJ3、1JJ4接点返回闭合,压力闭锁继电器使用第二组直流电源),以保证有一路跳闸可以执行。
当断路器操动机构压力闭锁回路自身出现问题,会造成第一组直流电源故障,然后回路会自动切换到第二组直流电源为闭锁继电器供电,此时又会再次造成第二组直流电源故障失电,从而使断路器彻底失去操作电源,遇到故障开关拒动,造成事故进一步扩大。
为避免出现这种情况,闭锁回路可固定使用两组电源中的任意一组或者是对闭锁回路单独供电,但是当这一组电源故障时还是会造成1YJJ闭锁继电器失电,进而造成开关拒动。不论是用重动继电器扩充压力闭锁接点,控制两组压力闭锁继电器,还是在断路器操动机构内部进行闭锁,都有可能发生此类问题。
相关推荐链接:
1、某市三级甲等医院五层急诊大楼电气工程设计CAD图(含网络通信和火灾报警系统)
0人已收藏
0人已打赏
免费2人已点赞
分享
电气工程原创版块
返回版块2.2 万条内容 · 598 人订阅
回帖成功
经验值 +10
全部回复(0 )
只看楼主 我来说两句抢沙发