土木在线论坛 \ 建筑结构 \ 钢结构工程 \ 钢结构屋面围护结构风荷载标准值如何计算?

钢结构屋面围护结构风荷载标准值如何计算?

发布于:2022-11-29 10:35:29 来自:建筑结构/钢结构工程 [复制转发]

2021年7月15日,住建部网站发布了13本全文强制规范,自2022年1月1日起实施。各本通用规范均为强制建设规范,全部条文必须严格执行。在《通规》颁布以后,对《门规》和《荷规》各自都有什么影响?两本规范在计算屋面围护结构风荷载标准值时又有什么区别?本文从以上问题出发,对两本规范屋面围护结构风荷载标准值进行分析,为工程提供参考。

注:《门刚》即《门式刚架轻型房屋钢结构技术规范》GB51022-2015,《荷规》即《建筑结构荷载规范》GB50009-2012,《通规》即《工程结构通用规范》GB55001-2021。


《门刚》

《荷规》

计算屋面围护结构时风荷载标准值计算公式

wk=βμwμzw0

  wk=βgzμs1μzw0

对比这两个公式,区别在于阵风系数和体型系数的选取两个方面。后面内容将分为两个方面介绍:1.阵风系数;2.μs

β:系数。

(1) 《门刚》计算檩条、墙梁、屋面板和墙面板即其连接时,取1.5。计算围护结构时,脉动风相当于放大系数1.5来考虑。

(2)  《通规》4.6.52条,围护结构的风荷载放大系数应根据地形特征,脉动风特性和流场特征等因素确定,且不应小于图片将公式图片计算得到β,见表1

系数β(根据《通规》公式计算)

图片

由表1可见,通规计算所得β的均大于1.5,故当采用《门规》计算围护结构风荷载标准值时,应采用通规计算风荷载放大系数β 

βgz:高度Z处的阵风系数,围护结构通过对阵风系数的考虑来反映脉动风。表2为《荷规》计算所得的阵风系数βgz

《通规》4.6.52条,围护结构的风荷载放大系数应根据地形特征,脉动风特性和流场特征等因素确定,且不应小于图片

由于《通范》属于强条,因此我们在对围护结构风荷载计算时,必须按《通规》规定计算脉动风的增大系数,并综合考虑《荷规》的阵风系数,取最大值。

2  阵风系数βgz(《荷规》表8.6.1摘录)

图片

由表1和表2的对比可知:B类粗糙度下两者放大系数是相同的;A类粗糙度下,《通规》的放大系数较大;CD粗糙度下《荷规》放大系数的取值比《通规》取值大。

μw:风荷载系数

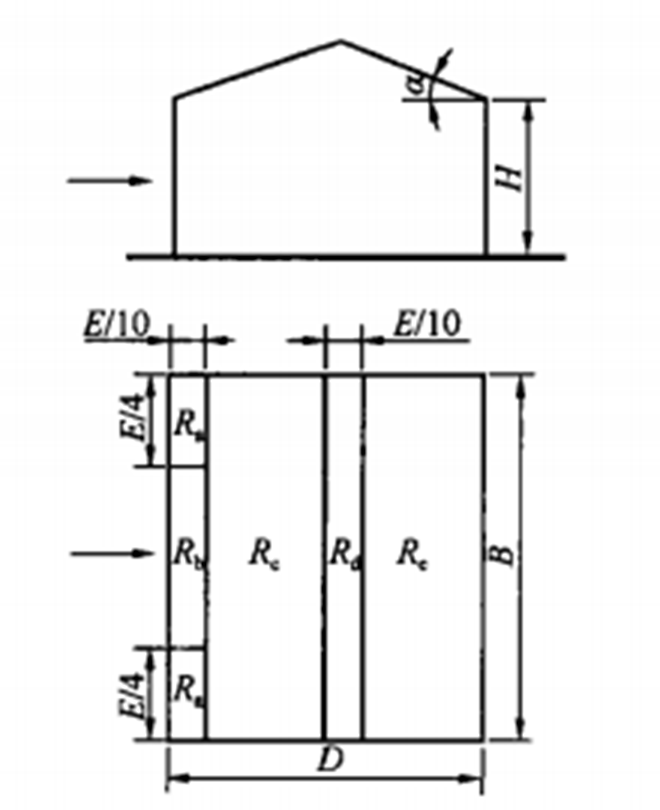
以常见的0°≤ θ  ≤10°单跨双坡屋面封闭式房屋为例。表34为双坡屋面0°≤ θ ≤10°时,风荷载体型系数,用于围护结构和屋面板。

图片

双坡屋面和挑檐风荷载系数分区(0°≤ θ  ≤10°

注:a为计算围护结构构件时房屋边缘带宽度,取房屋最小水平尺寸的10%0.4h之中较小值,但不得小于房屋最小尺寸的4%1m

3  双坡屋面风荷载系数(风吸力)

图片

双坡屋面风荷载系数(风压力)

图片

以双坡屋面风荷载系数(风吸力)为例,计算得到风荷载系数表5

风荷载系数(风吸力)

图片

风荷载系数(风压力)

图片

注:A为有效风荷载面积(m2)。

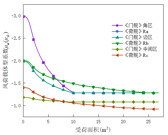
图片

各区域下风荷载体型系数随受荷面积变化曲线

将表5及表8中的风荷载体型系数(风吸力)整理并绘制出图3。由于《荷规》中RaRbRc区域与《门规》中角区,边区、中间区近似一致,故将其进行对比分析。对于角区(Ra)来说,当受荷面积<6.5m2时,《门规》的风荷载体型系数大于《荷规》,反之,《荷规》风荷载体型系数更大。对于边区(Rb)来说,《荷规》风荷载体型系数大于《门规》。对于中间区(Rc)来说,当受荷面积<8m2时,《荷规》风荷载体型系数大于《门规》,反之,《门规》风荷载体型系数更大。

μs1:风荷载局部体型系数

以封闭式矩形平面房屋的双坡屋面为例。

图片

封闭式矩形平面房屋的双坡屋面

风荷载系数分区

注:E应取2H和迎风宽度B中较小者

7  封闭式矩形平面房屋的双坡屋面

风荷载局部体型系数

图片

《荷规》8.3.4条,计算非直接承受风荷载的围护构件(如檩条等)风荷载时,局部体型系数μs1可按构件的从属面积折减,折减系数按下列规定采用:

1. 当从属面积不大于1m2时,折减系数取1.0

2. 当从属面积大于或属于25m2时,对墙面的折减系数取0.8,对局部体型系数绝对值大于1.0的屋面区域折减系数取0.6,对其他屋面区域折减系数取1.0

3. 当从属面积大于1m2小于25m2时,墙面和绝对值大于1.0的屋面体型系数可采用对数插值,即按下式计算局部体型系数:

图片

《荷规》 8.3.5条,计算围护结构风荷载时,建筑物内部压力的局部体型系数可按下列规定采用:

1. 封闭式建筑物,按其外表面风压的正负情况取-0.20.2

整理出坡度 α≤5°时封闭式矩形平面房屋的双坡屋面风荷载局部体型系数μs1见表8

风荷载局部体型系数μs1

图片

各区风压力均为+0.2


总结上述结论

1. 通规计算所得β的均大于1.5,故当采用《门规》计算围护结构风荷载标准值时,应采用通规计算风荷载放大系数β。

2. B类粗糙度下《门规》与《荷规》两者放大系数均相同的;A类粗糙度下,《通规》的放大系数较大;C,D粗糙度下《荷规》放大系数的取值比《通规》取值大。

3. 当地面粗糙度类别为B类,坡度α≤5°时封闭式矩形平面房屋的双坡屋面(风吸),对于角区(Ra)来说,当受荷面积<6.5㎡时,选取《门规》计算风荷载标准值更为不利,反之,选取《荷规》计算更为不利。对于边区(Rb)来说,选取《荷规》更为不利。对于中间区(Rc)来说,当受荷面积<8㎡时,选取《荷规》计算风荷载标准值更不利,反之,选取《门规》计算不利。

内容源于网络,仅作分享使用,如有侵权,请联系删除 

相关资料推荐:

15米拉森钢板桩基坑围护结构图非常标准cad图纸设计

建筑结构荷载规范2012版--风荷载标准值计算

知识点:钢结构屋面围护结构风荷载标准值

全部回复(0 )

只看楼主 我来说两句抢沙发
这个家伙什么也没有留下。。。

钢结构工程

返回版块

46.53 万条内容 · 1214 人订阅

猜你喜欢

阅读下一篇

自流平地面设计荷载取值

求教各位大神,一般在做结构设计时,建筑采用的自流平地面做法,恒荷载值一般取多少?自流平自重不大,输少了又担心冗余度不够。。。。。。

回帖成功

经验值 +10