知识点:交流电阻率
电机串电阻启动,也就是 降压启动的 一种方法,在 启动过程中。在定子绕组电路中。串联电阻,当启动电流通过时,就在电阻上产生电压降,减少了加在定子绕组上面的电压。以减少启动电流的 目的!

串电阻调速原理一般是 用在先绕式异步电动机。上面的 此法是 在线饶式电动机转子电路中通过滑环串接一只可变电阻器,增加转子电阻式转子电流减小,电动机的 转矩也随之下降,同时也产生反转矩,(反转矩是由机械作用在 电机轴,电机风阻。和摩擦所产生的 )当反转矩等于转矩时,电动机电机便以某以转数稳定运行。当电机转矩大于反转矩是,电动机则加速。当转矩小于反转矩时电机则减速,既转差率增大,转数下降,转矩又增大直到于反转矩平衡为止,此时的 电机便以较前为低的转数运行。所以在串接不同的 电阻,既改变了转差率从而达到了调速的 目的。
一、转子绕线式电动机串电阻调速的原理
就是在转子回路串接电阻,启动时通过控制器或接触器逐步切除电阻,到最高档时电阻完全切除,也就是说在四档时,三组电刷被接触器触头短接,当然也就不会有电压了,此时转速最快.电阻一般为星形不平衡接法。
检修时用钳型电流表测量转子三相电流,电流有无,平衡否,大小.以此可判断转子是否断路,电刷,电阻,接触器是否正常。
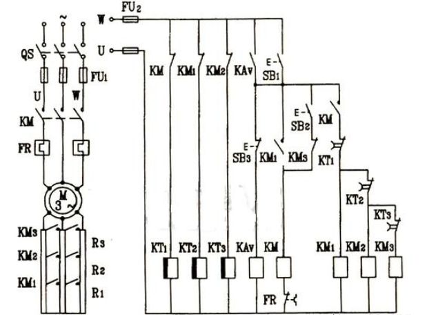
为了限制启动电流并提高启动转矩,线绕转子异步电动机的启动可在转子电路中串接几级启动电阻或串入频敏电阻器。本文将讲述在三相绕线式电动机转子电路中串联电阻的启动控制电路,其线路图如下图所示。
工作原理是:合上电源开关QS后,时间继电器KT1、KT2余KT3接通,它们的延时闭合的常闭触点立即断开,使KM1,KM2,KM3暂时不会接通,以便电动机定子绕组加上额定电压启动时,转子电路中串接有启动电阻RI、R2与R3以限制启动电流并提高起动转矩。

启动时,首先按下按钮SB1,接通欠电压继电器KAV,它的动合触点闭合,当电源电压严重降低或电路突然失电时,KAV的动合触点断开对电动机起保护作用,然后按下按钮SB2,接通线路接触器KM,电动机定子绕组加上额定电压启动。KM在控制电路里的动断辅助触点断开,时间继电器KT1断电,它的延时闭合的常闭触点等一段时间闭合,接触器KM1接通,切除电动机转子电路串接的启动电阻R1。这时,电动机在转子电路里只有启动电阻R2与R3的人为特性上运行,继续加速. 接触器KM1接通以后,它的动断触点断开,使时间继电器KT2断电,它的延时闭合的常闭触点等一段时间闭合,接通接触器KM2,又将电动机转子里的启动电阻R2切除了,电动机在只有电阻R3的人为特性上运行,继续加速。接触器KM2接通以后,它的常闭触点断开,时间继电器KT3断电,它的延时闭合的常闭触点等一段时间闭合,使接触器KM3接通,将启动电阻R3切除。至此,电动机转子电路无外加电阻,运行于自然特性上。启动过程到此结束。
二、转子绕线式电动机在起重行业的串阻启动
起重机上一般使用的是转子绕线式电动机,在起动时需要把转子绕组上串联电阻,该串联电阻的作用是提高转子绕组的电阻,使起动转矩(尽量)等于电动机的最大电磁转矩,从而提高电动机的起动转矩。与降压起动无关。
某其中行车大车串电阻器启动接线图

三、单相异步电机定子串电阻调速电阻选择
1、案例
现手边有一台额定功率370W,额定电压:220V,额定电压的单相异步电机一台,现准备在定子上串接1调速变阻器,用于降压启动与调速。有没有哪位知道该变阻器的阻值选择范围与功率大小。谢谢。PS:我们就是要用串阻调速,别的调速方式就不要说了,谢谢。
2、解决方法
电机功率370W,正常电压下的额定工作电流约为1.68A,如果设定从160V启动,启动电阻为第一档电阻,空载时启动电流以2倍额定电流,则启动电阻阻值为160/1.68*2=47.6Ω,以后若以每10v为一级换挡,则共6档,则每档电阻为47.6/6=8Ω,依次串联,直到第六档额定电压,末档阻值为0。如果是带负载,则启动电流以4倍计算,启动电阻为160/1.68*4=23.8Ω,每级电阻为23.8/6=4Ω,依次串联,直到末档。
相关推荐链接:
0人已收藏
0人已打赏
免费1人已点赞
分享
电气工程原创版块
返回版块2.2 万条内容 · 598 人订阅
阅读下一篇
常见埋地管道外检测技术原理及应用范围知识点:交流电位梯度法 管道是大量输送石油、气体等能源的的主要方式,在化工中应用十分广泛。像所有的工程设备一样,管道也可能发生故障。在管道的制造、敷设及运行等各个阶段都可能产生缺陷,及时检测管道缺陷可以降低管道的维护成本。 (一)密间隔电位法(CIPS) 密间隔电位法(CIPS)用于检测埋地钢制管线阴极保护有效水平。
回帖成功
经验值 +10
全部回复(1 )
只看楼主 我来说两句 抢板凳感谢前辈分享学习资料,学习路上正是缺少学习方向
回复 举报