土木在线论坛 \ 电气工程 \ 电气工程原创版块 \ 低压熔断器对交直流变流器的保护分析

低压熔断器对交直流变流器的保护分析

发布于:2022-11-22 15:58:22 来自:电气工程/电气工程原创版块 [复制转发]

知识点:交流/直流变流器

变流器需要的保护

PART/  01

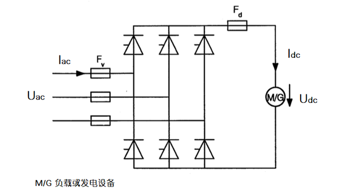
如图1所示在一个变流设备 (如整流器、逆变器及变频设备等)中,通常由几个电力电子元件。理想的保护设备应保证符合下述条件: 一旦半导体设备发生故障,宜尽快分断电路,防止其他设备受到损害(经验显示,在这方面半导体由于短路发生故障并引起较大的电流)。对设备内其他故障,宜在对半导体设备造成损害之前断开电路。在对半导体设备造成损害之前宜切断可能造成损害的过电流。

图片

 图1 变流器的基本结构




半导体保护用熔断器

PART/  02

符合GB/T13539.4(IEC60269-4)《低压熔断器 半导体设备保护用熔断体的补充要求》标准的半导体保护用熔断器,通过对熔体狭径的设计可在规定的电流下,有能力比其他保护电器动作更快。同时通过对熄弧填料的选择和研磨加工,可在灭弧时最大限度的降低分断过电压。所以半导体熔断器的动作,不仅可以迅速分断故障电流也不宜造成施加在任何半导体设备上不可接受的过电压。总之对于半导体熔断器应满足以下要求:

——快速;

——过流允通能量小;

——载流容量大;

——功耗低;

——开断电压适中。  


GB/T13539.4(IEC60269-4)《低压熔断器 半导体设备保护用熔断体的补充要求》在分断范围的基础上,定义了R、S两类针对半导体设备特点的使用类别:

——R型较S型相比:动作更快,过流允通能量i2t更小;

——S型较R型相比:具有较低的耗散功率。


图2所示了符合GB/T13539.4标准的R、S型半导体保护熔断器与符合GB/T13539.2标准的G型线路保护熔断器对于半导体设备的保护对比, 从中可以看出R型熔断器半导体熔断器比S型熔断器更能对半导体设备进行保护,而S型熔断器比G型熔断器在兼顾线路保护的同时可完成半导体设备的保护。

图片

图2 熔断器对半导体设备保护分析    


在设备故障的情况下,流过半导体器件的故障电流必须在造成器件破坏之前被中断。为了实现这一点,熔断器的故障电流允通能量i2t必须小于被保护半导体的可以承受的极限值。运行允通能量值(运行i2t:在弧前时间和燃弧时间内能量的总和),取决于恢复电压。对应曲线由熔断器制造商提供(如图3所示)。

图片

图3 3NE熔断器开关电压及运行允通能量变化与恢复电压


在熔断器运行过程中出现的开断电压不允许超过半导体PN结的承受电压。根据制造商的数据,当恢复电压低于熔断器的额定电压时,也可以降低开关电压(熔断器工作电压)。工作电流以及可能的故障电流和恢复电压取决于熔断器安装在变流电路中的位置以及工作模式。




半导体保护用熔断器的选用

PART/  03

GB/T13539.4(IEC60269-4)《低压熔断器 半导体设备保护用熔断体的补充要求》和GB/T13539.5(IEC60269-5)《低压熔断器应用指南》引用了IEC 60146-6《采用熔断器保护半导体转换器免受过电流影响的应用指南》有关变流器保护的要求。

图片


熔断器的保护范围

当今各类变流器为保证发挥最大的功能,均有一定的耐受过载能力,相关产品标准也做了明确要求,以光伏逆变器产品标准NB/T32004-2018《光伏并网逆变器技术规范》为例, 要求逆变器本身根据其容量大小,具有2倍额定电流下2-10秒的过电流耐受能力,同时自身也具有过载保护能力。因此GB/T13539.4(IEC60269-4)半导体保护用熔断器标准要求了a类部分范围和g类全范围保护两类保护范围的熔断器的性能要求。

——a类熔断器主要用作具有过流保护功能变流器的短路保护或后备保护;

——g类熔断器则用于变流器系统的过载及短路的全范围过电流保护。

图4 所示了两类熔断器的过电流保护曲线,其中虚线部分不在熔断器保护动作范围内,从中可以清楚的看出其保护差异。

图片

图4. 部分保护范围与全保护范围熔断器时间-电流曲线


图片


变流器系统保护

g类全范围半导体保护熔断器不仅可以对变流器内的电力电子元件提供保护,也能够对兼顾对变流器相关线路进行过电流保护。GB/T13539.4(IEC60269-4)半导体保护用熔断器标准定义了gR和gS型两种半导体保护熔断器,图5是标准要求的两种熔断器的约定时间和约定电流值,从中可以看出两种熔断器的1.6In约定动作电流值可以实现对电力电子元件的保护,而gS型半导体保护熔断器的1.25In约定不动作电流值可在对电力电子元件保护的同时,也可以最大限度的发挥变流器系统中配电线路的供电能力。

图片

 图5. “gR”和“gS”型熔断体的约定时间和约定电流


图片


熔断器安装位置与保护能力

无论是AC/DC转换器还是DC/DC转换器,转换器的进出线端均可以设置熔断器保护,GB/T13539.4(IEC60269-4)标准定义的半导体保护用熔断器在额定工作电压和分断能力内均可以对变流器进行保护,GB/T13539.4(IEC60269-4)标准也定义了直流条件下的电气参数试验方法,有关熔断器在直流应用我们另文讨论。考虑到配电系统的安全变流器前后端均可设置过电流保护,如本文中图1所示的交流侧熔断器Fv和直流侧熔断器Fd,但变流器前后端的熔断器间不能实现在短路条件下的选择性保护配合。


全部回复(0 )

只看楼主 我来说两句抢沙发
这个家伙什么也没有留下。。。

电气工程原创版块

返回版块

2.2 万条内容 · 596 人订阅

猜你喜欢

阅读下一篇

七个直流转换模块电源的关键点

知识点:直流转换模块 七个直流转换模块电源的关键点 导读 由于模块电源便于安装,其结构优点颇多,因此在移动通讯与交换设备等领域常能看到与模块电源有关的设计,由此可见模块电源的应用非常广泛。在本文中,小编将从DC-DC模块电源开发者的角度为大家介绍如何为设计选择一款合适的DC-DC模块电源。

回帖成功

经验值 +10