知识点:直流式系统
一、 直流系统的作用
1. 直流系统在变电站中为控制、信号、保护、自动装置及事故照明等提供可靠的直流电源。它还为操作提供可靠的操作电源。直流系统的可靠与否,对变电站的安全运行起着至关重要的作用,是变电站安全运行的保证。
2. 在生产设备发生故障的关键时刻,直流系统故障,特别是全站控制直流消失,必将造成主设备严重损坏或火灾、爆炸、电力系统大面积停电等极其严重的后果和巨大经济损失。
二、 直流系统构成的主要部件
1. 蓄电池、充电机、直流母线、绝缘监察装置、馈出负荷。
2. 直流系统示意图:
3. 组成一个不可分割的整体。若把蓄电池比喻成身体的心脏,直流回路就是身体中的血管,直流负载是身体的肌肉,而充电装置就是身体的脾脏,它担负这生血和造血的功能
4. 直流系统的相关技术措施
i. 变电站的交流、直流回路不能公用一条电缆:原因交直流系统是互相独立的直流系统绝缘系统而交流是接地系统,两者公用一条电缆,若两者一旦发生短路会造成直流接地,同时影响两个系统。交流传入直流后果不堪设想,华北电网就发生类似事故。造成大面积停电事故。同时公用电缆会干扰。
ii. 变电站直流系统应使用专用的直流熔断器。用交流熔断器的直流灭弧性能差
iii. 高压开关柜、开关机构箱内的照明和加热器不能使用直流电源
iv. 事故照明使用蓄电池时应限制事故照明的容量和使用时间。
1. 阀控密封铅酸蓄电池的特点(本讲义主要讲解该种蓄电池,以下简称蓄电池)
1) 常采贫液式设计(也有胶体式,但使用不多),在正负极板之间预留有气体通道,电池充电过程中,正极上产生的氧气通过隔板顺利到达负极,与负极活性物质反应并还原成水,从而实现了气体再化合;同时板栅的设计,抑制了氢气的析出,达到基本不失水的目的。在电池的整个使用寿命期间,不用加酸加水
2) 电池气密和液密好,使用过程中无酸雾溢出,不腐蚀设备
3) 正常浮充使用寿命10年
4) 自放电小
5) 结构紧凑
6) 安全阀:内部气压超过预定值时,安全阀自动开启,释放气体,内部气压降低后安全阀自动闭合,同时防止外部空气进入蓄电池内部

2. 蓄电池的作用
充电装置与与蓄电池并联工作,蓄电池的外特性较平坦,蓄电池的内阻比充电装置小,再通过大电流时,大部分电流由蓄电池承担,充电装置在由平时很小的输出电流突然需要输出几十乃至几百安的大电流时,相当于是个短路过程,一般充电装置都设有限流保护装置。此外蓄电池在交流电源失去,充电机停止工作后,仍能为保护装置、监控系统等最重要的直流负荷提供电源,保证这些设备的正常工作。
3. 蓄电池浮充电运行
充电装置并接蓄电池带直流负载。正常运行时充电装置在承担经常性负荷的同时向蓄电池补充充电,以补充蓄电池的自放电,使蓄电池组以满容量的状态处于备用。
4. 蓄电池型号:

5. 蓄电池的几个概念
1) 蓄电池的额定容量:制造厂规定的条件下,蓄电池能保证的最低容量。一般指蓄电池充足电时以10h放电率放电的容量。用C10表示。常见的如400A.h
2) 蓄电池的容量:放电电流与放电小时的乘积,容量Cn=It单位A.h简称安时。
3) 蓄电池的终止电压:蓄电池出现过放电时,不致造成极板损坏所规定的放电最低极限电压值。一般为1.8V(单体2V电池,10小时放电率时)(手机电池的终止电压)
4) 蓄电池的自放电:蓄电池内部极板短路,外部正负极柱绝缘不良等,造成的容量损失。(笔记本电池如何保护)

6. 阀控蓄电池的运行要求
1) 阀控蓄电池在运行中电压偏差值及放电终止电压值应符合(表)的规定
2) 蓄电池室应严禁烟火,应有良好的通风采暖设施,避免日光照射,采用防爆灯具
3) 应定期测试蓄电池的单体电压值,使用经效验合格的四位半数字式电压表。允许使用检测合格的自动监测装置测量蓄电池单体电压,并作为检测的依据。
4) 应定期检查蓄电池外壳、极柱周围,有无漏液痕迹。
5) 应定期对蓄电池组作外壳清洁工作。
6) 蓄电池的运行温度宜保持在5~30℃,推荐使用温度为25℃。温度过高使蓄电池容量严重下降,运行寿命缩短。
7) 运行中主要监视蓄电池组的端电压值,浮充电流值,每只蓄电池的电压值,蓄电池组及直流母线的对地电阻值和绝缘状态。
8) 选择合适的浮充电压主要目的是为了使电池达到理想的使用寿命和额定容量,如果浮充电压过高,电池的浮充电流随之增大,引起板栅腐蚀速度加快,此外过充电,蓄电池内部生成气体,内部压力增大,气体从安全阀排出,造成电解液减少或干枯,水分过量损耗使用寿命提前;浮充电压过低,电池不能维持在完全荷电状态,易导致不可逆硫酸盐化,容量降低,缩短电池的使用寿命。
9) 大容量的阀控蓄电池一般安装在专用蓄电池室内。
10) 200Ah及以下的阀控蓄电池,可安装在电池柜内。电池柜内应装设温度计。电池柜体结构应有良好的通风、散热。
11) 变电站直流控制母线的标称电压为110V、 220V。运行时电压变化范围为标称电压的95%~110%。正常浮充运行时,直流控制母线电压宜按上限调整。
7. 蓄电池个数的选择:
按正常浮充运行时保证直流母线电压为直流系统额定电压的105%计算。
阀控蓄电池额定电压的选择:
1) 常见的有单体2V和12V两种。
2) 2V蓄电池的优点是电池设计寿命长并且可靠性高,损坏1~2节可将其
1) 常见的有单体2V和12V两种。
2) 2V蓄电池的优点是电池设计寿命长并且可靠性高,损坏1~2节可将其短接,不会对系统电压有大的影响,缺点是造价较高、维护量大、占地面积大。
3) 12V蓄电池的优点是每组仅18块(220V系统),维护、更换都比较方便,造价比相同容量的2V电池低、结构紧凑、占地面积小,缺点是损坏1~2节对系统电压影响较大,不能短接,一般需更换
8. 均衡充电
1) 均衡充电的定义:为补偿蓄电池在使用过程中产生的电压不均衡现象,使其恢复到规定的范围内而进行的充电。
2) 阀控密封铅酸蓄电池不进行定期均衡充电(如充电电源无法彻底取消该功能时,将均衡充电周期设定为最长)。
3) 充电装置不具备自动均衡充电功能时,当出现以下情况,应进行均衡充电:
a) 电池由于失去浮充,造成蓄电池放电,放出容量超过电池容量的20%及以上;
b) 当普测电池时,发现有1/10的电池电压超出浮充电压正常范围。
4) 阀控密封式铅酸蓄电池均衡充电的方法:采用应采用恒压限流进行充电,限流值为I10,限压值N×(2.30~2.33)V,自动或手动转为恒压充电;厂家使用说明书有规定时,按厂家说明书进行,但直流控制母线最高电压不得超过110%标称电压。
9. 阀控蓄电池的核对性放电(一般由专业检修人员进行)
浮充电运行方式下,从每一只电池的电压,无法判断蓄电池的现有容量,内部是否失水或干裂,只有通过核对性放电才能找出电池存在的问题,确定电池的现有容量。也就是说以规定的电流恒流放电,只要一个单体电池达到规定的终止电压,就停止放电,按放电电流与放电时间的积来确定电池的实际容量
1) 一组阀控蓄电池(以单体2V电池说明放电过程)
变电所中只有一组电池,不能退出运行,也不能作全核对性放电,只能用I10 电流,恒流放出额定容量的50%,在放电过程蓄电池组端电压不得低于2V N ,放电后应立即充电
2) 两组蓄电池
变电所中若具有两组阀控蓄电池,将其中一组阀控蓄电池组退出运行,进行全核对性放电,用I10电流,恒流放电,当蓄电池组端电压下降到1.8V N 时,停止放电,隔1~2 h 后充电
3) 该组电池实放容量低于额定容量的80%,则认为该电池组寿命终止。
10. 阀控蓄电池的充电程序(一般由专业检修人员进行)
根据蓄电池不同种类, 确定不同的充电率进行恒流充电,蓄电池组端电压达到某一整定值时,微机将控制充电装置自动转为恒压充电,当充电电流逐渐减小到某一整定值时,微机将控制充电装置自动转为浮充电运行
1) 阀控蓄电池的充电(以单体2V电池说明充电过程)
a) 恒流限压充电:采用 I10电流进行恒流充电,当蓄电池组端电压上升到2.30~2.35 V N 限压值时,自动或手动转为恒压充电
b) 恒压充电:在 2.30~2.35 V N 的恒压充电下,I10 充电电流逐渐减小,当充电电流减小至0.1 I10电流时,充电装置的倒计时开始起动,当整定的倒计时结束时,充电装置将自动或手动地转为正常的浮充电运行,浮充电压值宜控制为2.23~2.28 V N
2) 阀控蓄电池核对性放电周期
a) 新安装或大修后的阀控蓄电池组,应进行全核对性放电试验
b) 以后每隔2~3 年进行一次核对性试验
c) 运行了6 年以后的阀控蓄电池,应每年作一次核对性放电试验
四、 充电装置:
1. 相控充电装置:
缺点是接线复杂、自动稳压功能不好、稳压精度低,再老站还有使用
2. 高频开关模块型充电装置(现大量使用)
1) 工作原理:交流电源接入整流模块,经滤波及三相全波整流器后变成直流,再接入高频逆变回路,将直流转换为高频交流,最后经高频变压器、整流桥、滤波器后输出平稳直流
2) 优点:体积小,效率高,充电机的主要参数,稳压精度、稳流精度、纹波系数、功率因数、噪音、智能程度、供电可靠性等技术指标高。
3. 高频开关电源

4. 模块数量的确定:
1) 充电装置由若干个模块并联组成,模块一般按N+1配置,即充电模块运行在冗余状态,模块的总数不宜少于3块,
2) 如:某站单只模块额定电流10A:安装400AH蓄电池组,按10小时充电率最大需要40A充电电流,站内经常性负荷不大于20A,取20A计算,加一块冗余,这样就是40÷10+20÷10+1=7块,7个模块同时工作,如母线上直流负荷14A,则每个模块平均电流为2A。
3) 当充电机负荷达到50%以上时,各个开关电源模块负荷差值应不超过5%
变电站充电装置的交流电源应来自站用电系统的不同母线,并加装交流电源自投装置。1#充电装置1#交流电源故障,2#交流电源自投,当2#交流电源恢复后,自动恢复到1#交流电源工作。2#充电装置同理。

5. 微机集中监控器
1) 负责对直流系统各单元(如电压电流采集单元、充电模块、绝缘监测、电池巡检等)运行状态与数据的采集、显示;
2) 系统单元运行参数的设置,并控制各单元的正常运行;
3) 接收监控机发送来的命令及参数,并将系统运行状态及参数发送给监控机
6. 高频开关电源模块故障:
当其中一个模块故障,装置发出告警信号,这时负荷由另外6个承担,不影响正常供电,可将故障模块更换。
五、 绝缘监察装置
1. 直流系统微机型绝缘监测仪,能够监测直流母线和各支路的对地绝缘状况,某支路发生接地时发出直流接地信号。当直流母线上同时装有常规绝缘监察装置和微机绝缘监察装置时,宜投入微机型绝缘监察装置;
2. 当直流系统绝缘良好时,正、负对地电压接近110V;
3. 当某极绝缘下降时,另外一极的对地电压应升高;如达到定值时,绝缘检查装置将发出“直流接地”信号,此时应立即查找原因并及时处理;
4. 当发现两极的对地电压都升高,说明此时直流系统两极对地绝缘同时下降,运行人员应立即查找原因并及时处理;
5. 支路接地的检测方法:
1) 交流法(浙江星炬公司的WZJ)
各分支回路的绝缘监测,是用一低频信号源作为发送器,通过两隔直耦合电容向直流系统正、负母线发送交流信号,一交流CT同时套在各回路的正、负出线上。由于通过互感器的直流分量大小相等,方向相反,它产生的磁场相互抵消,而通过发送器发送至正负母线的交流信号电压幅值相等,方向相同。这样,在互感器二次侧就可反应出正、负极对地绝缘电阻和分布电容的泄漏电流向量和,然后取出阻性分量,经微机处理后数字显示接地支路。如果直流系统存在多点非金属性接地,启动信号源,该装置可将所有接地支路找出。如果这些接地点中存在一个或一个以上的金属性接地;该装置只能寻找距该装置最近的一条金属性接地支路。

2) 直流法:(奥特讯,泰坦)
采用直流有源CT,不需注入交流信号。当出现接地时,直流CT将直流漏电流变换为0~5V或4~20mA的电信号
六、 直流系统接地对运行的危害及处理
1. 直流系统发生一点接地时,由于没有形成短路回路,并不影响用电设备的正常运行。但如果在直流系统发生一点接地后,若在同一极或在另一极又发生另一点接地,即构成两点接地,其危害如下:
1) 两点接地可能造成断路器跳闸
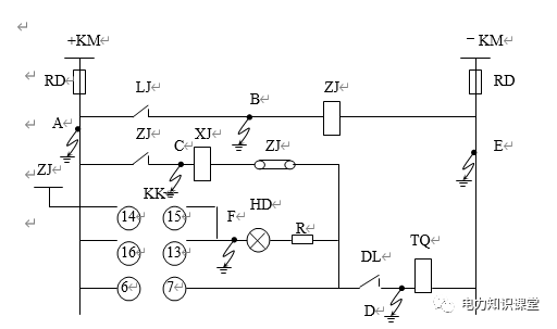
如图所示,当直流接地发生在A、B两点时,将电流继电器触点短接,而将出口中间继电器ZJ启动,ZJ触点闭合而跳闸。A、C两点接地时短接ZJ触点而跳闸。在A、D两点,D、F两点两点接地同样都能造成断路器跳闸。

2) 两点接地可能造成断路器拒动
接地放生在B、E两点、D、E两点或C、E两点断路器可能拒动。
3) 两点接地可能引起熔丝熔断
当直流接地发生在A、E两点,引起熔丝熔断。
4) 当直流接地发生在B、E两点和C、E两点,保护动作时,不但断路器拒动,而且引起熔丝熔断,同时有烧毁继电器触电的可能。
2. 直流系统一点接地时的处理
1) 正常情况下,直流系统绝缘应良好,不允许直流系统在接地的情况下长期运行。直流系统发生一点接地时,应首先确定是正极接地,还是负极接地;是完全接地还是绝缘电阻降低。然后再根据运行方式、操作情况、气候影响以及以前经验判断可能的接地处所和造成接地的原因,系统中若装有直流接地选线装置的,可依据选线结果,直接进行查找。
2) 检查装置没有正确显示时,应分析可能造成接地的原因,并按如下原则查找:
a) 先找有工作的回路和近期工作过的回路,后找其它回路;
b) 先找事故照明、信号回路、充电装置回路、蓄电池组(两组蓄电池的变电站),后找其它回路;
c) 先找主合闸回路,后找控制回路、保护回路;
d) 先找室外设备,后找室内设备;
e) 先找10kV、35kV、66 kV回路,后找110kV、220kV、500kV回路;
f) 先找简单回路,后找复杂回路;
g) 先找一般路,后找重要路。
h) 使用拉路法进行查找直流接地时,至少应由两人进行,控制回路、保护回路断开直流时间不得超过3S。
i) 查找直流接地,停用保护时间超过3S时,应征得调度同意后进行,保护停用时间应尽量短,运行人员只查至保护屏端子排处,防止保护误动。
j) 查找和处理直流接地时工作人员应戴线手套,穿长袖工作服,应使用内阻大于2000Ω/V的高内阻电压表,工具应绝缘良好。防止在查找和处理直流接地时造成新的接地。
七、 直流系统的接线方式
1. 直流母线为单母线
单组蓄电池和充电装置接到同一母线上,母线上只装设一套绝缘监察装置和电压表,接线简单,可靠性低。在110kV及以下变电站有采用。

2. 单母线分段接线
充电装置和蓄电池接入同一母线,正常分段开关在合闸状态,蓄电池和充电机并联运行,可靠性较高,当蓄电池退出运行时,此时充电装置继续运行,但充电机不能带冲击性负荷运行;当充电机退出运行时,由蓄电池继续对负荷供电,此时蓄电池得不到浮充,处于放电状态,时间长了也不允许。其特点是接线简单,可靠性差。在110kV及以下变电站有采用。

3. 单母线分段(一组蓄电池,两台充电装置)
蓄电池经两个空气开关分别接到两段母线上两套充电装置接在不同母线上,充电装置停电时均保障母线上有充电装置和蓄电池,两段母线共用一套绝缘监察装置,充电装置可以单套退出运行,供电可靠性较高,但蓄电池退出运行时,此时充电装置继续运行,但充电机不能带冲击性负荷运行,用在110kV及以下变电站。

4. 单母线分段(两组蓄电池,三套充电装置)
1) 220kV及以上变电站或重要的110kV变电站直流系统常采用两组蓄电池、三台充电机的方案简称(2+3方式)该充电机一般是相控型充电装置,也有变电站采用高频开关电源。
2) 每组蓄电池和充电机应分别接于一段直流母线上,第三台充电装置(备用充电装置)可在两段母线之间切换,任一工作充电装置退出运行时,手动投入第三台充电装置。
3) 分段开关正常断开,两段母线分裂运行,重要负荷有两段母线分别供电任何一段母线停电均不会使负荷停电,每段母线均有绝缘监察装置和电压监视装置。

5. 单母线分段(两组蓄电池,两套充电装置)
高频开关电源,现在广泛使用,220kV及以上变电站或重要的110kV变电站直流系统,也常采用如下接线方式(简称2+2方式)

八、 直流系统的倒闸操作:
1. 电池因工作需要停运时,应按以下步骤执行:(以一组电池为例)
1) 检查两套直流系统绝缘状况应良好。
2) 检查两套直流系统蓄电池总电压差应小于10V
3) 合上母线联络闸
4) 退出一段馈出母线绝缘监察装置
5) 拉开一段充电装置输出开关
6) 拉开一段充电装置交流输入开关。
7) 拉开一组蓄电池总闸
2. 操作体现的原则:
1) 装有两组蓄电池的变电站,正常两组蓄电池应分列运行,两组蓄电池不应长期并列运行。
2) 分列运行的两条直流母线并列前,应检查两条母线的电压基本一致;
3) 直流系统运行时,负荷不能脱离蓄电池组;蓄电池组退运,充电装置也要退运。
4) 两条直流母线并列后,应将其中一套直流绝缘监察装置退运。
1. 辐射型的优点是接线简单、可靠,易于查找接地故障;
2. 220kV及以上电压等级的变电站还采用分电屏。一般110kV及以上按电压等级及主变压器设置分电屏,主要供给控制、保护回路,可以简化接线,节约电缆。
3. 环形供电是从两段母线上引出电缆在适当的地方用刀开关分段。当网络中一点发生故障时,可以将故障分开,迅速查出故障,及时消除,同时不影响其他供电设备的继续工作。
1. 直流回路不得使用交流空气断路器,这是由于交流电弧与直流电弧具有不同的灭弧机理,决定了交流和直流真空断路器的灭弧室具有根本的差异,交流空气断路器不具备熄灭直流短路电弧的能力。
2. 交直流两用断路器也应慎重选用
3. 空气断路器与熔断器混合保护的级差配合比较困难,由于无时限的空气断路器的脱扣速度基本不变,而熔断器的动作具有反时限特性,电流越大,动作速度就越短。无论空气断路器安装在熔断器之前或之后,总在某些短路电流值范围内会出现失去动作选择性。因此,应尽量避免这种组合保护方式。
4. 同一条支路上直流熔断器或自动空气断路器不应混合使用,尤其不能在自动空气断路器之前再使用熔断器。防止在回路故障时失去动作选择性。
相关推荐链接:
0人已收藏
0人已打赏
免费5人已点赞
分享
电气工程原创版块
返回版块2.2 万条内容 · 598 人订阅
阅读下一篇
长直流母排如何布局电机模块知识点:直流排 1 根据额定功率排布驱动器的位置 从机械和电气角度上看,按照驱动器功率大小的顺序排布是最简便有效的方法。例如按照功率大小在电源左侧或者右侧递减即可。这种情况下电机模块功率最大的直接紧挨着电源,功率最小的电机模块远离电源。下图就是举例装机装柜型电机模块以及书本型电机模块分布,在装机装柜型整流单元的右侧,电机功率逐渐递减。
回帖成功
经验值 +10
全部回复(0 )
只看楼主 我来说两句抢沙发