知识点:供配电管理
3.1 变配电系统的框架绘制
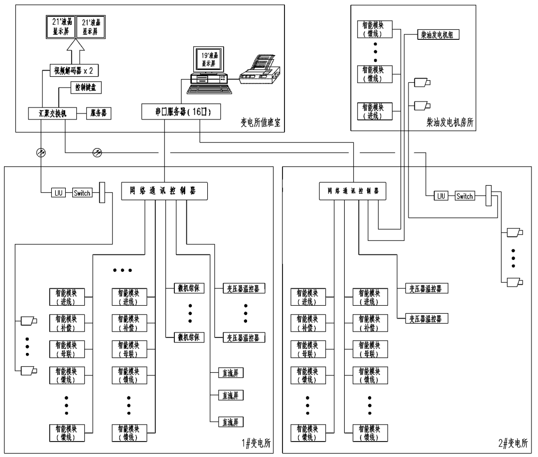
建筑物内的变配电系统由高压配电系统、低压配电系统及应急柴油机发电系统组成,包含高压柜、高压断路器、保护和测量装置、变压器、低压柜、无功补偿、低压断路器、联络开关、柴油发电机组、互感器、测量仪表等元器件,实现了电能在建筑物内的合理分配与供应,并保证了整个系统安全可靠的运行。由于变配电系统元器件众多,实现功能复杂,现对该系统功能及供电关系进行梳理,绘制出变配电系统框图,同时也可利用视频监控系统作为配电管理系统的辅助手段,如图1示意。

图1 变配电系统框图
3.2 高压配电系统
高压配电系统一般由供电部门完成,使用单位多以监测为主。由综合继电保护完成,保护设定由供电局取值。
3.3 变压器
变压器是智能配电系统中十分重要的装置,其负载率不仅与负荷调配有关,还与变压器的损耗、寿命关系密切。通过监测变压器的低压侧电流掌握变压器的负荷率曲线;通过变压器温控器数据掌握变压器的运行温度曲线,确定变压器正常情况下的最佳负荷率,以及极端情况下的允许负荷率;通过变压器的运行温度曲线估算变压器的老化率,确定变压器的寿命。
3.4 低压配电
(1)通过智能仪表、智能开关、智能模块等智能终端实现数据采集和监控。
(2)对各级(进线、联络、配出)配电开关进行管理,即回路的数据采集功能、开关的保护功能及状态功能、配电回路的监测功能及远端控制功能,采集的数据与通过预先设置的初始值比对,实现对开关的有效控制。
(3)集中无功补偿部分:包括电容投切容量、投切时间、 功率因数、 集中补偿柜的进线开关的管理等。
(4)集中谐波治理部分:包括谐波次数、谐波量及前后对比等。
(5)各类型建筑负荷等级分析,重点将变配电室各回路的负荷按负荷等级、负荷性质、负荷类别、所属功能区分别进行标识,统计出各类负荷等级、各类负荷性质、各类别负荷、各功能区负荷的容量,实现对负荷的统计和管理。
3.5 柴油发电机组
启动条件、启动时间、电压、电流、频率及运行负荷,统计消防负荷和平时重要负荷的容量,为提高更多负荷供电的可靠性创造条件。
4.1 变压器的有效利用
(1)笔者调研发现,一般办公建筑正常情况下的负荷率不超过30%,文化、体育类建筑的负荷率更低。但由于缺乏大量的数据支撑、没有方便查询的统一管理平台,设计人员难有第一手资料,若仅凭经验来估算变压器的装机容量,即使有详细的计算过程,由于需要系数、同期系数的不同取值,也是差别很大。
(2)变压器的有效利用涉及到变压器的节能运行、生命周期、温升变化、极限运行、低压侧的电压变化等诸多因素。从现有的调研结果来看,变压器的装机容量普遍偏高,尤其是较为重要的建筑,其变压器的负荷率更小,一方面是末端负荷冗余量偏大,另一方面是一、二级负荷比重大,需要考虑一台变压器或一路高压故障情况下,另一台变压器有能力负担所有的一、二级负荷。如何合理选择变压器容量,使变压器的容量得到有效的利用(避免变压器平时负荷率低至20%~30%),需要设计阶段全面考虑各类负荷的搭配,充分利用错峰运行的负荷、季节性负荷、间歇性负荷、不同重要性负荷的特点,最大化的有效利用变压器。
1)掌握变压器运行容量,可以有效控制负荷容量的增减,优化其维护时间段,对于季节性调配负荷,可以考虑停歇处理,减少空载损耗。
2)充分利用变压器的冗余容量,当变压器一台故障时,另一台也可带载一些三级负荷。
3)当负荷率较低时,利用变压器满载可长期运行特点,通过智能管理平台统计结果,当一台变压器故障且另一台变压器允许带载全部负荷时,投切时不用卸载,保障了所有负荷供电的连续性。
4)在满足最佳节能效果的情况下,充分利用变压器的有效负载,最大化的提高变压器的利用率,有利于降低建筑物单位面积的装机容量。
5)在合理的温升范围内,最大化的提高变压器的利用率,不至于一味提高变压器的负载率而降低其使用寿命。
6)变压器的负荷变化对电压偏差的影响会随着季节变化,可适时调整变压器分接点的位置。
4.2 低压配电负荷的调配
4.2.1 调配的意义
(1)在变配电系统的设计阶段,根据用电负荷的负荷等级,采取不同的供电方法,以对其供电可靠性、安全性、连续性进行保障。
(2)在计算变压器容量时,并非按照所有用电设备的额定容量相加选取变压器,而是使用设备的计算容量。根据平时和一、二级负荷总量来分别算出计算负荷容量的最大值,以最大值作为选取变压器容量的依据。
(3)变压器容量有限,为了使变压器工作在合适工况下,减少维护成本,在遇到变压器检修、火灾以及一路停电等非正常状态时,通常采取切除不重要负荷的方法,避免变压器长时间超载运行,保证重要负荷的供电可靠性。
(4)在遇到一路市电停电或者检修时,可通过联络母线,将一组变压器所带的负荷切换至一台变压器供电。若实时用电负荷超过一台变压器的负载能力,则应该切除部分不重要负荷,保证其余重要负荷供电。这种情况下通常是按负荷等级的高 低,先切除全部三级负荷,再考虑切除二级负荷。
(5)当一台变压器运行时,若供电缺口不大,只需切除少部分用电负荷就能满足变压器安全运行的条件时,就需要对用电负荷按照重要性进行排 序,依次切除更不重要的用电负荷,减少建筑物内的停电范围。在确定出各用电负荷负荷等级的基 础上,根据停电对建筑物内使用人的影响,对用电负荷进行重要性的排序,如建筑立面照明、屋顶亮化照明等装饰性用电负荷可优先切除,建筑内房间、走廊、楼梯间照明等用电负荷应优先保证。
4.2.2 调配的措施
(1)每个配电回路设定一个预估的电流运行曲线,高限报警、低限闪烁。即实际电流高于计算电流的15%时报警,低于设定值的50%时闪烁。
(2)设定各馈出开关按稳定负荷(长期(一年)运行数据) 自适应整定值。 当小于整定时自动调小;当大于整定值时,提出整定值调增建议、更换电缆或拆分负荷,增加回路。
(3)每个回路实际运行的电流曲线与预估曲线对比,形成年或季节经验电流曲线。
(4)整个母线段的一、二级负荷总值设定一个电流运行曲线。
(5)整个母线段的三级负荷总值设定一个电流运行曲线。
(6)变压器温升与负荷率的对应曲线(考虑环境温度的影响);设置环境温度、变压器内线圈温度的显示功能,设定环境温度不大于40℃ ,高于报警。
(7)变压器损耗(最佳经济运行、可将各类变压器额定损耗列表)与负荷率的对应曲线。
4.3 建筑柔性用电技术
4.3.1 柔性用电负荷的重要性
低碳发展成为全球共识,低碳发展必将推动能源系统需求侧的电气化,预计终端电气化率将由25%增至68%。民用建筑中涉及到照明、供热、空调、炊事、电动汽车充电等各个领域,利用电器设备的功率调节能力,通过有效管理建筑中的柔性用电负荷,采取转移用电负荷(削峰填谷)、削减用电负荷(调频、调压),改变建筑的负荷运行规律,大型用电设备有计划地采用报备制工作等技术或管理,既能满足建筑用户的使用需求,又能提高供电的可靠性和经济性。
4.3.2 柔性用电的主要内容
通过智能配电系统建立一套用电负荷管理系统平台,实现建筑内部设备的灵活控制以及建筑与电网的通讯互动。一方面可以为电网提供灵活性,保障电网的可靠供电,并在不断完善的峰谷电价、电力市场、需求响应等政策支持下获得经济收益;另一方面也可以促进建筑光伏的就地高效利用。
(1)照明系统:用电高峰时调节室内照明方式,必要时也可降低照度等级,进而降低照明负荷。
(2)空调系统:通过控制空调启停、改变变频空调的压缩机频率、切换中央空调末端风盘的风速档位、或者放开室内温度的控制精度,短暂地改变空调用电负荷,包括新风机组在保证室内CO2浓度在合理范围内时也具有相似的调节能力。此外,在特殊情况或者用户允许的情况下,利用建筑良好的围护结构体系,放宽室内环境温度的控制精度(如适当提升室内温度),使空调系统具有更大的调节能力。
(3)冷热源系统:通过配置蓄冷水箱、蓄热水箱,将冷热源的电力供应在更长的时间尺度下转移电力负荷,利用夜间谷电蓄冷(热),削减白天高峰时段的用电负荷。
(4)电动汽车充电:通过有序充电技术,避开用电高峰而选择在用电低谷阶段充电,在保障电力安全的同时还可以让用户享受低电价。通过双向充放电技术,电动汽车还可以在保证用车需求的基础上,利用富余的电池容量来为电网储存过剩电力或反向输出电力,充当可移动的储电池设备。
(5)蓄电池储能:接入建筑配电网的蓄电池一方面可以作为建筑或者设备的备用电源,在电力供给故障时为建筑或者设备提供短暂的电力供给;另一方面,结合峰谷电价或电力市场价格蓄电池还可以在低电价时段储存电力,在高电价时段释放电力,从而来实现削峰填谷。特别适用于太阳能光伏系统的运用。
(6)厨房类设备:洗衣机、洗碗机、电热等智能设备,在非急用的情况下,可以延迟启动从而避开用电高峰。
(7)工艺类大用电设备:有些实验室等用电设 备容量大,可以通过报备制方式提前有序安排适用 时段。
(1)管理要素:资料调取、设备建档、能效管理、负荷调配、应急预案、报表打印、信息上传等。
(2)管理目标:由分散管理向集中管理转变;由人工记录管理向集中统一平台管理转变;建立规范的运维保障管理流程,使管理实际化、针对化,提高用电质量,改善用电环境;应用先进、适用、高效的管理平台,使管理更加主动,岗位职责更加清晰。
(3)运维管理的构建思想:基于工程竣工资料,在运行过程中积累实际运行状况统计,形成与用户接近的数据统计资料,针对用户对项目的用电、用能管理需求,构建一套吻合的用电安全、用电保障、用电统计、机电设备管理的展示平台。
(4)运维管理方法:包括资料录入、规章制度建立、主要设备档案的建立、主要设备维修改造档案的建立、变电所运行记录、主要设备运行记录等。
智能配电管理系统涉及系统构架、硬件设备选择和软件的编制,需要在设计阶段有一个很好的统筹,绝不是简单的硬件升级,也不是一个软件编制就能解决的系统工程,需要通过建设方、使用方、施工方和设计方的通力合作,完成智能配电的系统构建。智能配电系统和运维管理仍处于探索、总结、完善、提高的阶段,需要行业同仁一起为之努力。
相关推荐链接:
0人已收藏
0人已打赏
免费2人已点赞
分享
电气工程原创版块
返回版块2.2 万条内容 · 598 人订阅
阅读下一篇
大型住院楼供配电系统设计要点与难点知识点:房屋供配电设施 >>> 摘 要 随着各种医疗建筑也在各个城市不断增加,在医疗建筑电气设计时,尤其是三甲综合医院大型住院楼电气设计时由于科室多、功能复杂,对与电气设计人员是个极大的挑战。本文主要剖析大型住院楼供配电系统的设计要点和难点,以期给相关人员参考示范。
回帖成功
经验值 +10
全部回复(0 )
只看楼主 我来说两句抢沙发