“一体化施工”是将各专业的设计施工融合为一体、统筹规划,以提高施工区域内各生产要素的运行效率,达到资源的有效配置和利用,直接体现了项目管理水平及工程质量水平的高低。
一
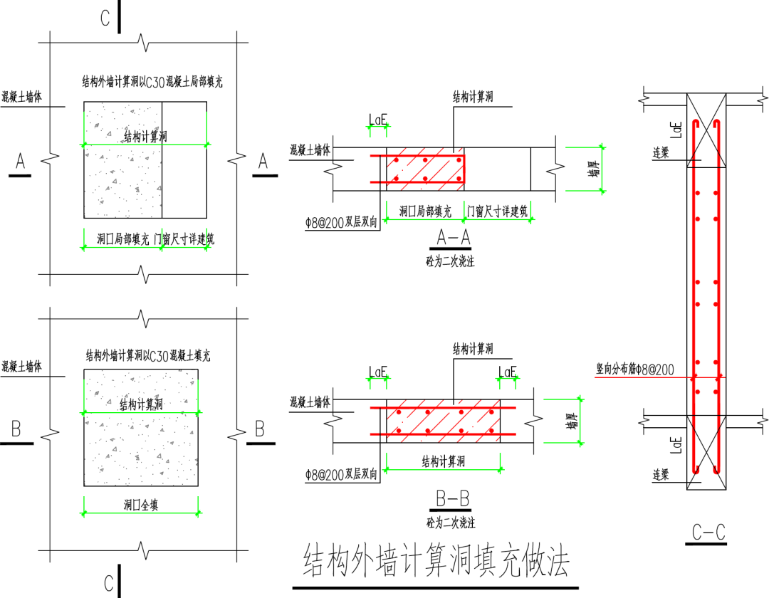
水电安装与结构融合



二
设备与结构图纸融合
三
施工措施与结构融合
四
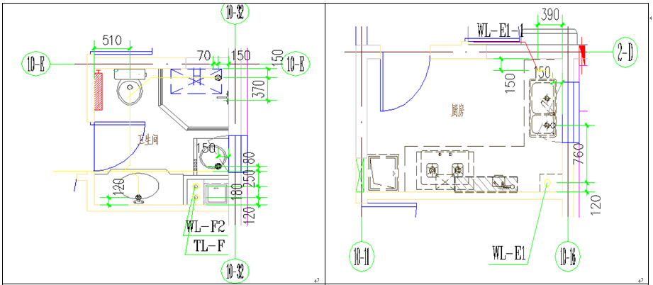
建筑与结构图纸融合

内容源于网络,仅作分享使用,如有侵权,请联系删除
相关资料推荐:
知识点:一体化施工
0人已收藏
0人已打赏
免费4人已点赞
分享
结构施工图
返回版块57.56 万条内容 · 1092 人订阅
回帖成功
经验值 +10
全部回复(1 )
只看楼主 我来说两句 抢板凳路过路过,版主加油!
回复 举报