
一、定位轴线
1、作用
定位轴线是施工中墙身砌筑、柱梁浇筑、构件安装等定位、放线的依据。
规定:主要承重构件,应绘制水平和竖向定位轴线,并编注轴线号;对非承重墙或次要承重构件,编写附加定位轴线。
2、定位轴线的编号
1)横向定位轴线编号用阿拉伯数字,自左向右顺序编写;
2)纵向轴线编号用拉丁字母(除I、O、Z),自下而上顺序编写。
平面图上定位轴线的编号,宜标注在图样的下方与左侧。在两轴线之间,有的需要用附加轴线表示,附加轴线用分数编号。
3)对于详图上的轴线编号,若该详图同时适用多根定位轴线,则应同时注明各有关轴线的编号,如下图所示。


二、索引符号与详图符号
1)详细表示某些重要局部,需要另绘制其详图进行表达。
2)对需用详图表达部分应标注索引符号,并在所绘详图处标注详图符号。

三、标高符号
标高是标注建筑物高度方向的一种尺寸形式,以米为单位。
绝对标高:以青岛附近黄海平均海平面为零点测出的高度尺寸,它仅使用在建筑总平面图中。
相对标高: 以建筑物底层室内地面为零点测出的高度尺寸。
建筑标高: 指楼地面、屋面等装修完成后构件的表面的标高。如楼面、台阶顶面等标高。
结构标高: 指结构构件未经装修的表面的标高。如圈梁底面、梁顶面等标高。

四、引出线

五、其他符号
1、连接符号:
对于较长的构件,当其长度方向的形状相同或按一定规律变化时,可断开绘制,断开处应用连接符号表示。
连接符号为折断线(细实线),并用大写拉丁字母表示连接编号。

2、折断符号
1)直线折断:当图形采用直线折断时,其折断符号为折断线,它经过被折断的图面。
2)曲线折断:对圆形构件的图形折断,其折断符号为曲线。

3、对称符号
当房屋施工图的图形完全对称时,可只画该图形的一半,并画出对称符号,以节省图纸篇幅。

4、指北针
在总平面图及底层建筑平面图上,一般都画有指北针,以指明建筑物的朝向。

5、风向频率玫瑰图
用来表示该地区常年的风向频率和房屋的朝向。
风的吹向是指从外吹向中心。实线范围表示全年风向频率,虚线范围表示夏季风向频率。


6、坡度
在施工图中对倾斜部分的标注,通常用坡度(斜度)来表示,当坡度方向不明显时,在坡度的数字下面应加注坡度符号,坡度符号一般指向下坡方向。
1)坡度较大时采用
2)坡度一般时采用
3)坡度平坦且坡度方向不明显时采用
4)道路及路面的坡度标志
5)管道的坡度标志

六、常用图例符号
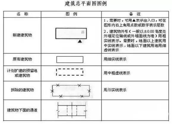
1、建筑总平面图图例



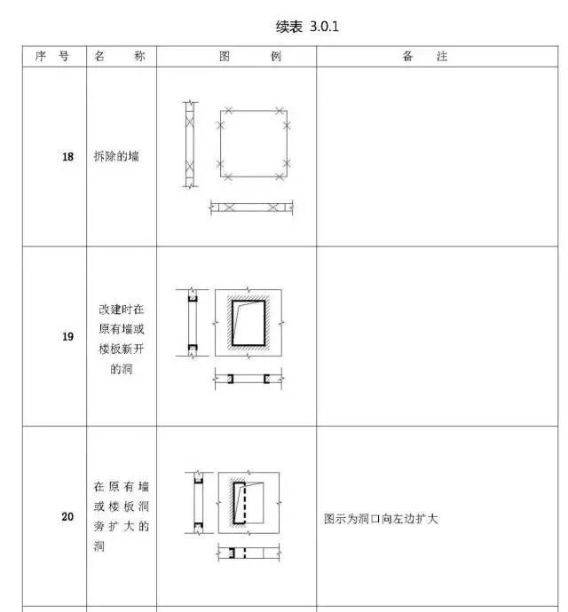
2、常用构造及配件图例




























3、水平垂直运输装置图例




4、常用建筑材料图例


内容源于网络,仅作分享使用,如有侵权,请联系删除
相关资料推荐:
知识点:图纸常用符号
0人已收藏
0人已打赏
免费4人已点赞
分享
结构施工图
返回版块57.56 万条内容 · 1092 人订阅
阅读下一篇
结构施工图应该这样看,宝贵经验!1 结构施工图的识读要领 在阅读结构施工图前,必须先阅读建筑施工图,由此,建立起建筑物的轮廓,并且在识读结构施工图期间,还应反复查核对结构与建筑对同一部位的表示,这样才能准确地理解结构图中所表示的内容。 识读结构施工图也是一个由浅入深,由粗到细的渐进过程。结构施工图用粗线条表示要突出的重点内容,为了使图面清晰常常利用代号代表所表示的构件和做法。
回帖成功
经验值 +10
全部回复(0 )
只看楼主 我来说两句抢沙发