土木在线论坛 \ 建筑结构 \ 结构资料库 \ 独基的最小配筋是如何计算的?

独基的最小配筋是如何计算的?

发布于:2022-11-04 13:39:04 来自:建筑结构/结构资料库 [复制转发]
    柱下独立基础是一种常见的基础形式,传力简单、直接,也是大家最常用到的。在设计柱下独立基础的时候,很多工程师在送审时被图审质疑阶形和锥形独基配筋不满足最小配筋率0.15%的要求,如下图所示:600厚独基,乍一看最小构造配筋面积应该是9,是不是这样呢?大家知道独基的最小配筋是如何计算的吗?


图片
      下面给大家一一道来:
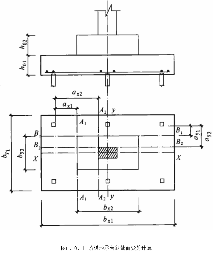
      首先,肯定是要满足计算配筋,由柱边和变阶处弯矩根据地规8.2.12条As=M/(0.9fy*ho)算得。地震组合会考虑抗震承载力调整,根据混规11.1.6 条,抗震调整系数γRE取0.75,As=M*γRE/(0.9fy*ho)算得独基每延米的配筋。另外,还要满足构造,8.2.12条规定:“对于阶形或锥形基础截面,可将其截面折算成矩形截面,截面的折算宽度和截面的有效高度,按附录U计算”。折算方法如下:
图片
图片
图片
     其次,大家可能会有疑问,这个折算都是折算的水平长度,截面高度并没有折,是不是意味着整个基础底面还是要按最大的截面高度算最小配筋率呢?不是这样的。地基规范8.2.11条条文说明:“考虑到独立基础的高度一般是由冲切或剪切承载力控制,基础板相对较厚,如果用其计算最小配筋量可能导致底板用钢量不必要的增加,因此本规范提出对阶形以及锥形独立基础,可将其截面折算成矩形,其折算截面的宽度b0及截面有效高度h0按本规范附录U确定,并按最小配筋率0.15%计算基础底板的最小配筋量”。可以看出是要用折算后的截面来算出总的配筋,然后平摊到基底每延米的。
      如下图所示,按“As=M/(0.9fy*ho)”计算,x向配筋为1481.3mm2,分摊到独基底部,每延米配筋面积为:1481.3 / 2.2=673.3 mm2。按构造要求计算,等效矩形截面积为:1776×(850+50)=1598400 mm2,最小配筋面积为:1598400×0.15%=2397.6 mm2,分摊到独基底部,每延米配筋面积为:2397.6 / 2.2=1089.8 mm2。二者取大,配筋面积为1089.8 mm2/m,配筋率为0.15%。计算书中配筋面积为1090.1 mm2/m,稍有差距。原因是程序计算时b0不严格等于1776,而计算书中只显示到mm精度。
图片
结论:
1)阶形或锥形独立基础,可将其截面按地规附录U折算成矩形截面并按最小配筋率0.15%计算基础底板的最小构造配筋量;
软件设计结果给出的数值是折算后的截面算出总的配筋然后平摊到基底每延米得到的构造配筋面积和计算配筋面积取大的结果。


内容源于网络,仅作分享使用,如有侵权,请联系删除 

相关资料推荐:

某二级公路盖板涵钢筋配筋(斜交板涵)

各类雨、污水检查井大样图及结构配筋图

知识点:独基的最小配筋计算

  • lhy54008
    lhy54008 沙发

    受教。很多时候不深究,软件生成什么就是什么。

    2022-11-04 16:39:04

    回复 举报
    赞同0
这个家伙什么也没有留下。。。

结构资料库

返回版块

41.29 万条内容 · 424 人订阅

猜你喜欢

阅读下一篇

结构力学中虚功原理的本质理解!

结构设计工作的核心任务是对建筑结构体系的正确分析,分析需依托结构力学 要想将结构力学学好,重中之重就是掌握虚功原理,而对于虚功原理许多人都存在一定的疑问,书本上对于此定理的解释比较复杂,造成很多人还是没有真正的理解。我今天将用简单的推理过程,给书本上的虚功原理做补充, 书本的释义解释为F和没有相互关联,两者相乘即为虚功,只是引出了概念而已,没有更深层次的探讨此公式的意义和内在关联。

回帖成功

经验值 +10