土木在线论坛 \ 建筑结构 \ 结构施工图 \ 设计师必须掌握的楼梯构造设计

设计师必须掌握的楼梯构造设计

发布于:2022-11-04 13:34:04 来自:建筑结构/结构施工图 [复制转发]

今天咱们来聊聊关于楼梯踏步的构造做法,主要解决以下问题:


1、常见的楼梯材质都有哪些结构形式?

2、如何理解楼梯踏步的通用节点构造?

01

楼梯构造解析

在分析楼梯细部构造之前,咱们先要了解楼梯在建筑中是怎样的系统。

图片
图片

1. 楼梯的构成主要分为3大部分:梯段、楼梯平台、中间平台。主体部分是梯段,包括结构支撑体、护栏、扶手和踏步等。



图片

2.在建筑中,楼梯是最主要的竖向和逃生通道,具备交通疏散和增强建筑框架结构的抗震性。在一些室内,楼梯还兼具装饰作用,比如苹果店的玻璃楼梯、华尔道夫的旋转楼梯等等。


图片

3. 但需要注意的是,由于消防原因,室内空间中旋转楼梯不建议作为疏散楼梯来使用的。


图片

▲混凝土楼梯,钢架楼梯


图片

▲实木踏步楼梯,玻璃楼梯


图片

4. 从形式来说,国内最为主流的楼梯形式仍是以混凝土楼梯为主,钢结构楼梯为辅,像木质楼梯则多数用在家装空间中,而玻璃和其他材质的楼梯因其本身的设计性,在使用场景中就更少见了。


图片

5. 楼梯设计兼顾着结构和功能需求,所以不能天马行空的随意设计,一定要遵循建筑信息和国标规范。


虽然大部分的楼梯是由建筑设计方来完成的,是有些设计当中还需要设计师来完善或加建楼梯,这个时候就需要计算楼板的荷载和楼梯的结构,由专业技术人员来完成。


所以,在设计楼梯的时候,室内设计师更多的是专注于“功能”和“美观”,专业的结构设计师则是专注于“安全”,分工合作更为妥帖。


对楼梯构件有了认识后,咱们来开始聊聊楼梯踏步的节点构造,咱们继续往下看。

02

楼梯踏步的节点构造

图片
图片


图示中的石材、瓷砖、地毯、水磨石、木饰面是室内最常见的5种楼梯踏步饰面材料。接下来,咱们在满足设计规范的需求下,给大家分析下应该如何理解这些常规的楼梯踏步的节点?

 

楼梯作为连接建筑上、下层的主要交通构造,其饰面材料表面的耐磨性、防滑性以及耐污性,都有着比较高的要求。基于使用特性,绝大多数情况下,空间中的楼梯踏步材料主要以石材和瓷砖为主。

图片
图片

▲楼梯踏步的通用节点


咱们还是一样运用“骨肉皮模型”来分析该节点的表现形式,上图所示,楼梯节点的“肉”基本都是通过水泥砂浆粘接层或者结构胶粘接层来连接“骨”和“皮”。


基于这种公式化思维,你只需要记住几种常见的“骨”和“皮”的形式,就可顺利破解所有形式楼梯形式的节点构造了。


下面咱们来分析下最常见的“混凝土”和“钢结构”的骨料,它们是怎么与不同的饰面材料进行连接的?

03

混凝土“骨”料解析

这里讲的混凝土骨料是钢筋混凝土楼梯基体,主要有2种安装方式:现浇式和装配式。


图片
图片
图片


现浇式混凝土骨料是直接在施工现场进行支模,配筋,安装踏步阳角角钢,安装踏步模板,最后一次性浇筑成型的施工方式;国内95%以上的建筑项目中是用这种做法。


图片


② 装配式的楼梯踏步是直接将混凝土踏步板搁置在墙上,是时下比较火的装配式建筑的概念,但目前在国内的楼梯市场上的占有率还是很少,这一点设计师作为了解即可。


接下来,咱们利用「骨肉皮」原理,分析不同饰面在混凝土基层上的踏步标准节点图。

图片
图片

▲木质楼梯踏步


图片
图片

▲地毯饰面楼梯踏步

04

钢结构“骨”料解析

图片


钢结构“骨料”是指用铸钢构造、型钢等钢材根据楼梯形式焊接而成的楼梯结构形式。需要注意的是钢架楼梯的施工必须由专业楼梯深化出具结构的荷载计算书和专业的图纸,施工由独立的厂家负责。我们作为室内设计师只需要知道构造即可,专业的事情交给专业厂家。

 

钢结构楼梯踏步的节点图与混凝土楼梯结构有一定的差别,但是基本上大同小异,下面是主流的饰面材料的钢结构踏步的节点构造,你同样可以用「骨肉皮」的原理,看看钢结构楼梯踏步的底层规律是怎么的?

图片
图片

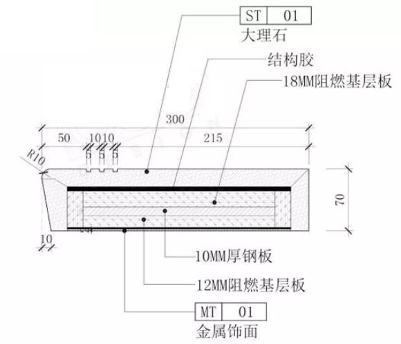
▲石材钢结构踏步节点图


图片
图片

▲木饰面钢结构踏步节点图


图片
图片

▲地毯钢结构踏步节点图


以上的结构节点图的形式虽然差不多,但是还是有必要提醒你一点:


若在钢结构的楼梯踏步板上做饰面时,牵涉到采用水泥砂浆找平时,则非常容易出现“空鼓”或“开裂”的现象;


这一点很容易理解,你可以想象一下,钢架构本身相对于混凝土而言,就是比较有弹性的材料,在这上面贴了石材后,石材下面的水泥砂浆凝固后就是一个钢性的材料。当石材踏步受较大的力后,则必然导致钢架会发生形变,造成找平层开裂和空鼓。


图片

▲钢结构楼板胶粘石材的节点


所以,在钢板上贴石材或者涉及到找平层时,则建议采用采用木板打底,然后胶粘石材的方式来进行施工


小结


好了,今天的内容到这了,咱们来总结下一下:

 

图片

内容源于网络,仅作分享使用,如有侵权,请联系删除 

相关资料推荐:

某护墙板楼梯详细建筑构造设计详图

某住宅楼钢楼梯设计节点构造详图纸

知识点:楼梯构造设计

全部回复(0 )

只看楼主 我来说两句抢沙发
这个家伙什么也没有留下。。。

结构施工图

返回版块

57.56 万条内容 · 1092 人订阅

猜你喜欢

阅读下一篇

二次结构施工如何做?全流程实例解读!

二次结构施工流程 基层验收→墙体弹线→植筋→构造柱钢筋→拌制砂浆→砌筑底标准砖→腰梁下砌砖→腰梁浇筑→砌筑腰梁上部墙→构造柱浇筑→15天后塞缝

回帖成功

经验值 +10