知识点:可控硅整流管
整流器是把交流电转换成直流电的装置,整流器的主要应用是把交流电源转为直流电源, 由于很多的电气设备都需要使用直流,但电力公司的供电是交流,因此除非使用电池,否则电气设备的电源供应器内部都少不了整流器。
可控硅整流器作为常用的整流设备,广泛应用在离子膜烧碱电解、有色金属电解、电解水制氢、电解稀土、电解氟化氢制氯气、电解海水制次氯酸钠、电解盐水制次氯酸钠、电镀、阳极氧化、电泳、电抛光、充电、直流电弧炉加热、晶体加热、核电实验等领域,广泛应用在国民经济的各行各业中。
那么可控硅整流器是如何实现交流变直流,即整流及实现输出电压调节的呢?
一、二极管整流电路
整流(rectification circuit)是利用二极管的单向导电性,把交流电转换成脉动直流电的过程。常见的整流电路有半波、全波、桥式和倍压整流等几种形式。
我们先以二极管为例讲述整流原理:
桥式整流电路(bridge rectifier):由四个二极管接成电桥形式,故称桥式整流。
在变压器副边电压的正半周,D1、D3导通,D2、D4截止,电流i1方向如红色箭头所示。在电压的负半周时,电流i2方向如蓝色箭头所示。

在交流电压u2的一个周期内,二极管D1、D3和D2、D4轮流导通和截止,在负载RL上就得到了一个单方向的全波脉动电压和电流。这一过程即实现了交流变直流,即整流。
二、何为可控硅?
可控硅也叫晶体闸流管,简称晶闸管(thyristor),是一种可控的单向导电开关,能用作强电控制的大功率半导体器件,由于它能在弱电信号的作用下,可靠地控制强电系统的各种电路,所以使半导体电子技术的应用由弱电领域扩展到强电领域。可控硅能通大电流,有耐高压、反应快、控制特性好、体积小、重量轻、使用维修方便等优点,所以被广泛用于电力、电子和控制等各个科研领域,也日益广泛用于医用X线机的控制系统中。但它也存在过载能力低、抗干扰能力差等缺点,需要在实际应用中采取措施加以克服。
可控硅在二极管的基础上,增加了门极,在整流电路中,需要对门极提供门极触发信号,从而控制可控硅导通的时间,达到整流及调节直流输出的目的。
三、可控硅的结构和工作原理
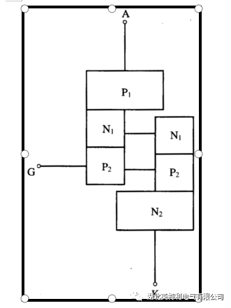
1. 可控硅的结构
可控硅由两层P型和两层N型半导体交替构成。它的三个电极分别为阳极A、阴极K和控制极G。这个PNPN器件中间,形成了三个PN结J1、J2、J3,相当于三个二极管正反向相间串联而成。如果只在阳极A和阴极K之间加上电压,不管所加电压的极性如何,这三个二极管中至少有一个是处于反向偏置,因而不会导通,器件均处于截止状态。

2. 可控硅的工作原理
为了说明可控硅的工作原理,我们把它看成是由PNP和NPN型两个晶体三极管连接而成,每一个晶体管的基极与另一个晶体管的集电极相连,如图所示。阳极A相当于PNP型晶体管T1的发射极,阴极K相当于 NPN型晶体管T2的发射极。

导通后,其压降很小,电源电压几乎全部加在负载上,可控硅中就流过负载电流。
在可控硅导通之后,它的导通状态完全依靠管子本身的正反馈作用来维持,即使控制极电流消失,可控硅仍然处于导通状态。所以,控制极的作用仅仅是触发可控硅使其导通,导通之后,控制极就失去控制作用了。要想关断可控硅,必须将阳极电流减小到使之不能维持正反馈过程,也可以将阳极电源断开或者在可控硅的阳极和阴极之间加一个反向电压。
因此,可控硅是一个可控的单向导电开关。它与二极管相比,不同在于可控硅正向导电受控制极电流的控制;与三极管相比,不同在于可控硅对控制极电流没有放大作用。
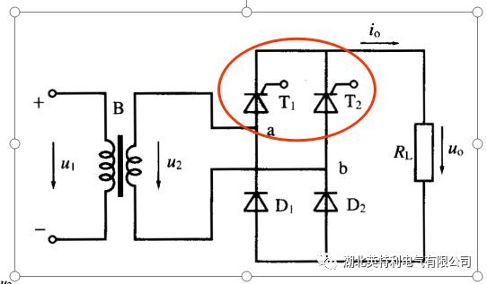
四、可控硅整流
应用可控硅实现将交流电变为大小可调的直流输出电压的过程称为可控整流。较常用的可控整流电路是半控桥式整流电路,与单相不可控桥式整流电路相似,只是其中两个臂中的二极管被可控硅所取代。


t1时刻控制T1导通,T/2+t1时刻控制T2导通,则电路波形如图。设


α=0,Uo=0.9U2,输出电压最高,相当于不可控二极管单相桥式整流电压;α=180°,Uo=0,可控硅全关断。负载电阻RL中整流电流的平均值为:

可见,当U2一定时,改变控制角α,即改变触发脉冲的加入时刻,就可改变直流输出电压的平均值,也就达到了可控整流的目的。
实际应用中,整流形式更为复杂,有三相桥全控整流、双反星带平衡电抗器整流电路,有6脉波、12脉波、24脉波等多脉波整流,有同相逆并联和非同相逆并联结构等等。
相关推荐链接:
0人已收藏
0人已打赏
免费3人已点赞
分享
电气工程原创版块
返回版块2.2 万条内容 · 598 人订阅
阅读下一篇
射频微波晶体管的发展现状及分析知识点:晶体管 1 引 言 半导体技术的发展,促进了射频微波功率器件的发展,从而也为无线通信系统发射前端提供了保证。 功率放大器作为无线通信前端发射模块的关键器件,经历了四个阶段:
回帖成功
经验值 +10
全部回复(0 )
只看楼主 我来说两句抢沙发