知识点:电气陶瓷
"piezo"(压电)一词是从希腊语中的“压力”一词派生而来的。1880年,雅克?保罗?居里和皮埃尔?居里发现施加压力能在石英、电气石等多种晶体中产生电荷,他们将这种现象称为"piezoelectric effect"(压电效应)。后来,他们发现电场可以使压电材料变形。这种效应被称为"inverse piezoelectric effect"(逆压电效应)。当科学家发现在施加电场时钛酸钡能在一个有效范围内利用压电特性,产业突破 >>便伴随着压电陶瓷而来。压电效应目前用于点火器、扬声器和信号转换器等多种日常用品。此外,由于内燃机中的压电控制喷射阀减少了传递时间,大大改善了平滑度和废气质量,压电促动器技术也在汽车技术中得到认可。

在压电材料表面施加压力可以产生电荷。这种直接压电效应,也称发电机或传感器效应,将机械能转换为电能。反之,施加一定电压时,逆压电效应可以改变此类材料的长度。这种促动器效应将电能转换成机械能。单晶材料和多晶铁电陶瓷中都可产生压电效应。在单晶中,晶格晶胞的不对称结构,即低于居里温度TC 时形成的极轴,是产生这种效应的充分必要条件。此外,压电陶瓷具有自发极化特性,即晶胞的正负电荷浓度相互分离。同时,晶胞的轴线沿自发极化。
一旦施加电场,陶瓷就会膨胀,极化场强将会减弱。这种效应一部分是因为晶格中离子的压电位移,称为内在效应。 外在效应是基于晶胞的可逆铁电重定向。它随着驱动场强度的增大而增大,是铁电压电陶瓷大部分非线性迟滞和漂移特性的原因所在。
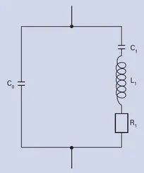
极化压电材料可由若干种系数和关系进行定性。
电气和弹性特性之间的基本关系可以用如下简化公式表示:
D 电通密度,T 机械应力,E 电场,S 机械应变,S 机械应变,d 压电应变常数,εT 介电常数(T=常数),sE 柔度或弹性系数(E=常数)
振荡状态或模式与变形是由个体的几何形状、机械-弹性特征以及电场和极化的方向决定的。
压电陶瓷是一种能将机械能和电能相互转换的功能陶瓷,在谐振器、传感器、超声换能器、驱动器、滤波器、电子点火器等方面有着广泛的应用。锆钛酸铅(Pb(Zr1-xTiO3),PZT)陶瓷具有优良的压电、介电性能。由于其稳定性好,精度高,能量转换效率高,响应速度快,机械品质因子、压电系数、机电耦合常数明显优于无铅压电陶瓷,被广泛应用于压电传感及驱动领域,如超声换能器等,对结构健康检测、能量采集等领域具有重大意义。
PZT压电陶瓷的发展历程
1942年人们发现了BaTiO3的压电性,由于其介电常数较高,很快获得应用发展,至今仍用于制作声呐装置的振子和声学计测装置以及滤波器等,但因存在频率温度稳定性欠佳等问题。
1954年美国的研究人员发现锆钛酸铅(PZT)陶瓷具有良好的压电性能,其机电耦合系数近于BaTiO3的一倍。在之后的30年间,PZT以其强又稳定的压电性能成为应用最广的压电材料,该种材料的出现使得压电器件从传统的换能器及滤波器扩展到引燃引爆装置、电压变压器及压电发电装置等。如果把BaTiO3作为单元系压电陶瓷的代表,那么PZT可作为二元系压电陶瓷的代表。PZT压电陶瓷由于它的性能参数多样性、振动模式的研究与开发利用以及器件制作技术的进步等因素,促使它在近十年来发展甚为迅速,应用日趋广泛。
PZT压电陶瓷的制备流程
(1)坯体制备
采用干压成型的方式制备坯件,干压成型前应先将粉料造粒,即在粉料中加入占料中约5%的黏合剂,搅拌均匀并过筛,再进行预压块,最后将预压块研碎并过细筛。造粒的目的不仅使黏合剂更加均匀地分布在粉料中,而且由于颗粒本身已经压紧,压料中空气又少,并较易排出,因此利于成型,成型样品密度更加均匀。
(2)瓷件烧结和机械加工
干压成型后的坯件,需要通过高温烧结才能成瓷。烧结是颗粒重排靠近,使材料致密化以及晶粒生长的过程,过高的烧结温度使陶瓷晶粒生长过大或组织结构不均匀,而烧结温度过低则会导致晶粒发育不完全,这些都会导致PZT压电陶瓷元件的压电性能受到影响。
(3)上电极
PZT压电陶瓷元件两级间需要有金属电极才能导电,发挥压电性。传统的上电极方法有很多种,如烧渗银层、真空蒸镀、化学沉银和化学沉铜等。
(4)极化
PZT压电陶瓷元件上电极后,需要经过极化才能显示压电效应。要使压电陶瓷得到完善的极化,充分发挥其压电性能就必须合理地选择极化条件,即极化电场、极化温度和极化时间。只有在极化电场作用下,电畴才能沿电场方向取向排列,极化电场越高,促使电畴取向排列的作用越大,极化就越完善。
PZT压电陶瓷的应用
近年来,PZT压电陶瓷在包括但不限于以下几个方面得到了应用:
(1)高位移新型压电制动器
(2)压电变压器
(3)用于主动减震和降噪的压电器件
(4)医用微型压电陶瓷传感器
相关推荐链接:
0人已收藏
0人已打赏
免费1人已点赞
分享
电气工程原创版块
返回版块2.2 万条内容 · 598 人订阅
阅读下一篇
什么是坩埚炉?用来做什么?知识点:坩埚炉 什么是坩埚炉? 坩埚炉是铸造厂使用的最古老、最简单的熔炉设备之一。熔炉使用一个装有金属料的耐火坩埚。电荷通过坩埚壁的热传导来加热。取暖燃料通常是焦炭、石油、天然气或电。坩埚熔炼通常用于需要小批量低熔点合金的地方。这些熔炉的资本支出使它们对小型有色金属铸造厂具有吸引力。炉料通过坩埚壁的传导来加热,通常由焦炭、石油、煤气或电来提供燃料。它通常用来做什么?
回帖成功
经验值 +10
全部回复(0 )
只看楼主 我来说两句抢沙发