斜柱相比垂直柱,受力情况、承载能力怎么样,通过下面几个简单案例进行分析,帮助大家形成一个概念认识。
斜柱,顾名思义柱子的顶端和底端不在同一竖直线上,按下面两种情况进行分析
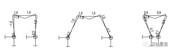
1、悬臂结构
柱和悬挑梁选用Q235方钢管柱,规格为200*200*6,柱底端与地面可靠连接,钢柱、钢梁固接,柱高3米,悬挑长度3米,结构示意如下:

梁的尽端施加1KN的集中力,相当于一个200斤胖子的重量,经过计算,梁柱受力情况如下:

弯矩图如下,第3种情况柱底端弯矩最小,第2种情况柱底端弯矩最大

变形图如下,第3种情况变形最小,第2种情况变形最大

经过以上分析,悬臂钢梁在受到力的作用下,并非所有斜柱都是不利的。
2、双柱对称支撑梁
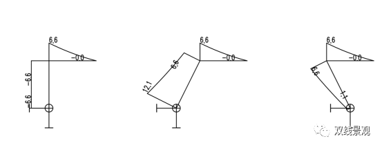
柱和梁仍选用Q235方钢管柱,规格为200*200*6,柱底端与地面可靠连接,钢柱、钢梁固接,柱高3米,梁长3米,结构示意如下:

作用于梁跨中2KN的集中力,受力情况如下:

弯矩图如下,第3种情况柱底端弯矩最大,第2种情况柱底端弯矩最小,第3种情况最不利

整体变形都较小,可忽略不计

结论
在悬臂结构情况下,柱底端整体受力比较大,且变形较大,柱底端为锐角时最不利,柱底端为钝角时最有利。
在双柱支撑情况下,柱底端整体受力比较小,且变形较小,柱底端为锐角时最有利,柱底端为钝角时最不利。
(内容来源于网络,如有侵权请联系删除)
相关推荐:
知识点:景观结构设计之斜柱的承载力
0人已收藏
0人已打赏
免费4人已点赞
分享
景观规划设计
返回版块25.18 万条内容 · 282 人订阅
阅读下一篇
魏晋南北朝的造园艺术法则魏晋南北朝时期的著名画家谢赫在《古画品录》中提出的六法,对我国园林艺术创作中的布局、构图、手法等,都有较大的影响。他的六法其一是“气韵生动”,“气韵”是一幅画的总的艺术效果和它的艺术感染力。所谓“气韵生动”,就是要求一幅绘画作品有真实感人的艺术魅力。 其二是“骨法用笔”,即绘画的造型技巧。“骨法”一般指事物的形象特征;“用笔”指技法,用墨“分其阴阳”,更好地表现大自然的阴阳明晦、远近疏密、朝幕阴晴,以及山石的体积感、质量感等。下笔之前要充分“立意”,作到“意在笔先”,下笔后“不滞于手,不凝于心”,一气呵成,画完后又能作到“画尽意在”。
回帖成功
经验值 +10
全部回复(3 )
只看楼主 我来说两句-
kxinfei
沙发
2023-04-12 09:45:12
赞同0
-
kxinfei
板凳
2023-04-12 09:45:12
赞同0
加载更多感谢楼主分享,学习了
回复 举报
感谢楼主分享,学习了
回复 举报