知识点:负载监控器接触器
接触器是一种由电压控制的开关装置,适用于远距离频繁地接通和断开的交、直流电路系统。
一、接触器的结构特点
接触器属于控制类器件,是电力拖动系统、机床设备控制线路、自动控制系统使用最广泛的低压电器之一,根据接触器触点通过电流的种类,主要可以分为交流接触器和直流接触器,如图4-4所示。

图4-4 常见接触器的实物外形
交流接触器和直流接触器的工作原理和控制方式基本相同,都是通过线圈得电控制常开触点闭合、常闭触点断开,线圈失电控制常开触点复位断开、常闭触点复位闭合。
接触器的结构组成主要包括线圈、衔铁和触点等几部分。工作时,接触器的核心工作过程是在线圈得电的状态下,上下两块衔铁磁化,相互吸合,由衔铁动作带动触点动作,如常开触点闭合、常闭触点断开,如图4-5所示。

图4-5 接触器的功能
资料与提示:
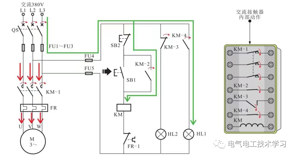
在实际的控制电路中,接触器一般利用常开主触点接通或分断主电路及负载,用常闭辅助触点执行控制指令。例如,在如图4-6所示的水泵启、停控制电路中,交流接触器KM主要是由线圈、一组常开主触点KM-1、两组常开辅助触点和一组常闭辅助触点构成的,闭合断路器QS,接通三相电源后,380V电压经交流接触器KM的常闭辅助触点KM-3为停机指示灯HL2供电,HL2点亮;按下启动按钮SB1,交流接触器KM线圈得电,常开主触点KM-1闭合,水泵电动机接通三相电源启动运转。
同时,常开辅助触点KM-2闭合实现自锁功能;常闭辅助触点KM-3断开,切断停机指示灯HL2的供电电源,HL2随即熄灭;常开辅助触点KM-4闭合,运行指示灯HL1点亮,指示水泵电动机处于工作状态。

图4-6 水泵的启、停控制电路
二、 接触器的检测
检测接触器主要是检测接触器的内部线圈、开关触点之间的阻值。首先根据待测接触器的标识信息,明确各引脚的功能及主、辅触点类型(根据符号标识辨别常开触点或常闭触点);然后分别检测线圈、触点(在闭合、断开两种状态下)的阻值。


图4-7 借助万用表检测接触器的实际操作方法
资料与提示:
使用同样的方法,将万用表的两支表笔分别搭在L2和T2、L3和T3、NO连接端,可检测内部开关的闭合和断开状态。
当交流接触器的内部线圈通电时,会使内部开关的触点吸合;当内部线圈断电时,内部触点断开。因此,在检测交流接触器时,需分别对内部线圈的阻值及内部开关在开启与闭合状态下的阻值进行检测。由于是在断电的状态下检测交流接触器的好坏,因此需要按动交流接触器上端的开关触点按键,强制将开关触点闭合。
通过以上的检测可知,判断交流接触器好坏的方法如下:
①若测得内部线圈有一定的阻值,内部开关在闭合状态下的阻值为零,在断开状态下的阻值为无穷大,则可判断该接触器正常。
②若测得内部线圈的阻值为无穷大或零,则表明内部线圈已损坏。
③若测得内部开关在断开状态下的阻值为零,则表明内部触点粘连损坏。
④若测得内部开关在闭合状态下的阻值为无穷大,则表明内部触点损坏。
⑤若测得内部四组开关中有一组损坏,均表明接触器损坏。
相关推荐链接:
0人已收藏
0人已打赏
免费0人已点赞
分享
电气工程原创版块
返回版块2.2 万条内容 · 596 人订阅
回帖成功
经验值 +10
全部回复(0 )
只看楼主 我来说两句抢沙发