某高速公路桥梁工程桩,桩径:1600 mm;桩长:43.5 m,桩型钻孔灌注桩。桩基验收检测方案为超声波透射法检测,分别对次桩依次采用:超声波透射法检测,低应变反射波法检测,钻孔取芯完整性检测,钻孔电视检测四种检测方法对其进行完整性判定。下面分别将这四种检测方法的检测过程和检测结果公布如下,好好学习哦~
一、超声波透射法检测
检测目的:基桩的完整性
仪器型号:RSM-SY7(F)

RSM-SY7(F)基桩多跨孔超声波检测仪

现场检测图
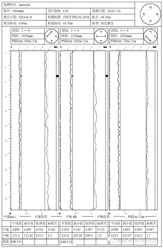
采用四只45KHz超声波跨孔探头,一次提升同时完成四管,六剖面的测试,从超声波测试结果来看,发现有五个剖面在6.8-7.0米处,出现幅值超判据情况。


再对该桩6.9米处异常点波形观察,异常点信号首波幅值和后续谐振波信号都偏弱,但其声速正常。由于是在同深度,多剖面信号异常,在与施工方沟通排除声测管焊接因素的影响,在做钻孔取芯前,使用低应变反射波法检测进一步查明缺陷情况。

异常点信号

正常点信号
二、低应变反射波法检测
检测目的:基桩的完整性
仪器型号:RSM-PRT(M)
采用加速度传感器,通过改变不同的锤击频率及不同的采样间隔对该桩的6.8米处的,缺陷进行核查判断。

RSM-PRT(M)双通道低应变检测仪

低应变检测现场
采用加速度传感器,通过改变不同的锤击频率及不同的采样间隔对该桩的6.8米处的,缺陷进行核查判断。
第一次采集结果:信号在6.8米处有较小幅值的同相反射。

第二次采集结果:变换传感器安装位置信号在6.8米处有较大幅值的同相反射,并可见第二次、第三次缺陷反射。

第三次采集结果:采用频率较高的钢筋敲击,提高缺陷位置精度,同相缺陷反射幅值较小,但也很清晰,可见微弱第二次缺陷反射。最终低应变检测核定其缺陷位置在距桩顶6.8米处,与超声波投射法检测缺陷深度相符,因低应变数据缺陷较为严重,怀疑桩大面积断桩,决定采用钻孔取芯进一步验证其缺陷情况。

三、钻孔取芯完整性检测
检测目的:基桩的完整性
仪器型号:钻孔取芯机
采用钻机对该桩进行钻孔取芯检测,着重观察该桩6.9米处混凝土完整性情况,但通过对芯样的目测观察,在 6.9 米处未取出连续较完整的芯样,以钻孔取芯检测结果出具报告也很难判定该桩缺陷情况。芯样照片如下:


四、钻孔电视摄像检测
检测目的:基桩的完整性
仪器型号:SR-DCT(W)

SR-DCT(W)钻孔电视

SR-DCT(W)钻孔电视现场测试
采用SR-DCT(W)对桩钻芯孔,进行摄像检测,观察测试图片,清晰可见在6.9 米处,出现环状裂纹。可以最终判定该桩距桩顶6.9米处,局部断裂缺陷。


五、总结
本案例为多种检测方法对基桩完整性判定的案例,采用的这几种检测方法,由于其检测原理不同,对同个缺陷所反应的信号差异也显现的较为明显,简单概括不同的方法有具体以下特点:
超声波透射法检测:
检测深度不受限制,可以覆盖整桩,由于是超声换能器按一定的移距逐点检测,通过对逐点信号声速和波幅的变化情况,对桩的混凝土完整性进行判断,相对低应变反射波法,其检测范围和数据精度要高很多。
但超声波检测也存在一定的盲区,比如声测管以外的混凝土,横向裂缝或深度范围小的层状缺陷。
本案例所遇到的桩缺陷就是横向裂缝缺陷,估计是由于混凝土初凝阶段,后续施工造成的。超声波检测如采样移距设置不合适,很容易造成漏判,其信号反应不明显,但在同深度,都有声幅降低的情况。遇到这样缺陷,虽也可以采用超声波的斜侧方法对其进一步判定,但由于缺陷深度范围较小,估计测试效果不会太明显。
低应变反射波法检测:
检测深度受桩周土(岩)力学特性和锤击能量影响,对小尺寸缺陷反应不明显,缺陷的分辨能力和测试深度范围不及超声波检测。
但对如案例中所遇到的横向裂缝缺陷,低应变的分辨能力强,从实测信号来看,同相缺陷反射波清晰,并可见二次三次反射,是对该桩缺陷类型和程度进一步判定的数据补充。
钻孔取芯法检测:
钻孔取芯检测是基桩完整性检测最直接的方法,除判定基桩完整性外,可对对桩底沉渣和持力层情况进行判定,通过压力试验机对取芯芯样的实验还可以对桩身混凝土强度进行判定。
此方法的准确度受到取芯孔在桩的横截面方位和取芯芯样的连续性影响。本案例取芯结果就很难对其桩做局部断裂的判定,芯样不完整,裂缝的接口处无法核定。
钻孔电视测试:
钻孔电视测试方法,其实是对钻孔取芯法检测的一种验证,现在普遍应用于基桩完整性检测。可以快速的核定取芯检测的结果,在几种方法存在结果疑义的时候,最直观的反应混凝土的真实情况。对该桩的最终判定起到关键性作用。
内容源于网络,仅作分享使用,如有侵权,请联系删除
相关资料推荐:
知识点:基桩完整性检测方法对比
0人已收藏
0人已打赏
免费4人已点赞
分享
混凝土结构
返回版块140.17 万条内容 · 2216 人订阅
回帖成功
经验值 +10
全部回复(0 )
只看楼主 我来说两句抢沙发