
推荐资料(点击文字跳转):
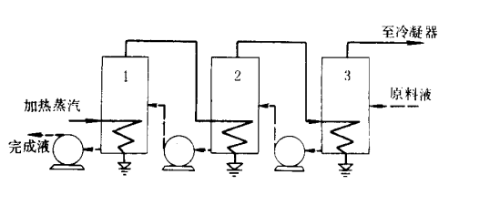
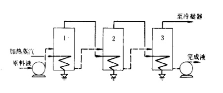
知识点:多效蒸发技术在高盐废水处理中的应用
0人已收藏
0人已打赏
免费0人已点赞
分享
水处理
返回版块43.13 万条内容 · 1505 人订阅
阅读下一篇
工业废水如何低成本有效降解COD工业废水的一个特点是水质和水量因生产工艺和生产方式的不同而差别很大。如电力、矿山等部门的废水主要含无机污染物,而造纸和食品等工业部门的废水,有机物含量很高,BOD5(五日生化需氧量)常超过2000毫克/升,有的达30000毫克/升。即使同一生产工序,生产过程中水质也会有很大变化,如氧气顶吹转炉炼钢,同一炉钢的不同冶炼阶段,废水的pH值可在4~13之间,悬浮物可在250~25000毫克/升之间变化。
回帖成功
经验值 +10
全部回复(1 )
只看楼主 我来说两句 抢板凳资料不错,对于学习蒸发技术具有很大的帮助,学习啦,谢谢分享
回复 举报