来源:豆丁施工
本工艺手册为外墙保温工程施工工艺,根据保温的材料及施工方法可将外墙保温共分为 五部分。主要包括:后粘保温板类、复合保温外模板现浇类、保温浆料抹灰类、大模内置保 温系统、复合保温板内保温系统。
本工艺手册对每项内容均按照施工准备、工艺流程、施工要点、质量检验标准作了介绍。
本部分适用于聚苯板保温、岩棉板保温施工,所依据的规范如下:
GB/T23483-2009 《建筑物围护结构传热系数及采暖供热量检测方法》
JGJ/T132-2009《居住建筑节能检测标准》
JC/T841-2007《耐碱玻璃纤维网格布》
2、材料进场复试合格,如:保温板的导热系数、密度、抗压强度或压缩强度,砂浆的粘 结强度,耐碱网格布的力学性能、抗腐蚀性能等。
1、机械设备:电动切割机、冲击钻、打磨机、搅拌机等。
2、主要工具:托线板、靠尺、卷尺、阴、阳角抹子等。
2、门窗框或辅框安装完毕、外墙螺杆眼封堵严实、各种进户管线和空调器等的预埋件、 连接件安装完毕。

(二)施工要点










1、施工条件 施工时及施工后 24 小时内,现场环境温度和基墙表面温度均不应低于 5℃。
3、保温板粘贴 保温板与基层的有效粘结面积率不小于 70%。
4、安装锚固件 待保温板粘贴后 24h 以上即可安装锚固件,锚固件具体的安装数量根据图纸确定,锚固 深度 50 ㎜,门窗洞口、阳角边缘应加固处理,水平、垂直间距应不大于 500 ㎜,距基层边缘 不小于 60 ㎜,安装后的锚固件应与保温层相平。 锚栓拉拔试验:标准实验条件下混凝土墙体锚栓拉拔强度不小于 0.6MPa,蒸压加气块墙 体的不小于 0.3MPa。
5、网格布压入 布与布搭接宽度为 100 ㎜,上下搭接长度 80 ㎜,窗洞口阳角部分各加一层 300mm×200mm 网格布进行加强。 保温板拉拔实验:标准试验条件下保温板拉拔强度不小于 0.1MPa。


GB 50204-2015《混凝土结构工程施工质量验收规范》
GB/T23483-2009 《建筑物围护结构传热系数及采暖供热量检测方法》
JGJ/T132-2009《居住建筑节能检测标准》
2、材料进场复试合格,如:保温板的导热系数、密度、抗压强度或压缩强度等。
1、机械设备:电动切割机、手电钻、打磨机、搅拌机等。
2、主要工具:托线板、靠尺、卷尺、阴、阳角抹子等。
(三)材料准备
复合保温外模板由单面钢丝网加挤塑聚苯板与其外侧满覆厚度为(10~15)mm 轻质复合混凝土形成的叠合板,标准板尺寸 2.4×0.6m。

(二)施工要点








(1)保温板堆码时底部需垫放木方;分类堆放并挂标识牌。
(3)锚固件数量为每平方米不少于 5 个,安装孔距保温板外边缘应不少于 50mm,门窗洞口处可增设锚固件。任何一块非主规格板上都应有锚固件,每平方米不少于 5 个且间距不 大于 500mm。
(4)复合保温外模板拼接缝的水平缝在拼接时均应填压海绵条或粘贴密封胶带。
(6)锚栓拉拔试验:标准实验条件下锚栓拉拔强度不小于 0.6MPa 保温板拉拔实验:标准试验条件下保温板拉拔强度不小于 0.1MPa。
(7)复合保温外模板的尺寸允许偏差及性能要求如下:

本部分适用于 EPS 保温砂浆、玻化微珠保温砂浆施工,所依据规范如下:
JG158-2004《胶粉聚苯颗粒外墙外保温系统》
GB/T23483-2009 《建筑物围护结构传热系数及采暖供热量检测方法》
JGJ/T132-2009《居住建筑节能检测标准》 JC/T841-2007《耐碱玻璃纤维网格布》
(一)技术准备
1、编制专项施工方案并进行交底。
2、材料进场复试合格,如:保温砂浆的导热系数、干表观密度、抗压强度、和防火性能等。
2、主要工具:线坠、托线板、靠尺、大杠、卷尺、阴、阳角抹子等。
(三)材料准备
EPS 或玻化微珠保温浆料,防渗抗裂柔性砂浆,耐碱玻纤网格布。

(二)施工要点




(1)保温层厚度均匀并不允许有负偏差。构造做法应符合建筑节能设计要求。
(2)保温层与墙体以及各构造层之间必须粘接牢固,无脱层、空鼓、裂缝, 面层无粉化、起皮、爆灰等现象。
(3)网格布应铺压严实,不应有空鼓、褶皱、翘曲、外露现象,搭接长度 应符合规定的要求。

GB/T23483-2009 《建筑物围护结构传热系数及采暖供热量检测方法》
JGJ/T132-2009《居住建筑节能检测标准》
JC/T841-2007《耐碱玻璃纤维网格布》
2、材料进场复试合格,如:保温板的导热系数、密度、抗压强度或压缩强 度,砂浆的粘结强度,耐碱网格布的力学性能、抗腐蚀性能等。
2、主要工具:盒尺、墨斗、液压剪、手锯、靠尺、钢卷尺、铅笔、检测工具、抹灰工具等。
(三)材料准备
钢丝网架聚苯板保温板、L 型φ6 钢筋、外保温板混凝土保护层砂浆垫块、 抗裂砂浆、海绵条、牛皮纸。

(二)施工要点







(1)保温板加工符合要求,拼缝处均加工成企口,企口平直,分口居中。 板面界面处理均匀无漏底现象,钢丝网架无锈蚀,斜插丝长度符合要求,出保温 板面不小于 4cm。
(2)安装时保温板拼接严密,板面安装平直,保温板阴阳角亦采用企口搭 接,洞口处保温板切割平直,与洞口模板拼接严密。
(3)保温板上所有的 L 形插筋、预留套筒及穿墙螺杆在插入保温板时必须 先用穿孔锥预先穿孔,严禁直插入保温板,在保温板背面形成锥形的大窟窿。
(4)混凝土保护层垫块及墙体钢筋无嵌入保温板的现象,钢筋保护层厚度 符合设计要求。模板内无保温板碎粒。
(5)聚苯板压缩厚度允许偏差 0.1mm。用尺量测上、中、下三点取平均值。



本工艺以石膏复合保温板(EPS)外墙内保温系统为例进行编制。
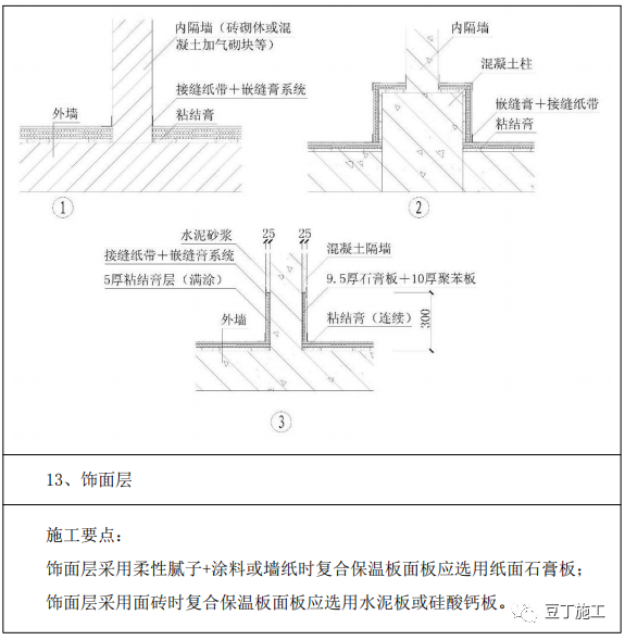
石膏复合保温板(EPS)外墙内保温系统:是以纸面石膏板为硬质面板,以 模塑聚苯板(EPS)为保温层的大规格的复合保温石膏板系统为主体的保温系统。 石膏复合保温板(EPS)由纸面石膏板和 EPS 复合粘贴组成,具有较好的保温性 能,石膏板的厚度为 9.5、12mm,EPS 厚度为 30-60mm,若采用标准纸面石膏板, 防火时间 7 分钟。纸面石膏板可选择耐水纸面石膏板或耐火纸面石膏板。
EPS 复合保温板系统的三大构造层:粘结层:采用粘结石膏(必要时辅以锚 栓固定件)。保温层:采用 18~22kg/m3B2 级或 B1 级阻燃的 EPS 板。防护层: 纸面石膏板。(该系统保温层和防护层为一体。)


《外墙内保温工程技术规程》JGJ/T 261-2011
《建筑节能工程施工质量验收规范》GB50411-2007
《夏热冬冷地区居住建筑节能设计标准》JGJ134-2010
《住宅建筑围护结构节能应用技术规程》DG/TJ08-206-2002
《建筑内部装修设计防火规范》GB50222-2015
《建筑物围护结构传热系数及采暖供热量检测方法》GB/T23483-2009
《居住建筑节能检测标准》JGJ/T132-2009
1、本系统适用于耐火等级为二级的民用和工业建筑的各种外墙的内保温, 燃烧性能为 B1 级、难燃。尤其适用于既有建筑节能改造。
2、基层墙体可以是钢筋混凝土、混凝土砌块、混凝土多孔砖或多孔粘土砖 等。
3、本系统不得用于室外环境;不宜用于振动、高温、有腐蚀介质等作业环 境的工业建筑中,如需采用应有加强和防护措施。
2、材料进场复试合格,如:保温板的导热系数、密度、抗压强度或压缩强 度,粘接剂的粘结强度等。
3、安装前应核对材料品种及规格。粘结膏应干燥、无受潮、无板结。复合 保温板应干燥平整、板面完整无损。
1、机械设备:电动切割机、电钻、打磨机、腻子搅拌机等。
2、主要工具:托线板、靠尺、卷尺、阴、阳角抹子等。
2、地坪施工完成。门窗、管线、线盒、新风口安装完毕,电器接线盒埋设 深度应与保温墙厚度相应。
3、外墙面、门窗完成淋水实验。

(二)施工要点














1、复合保温板的品种、规格、性能应符合设计要求,有隔声、隔热、阻燃防潮等特殊要 求的工程,板材应有相应的等级检测报告。 检查方法:观察;检查产品合格证书、进场验收记录和性能检测报告。
2、安装复合保温板所需的粘结膏饼位置、数量应符合设计要求。 检查方法:观察;尺量检查;检查隐蔽工程验收纪录。
3、复合保温板材所用的接缝材料的品种及接缝方法应符合设计要求。 检查方法:观察;检查产品合格证书和施工纪录。
4、复合保温板材的安装必须牢固。 检查方法:观察。
5、保温厚度板应符合设计要求,负偏差不得大于 2mm。 检查方法:用钢针插入和尺量检查。
2、保温系统表面应平整,无污垢,裂纹、起皮、弯曲等缺陷,接缝采用嵌缝膏及纸带应 均匀、顺直。 检查方法:观察;手摸检查。
3、保温系统的孔洞、槽、盒应位置正确、套割吻合、边缘整齐。 检查方法:观察
4、边角符合施工规定,表面光滑、平顺、门窗框与墙体间接缝应用金属护角纸带接缝, 表面平整。
5、复合保温板安装的允许偏差和检验方法应符合下表:

知识点:外墙保温施工工艺及要点和方案
全部回复(0 )
只看楼主 我来说两句抢沙发