基本内容
荷载的对称分为关于结构对称轴的正对称荷载与反对称荷载
结构的对称指的结构关于某几何轴的轴对称,对称不仅仅指几何形状,还有联结、支座情况、杆件的截面尺寸与材料性质(刚度)等。
上述结构的对称特别注意支座情况的对称即可,举例说明,支座对称的结构,对称性简化时不用顾及太多;但简支刚架类结构水平支座仅有一个,当结构受水平力时,水平支座有反力,该反力不对称,需将反力分解才能应用对称性,当结构不受水平力,则无影响,直接利用对称性分析计算即可。如图(还不会取半结构的可先看下文,再回头看该例)
错误示例
注意到支座情况是不对称的,且水平支座有反力,若马马虎虎的直接视为反对称荷载,取反对称半结构计算就会出错。
正确示例

将水平反力分解,才能体现出对称性,再分别计算。
若结构对称,则其在对称荷载或反对称荷载下,结构内力与变形呈对称性或反对称性。
下面将目标聚焦于对称轴位置上,讨论对称轴位置上的荷载、位移和截面内力的对称性。着重讨论对称轴上各量的对称性是因为,对称性问题很多都是从对称轴入手解决的,只有完全掌握对称轴处各量的对称性,才能为后续的直接利用对称性求解静定结构内力图或简化半结构等打下坚基础。

上图是对称的刚架结构,考虑对称轴位置上的荷载对称性,通过分解,上面两图是等效的,可知FP1是正对称荷载,M与FP2是反对称荷载。

如上图,将对称轴处杆件截开,暴露出截面三大内力即轴力N、剪力Q、弯矩M。易知,横杆对称轴处弯矩M、轴力N是正对称的,剪力Q是反对称的;对称轴处的竖杆,弯矩M、剪力Q是反对称的,轴力N是正对称的。
正对称荷载下结构的位移必定是正对称的,那么对称轴处的位移必然要沿着对称轴方向;同理,反对称荷载下结构的位移必定是反对称的,那么对称轴处的位移必然要沿着垂直对称轴的方向。如图:

注:静定结构的内力与杆件刚度无关,所以若要利用对称性求解结构的内力,不考虑刚度是否对称;超静定结构的内力与杆件刚度的相对值有关,若要利用对称性求解结构的内力,需要考虑刚度对称;不论是静定或超静定结构,位移均与杆件的刚度绝对值有关,因此,若想要利用对称性简化为半结构求对称轴处的位移时,需要结构刚度对称。
对称性的应用
利用对称性的目的就是简化结构,相当于一个一般结构的求解加上了存在对称性这样一个约束条件,对称性的应用在此分为静定结构中与超静定结构中两部分,主要考虑到这两部分结构特点不同,在利用对称性时的侧重点不同。
一般而言通过内力的对称关系为突破口分析即可,如下面例题,求结构的M图(当然也有一些题目需要简化半结构,具体见半结构的选取中的例4)
例1.


解:结构对称,水平荷载正对称,且仅横杆受轴力,不产生弯矩;竖向荷载为反对称,易知反对称荷载下,两个水平支座反力必为0,故竖杆无弯矩,仅横杆有弯矩,直接画出即可。
例2.


荷载分解

解:如上图先将荷载进行分解,正对称荷载下仅横杆受轴力,结构无弯矩;反对称荷载下,可得水平支座反力,再直接画出M图即可。
例3.


解:结构对称,荷载正对称,易知对称轴铰处剪力为0,则横杆无弯矩,竖杆弯矩根据平衡直接画出即可。
超静定结构仅仅依靠平衡方程无法求解,利用对称性的一般过程是,由内力与变形的对称性将结构简化为半结构(简化半结构一般可以减少未知量个数),再进行求解。某些复杂的静定对称结构为了求解方便,也会取半结构分析。
半结构的选取(重点)
原则:简化后的半结构与原结构要位移(变形)等效,由力与变形一一对应,也即内力等效。

从位移等效考虑:对称轴处位移方向为沿着对称轴方向(竖直方向),且对称轴处无转角位移,无水平位移,即要求简化后的支座仅提供水平与转动约束,则简化后对称轴处选取的支座为滑动支座。
从内力等效考虑:已知对称轴处的三大内力,弯矩、轴力正对称不为0,剪力反对称,故剪力必为0,显然仅有滑动支座满足。

从位移等效考虑:对称轴处位移方向为沿着垂直对称轴方向(水平方向),且对称轴处有转角位移,即要求简化后的支座仅提供竖向约束,则简化后对称轴处选取支座为可动铰支座(竖向)。
从内力等效考虑:同上,对称轴处弯矩、轴力正对称,反对称荷载下必为0,剪力不为0,显然选取可动铰支座(竖向)。

从位移等效考虑:对称轴处因为连有竖杆,故不能发生竖向位移,且无转角位移、无水平位移,符合固定端的要求。
从内力等效考虑:对横杆,正对称荷载下,弯矩、轴力不为0,剪力为0,简化为滑动支座;对中柱,已知弯矩、剪力均为反对称内力,故必为0,竖杆仅有轴力,简化为二力杆;再综合考虑,滑动支座+竖向的二力杆=固定端,即简化为固定端。

从位移等效考虑:对称轴处有水平位移、有转角位移、无竖向位移,因为中柱有水平位移,即中柱会弯曲,则中柱应保留,但抗弯抗压刚度需减半。
从内力等效考虑: 先分析中柱,易知剪力、弯矩不为0;对横杆,反对称荷载下易知弯矩轴力为0,但是,中柱弯矩必将由横杆来平衡,故横杆也将有弯矩剪力,综上考虑,横杆与中柱都有剪力弯矩,故中柱应保留,但是结构取半,中柱抗弯刚度EI、抗压刚度EA均应减半。
注意,上面所介绍的简单单双跨刚架的取半结果,要求熟记,在解决其他对称性问题需要取半结构时,一方面有上面四个简化半结构的基础,另一方面把握简化半结构的原则可进行复核。在此基础上处理其他取半结构问题会非常便捷。
例1.
正对称荷载,对称轴处有沿着对称轴方向的位移,简化为滑动支座,又滑动支座倾斜,由于一般默认刚架杆忽略轴向变形,则滑动支座端其实是不能滑动的,否则杆件将被拉长或压短,故等效为固定端,如图。
例2.


显然,正对称荷载下,中柱无弯矩、剪力,仅有轴力,简化为EA无穷大的二力杆(因为上横杆和下横杆在对称轴处的竖向位移是相同的),半结构仍对称,仍可继续简化,将荷载分组,继续取半即可。
例3.
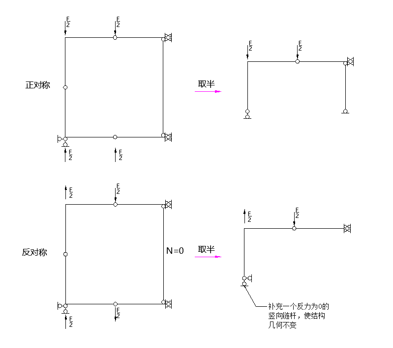
反对称荷载下,中柱会弯曲,所以中柱需保留,取半结构的同时中柱刚度也要取半(图中未标出),又注意到取半前后的位移要等效,对称轴处无竖向位移,所以再添加一竖向链杆即可。
例4.

该结构为较复杂的静定结构,两种求解方法,第一种是拆铰、代未知力、列方程求未知力的方法,这在之前已经介绍过;第二种是利用对称性,取半结构分析,如上图先取正对称半结构,因为半结构仍有对称性,再将荷载分组,取半结构的半结构,如下图

如图,经过简化,原先一个复杂的静定结构变为两个简单的1/4结构,其弯矩可以很快画出,再叠加即可。
内容源于网络,如有侵权,请联系删除
相关资料推荐:
知识点:对称性的利用
0人已收藏
0人已打赏
免费6人已点赞
分享
结构资料库
返回版块41.29 万条内容 · 423 人订阅
阅读下一篇
大跨度钢拱结构竖转提升施工法关键词:大跨度钢拱;竖转提升;低支架拼装 摘 要:大跨度钢拱结构采用竖转提升施工法安装,钢拱肋在地面低支架拼装成两个可绕拱脚转动的半跨钢拱,通过安装在临时塔架上的液压穿心千斤顶,将两侧的半跨拱肋竖转提升到设计标高后合拢。拱肋的拼装在低支架完成,降低了对大型施工机械的依赖和高空作业的安全风险,易于保证结构线性和焊接的质量。 1 工程概况
回帖成功
经验值 +10
全部回复(0 )
只看楼主 我来说两句抢沙发