土木在线论坛 \ 建筑结构 \ 混凝土结构 \ 剪力墙—基本概念

剪力墙—基本概念

发布于:2022-09-30 14:24:30 来自:建筑结构/混凝土结构 [复制转发]

剪力墙基本概念

第一篇

剪力墙(shear wall)又称抗风墙、抗震墙或结构墙。房屋或构筑物中主要承受风荷载或地震作用引起的水平荷载和竖向荷载(重力)的墙体,防止结构剪切(受剪)破坏。又称抗震墙,一般用钢筋混凝土做成。

几种常用与剪力墙有关的结构

图片

剪力墙结构

由剪力墙组成的承受竖向和水平作用的结构

框架-剪力墙结构

由框架和剪力墙共通承受竖向和水平作用的结构

板柱-剪力墙结构

由无梁楼板和住组成的板柱框架与剪力墙共同承受竖向和水平作用的结构

框架-核心筒结构

由核心筒与外围的稀柱框架组成的筒体结构

筒体结构

由竖向筒体为主组成的承受竖向和水平作用的建筑结构

看图识墙

图片

框架-剪力墙结构

剪力墙结构

图片
图片

滑动查看照片

A级高度钢筋混凝土高层建筑的最大适用高度

高规JGJ3-2010第九页表3.3.1-1(节选)

图片

剪力墙结构包括

图片

剪力墙结构包含“一墙、二柱、三梁”,也就是说包含一种墙身、两种墙柱、三种墙梁。

一种墙身

剪力墙的墙身就是一道混凝土墙,常见厚度在200mm以上,一般配置两排钢筋网。

图片

两种墙柱

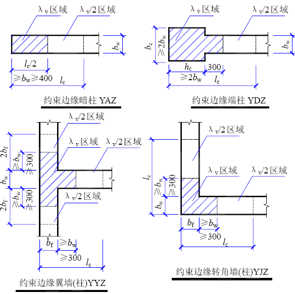
剪力墙柱分为两大类:暗柱和端柱。暗柱的宽度等于墙的厚度,所以暗柱隐藏在墙内看不见;端柱的宽度比墙厚度要大。

图集中把暗柱和端柱统称为“边缘构件”,这是因为这些

构件被设置在墙肢的边缘部位。边缘构件又分为两大类:约束边缘构件和构造边缘构件;约束边缘构件范围一般取底部加强部位及相邻的上一层再向上的范围为构造边缘构件(抗规P68 6.4.5第二点及高规P86页 7.2.14第一点均有体现)。

约束边缘构件

构造边缘构件

图片
图片

滑动查看照片

三种墙梁

连梁(LL);暗梁(AL);和边框梁(BKL)。

连梁(LL)

连梁其实是一种特殊的墙身,它是上下楼层窗(门)洞口之间的那部分窗间墙

暗梁(AL)

暗梁与暗柱有些共同性,因为他们都是隐藏在墙身内部看不见的构件。它们都是墙身的一个组成部分。事实上,剪力墙的暗梁和砖混结构的圈梁有共同之处,它们都是强身的一个水平性“加强带”。一般设置在楼板之下

边框梁(BKL)

边框梁与暗梁有很多共同之处,边框梁也是一般设置在楼板以下部位,但边框梁的截面宽度比暗梁宽。也就是说,边框梁的截面宽度大于墙身厚度,因而形成了凸出剪力墙面的一个边框

看图识墙

图片
图片

01

02

01

04

05

图片
图片
图片

滑动查看更多

01

02

02

04

05

图片
图片
图片

滑动查看更多

01

02

03

04

05

图片
图片
图片

滑动查看更多

内容源于网络,如有侵权,请联系删除


相关资料推荐:

剪力墙设计中的基本概念


知识点:剪力墙基本概念

全部回复(0 )

只看楼主 我来说两句抢沙发
这个家伙什么也没有留下。。。

混凝土结构

返回版块

140.17 万条内容 · 2216 人订阅

猜你喜欢

阅读下一篇

剪力墙端柱(框剪边框柱)设计思考

   剪力墙是设计师日常设计中经常遇到的结构构件,是结构中主要承受风荷载或地震作用引起的水平荷载和竖向荷载(重力)的墙体,作用是防止结构剪切(受剪)破坏,又称抗震墙。     在实际设计工作中,常常会遇到因计算要求或构造要求需要在剪力墙端部一定长度加厚墙体形成端部类似框架柱的情况,最常见的是规范中剪力墙结构章节中关于端柱和框架剪力墙章节中关于边框柱的规定。笔者也在最近的设计中遇到审图老师提出关于剪力墙端部设置柱子的配筋问题。那么,剪力墙端柱和边框柱该如何定义,有哪些具体的设计要求呢?笔者从以下几点简单做了梳理。

回帖成功

经验值 +10