知识点:电气相关的控制

1
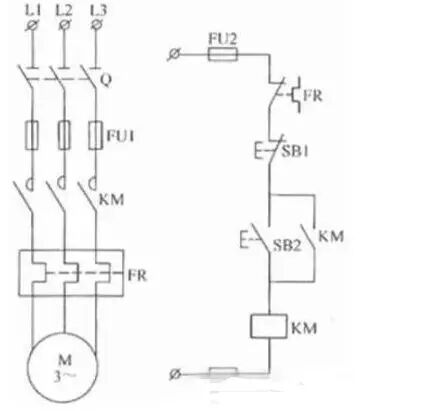
启动
2
停止
3
电路保护环节
电动机、电器以及导线的绝缘损坏或线路发生故障时,都可能造成短路事故。很大的短路电流和电动力可能使电器设备损坏。因此要求一旦发生短路故障时,控制线路能迅速切除电源。常用的短路保护元件有熔断器和低压断路器,电动机短路保护的元件可按下述要求装设:
1)在中性点直接接地的系统中,应在每相上装设。
2)在中性点不接地的系统中,以熔断器作保护时,应在每相上装设;用低压断路器作保护时,应在不少于两相上装设。
电动机长期超载运行,绕组温升将超过其允许值,造成绝缘材料老化,寿命减小,严重时会使电动机损坏,过载电流越大,达到允许温升的时间就越短。常用的过载保护元件是热继电器,对大功率的重要电动机,应采用反时限性的过电流继电器。
由于热惯性的原因,热继电器不会受电动机短时过载冲击电流或短路电流的影响而瞬时动作,所以在使用热继电器作过载保护时,还必须设有短路保护,并且选作短路保护的熔断器熔体的额定电流不应超过4倍热继电器发热元件的额定电流。由于过载保护特性与过电流保护特性不同,故不能用过电流保护方式来进行过载保护。
过电流保护广泛用于直流电动机或绕线式异步电动机。对于三相笼型异步电动机,由于其短时过电流不会产生严重后果,故可不设置过电流保护。
过电流保护往往是由于不正确的启动和过大的负载引起的,一般比短路电流要小,在电动机运行中产生过电流比发生短路的可能性更大,尤其是在频繁正反转启动的重复短时工作制电动机中更是如此。
必须强调指出,短路、过电流、过载保护虽然都是电流保护,但由于故障电流、动作值以及保护特性、保护要求以及使用元件的不同,它们之间是不能相互取代的。
当电动机正常运行时,电源电压过分地降低将引起一些电器释放,造成控制线路工作不正常,甚至产生事故。当电网电压过低时,如果电动机负载不变,则会造成电动机电流增大,引起电动机发热,严重时甚至烧坏电动机。此外,电源电压过低还会引起电动机转速下降,甚至停转。因此,在电源电压降到允许值以下时,需要采用保护措施,及时切断电源,这就是欠电压保护。通常是采用欠电压继电器来实现。
01
设计目的
02
设计要求
03
设计任务
相关推荐链接:
0人已收藏
0人已打赏
免费1人已点赞
分享
电气工程原创版块
返回版块2.2 万条内容 · 598 人订阅
阅读下一篇
知识点详解:高压开关柜内部电气元器件及作用知识点:高压开关设备配电中除外线外我们应用最多的就是开关柜(switch cabinet),开关柜是一种电气设备,是指按一定的线路方案将一次设备、二次设备组装而成的成套配电装置,是用来对线路、设备实施控制、保护的,分固定式和手车式,而按进出线电压等级又可以分高压开关柜(固定式和手车式)和低压开关柜(固定式和抽屉式)。开关柜的结构大体类似,主要分为母线室、断路器室、二次控制室(仪表室)、馈线室,各室之间一般有钢板隔离。
回帖成功
经验值 +10
全部回复(1 )
只看楼主 我来说两句 抢板凳看一下。。了解下这方面的内容
回复 举报