土木在线论坛 \ 建筑结构 \ 钢结构工程 \ 钢结构柱脚与基础连接的极限承载力计算分析

钢结构柱脚与基础连接的极限承载力计算分析

发布于:2022-09-23 15:28:23 来自:建筑结构/钢结构工程 [复制转发]

1  引言

钢结构柱脚是钢结构设计中的重要内容,柱脚的连接对于抗震设计具有重要意义。

按照多遇地震设计的钢结构都要求柱脚与基础连接的极限承载力高于钢柱的塑性受弯承载力。这项规定旨在确保设防烈度地震来袭时柱脚的连接破坏晚于钢柱破坏,体现了强连接弱构件的设计原则。钢柱的全塑性受弯承载力是由钢柱自身的截面特性决定的,与小震作用产生的柱脚内力无关,所以该项规定也是钢结构延性设计的具体内容,是基于低强度高延性的设计理念。《建筑抗震设计规范》和《高层民用建筑钢结构技术规程》对此均有相应的条文作为设计依据。例如:《建筑抗震设计规范》的8.2.8-5条:

柱脚与基础的连接极限承载力,应按下列公式验算:

图片


《高层民用建筑钢结构技术规程》中的条文则更为明确和具体。其中的8.6.2-3条、8.6.3-3条和8.6.4-2条分别是外露式柱脚、外包式柱脚、埋入式柱脚的相关条文。在此,本文根据《高层民用建筑钢结构技术规程》、《钢结构设计标准》中的相关条款对埋入式、外露式、外包式和插入式柱脚的极限承载力的计算做一些简单的探讨。

2  柱脚极限承载力计算分析

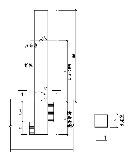
2.1 埋入式柱脚:

《高层民用建筑钢结构技术规程》第8.6.4条中埋入式柱脚的计算公式如下:

图片

注:按本文顺序编号的公式均前缀符号 *。

图片
图片

图1  埋入式柱脚计算简图

例:钢柱截面B600X25,钢材材质为Q355,首层层高4.5 米,柱脚混凝土强度等级C40,按照公式(8.6.4-3)计算满足钢柱极限承载力的柱脚埋入深度。


图片

选取不同截面和不同的混凝土强度等级,按照以上方法计算,可得下表计算结果:

表1 典型截面埋入式基础计算埋深一览表 

图片

注:在计算Mu时,表1中的基础短柱高度是以50mm的步长进行迭代计算的。

由上述计算结果可以得出以下几点结论:

1)埋入式柱脚的极限承载力应由混凝土壁的承压能力决定。当混凝土壁具有足够厚度时,混凝土柱脚具有很大的刚度,这样的柱脚是刚性柱脚,不会发生柔性弯曲,只能出现混凝土壁的承压破坏。

2)柱脚的埋入深度随着混凝土强度等级的提高而减少。

3)以上各个钢柱截面板件宽厚比大体相同,均约为30。可以看出,在相同板件宽厚比和相同的混凝土强度等级的条件下,埋入深度与截面高度的比值大体一致。比如在C40的条件下,该比值均接近1.8。

4)如果钢柱截面外廓尺寸相同,采用不同的板件宽厚比计算可得如下结果

表2  B550系列截面宽厚比与柱脚埋深的关系(C40)

图片

表3  B650系列截面宽厚比与柱脚埋深的关系(C40)

图片

表2和表3表明,随着箱形截面柱的壁厚增大,柱脚的埋深随之增大。当截面板件宽厚比降低到15的时候,埋深与截面高度的深高比HB/b仍然小于2.5。由此可以推知,如果埋入式柱脚的埋置深度满足《高层民用建筑钢结构技术规程》8.6.1-3条或《建筑抗震设计规范》9.2.16条时,即:埋置深度不小于截面长边的2.5倍,通常情况下无需计算钢柱的极限受弯承载力。

5)以上分析均未考虑轴力对截面塑性弯矩的影响,如果按照《高层民用建筑钢结构技术规程》8.1.5条中的公式Mpc=1.15(1-N/Ny)Mp考虑轴力的影响,柱脚的计算埋置深度会更小。

对于带地下室的多高层建筑,当嵌固部位在地下室顶板时,该处梁的高度通常在800mm~1500mm,如果钢柱在嵌固部位下延一层,这样的柱脚与埋入式柱脚极为接近,所以《高层民用建筑钢结构技术规程》3.4.2条规定:“钢框架柱应至少延伸至计算嵌固端以下一层,并且宜采用钢骨混凝土柱,以下可采用钢筋混凝土柱。” 在钢框架柱的柱脚满足以上3.4.2条时,无需再进行柱脚极限受弯承载力验算。

2.2 外露式柱脚:

《高层民用建筑钢结构技术规程》第8.6.2-3条规定中外露式柱脚公式如下:

         Mu≥Mpc     (8.6.2-2)

式中:Mpc ——考虑轴力时柱的全塑性受弯承载力(kN?m);

          Mu——考虑轴力时柱脚的极限受弯承载力。

图片

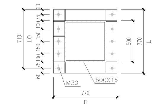
图2    外露式柱脚计算简图

图2受力简图可推导出如下计算Mu公式:

图片


图片

图3  锚栓排布

螺栓排布如上图所示, Lo=710mm, L=770mm,B = 770mm,把以上数据带入公式(*2),可得 Mu=1555.7kN.m。

可按《高层民用建筑钢结构技术规程》的公式计算:

当N/Ny≤0.13时,Mpc=Mp        (8.1.5-5)

当N/Ny>0.13时,Mpc=1.15(1-N/Ny)Mp        (8.1.5-6)

本例轴压比为0.4,可得 Mpc= 1404 kN.m,满足 Mu≥Mpc。

按照上述方法试算三种截面的外露式柱脚锚栓的极限承载力的情况,基础的混凝土强度等级均为C40,锚栓材质为Q355,锚栓直径的选取为满足可排布条件的最小直径。


图片


注:上表中的锚栓选用以能满足柱脚极限承载力验算且可进行排布为原则的最小规格锚栓。常用锚栓规格为M20~M42,当锚栓直径超过M42时,不宜考虑采用外露式柱脚。

对于室外加装电梯的钢框架结构,常用的钢柱规格B200X8,材质一般为Q235,锚栓也采用Q235,计算结果如表7所示:  

图片


从以上计算结果可以得出以下结论:

1)柱子轴力的存在可减小了锚栓的规格和数量。当柱子的轴压比小于0.13时,所需锚栓总面积非常大,所需的锚栓直径也比较大。随着柱子的轴力增大,所需锚栓的直径或数量趋于减少。

2)对于多高层框架结果,柱截面一般在500mm以上,经计算所需的锚栓直径普遍较大,如上表所示的M52、M72、M90等,此时应避免采用外露式柱脚。

3)对于加装电梯等荷载小的简单钢结构,普遍采用B200X6,B200X8等较小截面的钢柱,所需的锚栓较少,采用外露式柱脚是可行的。

2.3 外包式柱脚

外包式柱脚的计算依据为《高层民用建筑钢结构技术规程》中的公式8.6.3-5,公式如下:   

图片

假设锚栓材质为Q355,柱每侧均排布6个M20的锚栓,外包柱脚的混凝土强度等级为C40,外包柱脚的混凝土壁厚为200mm,这里选择了几种常用的箱形截面柱,赋值不同的轴压比,计算其在上述条件下外包式柱脚的配筋,结果如下:

图片


从以上计算结果可以得出以下结论:

1)当外包式柱脚采用常规排布的安装锚栓时(如上述的6M20锚栓),比较大的截面如B800X30,外包混凝土短柱的配筋值较大,钢筋排布困难。

2)相同截面的情况下,随着轴力的增加外包混凝土的配筋会减少。

2.4 插入式柱脚

插入式柱脚在单层工业厂房中应用较多,在2~3层无地下室的工业厂房中也有应用。插入式柱脚的杯口应符合《建筑地基基础设计规范》8.2.5条相关的规定,其中主要规定了:1杯壁的最小厚度;2杯壁的构造配筋;3、杯口基础的刚度;在满足以上条件的情况下,可参照《钢结构设计标准》12.7.10条,12.7.11条对杯口基础进行设计,此时插入式基础与埋入式基础受力机理一致。


  3  结语


从上述的分析可以得出一些结论,供设计和审图人员在实际工程中作为参考:

1)对于埋入式柱脚,柱脚的埋入深度满足规范规定的2.5倍截面高度的时候(《高层民用建筑钢结构技术规程》8.6.1-3条、《建筑抗震设计规范》9.2.16条、),通常不需要计算连接的极限受弯承载力。

2)外露式固接柱脚仅适合于层数较少、荷载不大、柱截面小的简单钢框架结构。当柱截面较大时,且不论柱脚传力不佳等诸多不利因素,仅螺栓排布就非常困难,应避免使用。

3)外包式柱脚的混凝土短柱配筋应由计算确定,当钢柱截面惯性矩较大时,会由于短柱配筋超筋而无法使用。

4)工业厂房常使用杯口柱脚,虽然构造简单,但是必须满足杯口壁厚,杯口刚度等基本构造要求。

5)本文仅论述了柱脚极限承载力的计算,在实际工程中柱脚的连接还要考虑最不利内力组合工况下最大弯矩的计算结果。

6)上述柱脚极限承载力的基本计算是基于理论模型进行的分析。在实际工程中柱脚的传力路径非常复杂,需要有效的构造措施加以保证,比如外露式柱脚需要设置靴梁和靴板以加强柱脚的整体刚度;外包式柱脚要设置栓钉;埋入式柱脚需按构造设置竖向钢筋、箍筋和U型卡筋,插入式柱脚的顶部要配置焊接钢筋网片,要保证杯壁和杯口底板的基本厚度;对于以上各种柱脚,箱型柱伸入到混凝土柱脚内的部分要用混凝土灌实。在设计中对于规范中的相关构造措施都应严格遵守。


内容源于网络,如有侵权,请联系删除


相关资料推荐:

考虑蒙皮效应的轻钢檩条极限承载力分析研究

钢纤维钢筋混凝土扁梁柱节点极限抗剪承载力的计算方法


知识点:柱脚极限承载力计算分析


全部回复(3 )

只看楼主 我来说两句
  • jerrmy99
    jerrmy99 沙发

    太棒了!谢谢楼主的的分享。这种资料太实用了

    2022-12-05 19:48:05

    回复 举报
    赞同0
  • ghgkm
    ghgkm 板凳

    资料非常不错,总结的很好,学习了,谢谢!

    2022-12-02 14:20:02

    回复 举报
    赞同0
加载更多
这个家伙什么也没有留下。。。

钢结构工程

返回版块

46.53 万条内容 · 1214 人订阅

猜你喜欢

阅读下一篇

钢结构柱脚设计探讨

READING 钢结构柱脚 随着我国经济建设的快速发展,钢结构在工业及民用建筑房屋中的应用日益广泛。特别是近年来,随着国家的大力提倡,我国钢结构工程建设得到了空前规模的发展。 柱脚是钢结构的一个重要组成部分,具有固定位置和传力两大作用,对整个结构的安全有重大影响。然而柱脚设计关键点往往被忽略,计算内容较多、公式复杂、钢结构工程形式多样,柱脚形式多样。

回帖成功

经验值 +10