土木在线论坛 \ 建筑设计 \ 中国建筑史 \ 图文探解古建中的角梁

图文探解古建中的角梁

发布于:2022-09-23 15:12:23 来自:建筑设计/中国建筑史 [复制转发]


角梁概念和位置







学习角梁的不同做法前先要明白的问题:


1.角梁位置:在矩形四坡顶建筑物上,角梁处在与建筑物的檐面和山面各成45度的平面位置上。

2.角梁的名字:角梁分为两层,下面一层为老角梁,上面一层为仔角梁。

3.角梁尺度:清《工程做法则例》规定,每根角梁断面厚3斗口,高4.5斗口,无斗栱的小式做法角梁厚2椽径,高3椽径。

图片

4.老角梁的挑出长度与正身檐椽的出檐长度有关

   仔角梁的挑出长度与正身飞椽的出檐长度有关

5.老角梁和仔角梁的挑出长度,古建木工有句口诀,叫做“冲三翘四”







扣金角梁







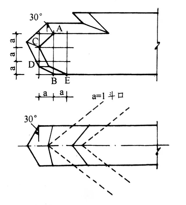
角梁制作技术,关键在弹放实样。所谓弹放实样,即在平板或平地上,用弯尺、墨斗、画签等工具,弹画出角梁侧面的足尺寸图样,然后按这个实样出样板,作为制作角梁的画线依据。现在以五踩斗栱大式做法为例,介绍扣金角梁的弹线放样过程


定尺寸

图片

首先弹出一条直线a,定a为平面位置角梁的中线,按建筑物檐(廊)步架、出檐及正心与挑檐桁中一中的平面尺寸加斜,计算出各段在角梁中线上的尺寸,并将这些标画在这条中线上(其中E为金桁中与角梁中的交点,F为正心桁与角梁中的交点,G为挑檐桁中与角梁中的交点),然后,计算出老梁、仔角梁梁头部的长度,并把点画在中线上。(D为老角梁头位置,B为仔角梁头位置)


画角梁宽窄和桁檩位置

图片

各桁檩中轴线与角梁中轴线相交所得的点为老中(老中又依桁檩名称部位不同分为挑檐桁老中、证心桁老中以及金桁老中,分别为图中的G、F、E点);各桁檩中轴线与角梁侧面线相交所得各点分别为外由中和里由中(所谓外由中,是搭交桁檩头部中线与角梁侧面线的交点,里由中为搭交桁檩正身部分中线与角梁侧面线的交点),图中,M和N分别为挑檐桁的外由中和里由中;K和L分别为正心桁的外由中和里由中;P和Q分别为金桁的外由中和里由中。过里、外由中各点垂直于角梁轴线引出直线,这边是下一步确定角梁侧面桁椀位置的根据之一。第二步,在与角梁轴线a平行的位置,弹出一条直线b,定它为挑檐桁立面中的水平线。根据这条线和正心桁与挑檐桁中的垂直高差,定直线c为过正心桁立面中的水平线。再根据檐(廊)步举高,定直线d为过金桁立面中的水平线。这三条水平线,是确定挑檐桁、正心桁、金桁水平位置的依据。(至此,我们可以从图上看出,由于角梁和诸桁檩以45度角相交,角梁侧面将每组搭交桁条的头部和正身部分各切成一个椭圆。这些椭圆的圆心是里、外由中各点,椭圆圆周上的各点即是桁条与角梁侧面的交线,按这些椭圆线在角梁上挖出的碗口叫做桁碗)。由b、c、d三条桁檩水平中线与各桁檩里、外由中引出线相交所得各点(即立面图中的M1、N1、K1、L1、P1、Q1诸点),即为角梁侧面桁碗的中心点。第三步,用事先准备好的斜桁碗样板分别画出挑檐、正心及金桁的桁碗。



弹放角梁侧立面足尺大样

图片

首先,定挑檐桁桁碗外皮与该桁碗水平中线交点H为老角梁前端下皮一点。定金桁老中与金桁碗水平中线交点E为老角梁后尾上皮的一点,以此二点为准,分别向上和向下垂直画出老角梁高4.5斗口。然后在老角梁之上作距离此线4.5斗口的平行线,得老角梁上皮线,以过D点的a的垂线与老角梁上皮线相交点D1为老角梁梁头尽端,用90度拐尺画梁背的垂直线,得老角梁头,然后,由D1点向前引水平线,与过B点的a的垂线相交于D^,D^D1即为仔角梁头部的下皮线。仔角梁头部下皮还有略向下倾斜或向上翘起的情况。



角梁头饰、尾饰及桁碗榫卯的放样及做法

图片
图片

此图为大式角梁的头饰、尾饰及画线,此种做法为大式老角梁梁头霸王拳


图片

此图为后尾三岔头侧面形状


图片

后尾插金做法,有半榫和透榫两种做法,半榫插入柱子1/3~1/2柱径深即可。如采用透榫做法,仔角梁做半榫,老角梁做大进小出榫,透榫出头雕做成麻叶头或做方头,出头长度为半柱径。


图片

小式老角梁梁头做法与大式相同,小式仔角梁梁头不安套兽,故不做套兽榫,在此位置要做出三岔头形状。


图片

角梁桁(檩)碗一般有三种做法

第一种:挖通檩碗,不做鼻子;

第二种:檩碗带鼻子;

第三种:槽齿作法。


图片
图片

关于两侧大连檐在角梁头上交汇的前后位置,实物中大致有以下三种做法。

第一种,如上面例子所示,连檐的下交汇点正好在仔角梁梁头脊面楞线的尽端。此种做法,大连檐及翘飞椽位置相对后移,套兽探出较长。

第二种,连檐外皮线过角梁迎头1/4的E点,使下交汇点移至角梁头之外约1椽径处。按这种方法,可做出托舌,也可略去。

第三种,连檐外皮线过角梁头的外棱角F,使两连檐的下交汇点移至角梁迎头外约1椽径处。按这种方法,角梁头外端要做出托舌。托舌的作用在于衬托交汇冲出的连檐。







插金角梁







角梁的插金做法(俗称刀把做法),是指角梁后尾作榫插入柱子的做法。当建筑物为重檐或多重檐(如三滴水城楼)做法时,下层檐角梁后尾不是与搭交金桁相交,而是插入角金柱。


插金角梁的放样程序与原理与扣金做法基本相同,关键在于把角梁后尾的标高找准确。由于插金角梁冲出、翘起的法则和扣金角梁相同。在弹放插金角梁时,先按檐步架找出角梁后尾标高,然后按扣金角梁弹放程序和方法确定出老、仔角梁准确的立面位置。后尾做榫插入金角柱,可做半榫,也可将老角梁后尾做成透榫,出榫部分做成方头或麻叶云头。采取何种做法,要看结构需要,同时还要视建筑物的用途而定。

图片

此图为大式插金角梁放线


图片

此图为角梁放线样板图


图片

插金角梁







压金角梁







压金角梁是指角梁后尾压在金檩上,它与扣金做法的构造不同。老角梁后尾压在金檩上,用压金法,这是解决一部架到顶的小型建筑物外转角后尾构造问题的一种特殊做法。


在步架过小,无法采用扣金做法时也常采取压金做法。它多用于游廊转角处,属于小式做法。它的仔角梁形如翘飞椽。


图片

首先,按角梁放样的一般程序,画出压金角梁的平面投影,找出檐、金檩中线与角梁中线、侧面线的交点和角梁头位置,将老中、由中角梁头部用90度线引出,垂直于引出线弹立面檐椽中的水平线,根据檐步架找出金檩檩中水平线,用斜桁碗样板画出檩碗,得到斜搭交檩碗与檩中水平线交点A。过A点和金檩老中与檩中水平线的交点B弹出一直线,即得老角梁下皮线,按角梁高弹出老角梁上皮线,并根据平面上老角梁头位置,用方尺画出老角梁头,这样,就得到了老角梁侧面形状。过老角梁头C点画仔角梁头部底皮线并画出仔角梁头部。量得仔角梁头部长度,按一头二尾半或三尾的比例定仔角梁后尾,即得仔角梁侧面形状。翼角椽和翘飞椽分位的画法与扣金做法相同。在游廊中,压金角梁的后尾一般接大罗锅,与阴角的老角梁后尾连接。



图片

此图为多角形建筑压金角梁图







窝角梁







窝角梁:在清工部《工程做法则例》中称为“里拽角梁”、“里角梁”,处于屋面里转角位置,是承接里转角蜈蚣椽的构件。窝角梁在平面上处于两侧檐椽各成45度角的位置,后尾扣交于交金金檩,前端扣交于交角檐檩,如是带斗栱的大式做法,前端要与交角挑檐桁和交角正心桁两组桁条相交。头部挑出与檐桁之外。在老角梁之上,附有仔角梁,是高低出进均与正身飞椽交圈的构件。窝角梁不像出角梁那样冲三翘起,它在平面上要同两侧檐口交圈,在立面上也要保持同檐椽、飞椽上皮相平。由于这些基本的构造要求,使得窝角梁与出角梁不论在尺度、构造等方面都不相同。窝角梁放线又有另一套规矩和方法。

图片
图片

凹角梁构造示意图


图片

凹角梁的构造和放线







本篇简单介绍了角梁的平面位置和概念、里角梁的构造和放样,具体对外转角梁的三种不同做法和放样。




来源:马炳坚《中国古建筑木作营造技术》


知识点:图文探解古建中的角梁

全部回复(0 )

只看楼主 我来说两句抢沙发
这个家伙什么也没有留下。。。

中国建筑史

返回版块

5.15 万条内容 · 173 人订阅

猜你喜欢

阅读下一篇

斗栱加工的技术要点

斗栱是中国古代建筑特有的一种结构,哲匠之家对“斗栱”分布配置、形制等级、整体尺度、构件大小、样式选择、变通搭配有过系列介绍。本篇介绍斗栱加工的技术要点。 一、凡斗栱构件相叠,必须栽木销 1. 纵向及斜向构件相叠,每层用于固定的销子不少于 2 个。 2. 升、斗销子每件 1 个。

回帖成功

经验值 +10