土木在线论坛 \ 建筑结构 \ 地基基础 \ 基坑工程6-地下水控制

基坑工程6-地下水控制

发布于:2022-09-20 11:28:20 来自:建筑结构/地基基础 [复制转发]

基坑工程6-地下水控制

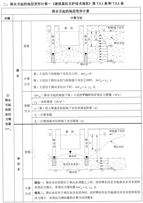
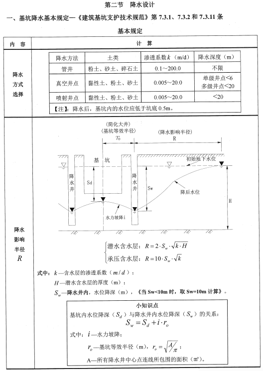
图片

图片

图片

图片

图片

图片

图片

图片

图片

图片

图片

内容源于网络,如有侵权,请联系删除


相关资料推荐:

DB11-1115-2014城市建设工程地下水控制技术规范

北京地区城市建设工程地下水控制技术导则


知识点:地下水控制

  • chennut
    chennut 沙发

    图非常详尽,计算公式也不错,全面,谢谢楼主分享

    2022-09-23 09:46:23

    回复 举报
    赞同0
这个家伙什么也没有留下。。。

地基基础

返回版块

12.11 万条内容 · 718 人订阅

猜你喜欢

阅读下一篇

基坑工程5-重力式水泥土墙设计

基坑工程5-重力式水泥土墙设计 内容源于网络,如有侵权,请联系删除 相关资料推荐: 某重力式挡土墙及锚杆挡墙设计图纸 浅谈砼凸榫在重力式挡土墙设计中的应用 知识点:重力式水泥土墙设计

回帖成功

经验值 +10