土木在线论坛 \ 建筑结构 \ 地基基础 \ 浅基础8-基础设计

浅基础8-基础设计

发布于:2022-09-19 13:43:19 来自:建筑结构/地基基础 [复制转发]

浅基础8-基础设计

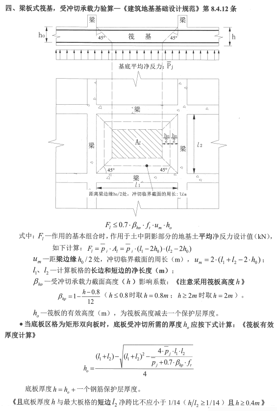
图片

图片

图片

图片

图片

图片

图片

图片

图片

图片

图片

图片

图片

内容源于网络,如有侵权,请联系删除


相关资料推荐:

某公路限高门架钢结构设计及基础设计详图

某工程12米路灯结构及基础设计图


知识点:基础设计

  • daghy
    daghy 沙发

    看一下。学习下这方面的内容

    2022-09-19 14:24:19

    回复 举报
    赞同0
这个家伙什么也没有留下。。。

地基基础

返回版块

12.11 万条内容 · 717 人订阅

猜你喜欢

阅读下一篇

浅基础7-地基稳定性验算

浅基础7-地基稳定性验算 内容源于网络,如有侵权,请联系删除 相关资料推荐: 剪力墙稳定性的验算表格版 竖向钢斜撑(钢管)强度及稳定性验算表格 知识点:地基稳定性验算

回帖成功

经验值 +10