土木在线论坛 \ 建筑结构 \ 地基基础 \ 浅基础6-地基变形计算

浅基础6-地基变形计算

发布于:2022-09-19 13:40:19 来自:建筑结构/地基基础 [复制转发]

浅基础6-地基变形计算

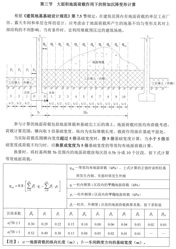
图片

图片

图片

图片

图片

图片

图片

图片

图片

图片

图片

内容源于网络,如有侵权,请联系删除


相关资料推荐:

地基沉降变形计算

CFG桩复合地基承载力及变形计算表


知识点:地基变形计算

全部回复(0 )

只看楼主 我来说两句抢沙发
这个家伙什么也没有留下。。。

地基基础

返回版块

12.11 万条内容 · 717 人订阅

猜你喜欢

阅读下一篇

浅基础5-基础尺寸和埋深计算

浅基础5-基础尺寸和埋深计算 内容源于网络,如有侵权,请联系删除 相关资料推荐: 典型软岩深基础端阻力计算方法探讨 独立基础基底尺寸的直接计算方法 知识点:基础尺寸和埋深计算

回帖成功

经验值 +10