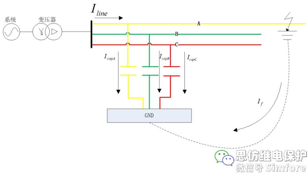
知识点:故障电流
处是否有零序电流?
,故障前
,线路首端流过的电流设为
,线路对地电容流过的电流设为
,线路对地电容
,假设故障前线路空载,系统为无穷大系统,变压器为理想变压器。
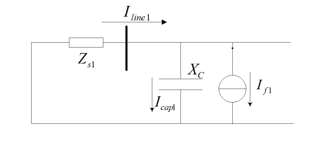
考虑各序故障电流向母线和线路对地电容上分流,正序网络如下图
,
得出相同的结论,同为
。但是线路首端电流、线路对地电容的充电电流却由两种方法得出了两种不同的结论,问题究竟出在哪儿呢?
相电流方法
,
序分量方法
从故障点看进去的正序、负序阻抗与母线上单接一条m线路时相同,零序阻抗有所不同,
,零序阻抗的计算如下图所示:
,
,
,
,
,
相关推荐链接:
0人已收藏
0人已打赏
免费0人已点赞
分享
继电保护
返回版块7.33 万条内容 · 486 人订阅
阅读下一篇
电击时电流对人体的伤害知识点:电击电流 电流可能对人体构成多种伤害。例如,电流通过人体,人体直接接受电流能量将遭到电击;电能转换为热能作用于人体,致使人体受到烧伤或灼伤;人在电磁场照射下,吸收电磁场的能量也会受到伤害等。诸多伤害中,电击的伤害是最基本的形式。 与其他一些伤害不同,电流对人体的伤害事先没有任何预兆。伤害往往发生在瞬息之间,而且伤害人体一旦遭受电击后,防卫能力迅速降低。这两个特点都增加了电流伤害的危险性。
回帖成功
经验值 +10
全部回复(0 )
只看楼主 我来说两句抢沙发