知识点:空载
变压器的空载损耗包括铁损和铜损,铜损主要指原边电流流过原边绕组时产生的损耗,铁损由磁滞损耗和涡流损耗组成。空载损耗以铁损为主,当磁路存在缺陷时可能引发空载损耗数值异常,因此通过空载损耗试验可以发现变压器磁路相关缺陷,如硅钢片间绝缘不良、偏见短路、硅钢片松动、铁芯多点接地、安匝不平衡等。
空载损耗试验接线:
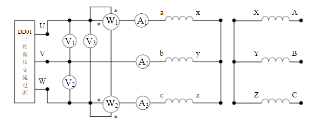
一般为变压器低压侧施加额定频率下的额定电压(单相变压器施加单相电压,三相变压器施加三相电压),除开口三角形联结外的绕组应开路,开口三角形联结绕组应闭合。试验接线如图1所示。

(a)单相变压器空载试验原理接线图

(b)三相变压器空载试验原理接线图
图1 变压器空载试验接线
GB 1094.1-2013 电力变压器 第1部分:总则
GB/T 6451-2008_油浸式电力变压器技术参数和要求
GB/T 25446-2010 油浸式非晶合金铁心配电变压器技术参数和要求
GB/T 1094.11-2007 电力变压器 第11部分:干式变压器
GB T 10228-2015 干式电力变压器技术参数和要求
JB/T 501-2006 电力变压器试验导则
① 接线
空载试验应在绝缘试验合格的基础上进行,被试变压器的分接开头应置于额定分接位置。
② 测量
当用三相电源进行试验时,要求三相电压对称平衡,即负序分量不超过正序分量的5%,三相线电压相差不超过2%,试验中三相电压要保持稳定,三相电压稍有不平衡时,试验电压可取三相电压的算术平均值,也可以用a、c相的线电压代替。
测量仪表的准确度应不低于0.1级,互感器的准确度应不低于0.2级。对于较大容量变压器损耗功率的测量,应使用低功率因数瓦特表。
所测空载损耗是瓦特表指示的代数和,因此接线时必须注意瓦特表电流、电压线卷的极性,若使用互感器应同时注意互感器的极性。
变压器空载损耗数值不应超出标准限值的15%,同时空载损耗与负载损耗之和不超过标准限值的10%。
各类型变压器空载损耗限值如下:
① 常规铁芯油浸式三相变压器
常规铁芯各额定容量、额定电压油浸三相变压器空载损耗、空载电流应符合《GB/T 6451-2008_油浸式电力变压器技术参数和要求》;
表1 常规铁芯各6-10kV油浸三相变压器空载损耗、空载电流限值

② 非晶合金铁芯油浸式三相变压器
非晶合金油浸式三相变压器额定容量、额定电压油浸三相变压器空载损耗、空载电流应符合《GB/T 25446-2010 油浸式非晶合金铁心配电变压器技术参数和要求》。
表2 非金合金铁芯6-10kV油浸三相变压器空载损耗、空载电流限值

③ 干式电力变压器
干式电力变压器各额定容量、额定电压油浸三相变压器空载损耗、空载电流应符合《GB T 10228-2015 干式电力变压器技术参数和要求》。
表3干式6-10kV电力变压器空载损耗、空载电流限值
波形校正要求源自《GB 1094.1-2013 电力变压器 第1部分:总则》:
试验回路应同时有平均值电压表、方均根电压表。试验电压应以平均值电压表读数为准(具有同一平均值的正弦波形的方均根值),令其读数为U’,方均根电压表与平均值电压表并联,读数记为U。如果U’、 U之差不超过3%,则试验电压波形满足要求。
实测控制损耗为Pm,校正后的空载损耗为


波形校正的实质是为了减少试验电压波形畸变引发的铁芯损耗变化。空载损耗试验时由于铁芯工作点接近励磁曲线的拐点段,空载电压会有所畸变,电压波形的畸变将导致铁芯损耗的变化。校正的具体原理详细可见文章《变压器空载损耗测量值的波形校正原理,张宜倜》
现在常用的空载损耗成套试验设备(如功率分析仪)一般带有波形校正功能。
由于试验人员操作习惯、加压设备精度差异,试验中电压幅值偏差难以避免,电压幅值的差异将导致控制损耗的显著变化,甚至造成超出标准限值,因此在施加电压与额定电压存在偏差时,有必要进行电压幅值校正。
变压器空载损耗与外施电压的关系为如式(1)所示,其中U0、P0分别为额定电压和额定电压下的控制损耗,U、P为实际外施电压、实际电压下的控制损耗,n为电压指数,代表了外施电压对空载损耗的影响。

因此,在已知试验电压U、电压指数n的情况下,按照上式可以方便得到额定电压下的空载损耗。然而电压指数n是一个与铁芯类型、容量相关的参数,对于一类变压器,最好通过试验获得其电压指数n。
对上一节式子两边同时取对数,有

进一步变形可得
通过空载试验求取不同外施电压U下对应的空载损耗P,利用式(3)进行直线拟合,所得直线的斜率就是指数n。
根据文献[配电变压器空载损耗的电压校正,变压器,2017],10kV配变电压指数分布于2.3-4.0,推荐采用3.0进行校正。
由于常规试验电源频率偏差极小,因此空载损耗试验一般情况不需要进行频率校正。如果采用特殊频率电源进行空载损耗,应按《JB/T 501-2006 电力变压器试验导则》进行:
当试验频率f与额定频率f,有差异、且偏差不大于士5%时,施加电压应用Uf代替Ur,
测得的空载损耗应按下式进行校正:


P0’—Uf下测得的控制损耗;
P0—校正后的控制损耗;
P1— 磁滞损耗与总的铁心损耗之比;
P2— 涡流损耗与总的铁心损耗之比
对于50Hz和60Hz正常使用的磁感应强度,P,和 P2可采用下表数值
1)变压器空载损耗试验一般在变压器低压侧施加额定频率下的额定电压,其他绕组开路(开口三角除外)下进行测试。
2)影响空载损耗数值的因素包括试验电压波形、试验电压幅值、试验电压频率。
3)波形校正的实质是为了减少试验电压波形畸变引发的铁芯损耗变化。
4)电压幅值校正应注意校正参数的选取,一般配电变压器可选电压指数3.0。
相关推荐链接:
0人已收藏
0人已打赏
免费0人已点赞
分享
电气工程原创版块
返回版块2.2 万条内容 · 598 人订阅
回帖成功
经验值 +10
全部回复(0 )
只看楼主 我来说两句抢沙发