知识点:间接接触
间接接触,是指电气设备正常情况的不带电部分由于绝缘失效或其他原因而变成带电部分,此时人体与它的接触称为间接接触。

在发生接地故障且故障持续的时间内,与该故障点有电气联系设备的外露可导电部分对大地和装置外可导电部分间存在电位差,此电位差可能使人身遭受电击。
间接接触防护措施因接地系统类别不同而存在较大差异,因此间接接触保护比较复杂,相关的国家标准对不同接地系统的间接接触防护做了相应规定,介绍如下。
1.间接接触防护采取的措施包括自动切断电源和如下的特殊措施:
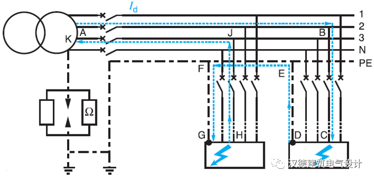
(2)采取电气分隔措施:如采用电压比为1:1的隔离变压器;采用隔离变压器供电举例如下图示,这种情况下一般为安全性要求高的个别设备供电:
(3)采用特低电压供电:如交流供电电压不高于50V的特低压供电;
2.间接接触防护的保护导体及等电位连接要求:
(1)电气装置的外露可导电部分,需与保护导体相连接;
(3)当自动断电电器不能满足断电要求时,采用局部等电位连接或辅助等电位连接,保证人体接触故障点时的接触电压不超过50V;也就是可同时触及的设备外壳与设备外可导电点之间的电位差不超过50V。
3.TN系统的自动断电措施
(1)防护原理:在TN 系统中,任一对地的绝缘故障也就是相线和中性线间的短路故障,由于短路阻抗很小,因此故障电流很大,可采用过电流保护电器来切断电源。
(2)TN 系统中配电线路的间接接触防护电器的动作特性如下:

TN 系统中配电线路的间接接触防护电器切断故障回路的时间,对配电线路或仅供给固定式电气设备用电的末端线路,不大于5s; 其他情况不超过下表所列时间(根据《GB16895.21-2011 低压电气装置 电击防护》)。
表1 TN系统交流故障切断时间

断路器的瞬时脱扣元件可在0.1s 内切除对地短路电流。
只要计算求得的故障回路短路电流大于瞬动整定电流或短延时整定电流,就可以满足在允许的时间内的跳闸(自动切断电源)要求。
除保证故障回路的短路电流Ia大于断路器瞬时动作电流整定值Iset3外,考虑到断路器瞬时脱扣器的可靠动作(断路器的制造误差),需
Ia≥1.3
Iset3
。
能保证熔断器正确熔断的电流值可从该熔断器的电流/时间性能曲线上查到。
如下图,在熔断器的电流/时间性能曲线上,故障电流Uo/Zs须大大超过保证熔断器及时熔断的电流值
Ia,才能保证在规定时间内可靠熔断,从而确保自动断电要求。

对于TN系统采用断路器或熔断器自动断电保护的回路,需要很大的故障电流来保证保护电器可靠动作;因此需要保证故障回路的阻抗不超过上述公式中的
Zs值,一般来说需要尽量降低故障回路的阻抗。
(5)TN 系统采用剩余电流动作保护器作为自动断电保护
RCD 的额定脱扣电流一般在30mA到几A之间,比故障电流几十安到几千安小很多,故障回路的电阻较大的情况下就能满足很小的故障动作电流要求,因此RCD在以下场合适用:
4.TT 系统的自动断电措施
(1)原理简述:TT系统故障回路阻抗主要由电源端和设备端两个接地极串联的阻抗组成(通常在十几Ω到几十Ω之间),因此其接地故障电流的幅值通常比较小,不足以使过电流脱扣器或熔断器动作,
一般需采用剩余电流动作保护器来自动切断电源;设备端在采用同一共用接地极的情况下相同。
(2)TT 系统内采用 RCD 作自动切断电源防护措施时,其动作特性满足下式,也就是保证故障电流在导致触电的接地回路上的电压不超过50V:

其中:
Ia一保证间接接触保护电器在规定时间内切断故障回路的动作电流(A)
Ra一回路电阻,包括外露可导电部分的接地电阻和保护导体电阻 (Ω);
(3)TT 系统自动切断回路除采用剩余电流动作保护器,可采用断路器、熔断器和漏电保护器,
(4)TT 系统自动切断时间,根据《GB16895.21-2011 低压电气装置 电击防护》,TT系统规定的最大切断时间见下表:
表2 TT 系统交流故障切断时间

5.IT系统自动断电措施
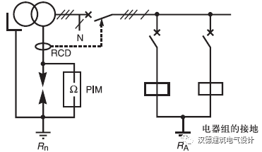
(1)IT系统第一次接地故障时的故障电流很小,能满足这一规定的要求,故障电压很小,既不能对人体构成危险,也不会对电气装置造成损坏。维持供电的不间断是 IT 系统的最大优点,但第一次故障时需要做一下两点:
---①应设置绝缘监测器。在第一次接地故障或绝缘电阻低于规定的整定值时,应由绝缘监测器发出音响和灯光信号,信号持续到故障消除。
(2)IT系统第二次接地故障时,须快速切除故障;分两种情况:

可采用熔断器或过电流保护电器来自动切断电源。在确定过电流保护电器故障动作整定值时,通常按两个设备都在回路的远端考虑,取回路阻抗的两倍值。

不配出中性导体时,故障电压按照线电压考虑,见下式:

式中:Uo—相线对中性线的电压;
Ia— 间接接触保护电器在规定时间内切断故障回路的动作电流(A)


(3)IT 系统的切断电源时间,视不同电气装置和变电所接地极是否互相连接而定。
对额定电流不大于 32 A 为电气设备供电的末端电路,且其外露导电部分系与变电所的接地极连接时,这些同一组的回路内如果发生两个故障时,其短路电流与 TN 系统相同,其最大切断时间也与TN系统要求相同。
对额定电流不大于 32 A为电气设备供电的末端回路,且其外露导电部分与变电所接地极无电气联系的单独的接地极时,当发生两个故障时,其中一个故障发生在这一个组内,另一个故障则发生在另一组内,故障电流与 TT 系统相同,其最大切断时间也与TT系统要求相同。
相关推荐链接:
1、电气化铁道接触网
2、电气化铁道接触网工程施工技术讲议
全部回复(0 )
只看楼主 我来说两句抢沙发