1 总则
1.0.7 公路桥涵地基与基础设计除应符合本规范的规定外,尚应符合国家和行业现行有关标准的规定。
2 术语和符号
2.1 术语
2.1.1 地基 ground;foundation soils
承受结构作用的土体或岩体。
2.1.2 基础 foundation
将结构所承受的各种作用传递到地基上的下部结构。
2.1.3 地基承载力特征值 characteristic value of subsoil bearing capacity
由载荷试验测定的地基土压力-变形曲线线性变形段内规定的变形所对应的压力值。
2.1.4 节理 joint
岩体破裂面两侧岩层无明显位移的裂缝或裂隙。
2.1.5 持力层 bearing stratum
直接承受基础作用的地层。
2.1.6 下卧层 underlying stratum
位于持力层以下,处于被压缩或可能被剪损的一定深度内的土层。
2.1.7 重力密度(简称重度)gravity density
单位体积岩土所承受的重力,为岩土的密度与重力加速度的乘积。







注:碎石土分类时根据粒组含量从大到小以最先符合者确定。
4.1.9 碎石土密实度可根据重型动力触探锤击数N63.5按表4.1.9进行分级。当缺乏试验数据时,碎石土平均粒径大于50mm或最大粒径大于100mm时,可按本规范附录表A.0.2鉴别其密实度。
表 4.1.9 碎石土密实度

注:1. 本表适用于平均粒径小于或等于50mm且最大粒径不超过100mm的卵石、碎石、圆砾、角砾;
2. 表内N63.5为经修正后锤击数的平均值。4.1.10 砂土为粒径大于2mm的颗粒含量不超过总质量50%且粒径大于0.075mm的颗粒超过总质量50%的土。砂土可按表4.1.10进行分类。
表4.1.10 砂土分类

注:砂土分类时根据粒组含量从大到小以最先符合者确定。
4.1.11 砂土的密实度可根据标准贯入锤击数按表4.1.11 进行分级。
表4.1.11 砂土的密实度

4.1.12 粉土为塑性指数IP≤10且粒径大于0.075mm的颗粒含量不超过总质量50%的土。粉土的密实度和湿度应分别按表4.1.12-1和表4.1.12-2进行分类。

4.1.13 黏性土为塑性指数IP>10且粒径大于0.075mm的颗粒含量不超过总质量50%的土。黏性土应根据塑性指数按表4.1.13进行分类。
表4.1.13 黏性土的分类

注:液限和塑限分别按76g锥试验确定。
4.1.14 黏性土的软硬状态可根据液性指数IL按表4.1.14划分。
表4.1.14 黏性土的软硬状态分类

4.1.15 黏性土可根据沉积年代按表4.1.15进行分类。
表4.1.15 黏性土的沉积年代分类

4.1.16 黏性土的压缩性可根据压缩系数值a1-2按表4.1.16进行分类。4.1.16 黏性土的压缩性分类


4.1.19 在静水或缓慢的流水环境中沉积,并经生物化学作用形成,其天然含水率大于液限、天然孔隙比大于或等于1.5的黏性土应定为淤泥。当天然含水率大于液限而天然孔隙比小于1.5但大于或等于1.0的黏性土或粉土可定为淤泥质土。
4.1.20 土中黏粒成分主要由亲水性矿物组成,同时具有显著的吸水膨胀和失水收缩特性,其自由膨胀率大于或等于40%的黏性土应定为膨胀土。
4.1.21 浸水后产生附加沉降且湿陷系数大于或等于0.015的土应定为湿陷性土。
4.1.22 碳酸盐岩系的岩石经红土化作用形成的液限大于50的高塑性黏土应定为红黏土。红黏土经再搬运后仍保留其基本特征且其液限大于45的土应定为次生红黏土。
4.1.23 土中易溶盐含量大于0.3%,并具有溶陷、盐胀、腐蚀等工程特性的土应定为盐渍土。
4.1.24 填土根据其组成和成因,可分为素填土、压实填土、杂填土、冲填土。素填土为由碎石土、砂土、粉土、黏性土等组成的填土;经过压实或夯实的素填土为压实填土;杂填土为含有建筑垃圾、工业废料、生活垃圾等杂物的填土;冲填土为由水力冲填泥沙形成的填土。
4.2 工程特性
4.2.1 岩土的工程特性可采用抗压强度、抗剪强度、压缩性、湿陷性、动力触探锤击数、静力触探探头阻力、载荷试验承载力、地基承载力、侧摩阻力、端阻力等特性指标描述。
4.2.2 地基及岩土的工程特性指标的代表值可采用平均值、标准值或特征值。岩土强度指标应取标准值,压缩性指标应取平均值,地基承载力指标应取特征值。
4.2.3 土的浅层平板载荷试验和深层平板载荷试验应分别符合本规范附录B、C的规定;岩基的载荷试验应符合本规范附录D的规定。
4.2.4 土的压缩模量、压缩系数、变形模量等压缩性指标可采用室内压缩、原位浅层或深层平板载荷、旁压等试验确定。
4.2.5 公路桥涵地基岩土的工程特性指标确定方法,本规范未明确规定的均应符合现行《公路工程地质勘察规范》(JTG C20)的规定,并应与计算分析方法、实际工程加载、地基排水等条件相符。
4.3 地基承载力
4.3.1 桥涵地基承载力的验算应以修正后的地基承载力特征值fa乘以地基承载力抗力系数γR控制,并应符合下列要求:
1 修正后的地基承载力特征值fa应基于地基承载力特征值fa0,根据基础基底埋深、宽度及地基土的类别按本规范第4.3.4条的规定修正确定。
2 软土地基承载力特征值可按本规范第4.3.5条的规定确定。
3 地基承载力抗力系数γR可按本规范第3.0.7条规定确定。
4 其他特殊性岩土地基的承载力特征值及抗力系数应根据各地区经验或标准规范确定。
4.3.2 地基承载力特征值fa0宜由载荷试验或其他原位测试方法实测取得,其值不应大于地基极限承载力的1/2。对中小桥、涵洞,当受现场条件限制或开展载荷试验和其他原位测试确有困难时,也可按本规范第4.3.3条有关规定确定。
4.3.3 根据岩土类别、状态、物理力学特性指标及工程经验确定地基承载力特征值fa0时,可按表4.3.3-1至表4.3.3-7的规定进行:
1 一般岩石地基可根据强度等级、节理按表4.3.3-1确定其承载力特征值fa0。对复杂的岩层(如溶洞、断层、软弱夹层、易溶岩石、崩解性岩石、软化岩石等)应按各项因素综合确定。
表4.3.3-1 岩石地基承载力特征值fa0 (kPa)

2 碎石土地基可根据其类别和密实程度按表4.3.3-2确定其承载力特征值fa0。
表4.3.3-2 碎石土地基承载力特征值fa0(kPa)

注:1. 由硬质岩组成,填充砂土者取高值;由软质岩组成,填充黏性土者取低值。
2. 半胶结的碎石土按密实的同类土提高10%~30%。
3. 松散的碎石土在天然河床中很少遇见,需特别注意鉴定。
4. 漂石、块石参照卵石、碎石取值并适当提高
3 砂土地基可根据土的密实度和水位情况按表4.3.3-3确定其承载力特征值fa0。
表4.3.3-3砂土地基承载力特征值fa0(kPa)

4 粉土地基可根据土的天然孔隙比e和天然含水率w(%)按表4.3.3-4确定其承载力特征值fa0。
表4.3.3-4 粉土地基承载力特征值fa0(kPa)

5 老黏性土地基可根据压缩模量Es按表4.3.3-5确定地基承载力特征值fa0。
表 4.3.3-5 老黏性土地基承载力特征值fa0(kPa)

注:当老黏性土Es<10MPa时,地基承载力特征值fa0按一般黏性土(表4.3.3-6)确定。
6 6 一般黏性土可根据液性指数IL和天然孔隙比e按表4.3.3-6确定其地基承载力特征值fa0。
表4.3.3-6 一般黏性土地基承载力特征值fa0(kPa)

注:1.土中含有粒径大于2mm的颗粒质量超过总质量30%以上者,fa0可适当提高。
2.当e<0.5时,取e=0.5;当IL<0时,取IL=0。此外,超过表列范围的一般黏性土,fa0=57.22Es0.57。
3.一般黏性土地基承载力特征值fa0取值大于300kPa时,应有原位测试数据作依据。
7 新近沉积黏性土地基可根据液性指数IL和天然孔隙比e按表4.3.3-7确定其地基承载力特征值fa0。
表4.3.3-7 新近沉积黏性土地基承载力特征值fa0(kPa)

4.3.4 修正后的地基承载力特征值fa可按式 (4.3.4)确定。当基础位于水中不透水地层上时,fa可按平均常水位至一般冲刷线的水深按10kPa/m提高。

式中:fa——修正后的地基承载力特征值(kPa);
b——基础底面的最小边宽(m),当b<2m时,取b=2m;当b>10m时,取b=10m;
h——基底埋置深度(m),从自然地面起算,有水流冲刷时自一般冲刷线起算;当h<3m时,取h=3m;当h/b>4时,取h=4b;
k1,k2——基底宽度、深度修正系数,根据基底持力层土的类别按表4.3.4确定;
γ1——基底持力层土的天然重度(kN/m3)。若持力层在水面以下且为透水者,应取浮重度;
γ2——基底以上土层的加权平均重度(kN/m3),换算时若持力层在水面以下,且不透水时,不论基底以上土的透水性质如何,均取饱和重度;当透水时,水中部分土层取浮重度。
表4.3.4 地基土承载力宽度、深度修正系数k1,k2系数

注:1. 对稍密和松散状态的砂、碎石土,k1,k2值可采用表列中密值的50%。
2. 强风化和全风化的岩石,可参照所风化成的相应土类取值;其他状态下的岩石不修正。
4.3.5 软土地基承载力应按下列规定确定:
1 软土地基承载力特征值fa0应由载荷试验或其他原位测试取得。载荷试验和原位测试确有困难时,对中小桥、涵洞基底未经处理的软土地基修正后的地基承载力特征值fa可采用下列两种方法确定:
1)根据原状土天然含水率w,按表4.3.5确定软土地基承载力特征值fa0,然后按式(4.3.5-1)计算修正后的地基承载力特征值fa:

2)根据原状土强度指标确定软土地基修正后的地基承载力特征值fa:

式中:m——抗力修正系数,可视软土灵敏度及基础长宽比等因素选用1.5~2.5;
Cu——地基土不排水抗剪强度标准值(kPa);
kp——系数;
H——由作用(标准值)引起的水平力(kN);
b——基础宽度(m),有偏心作用时,取b-2eb;
l——垂直于b边的基础长度(m),有偏心作用时,取l-2el;
eb、el——偏心作用在宽度和长度方向的偏心距。
2 经排水固结方法处理的软土地基,其承载力特征值fa0应通过载荷试验或其他原位测试方法确定;经复合地基方法处理的软土地基,其承载力特征值应通过载荷试验确定;然后按式(4.3.5-1)计算修正后的软土地基地基承载力特征值fa。
5 浅基础
5.1 埋置深度
5.1.1 公路桥涵墩台基础基底的埋置深度应符合下列规定: 1 非岩石河床桥梁墩台基底埋深安全值不宜小于表5.1.1的规定。
表5.1.1 基底埋深安全值(m)

注:1.总冲刷深度为自河床面算起的河床自然演变冲刷、一般冲刷与局部冲刷深度之和。
2.若对设计流量、水位和原始断面资料无把握或不能获得河床演变准确资料时,表中数值宜适当加大。
3.若桥位上下游有已建桥梁,应调查已建桥梁的特大洪水冲刷情况,新建桥梁墩台基础埋置深度不宜小于已建桥梁的冲刷深度且酌加必要的安全值。
4.如河床上有铺砌层时,基础底面宜设置在铺砌层顶面以下不小于1m。 2 岩石河床墩台基底最小埋置深度可参考现行《公路工程水文勘测设计规范》(JTG C30)的规定确定。
3 位于河槽的桥台,当其总冲刷深度小于桥墩总冲刷深度时,桥台基底高程应与桥墩相同。位于河滩的桥台,对不稳定河流,桥台基底高程应与桥墩相同;对稳定河流,桥台基底高程可按桥台冲刷计算结果确定。
4 对涵洞基础,在无冲刷处(岩石地基除外),应设在地面或河床底以下埋深不小于1m
5.1.2 地基为冻胀土层时,桥涵墩台基础基底埋置深度应符合下列规定: 1 上部结构为超静定结构时,基底应埋入冻结线以下不小于0.25m。
2 当墩台基础容许设置在季节性冻胀土层中时,基底的最小埋置深度可按下式计算:

式中:dmin——基底最小埋置深度(m);
zd——设计冻深(m);
z0——标准冻深(m),无实测资料时,可按附录E采用;
ψzs——土的类别对冻深的影响系数,按表5.1.2-1查取;
ψzw——土的冻胀性对冻深的影响系数,按表5.1.2-2查取,季节性冻胀土分类见本规范表E.0.2;
ψze——环境对冻深的影响系数,按表5.1.2-3查取;
ψzg——地形坡向对冻深的影响系数,按表5.1.2-4查取;
ψzf——基础对冻深的影响系数,取ψzf=1.1;
hmax——基础底面下容许最大冻层厚度(m),按表5.1.2-5查取,季节性冻胀土分类见本规范表E.0.2。

注:当城市市区人口为20~50万时,按城市近郊取值;当城市市区人口大于50万小于或等于100万时,按城市市区取值;当城市市区人口超过100万时,按城市市区取值,5km以内的郊区按城市近郊取值。

3 涵洞基础设置在季节性冻土地基上时应满足下列要求:
1)出入口和自两端洞口向内各2m~6m范围内(或可采用不小于2m的一段涵节长度)涵身基底的埋置深度可按式(5.1.2-1)计算确定。
2)涵洞中间部分的基础埋深,可根据地区经验确定。
3)严寒地区,当涵洞中间部分基础的埋深与洞口埋深相差较大时,其连接处应设置过渡段。
4)冻结较深地区,也可采用将基底至冻结线处的地基土换填为粗颗粒土(包括碎石土、砾砂、粗砂、中砂,但其中粉黏粒含量不应大于15%,或粒径小于0.1mm的颗粒不应大于25%)的措施
4 当墩台基底设置在不冻胀土层中时,基底埋深可不受冻深的限制。
5.1.3 墩台基础顶面高程宜根据桥位情况、施工难易程度、美观与整体协调综合确定。
5.2 地基承载力及基底偏心距验算
5.2.1 桥梁墩台地基验算时,应考虑修建和使用期间可能发生的各项作用,并应满足下列规定:
1 当桥台台背填土的高度在5m以上时,应考虑台背填土对桥台基底处的附加竖向压应力,可按本规范附录F的规定计算。
2 对软土或软弱地基,当相邻墩台的距离小于5m时,应考虑邻近墩台对软土或软弱地基所引起的附加竖向压应力。
3 对桥台基础,当台背地基土质不良时,应验算桥台与路堤同时滑动的稳定性。
5.2.2 不考虑嵌固作用的基础底面岩土的承载力可按下式验算:
1 当基底只承受轴心荷载时:

式中:p——基底平均压应力(kPa);
N——本规范第3.0.6条规定的作用组合下基底的竖向力(kN); A——基础底面面积(m2)。
2 当基底单向偏心受压时,除满足本条第1款规定外,尚应符合下列条件:

式中:pmax——基底最大压应力(kPa);
M——本规范第3.0.6条规定的作用组合下墩台的水平力和竖向力对基底重心轴的弯矩(kN·m);
W——基础底面偏心方向的面积抵抗矩(m3)。
3 当基底双向偏心受压时,除满足本条第1款外,尚应符合下列条件:

式中:Mx、My——作用于墩台的水平力和竖向力对基底分别对x轴、y轴的弯矩(kN·m);
Wx、Wy——基础底面偏心方向边缘对x轴、y轴的面积抵抗矩(m3)。5.2.3 当设置在基岩上的墩台基底承受单向偏心荷载,且其偏心距e0超过相应的截面核心半径ρ时,宜仅按受压区计算基底最大压应力(不考虑基底承受拉力,见图 5.2.3)。基底为矩形截面时,其最大压应力pmax可按下式计算:

式中:b——偏心方向基础底面的边长(m);
a——垂直于b边基础底面的边长(m);
e0——N作用点距截面重心的距离(m);
N——墩台基础承受的单向偏心荷载(kN)。

图 5.2.3 基岩上矩形截面基底单向偏心受压应力重分布示意
5.2.4 当设置在基岩上的墩台基底承受双向偏心荷载,且其偏心距e0超过相应的截面核心半径ρ时,宜仅按受压区计算基底压应力(不考虑基底承受拉应力)。基底为矩形和圆形截面时,其最大压应力可按本规范附录G确定。5.2.5 桥涵墩台应验算作用于基底的合力偏心距,并应满足下列规定: 1 桥涵墩台基底的合力偏心距容许值[e0]应符合表5.2.5的规定。
表5.2.5 墩台基底的合力偏心距容许值[e0]

2 基底以上外力作用点对基底重心轴的偏心距e0可按式(5.2.5-1)计算:

式中:M——所有外力(竖向力、水平力)对基底截面重心的弯矩(kN·m);
N——作用于基底的竖向力(kN)。
3 基底承受单向或双向偏心受压的截面核心半径ρ值可按下式计算:

式中:pmin——基底最小压应力,当为负值时表示拉应力(kPa)。
5.2.6 在基础底面下有软弱地基或软土层时,应按下式验算软弱地基或软土层的承载力:

式中:pz——软弱地基或软土层的压应力(kPa);
h——基底处的埋置深度(m)。当基础受水流冲刷时,由一般冲刷线算起;当不受水流冲刷时,由天然地面算起;如位于挖方内,则由开挖后地面算起;
z——从基底处到软弱地基或软土层地基顶面的距离(m);
γ1——深度(h+z)范围内各土层的换算重度(kN/m3); γ2——深度h范围内各土层的换算重度(kN/m3);
α——土中附加压应力系数,参见本规范第J.0.1条;
p——基底压应力(kPa),当z/b>1时,p采用基底平均压应力,b为矩形基底的宽度;当z/b≤1时,p为基底压应力图形距最大压应力点b/3~b/4处的压应力(对梯形图形前后端压应力差值较大时,可采用上述b/4点处的压应力值;反之,则采用上述 b/3处压应力值);
fa——软弱地基或软土层地基顶面土的承载力特征值,按本规范第4.3.4条或第4.3.5条规定采用。
5.3 沉降验算
5.3.1 当墩台建在地质情况复杂、土质不均匀、承载力较差的地基上及下卧层为压缩性较大的厚层软黏土时,或相邻跨径差别悬殊而需计算沉降差或跨线桥净高需预先考虑沉降量时,均应计算其沉降。
5.3.2 计算沉降时,传递至基底的作用效应应按本规范第3.0.8条规定执行。5.3.3 墩台的沉降应符合下列规定:
1 相邻墩台间不均匀沉降差值(不包括施工中的沉降),不应使桥面形成大于2‰的附加纵坡(折角)。
2 超静定结构桥梁墩台间不均匀沉降差值,还应满足结构的受力要求。
5.3.4 墩台基础的最终沉降量,可按下列公式计算:

式中:s——地基最终沉降量(mm);
s0——按分层总和法计算的地基沉降量(mm);
ψs——沉降计算经验系数,根据地区沉降观测资料及经验确定,缺少沉降观测资料及经验数据时,可按本规范第5.3.5条确定;
n——地基沉降计算深度范围内所划分的土层数(图5.3.4); p0——对应于作用的准永久组合时基础底面处附加压应力(kPa);
Esi——基础底面下第i层土的压缩模量(MPa),应取土的“自重压应力”至“土的自重压应力与附加压应力之和”的压应力段计算;
zi、zi-1——基础底面至第i层土、第i-1层土底面的距离(m); αi、αi-1——基础底面计算点至第i层土、第i-1层土底面范围内平均附加压应力系数,可本规范第J.0.2条取用;
p——基底压应力(kPa),当z/b>1时,p采用基底平均压应力,b为矩形基底宽度;z/b≤1时,p为压应力图形距最大压应力点b/3~b/4处的压应力(对梯形图形前后端压应力值)。
h——基底埋置深度(m),当基础受水流冲刷时,从一般冲刷线算起;当不受水流冲刷时,从天然地面算起;如位于挖方内,则由开挖后地面算起; γ——h内土的重度(kN/m3),基底为透水地基时水位以下取浮重度。

图 5.3.4 基底沉降计算分层示意
5.3.5 沉降计算经验系数ψs可按表5.3.5确定。沉降计算范围内压缩模量的当量值Es可按下式计算:

式中:Ai——第i层土的附加压应力系数沿土层厚度的积分值。
表 5.3.5 沉降计算经验系数ψs

5.3.6 地基沉降计算时设定计算深度zn,应符合式(5.3.6)的要求;当计算深度下面仍有较软土层时,应继续计算。

式中:△sn——在计算深度zn底面向上取厚度为△z的土层的计算沉降量(mm),△z见图5.3.4并按表5.3.6采用;
△si—— 在计算深度范围内,第i层土的计算沉降量(mm)。
表5.3.6 △z值

5.3.7 当无相邻荷载影响且基底宽度在1~30m范围内时,基底中心的地基沉降计算深度zn也可按下列简化公式计算:

式中:b——基础宽度(m);
zn——基底中心的地基沉降计算深度(m)。
在计算深度范围内存在基岩时,zn可取至基岩表面;当存在较厚的坚硬黏土层,其孔隙比小于0.5、压缩模量大于50MPa,或存在较厚的密实砂卵石层,其压缩模量大于80MPa时,zn可取至该土层表面。
5.4 稳定性验算
5.4.1 桥涵墩台基础的抗倾覆稳定应按下式计算(图 5.4.1):

式中:k0——墩台基础抗倾覆稳定性系数;
s——在截面重心至合力作用点的延长线上,自截面重心至验算倾覆轴的距离(m);
e0——所有外力的合力R在验算截面的作用点对基底重心轴的偏心距(m);
Pi——不考虑其分项系数和组合系数的作用标准值组合或偶然作用标准值组合引起的竖向力(kN);
ei——竖向力Pi对验算截面重心的力臂(m)
Hi——不考虑其分项系数和组合系数的作用标准值组合或偶然作用标准值组合引起的水平力(kN);
hi——水平力对验算截面的力臂(m)。
注:1. 弯矩应视其绕验算截面重心轴的不同方向取正负号;
2. 对矩形凹缺的多边形基础,其倾覆轴应取基底截面的外包线。

图 5.4.1 墩台基础的稳定验算示意图
(a)立面;(b)平面(单向偏心);(c)平面(双向偏心)O——截面重心;R——合力作用点;A-A——验算倾覆轴
5.4.2 桥涵墩台基础的抗滑动稳定性系数kc应按下式计算:

式中:kc——桥涵墩台基础的抗滑动稳定性系数;
∑Pi——竖向力总和(kN);
∑HiP——抗滑稳定水平力总和(kN);
∑Hia——滑动水平力总和(kN);
μ——基础底面与地基土之间的摩擦系数,通过试验确定。当缺少实际资料时,可参照表5.4.2采用。
注:∑HiP和∑Hia分别为两个相对方向的各自水平力总和,绝对值较大者为滑动水平力∑Hia,另一为抗滑稳定力∑HiP;μ∑Pi为抗滑动稳定力。
表5.4.2 基底摩擦系数

5.4.3 验算墩台抗倾覆和抗滑动稳定性时,稳定性系数不应小于表5.4.3规定的限值。
表 5.4.3 抗倾覆和抗滑动稳定性系数限值

5.4.4 当基础位于季节性冻土或多年冻土土层中时,应验算抗冻拔稳定性,计算方法可参照本规范附录H。
6 桩基础
6.1 一般规定
6.1.1 桩基础除应根据有关规范规定进行结构本身设计外,还应按下列规定进行设计:
1 根据使用功能和受力特征分别进行桩基整体或单桩的竖向承载能力和水平承载能力的验算。
2 对位于坡地、岸边的桩基,应验算其在最不利荷载组合效应下的整体稳定性。
6.1.2 桩基础可按下列规定分类:
1 按承载性状分为:
1)摩擦型桩,桩顶荷载主要由桩侧阻力承受,并考虑桩端阻力。
2)端承型桩,桩顶荷载主要由桩端阻力承受,并考虑桩侧阻力。
2 按成桩方法分为:
1)非挤土型桩,包括干作业法钻(挖)孔灌注桩、挤扩孔灌注桩、泥浆护壁法钻孔灌注桩、套管护壁法钻孔灌注桩等。
2)部分挤土型桩,包括预钻孔沉桩、敞口预应力混凝土管桩、敞口钢管桩、根式灌注桩等。
3)挤土型桩,即沉桩,包括通过锤击、静压、振动等方法沉入的预制桩、闭口预应力混凝土管桩和闭口钢管桩等。
6.1.3 桩基础的承台底面高程应符合下列要求:
1 季节性冻胀土地区,承台底面在土中时,其埋置深度应符合本规范第5.1.2条的有关规定。
2 有流冰的河流,其高程应在最低冰层底面以下不小于0.25m。
3 当有流筏、其他漂流物或船舶撞击时,承台底面高程应保证桩不受直接撞击。
6.1.4 位于季节性冻土地区的桩,若桩间需设横系梁,其位置应避开冻胀层。
6.1.5 在同一群桩基础中,不宜同时采用摩擦型桩和端承型桩,也不宜采用直径不同、材料不同和桩端深度相差过大的桩。
6.1.6 对具有下列情况的大桥、特大桥,应通过静载试验确定单桩承载力。
1 桩的入土深度远超过常用桩。
2 地质情况复杂,难以确定桩的承载力。
3 新型桩基础或采用新工艺施工的桩基础。
4 有其他特殊要求的桥梁桩基础。
6.2 构造
6.2.1 混凝土桩的尺寸宜满足下列构造要求:
1 钻孔桩设计直径不宜小于0.8m。
2 挖孔桩直径或最小边宽度不宜小于1.2m。
3 混凝土管桩直径可采用0.4~1.2m,管壁最小厚度不宜小于80mm。6.2.2 混凝土桩应满足下列构造规定:
1 桩身混凝土强度等级不应低于C25,当采用强度标准值400MPa及以上钢筋时不应低于C30;管桩填芯混凝土不应低于C20。
2 钢筋混凝土沉桩的桩身配筋应按运输、沉入和使用各阶段内力要求通长配筋。桩的两端和接桩区箍筋或螺旋筋的间距应加密,其值可取40~50mm。
3 钻(挖)孔桩可按桩身内力大小分段配筋。当内力计算表明不需配筋时,应在桩顶3~5m内设构造钢筋。配筋应符合下列要求:
1)桩内主筋直径不应小于16mm,每桩的主筋数量不应少于8根,其净距不应小于80mm且不应大于350mm。
2)配筋较多时,可采用束筋,束筋的单根钢筋直径不应大于36mm,束筋的单根钢筋根数,当其直径不大于28mm时不应多于3根,当其直径大于28mm时应为2根。
3)钢筋的保护层厚度应满足现行《公路钢筋混凝土及预应力混凝土桥涵设计规范》(JTG 3362)的规定。
4)闭合式箍筋或螺旋筋直径不应小于主筋直径的1/4,且不应小于8mm,其中距不应大于主筋直径的15倍,且不应大于300mm。
5)钢筋笼骨架上每隔2~2.5m应设置直径16~32mm的加劲箍一道。 6)钢筋笼四周应设置凸出的定位混凝土块或采用其他可行的定位措施。 7)钢筋笼底部的主筋宜稍向内弯曲。
4 钢筋混凝土预制桩的分节长度应根据施工条件确定,并应尽量减少接头数量。接头强度不应低于桩身强度,接头法兰盘不应凸出于桩身之外,在沉桩时和使用过程中接头不应松动和开裂。
5 桩端嵌入非饱和状态强风化岩的预应力混凝土敞口管桩,应采取有效的桩端持力层防渗水软化措施。
6.2.3 钢管桩应满足下列构造规定:
1 钢管桩的焊接接头应采用等强度对接连接。
2 钢管桩的端部形式,应根据桩所穿越的土层、桩端持力层性质、桩的尺寸、挤土效应等因素综合考虑确定。钢管桩可采用下列桩端形式:
1)敞口带加强箍(带内隔板、不带内隔板)、敞口不带加强箍(带内隔板、不带内隔板);
2)闭口平底、锥底。
3 钢管桩直径及壁厚宜满足下列要求:
1)直径与壁厚之比不宜大于100。
2)抗锤击要求的最小壁厚,可根据经验或按下式确定:

式中:t——钢管桩壁厚(mm);
d——钢管桩直径(mm)。
6.2.4 钢管混凝土组合桩的钢管构造应符合本规范第6.2.3条的规定,其直径d与壁厚t之比d/t可按式(6.2.4)计算:

式中:fd——钢材的强度设计值(MPa)。
6.2.5 钢管桩或钢管混凝土组合桩可根据环境条件采用下列防腐处理措施:
1 外壁加覆防腐涂层或其他覆盖层。
2 增加管壁预留腐蚀裕量厚度。海水环境中钢管桩的单面年平均腐蚀速度可按表6.2.5取值,有条件时也可根据现场实测确定。其他条件下,在平均低水位以上,年平均腐蚀速度可取0.06mm/年;平均低水位以下,年平均腐蚀速度可取0.03mm/年。
表 6.2.5 海水环境中钢桩单面年平均腐蚀速度

注:1.表中年平均腐蚀速度适用于pH=4~10的环境条件,对有严重污染的环境,应适当增大。
2.对水质含盐量层次分明的河口或年平均气温高、波浪大和流速大的环境,其对应部位的年平均腐蚀速度应适当增大。
3 水下采取阴极保护。
4 选用耐腐蚀钢种。
5 当钢管内壁同外界隔绝时,可不考虑内壁防腐。
6.2.6 桩的布置和中距应符合下列规定:
1 群桩的布置可采用对称形、梅花形或环形。
2 摩擦型桩的中距应符合下列要求:
1)锤击、静压沉桩,在桩端处的中距不应小于桩径(或边长)的3倍,对软土地基宜适当增大;振动沉入砂土内的桩,在桩端处的中距不应小于桩径(或边长)的4倍。桩在承台底面处的中距不应小于桩径(或边长)的1.5倍。 2)钻孔桩中距不应小于桩径的2.5倍。
3)挖孔桩中距可按钻孔桩采用。
3 支承或嵌固在基岩中的端承型钻(挖)孔桩的中距不宜小于桩径的2倍。 4 钻(挖)孔扩底灌注桩的中距不应小于1.5倍扩底直径和扩底直径加1m的较大者。
5 对边桩(或角桩)外侧与承台边缘的距离,桩直径(或边长)小于或等于1m时,不应小于0.5倍桩径(或边长)且应不小于250mm;桩直径大于1m时,不应小于0.3倍桩径(或边长)且应不小于500mm。
6.2.7 承台和横系梁的构造应符合下列规定:
1 承台的厚度不宜小于桩直径的1.5倍,且不宜小于1.5m,混凝土强度等级不应低于C25,当采用强度标准值400MPa及以上钢筋时不应低于C30。 2 当桩顶直接埋入承台连接时,应在每根桩的顶面上设1~2层钢筋网。当桩顶主筋伸入承台时,承台底面内宜设一层钢筋网,底面内每一方向的钢筋用量宜为1200~1500mm2/m,钢筋直径宜采用12~16mm。
3 当用横系梁加强桩之间的整体性时,横系梁的高度可取0.8~1.0倍的桩直径,宽度可取0.6~1.0倍的桩直径。混凝土的强度等级不应低于C25;当采用强度标准值400MPa及以上钢筋时,不应低于C30。纵向钢筋不应少于横系梁截面面积的0.15%;箍筋直径不应小于8mm,且其间距不应大于400mm。
6.2.8 桩与承台、横系梁的连接应符合下列要求:
1 对混凝土桩直接埋入承台的连接,当桩径(或边长)小于0.6m时,埋入长度不应小于2倍桩径(或边长);当桩径(或边长)为0.6~1.2m时,埋入长度不应小于1.2m;当桩径(或边长)大于1.2m时,埋入长度不应小于桩径(或边长)。
2 对混凝土桩主筋伸入承台的连接,桩身嵌入承台内的深度可采用100mm;伸入承台内的桩顶主筋可做成喇叭形(相对竖直线倾斜约15°);伸入承台内的主筋长度,HPB300钢筋不应小于40倍钢筋直径(设弯钩),带肋钢筋不应小于35倍钢筋直径(不设弯钩)。
3 对大直径灌注桩的一柱一桩连接,可设置横系梁或将桩与柱直接连接。
4 对混凝土管桩与承台的连接,伸入承台内的纵向钢筋如采用插筋,插筋数量不应少于4根,直径不应小于16mm,锚入承台长度不宜少于35倍钢筋直径,插入管桩顶的填芯混凝土长度不宜小于1.0m。
5 钢管桩与承台之间应采用固结连接,并应满足连接部受力需要。固结连接可采用如下一种或几种方式的组合:
1)桩顶直接伸入承台(图6.2.8a)),钢管桩伸入承台部分应设置必要的剪力键。
2)桩顶部可设置锚固件或锚固钢筋(图6.2.8b)),锚固钢筋伸入承台长度应符合本条第2款规定。
3)桩顶部可设置桩芯钢筋混凝土。桩芯钢筋混凝土与承台的连接应符合本条第2款规定;钢管内桩芯混凝土的长度、配筋应满足受力要求。

图 6.2.8 钢管桩与承台的连接
a)桩顶直接伸入承台 b)桩顶通过锚固件或锚固钢筋1-承台;2-钢管桩;3-锚固件或锚固钢筋
6 横系梁的主钢筋应伸入桩内,其长度应不小于35倍主筋直径。
6.3 计算
6.3.1 桩的计算可按下列规定进行:
1 承台底面以上的荷载假定全部由桩承受。
2 桥台土压力自填土前的原地面起算。
6.3.2 在软土和软弱地基土层较厚、持力层较好的地基中,桩基计算应考虑路基填土荷载或地下水位下降等因素引起的负摩阻力。
6.3.3 对支承在土层中的钻(挖)孔灌注桩,其单桩轴向受压承载力特征值Ra可按下列公式计算:

式中:Ra——单桩轴向受压承载力特征值(kN)。桩身自重与置换土重(当自重计入浮力时,置换土重也计入浮力)的差值计入作用效应;
u——桩身周长(m);
Ap——桩端截面面积(m2),对扩底桩,可取扩底截面面积; n——土的层数;
li——承台底面或局部冲刷线以下各土层的厚度(m),扩孔部分及变截面以上2d长度范围内不计;
qik——与li对应的各土层与桩侧的摩阻力标准值(kPa),宜采用单桩摩阻力试验确定,当无试验条件时按表6.3.3-1选用,扩孔部分及变截面以上2d长度范围内不计摩阻力;
qr——修正后的桩端土承载力特征值(kPa),当持力层为砂土、碎石土时,若计算值超过下列值,宜按下列值采用:粉砂1000kPa;细砂150kPa;中砂、粗砂、砾砂1450kPa;碎石土2750kPa;
fa0——桩端土的承载力特征值(kPa),按本规范第4.3.3条确定; h——桩端的埋置深度(m),对有冲刷的桩基,埋深由局部冲刷线起算;对无冲刷的桩基,埋深由天然地面线或实际开挖后的地面线起算;h的计算值不应大于40m,大于40m时,取40m;
k2——承载力特征值的深度修正系数,根据桩端持力层土的类别按表4.3.4选用;
γ2——桩端以上各土层的加权平均重度(kN/m3),若持力层在水位以下且不透水时,均应取饱和重度;当持力层透水时,水中部分土层应取浮重度; λ——修正系数,按表6.3.3-2选用;
m0——清底系数,按表6.3.3-3选用。
表6.3.3-1 钻孔桩桩侧土的摩阻力标准值qik

注:挖孔桩的摩阻力标准值可参照本表采用

注:1. t0、d为桩端沉渣厚度和桩的直径。
2. d≤1.5m时,t0≤300mm,d>1.5m时,t0≤500mm;同时满足条件0.1<t0/d<0.3。6.3.4 对符合本规范附录K规定的后压浆灌注桩单桩轴向受压承载力特征值Ra,可按下列公式计算:

式中:Ra——后压浆灌注桩的单桩轴向受压承载力特征值(kN)。桩身自重与置换土重(当自重计入浮力时,置换土重也计入浮力)的差值计入作用效应;
βsi——第i层土的侧阻力增强系数,可按表6.3.4取值。在饱和土层中桩端压浆时,仅对桩端以上10.0~12.0m范围内的桩侧阻力进行增强修正;在非饱和土层中桩端压浆时,仅对桩端以上5.0~6.0m的桩侧阻力进行增强修正;饱和土层中桩侧压浆时,仅对压浆断面以上10.0~12.0m范围内的桩侧阻力进行增强修正;在非饱和土层中桩侧压浆时,仅对压浆断面上下各5.0~6.0m范围内的桩侧阻力进行增强修正;对非增强影响范围,βsi=1;
βp——端阻力增强系数,可按表6.3.4取值。
其他符号同本规范式(6.3.3-1)
表6.3.4 后压浆侧阻力增强系数βs、端阻力增强系数βp

注:对稍密和松散状态的砂、碎石土可取较高值,对密实状态的砂、碎石土可取较低值。
6.3.5 支承在土层中的沉桩单桩轴向受压承载力特征值Ra可按下式计算: 式中:Ra——单桩轴向受压承载力特征值(kN),桩身自重与置换土重(当自重计入浮力时,置换土重也计入浮力)的差值计入作用效应;
u——桩身周长(m);
n——土的层数;
li——承台底面或局部冲刷线以下各土层的厚度(m);
qik——与li对应的各土层与桩侧摩阻力标准值(kPa),宜采用单桩摩阻力试验或静力触探试验测定,当无试验条件时按表6.3.5-1选用;
qrk——桩端土的承载力标准值(kPa),宜采用单桩试验或静力触探试验测定,当无试验条件时按表6.3.5-2选用;
αi、αr——分别为振动沉桩对各土层桩侧摩阻力和桩端承载力的影响系数,按表6.3.5-3取用;对锤击、静压沉桩其值均取1.0;
λp——桩端土塞效应系数。对闭口桩取1.0;对开口桩,1.2m<d≤1.5m时取0.3~0.4,d>1.5m 时取0.2~0.3。
表6.3.5-1 沉桩桩侧土的摩阻力标准值qik

注:1.表中土的液性指数IL为按76g平衡锥测定的数值。
2.对钢管桩宜取小值。
表 6.3.5-2 沉桩桩端处土的承载力标准值qrk

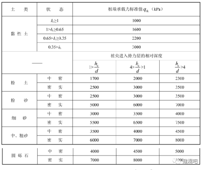
注:表中hc为桩端进入持力层的深度(不包括桩靴);
d为桩身直径或边长。
表 6.3.5-3 影响系数αi、αr值

6.3.6 当采用静力触探试验测定桩侧摩阻力和桩端土承载力时,沉桩承载力特征值计算中的qik和qrk宜按下式计算:

土层的qr大于2000kPa且qi/qr小于或等于0.014时:

否则:

式中:qi——静力触探测得的桩侧第i层土由局部侧摩阻力的平均值(kPa),当qi小于5kPa时,取5kPa;
qr——桩端(不包括桩靴)高程±4d(d为桩身直径或边长)范围内静力触探端阻的平均值(kPa)。桩端高程以上4d范围内端阻的平均值大于桩端高程以下4d的端阻平均值时,可取桩端以下4d范围内端阻的平均值; βi、βr——分别为侧摩阻和端阻的综合修正系数,式(6.3.6-3)~(6.3.6-6)不适用于城市杂填土条件下的短桩,用于黄土或其他特殊土地区时,需要做试桩校核。
6.3.7 对支承在基岩上或嵌入基岩中的钻(挖)孔桩、沉桩,其单桩轴向受压承载力特征值Ra可按下式计算:

式中:c1——根据岩石强度、岩石破碎程度等因素而确定的端阻力发挥系数,见表6.3.7-1;
Ap——桩端截面面积(m2)。对扩底桩,取扩底截面面积; frk——桩端岩石饱和单轴抗压强度标准值(kPa)。黏土岩取天然湿度单轴抗压强度标准值,frk小于2MPa时按支承在土层中的桩计算。
frki——第i层的frk值;
c2i——根据岩石强度、岩石破碎程度等因素而定的第i层岩层的侧阻发挥系数,见表6.3.7-1;
u——各土层或各岩层部分的桩身周长(m);
hi——桩嵌入各岩层部分的厚度(m),不包括强风化层、全风化层及局部冲刷线以上基岩;
m——岩层的层数,不包括强风化层和全风化层;
ζs——覆盖层土的侧阻力发挥系数,其值应根据桩端frk确定,见表6.3.7-2;
li——承台底面或局部冲刷线以下各土层的厚度(m);
qik——桩侧第i层土的侧阻力标准值(kPa),应采用单桩摩阻力试验值,当无试验条件时,对钻(挖)孔桩可按表6.3.3-1选用,对沉桩可按表6.3.5-1选用,扩孔部分不计摩阻力;
n——土层的层数,强风化和全风化岩层按土层考虑。
表 6.3.7-1 发挥系数c1、c2

注:1.入岩深度小于或等于0.5m时,c1乘以0.75的折减系数,c2=0;
2.对钻孔桩,系数c1、c2值降低 20%采用;对桩端沉渣厚度t,d≤1.5m时,t≤50mm;d>1.5m时,t≤100mm;
3.对中风化层作为持力层的情况,c1、c2分别乘以0.75的折减系数。
表 6.3.7-2 覆盖层土的侧阻力发挥系数ζs

注:ζs值可内插计算。当frk>60MPa时,ζs可按frk=60MPa取值。
6.3.8 桩基按嵌岩设计时,其嵌入基岩中的有效深度可按下列公式计算: 1 对圆形桩,可按下式计算:

2 对矩形桩,可按下式计算:

式中:hr——桩嵌入基岩中(不计强风化层、全风化层及局部冲刷线以上基岩)的有效深度(m),不应小于0.5m;
H——基岩顶面处的水平力(kN);
MH——基岩顶面处的弯矩(kN·m);
b——垂直于弯矩的平面桩边长(m);
β——岩石的垂直抗压强度换算为水平抗压强度的折减系数,取0.5~1.0,应根据岩层侧面构造确定,节理发育岩石取小值,节理不发育岩石取大值;
frk——岩石饱和单轴抗压强度标准值(kPa)。
6.3.9 摩擦型桩的受拉要求应符合下列规定:
1 当桩的轴向力由结构自重、预加力、土重、土侧压力、汽车荷载和人群荷载的频遇组合引起时,桩不得受拉。
2 当桩的轴向力由上述荷载与其他可变作用、偶然作用的频遇组合或偶然组合引起时,桩可受拉,其单桩轴向受拉承载力特征值按下式计算:

式中:Rt——单桩轴向受拉承载力特征值(kN);
u——桩身周长(m)。对等直径桩,u=πd;对扩底桩,自桩端起算的长度Σli≤5d时取u=πD;其余长度均取u=πd(其中D为桩的扩底直径,d为桩身直径);
αi——振动沉桩对各土层桩侧摩阻力的影响系数,按表6.3.5-3采用;对锤击、静压沉桩和钻孔桩,αi=1。
3 计算作用于承台底面由外荷载引起的轴向力时,应扣除桩身自重。
6.3.10 计算桩内力时,可采用m法(见附录L和附录M)或其他可靠的方法。钢管混凝土组合桩的截面刚度可按下列公式计算:

式中:EA——钢管混凝土组合桩的截面压缩刚度;
EI——钢管凝土组合桩的截面抗弯刚度;
GA——钢管凝土组合桩的截面剪切刚度。
下标c、s分别表示混凝土和钢管对应的参数。
6.3.11 对9根桩及以上的多排摩擦型桩群桩,桩端平面内桩距小于6倍桩径时,群桩可作为整体基础验算桩端平面处土的承载力,其验算方法可按本规范附录N进行。当桩端平面以下有软土层或软弱地基时,还应按本规范第5.2.6条验算该土层的承载力。
6.3.12 桩基为端承桩或桩端平面内桩的中距大于桩径(或边长)的6倍时,桩基的总沉降量可取单桩的沉降量。在其他情况下,应按本规范第5.3.4条的规定作为墩台基础计算群桩的沉降量,并应计入桩身压缩量。
6.3.13 桩基位于季节性冻胀土层中时,应验算桩的抗冻拔稳定性,计算方法可参照本规范附录H。
来源:建筑吧
知识点:公路桥涵地基与基础设计规范
0人已收藏
0人已打赏
免费3人已点赞
分享
建筑规范
返回版块34.61 万条内容 · 519 人订阅
阅读下一篇
权威解读:《2018版公路钢筋混凝土及预应力混凝土桥涵设计规范》《规范》规定公路混凝土桥涵设计的原则、方法和要求,是公路行业一部极为重要的通用性强制技术规范。 ? 对于桥梁,适用于混凝土主梁、桥墩、索塔、拱肋、基础等典型构件 ? 对于涵洞,适用于采用钢筋混凝土结构的圆管涵、箱涵、盖板涵等 ? 在公路行业,广义上适用隧道、支档结构等配筋混凝土结构
回帖成功
经验值 +10
全部回复(0 )
只看楼主 我来说两句抢沙发