
1 范围
本工艺标准适用于建筑物或构筑物的基础、坑(槽)底基土质量钎探检查。
2 施工准备
2.1 材料及主要机具
2.1.1 砂:一般中砂。
2.1.2 主要机具:
2.1.2.1 人工打钎:一般钢钎,用直径φ22~25mm的钢筋制成,钎头呈60°尖锥形状,钎长1.8~2.0m;8~10磅大锤。
2.2.2.2 机械打钎:轻便触探器(北京地区规定必用)。
2.2.2.3 其他:麻绳或铅丝、梯子(凳子)、手推车、撬棍(拔钢钎用)和钢卷尺等。
2.2 作业条件:
2.2.1 基土已挖至基坑(槽)底设计标高,表面应平整,轴线及坑(槽)宽、长均符合设计图纸要求。
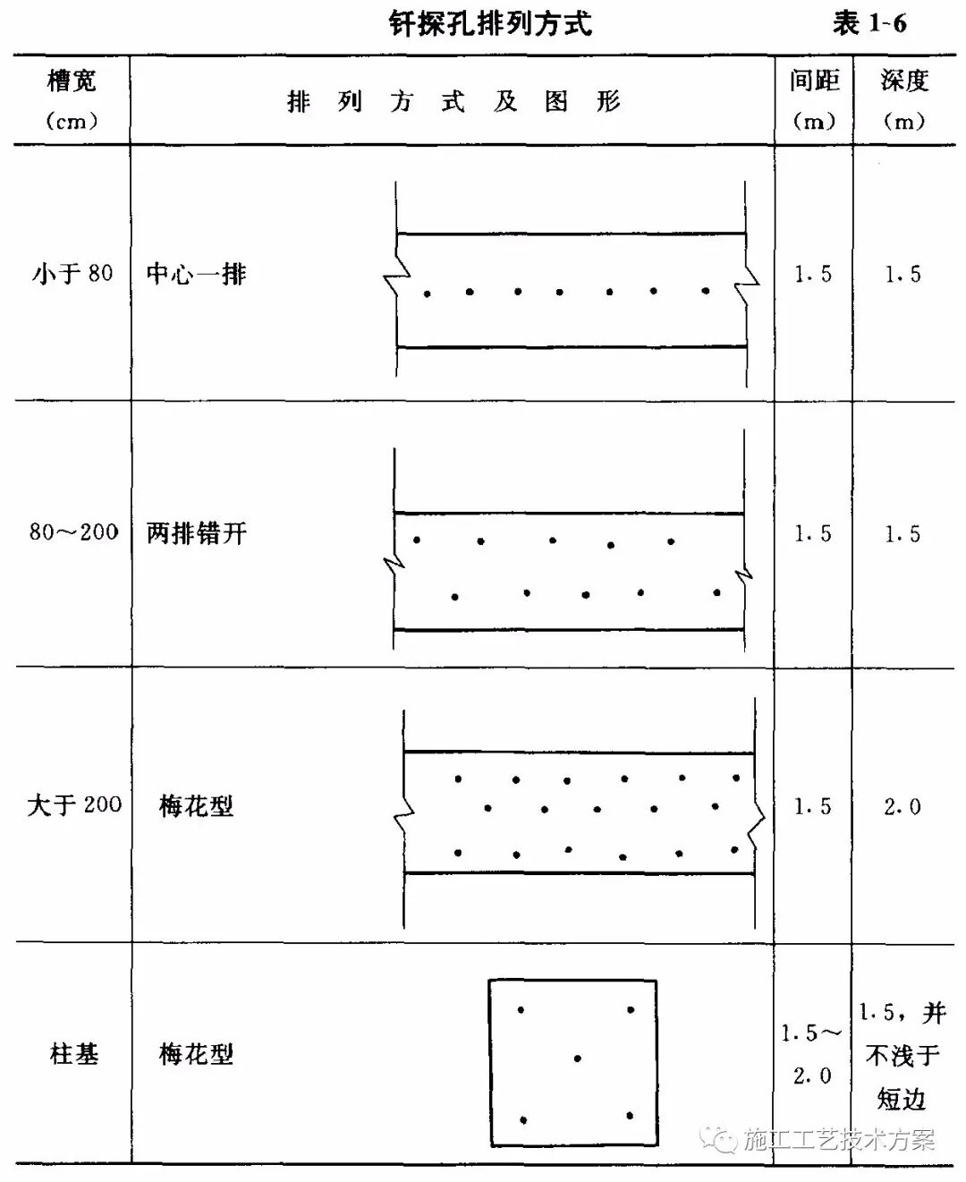
2.2.2 根据设计图纸绘制钎探孔位平面布置图。如设计无特殊规定时,可按表l-6执行。
2.2.3 夜间施工时,应有足够的照明设施,并要合理地安排钎探顺序,防止错打或漏打。
2.2.4 钎杆上预先划好30cm横线。

3 操作工艺
3.1 工艺流程:
放钎点线 |
→ |
就位打钎 |
拔钎 |
灌砂 |
|||||
↓ |
↓ |
||||||||
记录锤击数 |
检查孔深 |
||||||||
3.2 按钎探孔位置平面布置图放线;孔位钉上小木桩或洒上白灰点。
3.3 就位打钎
3.3.1 人工打钎:将钎尖对准孔位,一人扶正钢钎,一人站在操作凳子上,用大锤打钢钎的顶端;锤举高度一般为50~70crn,将钎垂直打入土层中。
3.3.2 机械打钎:将触探杆尖对准孔位,再把穿心锤会在钎杆上,扶正钎杆,拉起穿心锤,使其自由下落,锤距为50cm,把触探杆垂直打入土层中。
3.4 记录锤击数。钎杆每打入土层30cm时,记录一吹锤击数。钎探深度如设计无规定时,一般按表l-6执行。
3.5 拔钎:用麻绳或铅丝将钎杆绑好,留出活套,套内插入撬棍或铁管,利用杠杆原理,将钎拔出。每拔出一段将绳套往下移一段,依此类推,直至完全拔出为止。
3.6 移位:将钎杆或触探器搬到下一孔位,以便继续打钎。
3.7 灌砂:打完的钎孔,经过质量检查人员和有关工长检查孔深与记录无误后,即可进行灌砂。灌砂时,每填入30cm左右可用木棍或钢筋棒捣实一次。灌砂有两种形式,一种是每孔打完或几孔打完后及时灌砂;另一种是每天打完后,统一灌砂一次。
钎探孔排列方式 表1-6
槽宽 (cm) |
间距 (m) |
深度 (m) |
|
小于80 |
中心一排 |
1.5 |
1.5 |
80~200 |
两排错开 |
1.5 |
1.5 |
大于200 |
梅花型 |
1.5 |
2.0 |
柱基 |
梅花型 |
1.5~2.0 |
1.5,并不浅于短边 |
3.8 整理记录:按钎孔顺序编号,将锤击数填入统一表格内。字迹要清楚,再经过打钎人员和技术员签字后归档。
3.9 冬、雨期施工:
3.9.1 基土受雨后,不得进行钎探。
3.9.2 基土在冬季钎探时,每打几孔后及时掀盖保温材料一次,不得大面积掀盖,以免基土受冻。
4 质量标准
4.1 保证项目:
钎探深度必须符合要求,锤击数记录准确,不得作假。
4.2 基本项目
4.2.1 钎位基本准确,探孔不得遗漏。
4.2.2 钎孔灌砂应密实。
5 成品保护
5.1 钎探完成后,应作好标记,保护好钎孔,未经质量检查人员和有关工长复验,不得堵塞或灌砂。
6 应注意的质量问题
6.1 遇钢钎打不下去时,应请示有关工长或技术员:取消钎孔或移位打钎。不得不打,任意填写锤数。
6.2 记录和平面布置图的探孔位置填错:
6.2.1 将钎孔平面布置图上的钎孔与记录表上的钎孔先行对照,有无错误。发现错误及时修改或补打。
6.2.2 在记录表上用色铅笔或符号将不同的钎孔(锤击数的大小)分开。
6.2.3 在钎孔平面布置图上,注明过硬或过软的孔号的位置,把枯井或坟墓等尺寸画上,以便设计勘察人员或有关部门验槽时分析处理。
7 质量记录
本工艺标准应具备以下质量记录:
工程地质勘察报告。
推荐资料(点击文字跳转):
知识点:基土钎探的工艺标准
0人已收藏
0人已打赏
免费0人已点赞
分享
建筑施工
返回版块66.02 万条内容 · 1639 人订阅
阅读下一篇
组合钢框木(竹)胶合板模板的安装与拆除的工艺标准1 范围 本工艺标准适用于工业与民用建筑现浇混凝土框架(包括框架剪力墙)、剪力墙及筒体结构模板施工。 2 施工准备 2.1 材料及主要机具: 2.1.1 钢框木(竹)胶合板块:长度为900、1200、1500、1800和2400mm;宽度为300、450、600和750mm。宽度为100、150和200mm的窄条,配以组合钢模板。
回帖成功
经验值 +10
全部回复(0 )
只看楼主 我来说两句抢沙发